Fórum témák

» Több friss téma
Fórum » Elektronikában kezdők kérdései
- Ez a felület kizárólag, az elektronikában kezdők kérdéseinek van fenntartva és nem elfelejtve, hogy hobbielektronika a fórumunk!
- Ami tehát azt jelenti, hogy a nagymama bevásárlását nem itt beszéljük meg, ill. ez nem üzenőfal!
- Kerülendő az olyan kérdés, amit egy másik meglévő (több mint 17000 van), témában kellene kitárgyalni!
- És végül büntetés terhe mellett kerülendő az MSN és egyéb szleng, a magyar helyesírás mellőzése, beleértve a mondateleji nagybetűket is!
Lapozás: OK   1483 / 4047
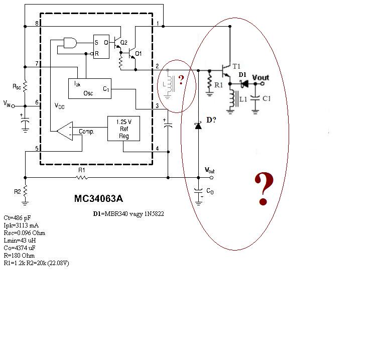
(#) qwertz0 hozzászólása Okt 28, 2011 /
 
Már majdnem kész van az áramköröm, de itt megakadtam, tudna valaki segíteni (lásd melléklet)?
(#) bbalazs_ válasza mixery01 hozzászólására (») Okt 28, 2011 /
 
A shutter nem fogja tudni a ms-ot.
Masmilyen lezert nem lehet hasznalni?
A mi intezetunkben egy masik laborban hasonlo dolgot csinalnak (jo, nem egysejt), de oda a diodalezer eleg.
Szerintem egy probat megerne.

Esetleg mintha a DLPprojectorok kis tukorrendszere elegge gyors lenne, szoval nem shutter, hanem elterito tukor. De ezt nem tudom, nezz utana.
Vagy talan a piezotukor, esetleg az is jo lehet nektek.
Jo kozel a lezerhez, akkor eleg nagy lesz a szog is.

Egyebkent te melyik oldalrol kozelited? Biologia felol az elektronka vagy elektronika felol a biologia?

Irodalom mit mond, masok hogyan csinaljak - ha csinaljak egyaltalan?
(#) doup válasza Norberto hozzászólására (») Okt 28, 2011 2 /
 
Remélem minden ami a lelkedet nyomta ki tudtad önteni szavakban és így már nyugodtan tudtál aludni. Ez engem abszolút megnyugtat. Ha van még bármi ami a lelkedet nyomja szívesen elolvasom.
(#) proli007 válasza qwertz0 hozzászólására (») Okt 28, 2011 /
 
Hello!
Remélem nem erre az áramkörre mondod, hogy majdnem kész, mert ez egy badarság ami itt látszik. Neked erre a kapcsolásra van szükséged...
üdv! proli007
(#) watt válasza doup hozzászólására (») Okt 28, 2011 /
 
Látod ez az amit nem veszel észre! Te nem lehetsz hibás! Nehogy már magadba nézz, mennyire nem ide való vagy! Jobb lenne ha lelépnél és békén hagynál minket! Isten veled!
(#) elektromania92 hozzászólása Okt 28, 2011 /
 
Sziasztok. Találtam a neten egy nyák tervet.Szeretném kinyomtatni. De nagyon nagy. A szöveg szerint 300dpi-s.
Hogy kell reális méretben kinyomtatni? Mellékeltem is.
(#) NVP hozzászólása Okt 28, 2011 /
 
Sziasztok
A ferrit gyűrű mire jó?
(#) saraha válasza NVP hozzászólására (») Okt 28, 2011 /
 
Eljegyzésre nem az tuti... A Google keresője meg segít próbáld ki egyszer...
(#) LGS94 hozzászólása Okt 28, 2011 /
 
Sziasztok! Van két ütemre villogó fénycsövem hangszóróra kell kötni és az elektonika elszált benne! Milyen árammal tudom megnézni külön a fénycsövek működnek e?
(#) pucuka válasza NVP hozzászólására (») Okt 28, 2011 /
 
Attól függ, milyen ferritből vannak. Induktivitásokat készíteni, fojtót zavarszűrőbe, hangolt körökbe, transzformátornak.
Régebben léteztek nagy hiszterézisű anyagból, adattárolásra.
(#) saraha válasza saraha hozzászólására (») Okt 28, 2011 /
 
Idézet:
„Régebben léteztek nagy hiszterézisű anyagból, adattárolásra.”

Na,pl:ezt még tudtam,pucukának és a guglinak köszönhetően most már erről is van fogalmam.
(#) pepe091 hozzászólása Okt 28, 2011 /
 
Srácok!

Hogy is van a 7 szegmenses led kijelző? Ha közös anódos akkor a 3,8 lábát kell földre kötni ha meg közös katódos akkor az 5 voltba?
Meg még az a problémám hogyha a 3,8-at földre rakom, és mondjuk a 2-es lábára 5V-ot akkor nem kellene világítania annak a résznek ami a 2-es lábhoz tartozik?
Köszi a segítséget!
(#) vájár1 válasza nedudgi hozzászólására (») Okt 28, 2011 /
 
szia
Köszi hogy reagáltál a kérdésemre.
A cél egyenlőre nem publikus egyébként én sem találtam
ilyen kütyüt ,még csak rókafogót sem.
Viszont ha tudsz ebben segíteni az nem lenne rossz,
akkor még beszélünk

üdv:Vájár
(#) moltam hozzászólása Okt 28, 2011 /
 
Helosztok.
Délután építettem egy stroboszkópot. Furcsa módon azt tapasztaltam, hogy az áramkör sötétben nem hajlandó működni, ugyanakkor ha zseblámpával rávilágítok a glimmlámpára, a villogás frekvenciája nagyon megnő. Mi okozza a jelenséget?
(#) mcdavid hozzászólása Okt 28, 2011 /
 
Hali,

Kérdezném, hogy mit jelent ennél a trafónál a 11T és a 3,5T,köszi előreis a segitséget.

trafo.jpg
    
(#) vájár1 válasza proli007 hozzászólására (») Okt 28, 2011 /
 
Szia köszi a tippet .
Sajna eladót nem találtam.
Viszont ha van ötleted az elkészítéséhez akkor még beszéljünk.üdv :Vájár
(#) pucuka válasza mcdavid hozzászólására (») Okt 28, 2011 /
 
A "T" azt jelenti, hogy turn, azaz menet. A fél menet meg annyit tesz, hogy nem zárt teljes menet.
(#) nyaxi hozzászólása Okt 28, 2011 /
 
Van egy Alfa Romeo 33-as típusú gépkocsim. Volt hozzá egy komplett legegyszerűbb kapcsolási rajz, csak nem jegyeztem meg, a papírját meg elhagytam. Tehát van egy zárórelém, 85, 86 , a tekercs kivezetései, 87 és 30 a kapcsolóé. Emellé van egy nyomógombos kapcsolóm. Valaki fel tudná rajzolni ezt az egyszerűen sematikus ábrát, mert van elképzelésem, de jobb biztosra menni... Én úgy gondoltam, hogy tekercs egyik vége megy testre, de ezek közé tenni a kapcsolót...
(#) pepe091 válasza pepe091 hozzászólására (») Okt 28, 2011 /
 
Közben rájöttem hogy pont fordítva, a közös anód akkor a 3 és 8 láb Vcc. Megnéztem nekem közös anódos kijelzőim vannak.
Na de még mindig nem tudom "leellenőrizni" ha a 3 és 8 lábát Vcc ben van akkor ha egy másik lábára adok feszültséget annak világítania kellene nem? Pedig nem világít
(#) qvasz2 válasza pepe091 hozzászólására (») Okt 29, 2011 /
 
Itt egy rajz neked a közös anódoshoz. Ha valamelyik ellenállást GND-re teszed, akkor az a szegmens világít. Az ellenállást a tápfeszültséghez kell méretezni: 5V-hoz pl. 220 ohm jó lesz.
De nem minden kijelzőnek azonos a lábkiosztása!! A típusszámhoz adatlapot kell keresni, mert lehet, hogy nem is a 3, 8 -as lábak a közösek!!
(#) vizor válasza pepe091 hozzászólására (») Okt 29, 2011 /
 
A legegyszerűbb egy digitális multiméter dióda/sípolós szakadásvizsgálójával letesztelni. Arra elég, hogy halványan világítson a szegmens de kinyírni nem fogja. Ráteszed az egyik mérőcsúcsot az egyik lábra majd a másikkal végigzongorázod a többit. Majd felcserélt mérőcsúccsal újra. A felvillanó szegmensek alapján be tudod azonosítani a közös lábakat és a mérőcsúcsok színe alapján a pólusát is. Ugyebár minden szegmens egy LED. Ha megvan a közös láb és annak a típusa (anód/katód), akkor a megfelelő mérőcsúccsal végigtesztelheted az összes szegmenset. Az egész művelet kb. 30 másodperc.
(#) pepe091 válasza qvasz2 hozzászólására (») Okt 29, 2011 /
 
Köszönöm, meglett, és működik!
(#) rob27 hozzászólása Okt 29, 2011 /
 
Sziasztok!

Lehet, hogy rosszkor és rossz helyen teszem fel a kérdésem, de azért megpróbálkoznék, hátha lesz segítő szándékú emberke.

Az elektronikához kevésbbé értek, inkább csak tanultam, de nem dolgoztam ilyen munkakörben és ezért nem is foglalkoztam vele.
Sosem késő úgy gondolom, ezért szeretnék megtanulni forrasztani-forrasztgatni, itthon
Adottak nálam hibás notik, asztali számítógépek hibás alaplapjai, videókártyái, tehát lenne min gyakorolni.
BGA chipek újragolyózása, illetve cseréje érdekelne leginkább, hogy ezeket milyen eszközökkel lehet megvalósítani.
Tehát ha lenne itt olyan segítő szándékú emberke, aki megírná nekem, ezt lépésről lépésre illetve egy kicsit összetettebben és szájbarágósan, hogy pontosan milyen eszközökre lenne szükségem ezen dolog megvalósításához, azt megköszönném.
Forrasztópákát-forrasztóállomást illetve a hőlégfúvót azt tudom, hogy kell de ezen kívül mire van még szükségem?!

További szép napot !
(#) pepe091 válasza vizor hozzászólására (») Okt 29, 2011 /
 
Neked is köszönöm!

Abban kérnék még segítséget, hogy egy számlálót raktam össze 74190 ből meg 7447 átalakítóból és az órajelet sehogy se tudom megcsinálni, próbáltam ne555 ből raktam bele 500 ohmos meg 1µF os kondikat de nem működik.
Másik még hogy van egy nyákba való nyomógombom, hogy azt hogyan kell bekössem, hogy pergésmentesített legyen? Van 4 lába, elvileg kettőt kettőt össze kell kötni nem? Csak utána nem tudom hogy hova rakjak ellenállást, meg hol lesz a kimenet ahonnan az órajelet le tudom venni.

Köszi előre is!
(#) bancsi15 hozzászólása Okt 29, 2011 /
 
Sziasztok!

Valaki ránézne erre a kapcsolásra nekem, hogy nincs-e benne valami orbitális hiba? Konkrétan a relé és tranzisztor bekötésében nem vagyok biztos.

Köszi

csengő.JPG
    
(#) vicsys válasza bancsi15 hozzászólására (») Okt 29, 2011 /
 
A relé tekercsével párhuzamosan illene kötni egy diódát záró irányban, mert a tekercs önindukciója előbb-utóbb kinyírja a tranyót.
(#) idlob válasza bancsi15 hozzászólására (») Okt 29, 2011 /
 
A 6, 3A, 3B, 3C kapocs micsoda?
(#) proli007 válasza vájár1 hozzászólására (») Okt 29, 2011 /
 
Hello!
Eladót, vagy adót nem találtál? Én nem foglalkozok ilyesmivel, ez általában rádióamatőr téma. De ha Őket megkeresed, tuti van még eladójuk is. Csak nézz utána, kinek van itt adóengedélye és útba fog igazítani.
De ha Te nem is, én találtam kapásból, csak a Rádiótechnika újságot kell megszeretned. (vagy az elektronikus másolatát)
2009/2 108. oldal ez módosítása, a 2008/7 388. oldalnak.
üdv! proli007
(#) proli007 válasza pepe091 hozzászólására (») Okt 29, 2011 /
 
Hello!
Te olvasol is, vagy csak kérdezel? Nem gond hogy ITT készítettem számodra egy kapcsolást?
üdv! proli007
(#) pepe091 válasza proli007 hozzászólására (») Okt 29, 2011 /
 
Nagyon köszönöm, ezt a választ pont nem láttam. DE most köszi és bocsánat!
Következő: »»   1483 / 4047
Bejelentkezés

Belépés

Hirdetés
XDT.hu
Az oldalon sütiket használunk a helyes működéshez. Bővebb információt az adatvédelmi szabályzatban olvashatsz. Megértettem