Fórum témák
» Több friss téma |
Fórum » Csöves erősítő készítése
Ne feledd betartani a fórum viselkedési szabályait, és a topik megmaradásának feltételeit. [link]
A téma átmenetileg fagyasztva lett, hozzászólni nem tudsz!
Ipari elektronikai alkalmazásban szolgált, miután leselejtezték, elhozhattam. 10-12 db lehetett. Valamelyik fórumtársnál végezte...
Szervusz!
Én most kezdenék hasonló építésébe. Van 2 táp és 2 kimenő trafóm. Viszont a 2 kimenő mért DC ellenállása és induktivitása nem teljesen azonos. Lehet ezzel még gondom? Köszi a segítséget.
Szia! Két tök egyformát nehéz készíteni, de mekkora az eltérés? Milyen nagyságrendű?
Sziasztok! Egy Marsi 2204-es előfokot építettem meg és eléggé nagy az alapzaja. Már megpróbáltam sok mindent, új tápot, semmi változás...a cső fűtésre gondoltam még. Eddig 12,6V egyen feszről hajtottam, próbáljam meg AC- ről? És milyen kötésben, hallottam vannak különböző bekötési és földelési technikái...
Tud valaki segíteni? Köszönettel veszem.
Szia!
A vidik: 1-pr: 9,1H - 316Ohm 2-pr: 9,6H - 310Ohm 1-sz:6mH - 0,6Ohm 2-sz:6,3mH- 0,6Ohm Szerintem sem számottevő ez a különbség, de mivel nincs még gyakorlatom, inkább kérdezek. Az Orionokat, még csak nagyjából mértem 1 kis műszerrel, de azokat is megmérem rendesen. Mindenesetre köszönöm a segítséget.
Ez az eltérés nem eltérés , itt nincs jelentősége .
Szervusz!
Köszönöm. Közben megmértem a többit is. Hajszállal nagyobbak az eltérések. Gondolom akkor az is figyelmen kívül hagyható, és folytathatom.................
köszi!
Szivesen. Azért az elejét nem így építeném meg. Az első triódának kötött pentódát simán kihagynám, és ami marad: a jó kis WILLIAMSOM meghajtás. Ha kicsi az erősítése, kicsi a bemenet érzékenysége, első körben kisebb (vagy 0) visszacsatolást alkalmaznék (triódás vég). Meghallgatnám. Biztos jobb lesz
Ha az érzékenység még mindig kicsi, az első csövet lecserélném 3-szor nagyobb erősítésű 6N9SZ/ 6SL7-re, természetesen átméretezve a munkapontokat, ellenállásokat.
Sziasztok!
Egy dinaco jellegű PP erősítőt építettem , és olyan tapasztalatom van, hogy időnként elkezd torzítani és pattogni a kimenet. Máskor meg teljesen rendben van. Mintha valami telítődne, vagy nem is tudom. Ha van ötletetek a hiba okára szívesen várom. Köszi!
Inkább valamelyik alkatrész "kínlódik". Egy kondenzátor átvezetget, egy ellenállás szakadozik, vagy valamelyik cső kontakthibás. A fokozatok egyenáramú mérését kéne végezni, mikor éppen fennáll a jelenség. Abból lehetne valószínűleg következtetni a kiváltó okra.
Sziasztok.
Van pár darab eladó csövem, ha valakit érdekel írjon PÜ-t és elküldöm neki a listát. Ide nem rakom fel mert nem akarok a modikkal problémát.
Ha van benne esetleg trimmer vagy poti, ott is lehet a hiba forrása (nekem produkált ilyet az egyik APX egy * trimmer miatt).
Finomabban! Action2K
Sziasztok!
Van egy Vadásztölténygyár 545 R nevezetű csöves rádióm, nagyon ramaty állapotban. Háló és kimenőtrafóiból lehetne építeni egy egyszerű, szobába való gitárerősítőt? 8 Ohmos hangszóróhoz.
Sajna, még nem állt módomban megszólaltatni! De már csak idő kérdése! Karácsony-Újév között biztos belefér!
Helló. Ki lehetne hozni belőle egy ilyet. Én is most csinálom, a napokban meg is fog szólalni. Ha megvannak a csövek akkor csak egy ECC83 vagy 12AX7-et kell venned. A kimenő és a táptrafó is jó hozzá. Szerintem gyere át a gitárerősítős topicba.
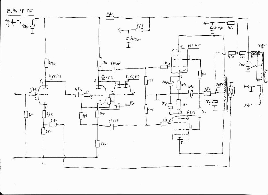
Megszólaltattam az EL95 PP-t. 2*5,2 W-ot tud, gyönyörű a hangja. Már három napja készen van, de van egy kicsi brummom, amit nem tudok megszüntetni. A brumm a bemeneten keletkezik (bemeneti trióda nélkül nincsen), de nem szűretlenség és nem is földhurok az oka. Ha a bemenetet rövidre zárom (akár a bemeneten, akár a rácslevezetőnél) teljesen süket (egy kis "súgás" is van, az is megszűnik rövidre zárt bemenetnél). Ha kikapcsolom az erősítőt, akkor a táp megszűnésével szűnik meg (tehát nem azonnal, kikapcsoláskor). A visszacsatolás hatására, az erősítés csökkenéssel arányosan csökken, ha ECC82-t teszek a 83-as helyére, akkor is az erősítés csökkenéssel arányosan csökken. Kifogytam az ötletekből, már csak arra tudok gondolni, hogy le kéne árnyékolnom az első csőnél.Ezzel kapcsolatban szívesen vennék ötleteket.
Teljesen hagyományos, biztonságos kapcsolást csináltam neki, csövenként automatikus rácselőfesszel, kondenzátor csatolással, katodin fázisfordítóval (itt duplázva vannak a triódák, hogy ne maradjon üres cső. Eggyel több foglalat lett beszerelve a szükségesnél).
Egyenárammal fűteni az első csövet ? Vagy megemelni a fűtés potenciálját pár volttal ?
ARC VT60-nal jártam ugyanígy. Meg akartam spórolni az első cső gyári kapcsolás szerinti külön egyenfűtését. Bármit csináltam (fűtésközepelő poti, érnyékolások, stb), a pici brumm csak akkor múlt el, miután miután mégis betettem az egyenfűtést. Máig sem értem, mert pár 100 millivoltos a bemeneti érzékenység.
A fűtés megemelését próbáltam már, most is 30 V körül van (240 K-33 K/220uF), nem okozott semmilyen változást. Egyen fűtést még nem próbáltam, sajnos csak egy fűtőtekercsem van a trafón, ami nehezíti a megoldást. Igazából az a zavaró a dologban, hogy a hálózat lekapcsolásakor nem szűnik meg azonnal, csak ugyanolyan ütemben, mint ahogyan a zene is elhalkulna, valamint, hogy rövidrezárt bemenettel nincs semekkora brumm.
Az a pici brumm a hálózati kapcsoló lekepcsolása után is megmaradt (leállásig)?
Két dolgot megpróbálhatnál. Az első cső rácsából vedd ki a soros ellenállást, a zajt, és a brummot is befolyásolhatja, és a egyenirányító diódákra tegyél egy 1 - 10 nF kondit, ha van a keresztmoduláció, annak a megszüntetésére.
Sziasztok!
Kellene egy kis segítség! Letöltöttem egy pár csöves rajzot, de nem tom meg nyitni mert valami .fpd file,. Nem tudja valaki mivel lehetséges ezeket megnyitni?
Nem emlékszem, régen volt. Más nincs a közelben ami szórhat?
Közben meg találtam,
fpd= front panel designer
esetleg ha kell valakinek Bővebben: doboztervező
A soros ellenállás elhagyását már próbáltam, az sajnos nem okozott változást. Az előbb megoldottam az első csövek egyenáramú fűtését is, az sem hozott változást. A diódákon a kondikat nem próbáltam még, nagyon hozzáférhetetlen helyen vannak a trafó szerelőlapján. Nem tartom valószínűnek, hogy itt probléma lenne, mert mint említettem rövidrezárt bemenettel teljesen süket, viszont a teljes tápelvételtől sem szűnik meg a brumm, csak ahogy kihűlnek a csövek (az eddigi fűtéses próbálkozásaim is ez miatt voltak logikátlanok). Úgy néz ki, mintha a rácslevezető ellenállás szedné össze a brummot az "éterből".
|
Bejelentkezés
Hirdetés |



Ha az érzékenység még mindig kicsi, az első csövet lecserélném 3-szor nagyobb erősítésű 6N9SZ/ 6SL7-re, természetesen átméretezve a munkapontokat, ellenállásokat. 



