Fórum témák
» Több friss téma |
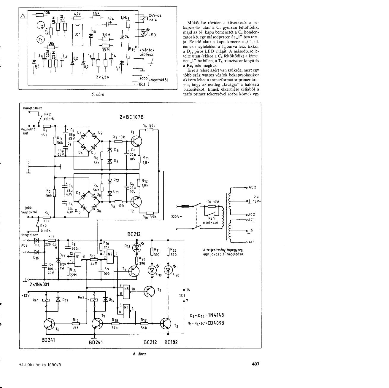
Az urbános koppanásgátló tökéletesen megfelel. Sztereo végfokhoz értelemszerűen kettő kell. Valamelyik '90-es Rádiótechnikában benn van kapcsrajz nyák meg minden. A 200W-os QUAD is kettő ilyet kapott. Mondjuk azt érdemes tudni, hogy ez a cucc csak a hangszórókat védi meg a DC-től, ha valami okból kifolyólag bekrepál a végfok, illetve a bekapcsolási és kikapcsolási tranziensektől is véd (késleltetve kapcsolja a relé a végfok kimenetét a hangfalra, az erősítő kikapcsolásakor pedig azonnal elenged a relé, illetve ha a kimenetre DC kerül akkor is kikapcsol a relé)
Én semilyen védelmet nem épitetem a quadomhoz.
Az urbános védelmet át lehet alakitani ugy, hogy kétáramkörös relét raksz bele és akkor a sztereohoz elég egy panel.
Én tuti nem csinálnám meg mert akko az egyenáremot csak egy oldalnál tudnnád figyelni és az nem jó ha a kimeneten egyenfesz van
Valahogy meg lehet oldani azt is, hogy mindkét oldalt figyelje.Nálunk már csinálták, csak nem emlékszem hogyan, de aszem ugy kell hogy mindkét végfoknak a kimenetére ami a védelemhez megy(nem oda ahova a hangfal)berakz ellenálást kb:47kohmot és aztán a két ellenálást közösited és mehet a védelemhez.Vagy valami ilyesmi modon.De az a biztos ha külün-külön kap egy védelmet az erősítő.
Hello erre a védőáram körre gondolsz.
Ha a qudba lm 301a múveleti erősítő van akko az r9 és r11-et be kell tenni vagy r9 zárlat r11 szakadás? Ha jól értem akko be kell tenni...
Adok egy régi de tuti működő koppanásgátló, egyenfesz figyelő áramkört. Én mindig ezt használom minden erősítőmben. /a beirt adatok a nagyobb teljesítményre vonat koznak/ a NYÁKterv eltér a kapcsolástól abban, hogy 4 érintkezős a relé. (MY4-es)
Lenne egy kis problémám. Megépítettem a quadot csak nemtudom hogy most mivan. Összerakom a +- ágba egy 100r-es ellenállás hogy ha baj van ne haljanak meg a végtranyók. OK minden kész bekapcs. A 100ohmos ellenállás olyan 2w minden bekapcs az egész és hangszóró recs amiko bekapcs utána kihúz bekapcs recs megint... Na utána jel megint bekapcs és ment egy 20s-is a hangszóróból cak halk búgás és semmi szagolok érzek valami furát nézem a végfokot semmi... Nézem a bordát semmi... Nézem az egyik 100r-es ellenállást semmi utána a + ágba és ellenállás es nagyon meleg mi lehet baj?
Ha jól értem 2W ellenálást raktál a tápágakban.Szerintem az a baj.Mérd meg hogy menyi áramot vesz fel.
Bocs elírtam a - ágba meleg az ellenállá... De a két ellenállásnak ugyna úgy kellene melegednie... a - ágba pedig sokkal jobban melegedik
Nah most megint bekapcsoltam és most már búg de rendesen. A - ágba az ellenállás melegedik ugyen úgy... Megpróbáljam hogy a végtranyókat lekötöm és csak a meghajtófokozattal kapcsolom be a tápot?
Nah má nem búg mert véletlenűl lejött a pufferkondiról a kábel és azé búgott. Amúgy az szabályos hogy amiko kap áramot akko befeleugrik egy kicsit a hangszóró és úgy marad? Lehet hogy a + oldal nem meg azé melegedik a - ágba a ellenállás mert a plusz azé nem mert nem kap fesz rendesen...
100v-os ellenállásokkal 2,8v-os negatív egyenfesz van a kimeneten
Azért ugrik befele a membrán mert -2,8V van a kimeneten azt el kell onnan tünteni
Azért mértem rá mert láttam hogy befele ugrik és már tudtam hogy valami gond van. Hogy tüntessem el?
Nah lekötöttem a végtranyókat így megpróbáljam beindítani hogy van fesz a kimeneten?
Ez valahogy nem az én napom
Bekapcsoltam a hangszóró befele ugrott megint tehát hogy rossz a végtranyó kilőve
DE akko mi baja
Elenőrizd hogy tényleg szimetrikus feszültséget adsz az erősítőre.
Minimális eltérés van
(msn-en jelentkezz be)
Na végre találtam megfelelő koppanásgátlót.Most már csak az a bibi hogy ez csak 40w-os quadhoz volt készítve azthizsem +-35V-ra.Segitsetek átalakítani hogy 44-47V 100W os quadhoz használhassam.Elvileg a leírtak szerint csak a terhelhetőséget kell növelni
Ha jól tudom ez a reflex rx 500-as védőáramköre nem a quad-é..... Ha jól tudom...
az nem gond ha használható a quad-hoz
csak segísetek átalakítani.
Hello Soundman!
Amiket beraktál 100ohm-os ellenállásokat a táp ágba azoknak amúgy inkább 5W-snak kéne lennie... És neked az egyik azért melegszik mert valami gubanc van! Mérjél rá ezekre az ellenállásokra,hogy mekkora feszültség esik rajtuk, sztem nem szabadna pár voltnál többnek esni rajtuk! Nézd át alapossan a kapcsolást mert valamit vagy rosszul raktál be vagy rövidzár van a nyákon... Ha tudnál mellékelni róla képet az segítene!
Nem esik olyan sokat rajta a fesz de megvédi a végfokokat szerintem mert nekem nem ment le. Amúgy valami ott a mehajtónál van mert ha kiveszem a műveleti erősítőt akko is ez van... jah és nem reagál a bemenő jelre... az összes tranyót kimértem és jók... Még veszek bele ehy tl 071-est mert nemtudom biztosra hogy ami most benne van ne 553 az jó-e. Valami ott más is van....
Találtam egy zárlatot a panelon most meg bekapcs hátha
Na ezt figyeld
Ha benne van a műveleti erősítő akko a hangzóró kifele mozdul meg és a + ágba melegedik az ellenállás ha pedig kiveszem a műveleti erősítőt akko befele mozdul a hangszóró és a - ágba melegedik az ellenállat bazz má teljesen kivagyok Talán így akko megvan a hiba hogy a műveleti erősítő rossz lehet is mert már kisérleteztem vele egy másik quaddal és az se ment... Akko az a hiba forrása szerintem Kérem segítsen valaki mert má nagyon idegesít HELP
Figy a Quad esetében a kimeneti offset-et vagyis a dc szintet a műveleti erősítő állítja be a lehető legkisebb értékre olyan mV-os nagyságrend! Ha kiveszed akkor logikus,hogy nem fog menni!
Szval minden esetben legyen benne! De lehetséges,hogy az IC-vel van a probléma! ellenőrizd le a tápfeszt az IC-n már írtam! Egyébként meg,hogy a hangszóród megvédjed kössél sorba a hangfaladdal egy min 63V -os elkót értéke olyan 2200mF! Így nem engeded rá a dc-t, mert csak kinyírod szegény hangszórót! negatív oldala a kondinak a kimenet negatív oldala felé nézzen!
Alig mozdul ki a hangszóró mert egy 40cm-s mély
De ha nincs benne a műveleti erősítő akko nem kell szólnia vagy kifele ki kell ugrani a hangszórónak és úgy maradnia? |
Bejelentkezés
Hirdetés |










HELP 




