| Fórum témák 
 
 » Több friss téma | Fórum » PIC - Miértek, hogyanok haladóknak 
				Ja, hogy Te az égetőnek nem tudod, melyik kivezetése mire szolgál?!      Így egészen más a helyzet! Sajna, ebben nem tudok segíteni, de talán más igen! 
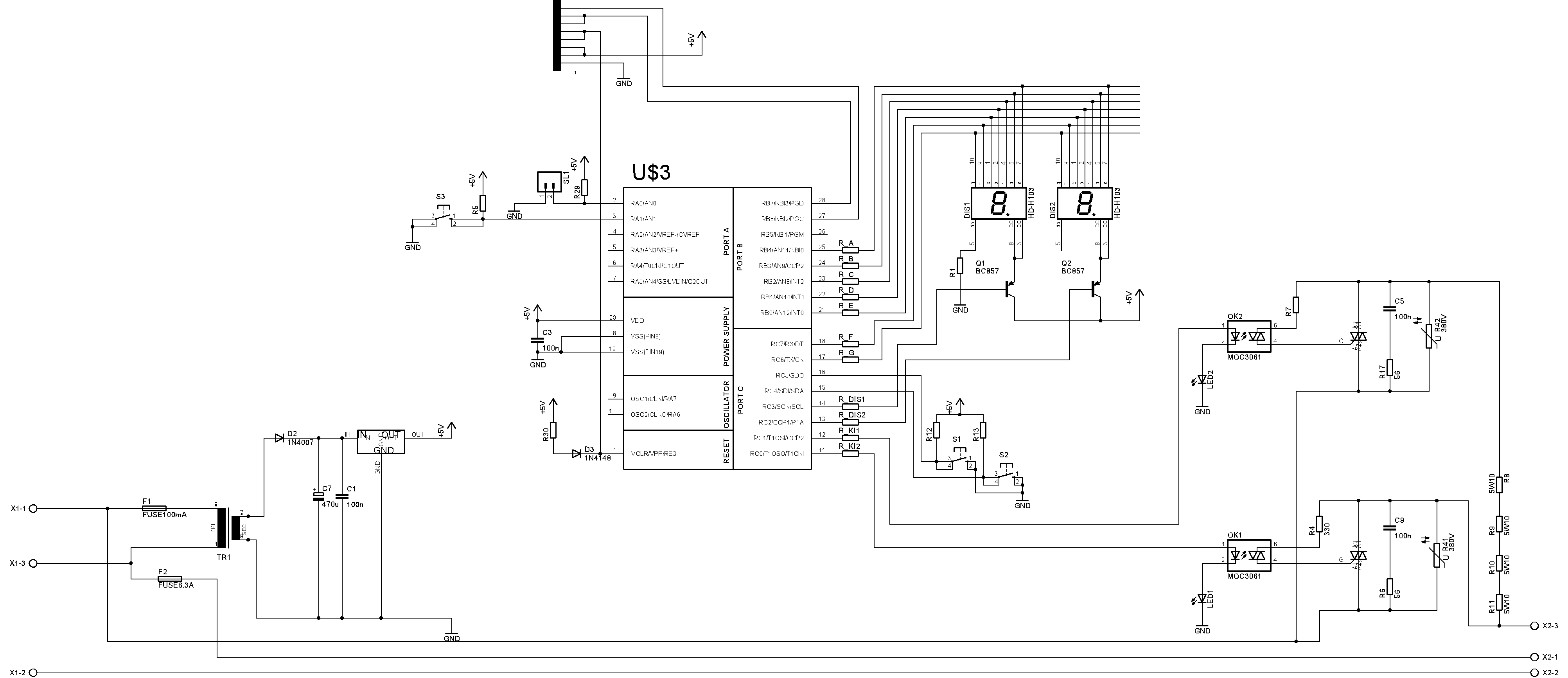
				Sziasztok! Első PIC-es cuccom... Csak annyit szeretnék kérdezni, hogy minden stimmel-e a kapcsolásirajzon, nincs valami ami rosszul van bekötve? (mármint bekötés) Nem ide tartozik, de a panelon trafó alatti stabkockának ott maradt egy karikája, már kitöröltem az IC-t de az nem tünik el, nem is morgatható... Köszönöm! Zoli 
				Hát így első ránézésre a PNP tranzisztorok kollektora és emittere fel van cserélve.						 
				Csak a PIC felől megy adat a PLL felé, (freki, osztás,  ref frek,  értéke...stb) visszafelé nem. Az adatokat az eepromban tárolja, induláskor onnan kiolvassa és  betölti a PIC be aztán "sleep". A schottky diódát belerakom az áramkörbe, bajt nem csinálhat. Már csak azért is jó ha ott van mert az egész cucc 3,3 V ról ketyeg, a PLL chip nek az égető 5 V ja már az "absolut maximum rating" ben megadott értéke.   Olvasgattam már visszafelé a fórumban hogy igazándiból az a jó ha az égető le van választva. Jelenleg PICstart + égetőm van amit ICSP hez is használok egy kb 20 cm es kábellel. Tudom hogy fapados, nem is dolgozik jól, 10 égetésből / olvasásból kb. 6 - 8 sikertelen. Előbb utóbb tudom hogy kell vennem vagy építenem egy "igazi" in circuit programozót, de jelenleg csak ez van... A PICkit 2 őt nézegettem, vagy inkább megvárom a "Watt féle" legfrissebb soros verziót. A soros ellenállások a leválasztáshoz amikről írtál milyen értékűek? 
				Pontos értéket nem lehet megadni, minél nagyobb, annál kevésbé terheli a PIC lábát, viszont annál bizonytalanabb a programozás. 220ohm alá nem kellene menni, mert azzal már a PIC lábának névleges áramát megközelíted. 330ohm-1kohm az ami még elég kis értékű, de nem terheli le nagyon a lábat.						 
				Köszönöm a válaszokat, a panelre ráterveztem a diódát (BAT60) és az ellenállásokat is. Elsőre belerakok 220 ohmot és majd meglátjuk. 
				kicseréltem az IC-t és láss csodát!!!!  változás történt!  Writing data rész végig ment.... writing EE data résznél kiírta hogy : ERror Writing Fuses! erről hallott-e vki vmit?  köszi szépen sose jöttem volna rá hogy az LS féle a rossz... egyik boltba aszonta a faszi rá hogy ennél jobbat nem is gyártanak... hát ugynéz ki a jó se mindig jó... 
				meg még egy olyan kérdést had tegyek fel hogy ez az égetés időbe körülbellül menniy? mer a Stab IC-k nagyon melegednek(főleg az 5Vos ugye). 
				Wattnak köszönd, az ő ötlete volt.   Szerintem a TI gyártmányú LS06, 07 IC-k valamiért alkalmatlanok erre a feladatra. Vagy tényleg ekkora a hibaszázalék, amin azért meglepődnék. Az égetés nem tart sokáig, nekem a 18F4550-et égette 1-2 percig. Ha csak rövid kódot kell égetni, az megvan néhány(tíz) másodperc alatt. Szerintem a staboknak sem lenne szabad annyira melegedniük, bár ha 78L05-öt tettél bele, annál azért esélyes, hogy eléred a 100mA-es limitjét. (Az adatlapok alapján összeadhatod a fogyasztásokat.) Az se mindegy, mekkora a bemenő fesz rajta. Az Error-hoz sajna nem tudok hozzászólni, elég kezdő vagyok.   
				Hi! Egy pic16F877 SPP-vel akarok kommunikalni egy I2C eszkozzel ( TCN75 ). A PIC a master, TCN75 a slave. Az SSP regiszterek ( SSPSTAT,SSPCON,SSPCON2 ) beallitasaival akadtam el. A master transmit mod akarom hasznalni a slave cim kuldesere. Persze utanna a tobbi mod. Tudtok valami linket, ami segithet? Koszi! 
				Chipcad től vett mostanában valaki SX-5032 SMD kvarcot? Én tőlük vettem a PLL hez 10 és 25 megásat. Az adatlap pin kiosztása szerint (a datasheet szintén tőlük van) megterveztem hozzá a PCB t. Az élesztésnél a referencia oszcillátor nem akart berezegni  az istennek sem. Kb. 4 óra szenvedés után kiforrasztottam a kvarcot és betettem egy másikat...eredmény ugyanaz. Újból kivettem, és megmértem a lábait. Az eredmény: Az adatlaphoz képest a gyakorlatban fordítva van bekötve, 1 - 3 láb rövidzár + a testen ("connected with cover"). 2 - 4 ("crystal") lábak a kvarc lábak, ráadásul nem 12 pF kapacitással hanem csak 1,2 pF el... Hát ennyi...csak azért írom nehogy valaki belefusson ebbe hozzám hasonlóan. Ez a méreg nem a dioxin.       
				Ez jo nagy baki a gyartotol.  Kosz a tippet. 
				Igen, ennyire azért nem vagyok láma...   A datasheetben lévő rajzon a "lecsapott sarkú" PAD a pin 2 az átlósan vele szemben lévő a pin 4. Ott mérek 1,2 pF et, a másik láb páron és a testen rövidzárat, ez egyértelműen fordítva van. Kérdés hogy a termék lett fordítva gyártva (elég óccsó volt 120 Ft ) vagy az adatlap hibás? Vagy esetleg  nem ezé a kvarcé az az adatlap...   Mindenestre írtam nekik mailt nehogy valaki legyártasson pár ezer db pcb t a datasheet szerint. Nekem sem lesz olcsó a kétszeri PCB gyártás. 
				Nem ez az első eset, amit hallotam gyárilag rossz dolgokról: Egyik ismerősöm is vett olcsón 35ft-os darabáron legalább 20 darab kvarcot, egyik sem működött!!! Aztán kipróbálta egy normális helyről beszerzett majdnem 200Ft-os kvarcal, és azzal tökéletesen ment a cucc. Szóval olcsó húsnak általában híg a leve Kár, hogy az ilyen termékeket forgalomba merik hozni 
				Na, most még ezzel is ijesztgetsz hogy be sem fog rezegni... Holnap rajzolok hozzá kézzel egy oszcillátor panelt  és megnézem egyáltalán elindul e vele. Egyébként én is vettem mindjárt 40 db ot a 10 / 25 megásból vegyesen, kíváncsi leszek holnap a válasz emailre. Nem hiszem hogy csak én vettem ebből a kvarcból idáig és másnak meg működött fordítva bekötve rövidzárban.    
				jó estét... Van én nekem egy empélabom meg egy 18f2320-am, kérdésem az, hogy a .asm fájlba bele kell e írni a _config... dolgokat, akkor ha én a menüben, a configuration bits-nél beállítom amit szeretnék??? 
				Nem muszály, de célszerű. Viszont van a _config-tól egy átláthatóbb módszer a konfigurációs bitek megadására, a Help-->Topics-->PIC18 Config Settings tartalmazza a listát az összes config bitre. Így kell megadni őket (ez csak néhány): 
 
				kössz a tippet    Vajon miértnem észleli a PICkit2-m a 18F2320-at? PICkit2___________18F2320 1.Vpp/MCLR._______1.MCLR/Vpp/RE3 2.Vdd TARGET______20.Vdd 3.Vss(ground)______8.;19. Vss 4.PGD____________28.PGD 5.PGC____________27.PGC 
				majdnem megiedtem, csak nem kontaktolt a tüzögetős próbapanel      
				Az nagyon meg tudja szivatni az embert az ícéknél. A lyukakat a műanyagban egy kicsit nagyobbra érdemes felfúrni, és a chipek alá foglalatot tenni.						 
				hát meg, az egyik oszlopba mostsem kontaktol rendesen, kénytelen vagyok, egyhelyre nyomni a drótot és a 20as pint kérdés: ha beírom: bcf TRISB,0 akkor a RB0, az digitális bemenet lesz, ugye? és ha igen, akkor ha RB0=VDD, akkor PORTB,0-nak 1-es értéket kell felvennie, nem? és ha Vss-el egyenlő, akkor meg nullát, nem? Ja és ha az egyik sorba azt írom, hogy: "loop:" és párral lejjebb, hogy "goto loop", akkor vissza kell mennie loop-ig és dolgozni ismét, nem? 
				hupsz, elnéztem bsf TRISB,0-al lesz bemenet - asszem fáradt vagyok,     
				Most beszéltem a Chipcad el az SX-5032 SMD kvarc problémával kapcsolatban. Egyértelműen fordítva van a lábszámozás az adatlaphoz képest, ők is megnézték.  Az adatlapot ki fogják javítani hamarosan azt igérték. Szóval ezzel a kvarccal egyelőre csak óvatosan. Egyébként elindul  velük az oszcillátor, (egy egyszerű inverteres oszcit raktam hozzá össze sebtiben 74LVC1G14 el ) Tehát egyéb módon  nem hibásak.						 
				Sziasztok, Újabb taktikai kérdésem van: A Topi-féle leckékben mindig ki van választva az utasításhoz szükséges bank, ugye? nos olvasgatom a 18F2320 adatlapját, és angol tudásom szerint: az utasításoknál meg lehet adni egy 'a' értéket, ami a bank-re vonatkozik, ha nem adom meg akkor ki fogja választani "ő". ez lehetséges? Akkor 18-as szériában nem kell bank-et váltogatni? 
				A 18F sorozatnál másképp van megoldva az SFR zóna (az, ahol a PORTB, TRISC, EECON, stb. regiszterek vannak). Itt számukra van egy access bank nevezetű terület, ami valójában a 15. bank felső fele, de bármelyik bank-ból elérhető, ha az utasításnál megadod, hogy az adott parancs az access bankra mutasson. Ezt jelenti az a betű. Viszont ha a megfelelő processzort választod ki, akkor az MPLAB automatikusan tudja, hogy pl. a TRISC hol van, és nem muszály odaírni az a betűt. Ha odaírod, akkor nem vesztesz semmit. A 18F-nél is lehet bank-ot váltogatni, de nélküle is elérhető a teljes memóriaterület. A W elérhető az SFR zónában WREG néven, és a MOVFF parancs bank-tól függetlenül elér mindent, tehát bankváltás és MOVWF TMP helyett írhatod ezt: MOVFF WREG, TMP 
				oks, akkor rendben csak nehogy megártson nekem ez a sok infó egyszerre, tehát végülis, mivel mplab-ot használok nem kell "váltogatnom" (18-as szériánál)						 
				16F877 -nel Mplab-ban en eddig mindig valtogattam a Bankokat amikor kellett,  biztos ami biztos. Kerdes az hogy kotelezo-e, vagy csak nem art. Remelem nem kell (at all).   | Bejelentkezés Hirdetés | 












