Fórum témák
» Több friss téma |
Fórum » Erősítőhöz való hangsugárzó védelem (koppanásgátló)
Témaindító: Thom, idő: Márc 14, 2006
Témakörök:
Most, hogy ilyen szépen beigazolódott a dolog, szeretném, ha kipróbálnál valamit, ha még egyben vannak a kisérleti elemeid. Tedd a relé szabad lábát a földre, oda, már elvileg nem fogja az ívet húzni a kis piszok. Tehát a hangszórót leveszed a jelről, és rákapcsolod a testre, vagy földre, mindegy hogy nevezzük. 78 V egyenáramon, kiváncsi lennék, hogy beválik-e? Az biztos, hogy így megvédi a hangszórót. (elvileg)
Sziasztok!
Olyan kérdésem lenne, van egy Kiso stereo power mixer keverőerősítőm, és mind két oldalnál világit a protect-led. Szólni szól nagyhangerőn is, nem old le.Hangfalakkal és hangfalak nélkül is világít a led rajta.Mi lehet a hiba oka??
Szia, majd délután ki próbálom és beszámolok róla.
Szia, érdeklődni szeretnék ,hogy sikerült e valamit ki okoskodnod a védelemmel kapcsolatban?
Szia! Ha kérdésed nekem szántad, akkor azt kell hogy mondjam, hogy, kezdek igazat adni azoknak, akik a nagyobb teljesítményű erőlködöknél a triakos, biztosíték kiverős megoldást alkalmazzák, de ennek a megoldásnak az a bibije, hogy nem fogja tudni az ember, hogy miért is ment ki a bizti, és egy darabig cserélgetni fogja, vagy beépít egy szerviz kapcsoló gombot, hogy addig, amíg mér, addig kikapcsolja a védelmet. Jelenleg egy olyan változaton dolgozom, ami nem tranzisztortemető. Jelenleg négy tranyó van benne, és már tudja a DC figyelést, időzített bekapcsolást, és a hőmérséklet figyelést. Igaz egy tranyó csak azért van benne, hogy a hőmérséklethez külön LED legyen. Tényleg érdekel a kísérlet eredménye, mert én erre az elméletre alapoztam.
Bocsánat! félre katinttottam emersys kolégánál érdeklőttem volna, mert neki van egy igazán jó hangszóró védő áram köre és azt ígérte ,hogy áthangolja az én erősítőmre.
Sziasztok!
Minnél több oldalt olvasok el a témából,annál jobban nem tudom már hogy milyen védelmet kellene építenem a készülődő erősítőmbe. VF2- es végfokról lenne szó, +/- 42 volt tápról üzemelne( 2X 30V AC).A kérdésem hogy kifejezetten ehhez a táphoz nem e tudnátok valami bevált kapcsolást ajánlani,amiben van koppanásgátló,DC/AC figyelő,illetve egy hővédelem se ártana(az utóbbi nem fontos).A csatolt 4 védelem valamelyikén gondolkodom,de nem tudom hogy melyik lenne a legideálisabb,legbiztosabb. Illetve muszály e külön tápról üzemeltetni a védelmet? Válaszotokat előre is nagyon köszönöm.
Szia! Ezzel a problémával küzdöttem én is. Lett belőle egy megoldás 48V-os relével: Bővebben: Link
Ez is tökéletesen működik, és csak 11mA-t fogyaszt.
Véleményem szerint a legpraktikusabb megoldás ha a kimondottan erre kitalált cél-IC-t használod fel. Ehhez többféle terv is létezik (tőlem is), aminek egy változata pl. itt is látható.
Egyéb "hasznosságok" itt is.
Most lapozgattam ismét a fórumban,ehhez a végfokhoz az általad átrajzolt "majki" féle védelem jó lenne??
+/- 42V (DC)-s táphoz kellene még vmit alakítani hozzá??? Külön táp érdemes hozzá(csak azért mert már benne van a dobozban.. )?
Szia!
Tetszik a rajzod,csak itthon max 24V-ig van relém..
Amit felsoroltál mind jó. Mások tapasztalatait olvasva, célszerű a lehető legkevesebb alkatrészből megépíteni - csökkentve ezzel a meghibásodás esélyét. Ennek a követelménynek Alkotó javaslata felel meg a legjobban.
Az UPC-s megoldásra gondolsz???
nekem is tetszik a nyákterv is nagyon,csak az a kérdés még ezzel kapcsolatban hogy az áramfigyelőjét hogy kell bekötni,és hogy kell beálítani,mert arrol sajna nem találtam semmit. Linkelek még kétfajta védelmet,kíváncsi lennék hogy ezekről mi a véleményetek......
A szekunder feszültség figyelése nem igényel tápfeszültségenként átméretezés, mivel az egyutas egyenirányítás és a csúcsegyenirányított feszültség effektív értékének 2,82-es arányát figyeli, mely közel konstans.
A védelem3 lenne az a kapcsolás, amit a legkevésbé ajánlok. Előnyben részesíteném azokat amelyek a hálózati feszültség rövid kimaradása esetén is újraindítják a bekapcsolási késleltetést.
Szia, én ezt használom 1998.óta és tökéletesen működik. Bármilyen táp feszültséghez belehet állítani egy kis számítással. Ha az R1 ellenállst meg duplázod nyugottan rákötheted mind a két vég fok kimenetét. A relé feszültségét pedig a D10-es zéner cseréjével állithatod be.
Sziasztok. Az én problémám, egy giantsound-os hangfalvédő áramkörrel van. A típusa: GP 2-M. Azt tapasztalom, hogy ha az erősítőt nagyobb terhelésnek teszem ki, olyankor lekapcsolja a hangszórót, működésbe lép a védelem, és világít a clip led is. Mielőtt a védelem közbelépne, fel fel villan a clip led is. A védelem áramköre külön szekunderről kapja a tápfeszt, 15 V váltó feszültséget, ahogy a speckója kéri. Egy másik erősítővel is használtam már ezt az áramkört, és ott is ugyan ez a hiba lépett fel vele, ugyan így volt táplálva. Segítségeteket előre is köszönöm.
A típusszám két érintkezős jelfogóra utal. Ha clippel, akkor jól működik, hiszen nem engedi a vágott egyencsúcsokat a hangsugárzókra. Ez így helyes. Ha "kijavítod" örülnek majd a hangszóró kereskedők.
A váltófesz. figyelés a koppanási tranziensek elkerülésére kell, nem az egyenfesz. figyelésére.
A váltó fesz, a tápfeszültsége az áramkörnek nem ? Az oké, hogy ezzel együtt megvalósítja a késleltetett bekapcsolást, azt értem. A clip nevű led akkor világít elvileg, ha a kimeneten dc feszültség jelenik meg, vagy rosszul tudom ? És ilyenkor lekapcsolja a relé a hangszórót. Az én problémám az, hogy kb 40-50w-os teljesítménynél elkezd villogni, majd világítani a led, és ezzel egy időben lekapcsolja a hangfalat. Ezek után a hangerő leteker, pár másodperc múlva, újra visszakapcsolja a hangszórót. Nem szeretném boldoggá tenni a hangszóró kereskedőket, pont ezért kérdezek.
Tegyél fel egy kapcsolási rajzot a prominens védelemről.
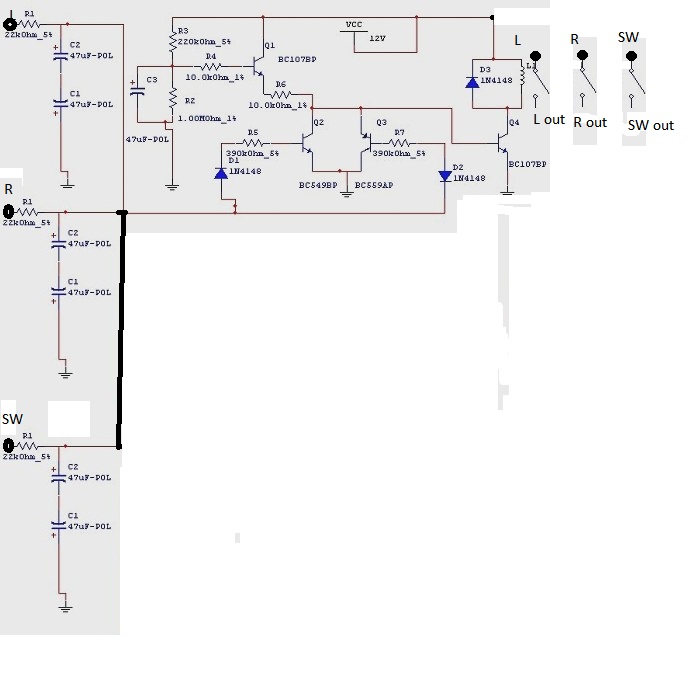
A cippelésről, készítettem egy rajzot, hogy könnyebben megértsd. Ha van szinuszgenerátorod, és szkópod, akkor könnyen kiderítheted, hogy jól működik-e az áramköröd.
Szia! Nem túl bonyolult áramkör. Szokatlanul kevés tranzisztort látok benne.
Erre tippelek.
Hello!
Az a kérdésem hogy módósítottam az oldalon lévő hangszóróvédelem kapcsolást hogy több csatornát tudjon egyszerre figyelni, és ha valahol egyenfesz van kapcsoljon le. Nos ez a gyakorlatban megoldható e ?
Igen, de nem kell minden bemenetre egy antiparallel kapcsolt kondipár, elég egy belőle. A szerepe hogy ne kapcsoljon azonnal vissza a védelem vágott jelek esetén. Ha mindet bekötöd, ez az idő megnyúlik, és várakozhatsz mire visszakapcsol.
Köszönöm szépen a hozzászólást és a probléma megoldását.
Az E1, E2 kondik elég soványak. Főleg, ha elmaradnak a névértéktől.
Nem is néztem az értéküket. Ha megduplázza mondjuk két 100µF-ossal (50uF) az már jó lehet.
Szervusz!
Azért kapcsol be, mert nagyot esik a tápod, ahonnan adod neki a 12-15 V-ot. Túl van terhelve olyankor, amikor kikapcsol. Használj erősebb tápot, vagy adj neki egy kisebb trafóról váltófeszt. Hiába a külön szekunder, az ugyanazon a magon van. Vagy a legygyszerűbb, ne hajtsd ki annyira. Az áramkör jó, korábban én is azt használtam.
Szia. Köszönöm a rajzot, meg tanulmányozom. A védelem rajza sajnos nincs meg nekem, és nem is találtam rá egyértelműen. Valószínűleg marad a visszarajzolás.
|
Bejelentkezés
Hirdetés |














