Fórum témák
» Több friss téma |
Fórum » Kapunyitás gombnyomásra olcsón! - avagy automata kapu házilag
Témaindító: szabi83, idő: Feb 2, 2006
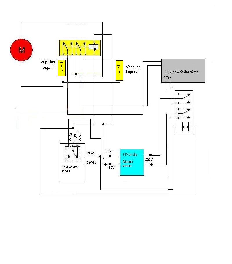
Na hello mindenkinek megrajzoltam a komplett kapunyitó elektronikát mellékelem ha vkit érdekel vagy esetleg vkinek van vmi észrevétele (nem jó vmi vagy hiányzik)
Röviden a működés: Két táp van az egyik folyamatosan működik erről működik a távirányító modul meg ezzel rángatom a reléket és van egy combosabb táp erről mennek az ablaktörlő motorok ez nem megy fojamatosan csak ha a kapu mozgatására van szükség De van egy hiba a rajzban amit most vettem észre csak az egyik irányba van bekapcsolva a combosabb táp probléma megoldás alatt...hát mára enyit
Nah megnt én vagyok javítottam a rajzto amit az előbb mellékeltem van benne egy időzítő aminek ugy kellene működni, hogy van 2 vezérlő láb ami a alap állapotban ösze van zárva ha a kettő között megszakad a kapcsolat akkor meghúz egy relét kb.:1-2percre majd ha a vezérlő lábak ujra öszeérnek akkor megint meghúz egy relét 1-2 percre Nos akinek van 5lete ilyen időzítőre azt szívesen várom
Hi
van itt egy kis gond az áramköröddel a végállás kapcsolók és a motor vezérlő relé az OK! bár én a jobb áttekinthetőség miatt a motor kimeneteket a relé közös érintkezőire kötöttem volna, de azért működik Viszont ha te most ennek az áramkörnek áramot adnál akkor az történne, hogy az R1 az R2-n keresztül áramot kapna (kb 6V) amit szerintem nem vettél észre valszeg mindkét relé behúzna 6 volt fesztől ami nem jó (piros vonallal jelöltem). ha pedig a rádióvevő reléje kapcsol az R2 működne, viszont az R1 közös potenciálra kerülne és az se jó. azon kívül felmerül egy kérdés, ezt a vevőt nem ismerem, de amiket ismerek azok addig kapcsolnak amíg nyomjuk a távirányítót, namármost szerintem kell egy időzítő áramkör is ide, vagy addig nyílik a kapu amíg nyomod a távirányítót, ami nem túl praktikus szerintem most egyenlőre ennyi, majd küldök egy módosított rajzot, ahogy én csinálnám üdv
Kösz ezt télleg nem vettem észre de az egyel előbbi hozzászólásomban (8:52-esben) már egy módosított rajz van amiben ez a probléma már nem áll fent És ahhoz kellene egy időzítő aminek ugy kellene működni, hogy van 2 vezérlő láb ami a alap állapotban ösze van zárva ha a kettő között megszakad a kapcsolat akkor meghúz egy relét kb.:1-2percre majd ha a vezérlő lábak ujra öszeérnek akkor megint meghúz egy relét 1-2 percre Nos akinek van 5lete ilyen időzítőre azt szívesen várom
Hi
fater kapuzik, én másológépeket javítok főállásba, meg másodállásba kapuelektronikákat és motorokat javítok, hegeszteni se tudok, úgyhogy a kaputipusokban nem vagyok járatos, amit írtál C profil-t ennek valszeg vannak több fajtái is, amúltkor lállam egy 16 méteres 1 szárnyú úszókaput.... elég dúrva volt, annak pl a C profiljának métere 20.000 ft fölött van, 2 görgőcsoport 80.000 ft darabja, úgyhogy a kapu símán megvolt egy millából üdv
Nos az én kapum 5.5m és 150ből meglesz+az elektronika ha megcsinálom elektromosra Ninc s5leted az időzítőre amit írtam?
hi
egy 555 kapcsolásra gondoltam ezt azábrát találtam, és egy kicsit átalakítottam, a 182 k ohm-os helyett egy 1 M ohmos potival lehet az időt állítani, és a "vez" -t kell a radivevő kapcsolójára kötni, (negatív kapcsolás) szerintem a második ábra se kóser. igazábol nem értem, hogy miért kell két táp? nem olyan hatalmas áramot vesz fol az ablaktörlő motor, üresjáratba meg nem fogyaszt sokat egy trafó, szóval egy izmosabb trafó szerintem, a gyári kapunyitókba is így van. a másik ami még eszembe jutott, hogy ilyen kétáramkörös 2 morzés reléket kapsz e 12V os kivitelbe, manapság minden 24 von megy, egyszer már dobtam ki vezérlést azért mert nem lehetettkapni bele 12 voltos relét
kösz de nekem ojan kell ami kapcsol a vezetre is meg a nem vezetre is Azt meg majd még meglátom h a trafó mekkora élesz érdemes e kapcsolgatni ki be
Nem tudná megmondani vki hogy egy autó ablaktörlő motra mekora áramot vesz fel pl.:egy ladáé mert amiket talááltam infókat lada elektromosságáról az anyi hogy az ablaktörlőmotor biztosítéka 8A de rá van kapcsolva még sok más áramkör is
nem tom, de nekem van egy régi időkből megmaradt skoda ablaktörlőm, az 5 A-t vesz föl, a zsigáé is ekkörül lehet
5A???? amikokipróbáltam a motort ami itthon van egy 1.9A-es trafóról adtam neki feszt és vígan ment...
Biztos az az 5A?
igen, ez volt ráírva!
de, te terheletlenül mérted (valszeg) meg ha jobban belegondolsz (P= u*I) - ból kiindulva, nyilván egy ablaktörlő nem 24 w-os
Na igen. A terhelés. Minél nagyobb a súly, annál több áramot vesz fel. A Hörm*** garázskapu mozgatókban pl. 24 V-os VALEO gyártmányú ablaktörlő(szerű)motor van. Ez egy öntanuló rendszer, amit a szerelés után be kell tanítani. Ez annyiból áll, hogy referencia pontot megtanulja, majd onnan egy számláló méri, hogy mennyit kell a motornak fordulnia, hogy a kapu a másik végállásban legyen. Az erőhatárolás az áram felvételen alapszik, tehát tanításkor megtanulja, hogy kb. mennyi áramot vesz a kapu mozgatásához. Ezután, ha több áramot vesz fel, akkor azt annak érzékeli, hogy valami a kapu útjába került és visszanyit.
hi
én az apertot ismerem, van is itthon egy pár darab, azon a terhelést egy potméterrel lehet beállítani, ez elég jófajta, csak néha a (mivel ezen a tipuson a motor mozog és a lánc áll ) motor és a vezető sín közötti érintkezőt kell cserélni, de az meg filléres dolog.
Nah szóval megint én vagyok ha jól számolok akkor egy ablaktörlő motor 12V 5A akkor ahho egy 60VA-es trafó kell de mivel nekem 2 motort kell egy trafóról működtetni akkor legalább 120VA-es trafó kel? Vagy mondjuk mivel nem tartós rajta a terhelés csak míg a kapu el nincs húzva elég egy 100VA-es
Egy ekkora trafó ha fojamatosan megy üresjáratban menyit fogyaszt?
Kétségeket eloszlatva itt egy hivatalos forrásból származó LADA ablaktrölő motor áramfelvételéről tájékoztató dokumentáció!
Szóval akkor durván 60VA-es trafóra van szükségem akkor ez menyit eszik üresjáraton? Vagy nincs arra vmiképlet hogy egytrafó menyit eszik üresjáraton hogyan lehet azt kiszámolni?Vagy csakmérni lehet?
Van Sommer is olyan. Sok olyat bontottunk le. Általában az volt a bj, hogy magáról a sínről kapta a szuffla egyik felét és a láncról a másikat. A láncon volt a műanyag borítás és általában az kopott szét, ami miatt zárlat keletkezett. Az erőhatárolása rém egyszerűen volt megoldva, mert volt két mikrokapcsoló a lánc végénél. A lánc egy rugós csavarral volt megfeszítve. Ha valami a kapu útjába került, akkor a moci a láncon keresztül a rugó ellenében eltolta a csavart, ami kapcsolta a mikrokapcsolót.
Ez nem is hülye megoldás tolókapunál, ha mondjuk magát a motort csinálja meg ilyen elmozdulósra valaki. Csak ki kell találni, milyen erős rugó kell hozzá. A kapu élére meg lehet tenni valami védőgumit.
Hello
Szerintem nem kell akkora nagy trafó, mert ha akkumulátorosra tervezed (12V) akkor a trafónak csak az akkut kell töltenie cseptöltéssel. Ha egy 44Ah autóakkut teszel bele akkor azt 1A-ral elég töltened, és akkor elég egy 12VA es trafó is.
Egyenlőre nem lesz akumulátoros az előző hozzászólásomban mellékelt rajzon sincs berajzolva az aksi a trafó már meg van egy diavetítőből bontottam csak kellene hozzá vmi áramkör amivel 12V-os tápot tok belőle csinálni Most arra gondoltam hogy stabil táp csak a wrs6-os távirányító modulnak kell és a két ablaktörlő motornak elég egy gratz hogy egyenáramot kapjanak és kész és akkor egypár miliamperes táp is elég de azért elegánsabb lenne ha lenne egy kb6A-es táp Szerintetek malyik a jobb megoldás ÉS mejik enne kevesebbet üresjáraton?
És ha két tápellátást használsz? Mondjuk valami himi-humi bolhapiaci egyszerű adaptert a vezérléshez, és egy másikat a motoroknak. Beteszel +1 relét, ami a motorok trafóját kapcsolja ki-be. Vele egütt meg még kapcsolnának a motorok reléi is a megfelelő irány szerint.
Már volt egy ilyen megoldás is csak az a baj vele hogynemilyen egyszerű gondolj csak bele miután kinyílt a kapu kell egy időzítő ami kikapcsolja a másik tápot stb... szóval bonyolultabb de sztem nem kell akora nagyon nagy táp szóval nem eszik ojan sokat a trafómaga dsem üresjáraton csak kell hozzá egy áramkör ami nemmelegszik ojan hűde nagyon Vagy kell egyáltalán tápegység nem elég ennek a wrf 6os modulnak egy traf+gratz és kész???
Minek az időzítő? Az adapter kapcsolgatná a reléket. Eleve megoldod, hogy a motorok leálljanak, miért ne kapcsoljon le velük együtt a táp is!?
Akkor már a 220V-al kell szaladgálnom a végálláskapcsolókhoz de szerinted ez a tpáp anyival többet enne egy adapternél h érdemes ilyenekkel szórakozni? mert én nem hioszeem h ojan sokat enne és ezt már ha vuszaolvasol tárgyaltuk is
Ok. Én csak sorolom az alternatívákat.
![]() Egyébként a CAME kapumozgatók szinte kivétel nélkül úgy működnek, hogy 220V-os motorok. 24V-os vezérlés. Itt a táp a lényeg, ami 7/24 mindíg tolja az anyagot, mert ugye készenlétben tartja a vezérlést és a vevőt. Üresben a 12V-os trafóddal sem lenne baj szerintem. Hogy haladsz?
Egész jól haladok Már terveztem egy nyákot amn rajta van tulajdonképpen az egész vezérlés végállás kapcsolók relék gratz-ek Abban kellene még segítség hogy a vevőnek a tápot valahogy ugy kellene megoldani hogy vmi diódával vagy vmivel védeni a túláramtól ezt hogyan tudnám megoldani
Hy all megint itt vagyok kellene egy kis segítség az a gondom hogy vettem a kapunyitóhoz végállásérzékelőket az a gondom hogy ezek az érzékelők úgy működnek hogy van 4 kivezetése ebből 2 a táp a másik kettőugy műxik hogy alapból az egyik érintkező n meg a testen van a 12V ha a közelébe ér a fém akkor a másik kivezetésen meg atesten lesz a 12V de az a gáz vele hogy nem tud kapcsolni akkora áramot mint amekkorát az ablaktörlőmotor felvesz és azt tanácsolta egy ismerősöm,hogy fettel oldjam meg a motor kapcsolatát de hogyan ez a kérdésem???
Hi
én már találkoztam ilyen végálláskapcsolóval, ahol nem mikrokapcsolót hanem valami Hall jeledó féle volt, és az érzékelte a fém lemezt, az Faac gyártja, de igazából ezeket csak olyan helyekre szokták tenni ahol napi 40-50 szer nyitogatják a kaput, nekem az a tapasztalatom, hogy a sima mechanikus végálláskapcsoló is nagyon megbízható, az egész rendszernek nem ez a gyenge pontja, ez inkább olyan "rongyrázós dizájn" de ha te ilyennel oldod meg akkor relézned kell, mert biztos, hogy nem bírja el az ablaktörlőt, viszont védődiódát azt tegyél a relé tekercsével párhuzamosan
Hát lehet hogytényleg rongyrázás de olcsóbvban vettem mint ha végálláskapcsolót vettem volna de a relé nem jó sztem nem fogja bírni hogy fojamatosan be van húzva pl 2napig ezért a fet-et ajánlották de nem tomhogyan oldjam meg
de azért kösz a választ |
Bejelentkezés
Hirdetés |

















