Fórum témák

» Több friss téma
Fórum » Kapunyitás gombnyomásra olcsón! - avagy automata kapu házilag
Lapozás: OK   9 / 108
(#) pid1951 hozzászólása Aug 4, 2007 /
 
Sziasztok!

Mért nem csinájátok egyenáramú motorral sokkal egyszerűbb!
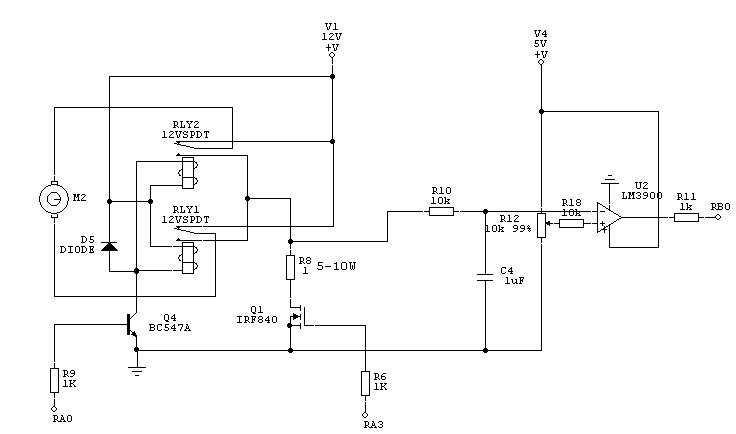
Mellékeltem egy kis rajzot, hogy én hogyan csináltam a kapum forgásirányváltását és a végállásokat áramfigyeléssel, komparátorral.
A kimeneti és vezérlőjeleket én mikrovezérlővel dolgoztam fel ezért van RB1, stb ehhez hasonlók odaírva.
Ha mindenképp ragaszkodok a váltóáramú motorhoz, akkor is mehet sorosan a motorral a mérőellenállás azonban ezt nem árt kétutasan egyenirányítani, kondival kisímítamni és mehet a komparátorra.
Ja és az egyenirány és a komparátor közé nem árt galvanikus leválasztás, mert akkor még az IC lábai is rázni fognak...

motor.jpg
    
(#) borvendeg hozzászólása Aug 5, 2007 /
 
Hello nagyon jó 5let ez a 12V-os rendszer a kapunyitásra de a problémám az hogy WRF6 -os vezérlő modullal szeretném megoldani a vezérlést és ebben a modulban egy kétállású váltó relé van ezzel hogyan tudom megoldani a forgásirány váltást az egyenáramú motoron??? A távirányítós vezérlőmodul adatlapját mellékelem rajta vannak a relék is amik benne vannak

wrs6-lei.pdf
    
(#) borvendeg hozzászólása Aug 5, 2007 /
 
Bocs egy info lemaradt ha ugy egyszerűbb megoldani akkor a távirányító mindkét gombját (mindkét csatornát) is használhatom tehát egyik gomb egyik irány a másik a másik irány
(#) Macsek71 hozzászólása Aug 5, 2007 /
 
egyszerű irányváltó kapcsolás egyenáramú motorokhoz , két egyáramkörös váltó- kapcsolóval ( relével)
(#) borvendeg hozzászólása Aug 5, 2007 /
 
Az a baj hogy ez nekem gy nem jó én a két relét egyszerre nem tudom vezérelni csak ugy hoggy az egyik relé az egyik irány a másik relé a másik irány vagy ha lehet akor egy relével még jobb lenne de azért kösz
(nézd meg az adatlapot macsek71 amit mellékeltem akkor meglátod mire kell)
(#) Frankye válasza borvendeg hozzászólására (») Aug 6, 2007 /
 
Már megbocsáss, de ezt írod:
Idézet:
„a távirányító mindkét gombját (mindkét csatornát) is használhatom tehát egyik gomb egyik irány a másik a másik irány”


Macsek71 pedig ezt írja:
Idézet:
„két egyáramkörös váltó- kapcsolóval ( relével)”


Ez pontosan az, amit Te keresel! Nézd meg rendesen a rajzot, ami az adatlapon van! El sem lehet téveszteni!
(#) borvendeg hozzászólása Aug 6, 2007 /
 
De ezen a rajzon ami szerepel kapcsolás ahoz a forgásirányváltáshoz egyidőben kell kapcsolni mindkét relét nem? Igy ahogyan a mellékelt rajzban szerepel nem?
Bocs h ijen értetlen vok...

relék.jpg
    
(#) Inhouse válasza pid1951 hozzászólására (») Aug 6, 2007 /
 
pid1951!

Ezt a rajzot egy kicsit nem értem, minek a 2 relé, ha nem lehet őket külön kapcsolni? Ha meg egyszerre kapcsolod őket, akkor egyszer +12V-ot kap a motor mindkét szálon, aztán meg testet? Szerintem te nem ezt használod...

Üdv
Inhouse
(#) zsoltee0001 válasza borvendeg hozzászólására (») Aug 6, 2007 /
 
hi
jól rajzoltad, lehet is ilyen relét kapni, ami 2 független áramkört tud kapcsolni, az Omron gyártja, jó minőségű 16A-tud, de csak ezt a típust ajánlom, vannak noname gyártmányok azok gagyik.
amúgy nem értem miért ragaszkodtok az egyenáramú motorhoz? izmos táp kell hozzá + szénkefe hibalehetősége, hát nem tom én maradnék az aszinkron motornál.
(#) pid1951 válasza Inhouse hozzászólására (») Aug 6, 2007 /
 
A relé egy kétáramkörös relé, csak a csodás circuitmaker programban nincs ilyen komponens, ezért kettőből raktam össze!
(#) borvendeg válasza zsoltee0001 hozzászólására (») Aug 6, 2007 /
 
Zsolteee
azért akarom 12V-os rendszerrel megoldani mert könyebben tudok szerezni hozzá motort (vmilyen autó ablaktörlőmotra) az az egyik a másik pedig az hogy ha beleteszek egy aksit egy cseptöltővel akkor ha nincs áram akkor is működik a kapu

pidi
Ilyen relével amire mint kiderült te is gondoltál én is meg tudom oldani a forgásirányváltást nekem az a gondom és azért fordultam hozzátok mert azt hittem hogy meg lehet oldani hogy ugy oldom meg a forgásirányváltást hogy EGY olyan relével amiből a te rajzodon Kettő van

Mindenkinek kösz a segítséget ha vkinek van még vmi okos 5lete akkor azt várom...
(#) pid1951 válasza borvendeg hozzászólására (») Aug 6, 2007 /
 
Látom nem érted.

A programban amelyben terveztem a kapcs. rajzot nem volt két áramkörös relé, ezért két külön reléből raktam össze.
Azonban mellékeltem egy képet, hogy hogy néz ki a relé.
Két mozgó érintkezőre jön a motor.
És van 4 darab álló érintkező, ezeket keresztbe kell kötni, ide jön az egyenáram.
Működés: 1. nincs meghúzva a relé: a motor jobbra forog.
2. relé meghúzva, (polaritást vált) a motor balra forog.

Ha szárnyas a kapud, akkor összesen két relé kell a két motor számára.

rele.jpg
    
(#) borvendeg hozzászólása Aug 6, 2007 /
 
De értem csak nekem a vevő modulomban csak sima egyérintkezős relé van és én ezzel akartam megoldani az irányváltást de már rájöttem magamtól is a megoldásr a mellékelem a rajzot csak az a gáz hogy a második relé meg van húzva mindaddig míg nem adok egy impulzust h csukódjon be a kapu és ha sokáig nyitva van a kapu akkor a rlé behúzótekercse behúzva tudja tartani a relét akár egész na is? Vagy erre való a szilárdtestrelé?
(#) Mumtaz hozzászólása Aug 6, 2007 /
 
Nem akadékoskodom, nomeg ez egy elektronikai fórum, de miért nem néztek pl. proteco motorokhoz való vezérlést. Az igaz, hogy olasz (a CAME is az), de elketyeg a végtelenségig.

Mellesleg a kapumozgatóknál előírás, hogy valamilyen biztonsági körnek kell lennie, ami pl. lehet fotocellás fénysorompó, vagy pl. erőhatárolás és hasonlók. Ezek hiányában némelyik kapu csak addig működik, amíg nyomják a gombot. Sok gyári vezérlésben ki lehet iktatni, de nem éri meg élet és vagyonvédelmi szempontokból. Kertkapumozgatóknál a szárnyaskapu mozgatóknál még jobb a helyzet, de a tolókapuk súlyan eléggé rohadt nagy szokott lenni (kb. 250 kg felett), amihez azért kell ám motor/áttétel. Ilyen kiépítésben pedig igen komoly kárt tud tenni kocsiban, kutyában, macskában, gyerekben és a háromkerekű bicikliben.

Szárnyaskapunál figyelembe kell venni a súly mellett, hogy mekkora a kapu szél ellenállása. Ezért a motorok nyomatéka nem csak a kapura kell, hogy elég legyen, hanem az ellenállásra is.

Sokan a házilagos rendszernél elhessegették, hogy addig majd figyelik a kapu működését. Na és ha véletlenül nyomja meg a távirányítón a gombot!?

Erre figyeljetek oda, mert nem tréfa!

Tolókapunál mindenképp szükség lessz áttételezésre. Áttételezett motorral a kaput viszont elég nehéz lenne eltolni áramszünet esetén, ezért valahogy oldjátok meg a meghajtás szétoldhatóságát a kaputól.

Én csak ajánlásokat mondtam, amire érdemes odafigyelni.
(#) Mumtaz válasza borvendeg hozzászólására (») Aug 6, 2007 /
 
A gyári vezérlésekben bel lehet állítani egy működési időt, ami után a vezérlés lekapcsol. Ezt általában a kapu teljes útjára + kb. 8 másodpercre szoktuk lőni.
Valami időzítő áramkörrel meg lehet oldani.

A távirányító modul házi gyártmány?
(#) borvendeg válasza Mumtaz hozzászólására (») Aug 6, 2007 /
 
Kösz nagyon hasznos tanácsokat adtál áramszünet esetén ott az aksi amit írtam meg természetesenm a szétoldhatóságra is ügyelek azt majd meglátom hogy hogyan oldom meh hogy nehogy agyonnyomjon vkit vagy vmit a kapu de sztem anyira nem veszéjes mert 12Vos ablaktürlő motorok fogják tologatni a kaput nem hiszem hogy agyon tudna nyomni vkit inkább leég a motor de majd mindekép kipróbálom
(#) Mumtaz válasza borvendeg hozzászólására (») Aug 6, 2007 /
 
De ezt is írtam, hogy milyen nehéz a kapu. Ami motor eltol egy 250+ kg-os kaput, az vagy épphogy eltolja és szenved, mint állat, vagy simán behorpasztja a kocsi oldalát.
(#) borvendeg válasza Mumtaz hozzászólására (») Aug 6, 2007 /
 
A távirányító modul wrf6-os gyári lesz ha viszább olvasol van adatlap is
(#) Mumtaz válasza borvendeg hozzászólására (») Aug 6, 2007 /
 
Ismerős cucc. Kimondottan az olcsóbbik fajtából. Nem rossz egyébként.
(#) zsoltee0001 válasza borvendeg hozzászólására (») Aug 7, 2007 /
 
hi
valóban, ennyi előnye azért van a 12v-os rendszernek, hogy könnyebb a szünetmentességet megoldani, amúgy vannak olyan gyári garázskapunyitó rendszerek amelyben ablaktörlő motorokat használnak pl Aperto, Sommer. Bár ezek teljesítménye elég kicsi.
Egyébként milyen hajtásmechanizmussal szeretnéd az ablaktörlő motorral hajtani a kaput?
(#) Inhouse válasza pid1951 hozzászólására (») Aug 7, 2007 /
 
pid1951!

Akkor sem jó a rajz. Ez így soha nem megy sehova. Most mindkét lábán +12V-ot kap a motor (tehát áll), mivel azt írod, hogy ez egy relé csak 2 váltóérintkezővel, így amikor behúz, akkor meg a söntön és feten keresztül test lesz a motor mindkét lábán (tehát áll). Jóval olcsóbban meg lehet oldani, hogy álljon az a motor...

Üdv
Inhouse
(#) borvendeg válasza zsoltee0001 hozzászólására (») Aug 7, 2007 /
 
Nos akkor leírom az egész elképzelést Van egy 5,5m-es kapum most lett megcsinálva tolóra kétfelé lehet eltolni tehát az egyik szárny kb 2.5m (függesztett a kapu tehát a szárnyak valós mérete kb 5m az ellensúly miatt) Nagyon könyen mozgatható mivel csapágyazott görgőkön fut ugy képzeltem el a meghajtást hogy a kapura felcsavarozok egy fogaslécet és az ablaktörlő motorral azon keresztül hajtom meg a kaput A motor ereje sztem tuti elég lesz mivel van itthon egy ablaktörtlő motorom és kipróbáltam és nem tudom lefogni azért is jó az ablaktörlő motor mert van benne áttétel és nem kell foglalkozni a motorfordulat lecsökkentésével
Most nem otthon vagyok de este majd nyomok fel egy sematikus rajzot a vezérlésről (ahogy én képzeltem el...
Még az érdekelne ha valaki meg tudná mondani hogy ha egy hagyományos relét meghúzok és azt mondjuk egy napig behúzvatartok akkor annak ugye leég a behúzótekercse ugye a szilárdtest relénél ez a probléma nem áll fen???
(#) szabi83 válasza borvendeg hozzászólására (») Aug 7, 2007 /
 
pl 12vos a relé 12V -ot ráadva behúz, de nem szabad leégni a tekercsének, hiszen 12vra tervezték.. :yes:
(#) zsoltee0001 válasza borvendeg hozzászólására (») Aug 7, 2007 /
 
hi
ha jól értem ez a fajta van neked (fájlmelléklet/2-es ábra) ez jó fajta (bár még nem túl elterjedt, mert drágább) könnyen mozgatható, télen se jelent gondolt a hó, az ablaktörlő moci is elbírja :yes: mostmár csak a reteszelést kell megoldani (ha van rá igény)

ezek a relék birják napokig is (kis teljesítményük miatt)
persze a túlfeszültséget ezekse tolerálják
érdemes sorba kötni vele egy 10-20 ohm-os előtétet

tolókapu.jpg
    
(#) borvendeg hozzászólása Aug 7, 2007 /
 
Pontosan ijen van a reteszeléssel nincs gond mert az abblaktörlő mociban ha jól sejtem (legalábbis ami nekem van) abban csigás áttétel van és a csigával meg nem lehet viszahajtani a motor felé tehát a kaput nem lehet kézzel csak ugy eltolni
(#) zsoltee0001 válasza borvendeg hozzászólására (») Aug 7, 2007 /
 
igen,
neked utca felöli a kapud? mert ha igen akkor, egy betörő feszítővasa ellen nem nagyon véd az ablaktörlő motor műanyag fogaskereke
(#) Mumtaz hozzászólása Aug 7, 2007 /
 
zsoltee0001: Te is kapuzol?
A rajzodon lévő második változat az úszó kapu. Nem mondanám, hogy nem elterjedt, mert újabban szinte mindet ilyenre csinálják. Nagyon ***** megoldás, de újabban elterjedt egy olyan C profil (a kapu aljára), amit 1 tonnás kapuig ajánlanak, pedig láttam már olyan, kb. 400 kilós kaput, amin ez a profil a távolabbi görkorinál jól szétnyílt.
12V-os mocikat kertkapu mozgatóba nem nagyon raknak. Inkább csak garázskapu mozgatókba. A Hörm**nál most jött be egy új, olcsóbb kertkapu mozgató, amiben ablaktörlő motor van, de az is 24 voltos, mint minden más mozgató ennél a gyártónál

Borvendeg: Nem feszegetem az ablaktörlő témát. ha ezzel oldod meg, én azért ajánlanám, hogy a vezérlést csináld meg úgy, hogy tudjon nyitni egy elektromos zárat. Ilyen zárat pedig szerintem tegyél fel a szárnyakra. Ha megnyomod a gombot, akkor előbb ez oldana, aztán nyílna a kapu. Rendes tolókapu mozgatóknál nincs rá szükség, mert a motor áttétele zárva tudja tartani a kaput.

Moderálva!
(#) Moderátor hozzászólása Mumtaz hozzászólására (») Aug 7, 2007
 
A fórumban a ulgáris szavak használata tilos!
(#) Mumtaz válasza (») Aug 7, 2007 /
 
Vettem. Elnézést!
(#) Moderátor hozzászólása Mumtaz hozzászólására (») Aug 7, 2007
 
Köszönöm. :worship:
Következő: »»   9 / 108
Bejelentkezés

Belépés

Hirdetés
XDT.hu
Az oldalon sütiket használunk a helyes működéshez. Bővebb információt az adatvédelmi szabályzatban olvashatsz. Megértettem