Fórum témák
» Több friss téma |
Mielőtt kérdezel, a következő két dolgot ellenőrizd!
I. A helyes tápfeszültségek megléte.
II. A kimeneten van-e egyenfeszültség.
Élesztés.
Idézet: „Na,ja,mint a nagy géped az se semmi... Én most ezen ügyködöm jó kis téli projekt lesz.” Szia. Ha ezt megépíted, akkor biztos nem fogsz csalódni, ennél a földelt rácsú meghajtó fokozatnál jobbat el sem nagyon lehetne képzelni.. Sok sikert hozzá Nekem is készülőben van a téli hibrid projektem, ami már 30% -an késznek mondható, de még csak most jön a java
Szia.Igen tudom
nyomon követem a munkásságodat a másik fórumon is..Remélem jól szól majd ez is.Igazából nem is a hangjáért készítem hanem unaloműzésnek,én már rájöttem legjobb hangú erősítő úgy sincs .Nekem már van egy rahedlivel itthon a szobámban is és tele van a műhely is. Mindig van olyan ami ebbe, ami pedig abba, más pedig amabban tetszik..de,hát mit csináljak,próbálkozok mert imádok erősítőket építeni. Remélem te sem fogsz csalódni a tiedben. Gondolkodtam a Nishiki-n is de inkább ennél maradtam.
Valószínűleg kitörlik majd az offokat ,s előre is elnézést a moderátoroktól ha nem ide való, de feltétlen szeretnék reagálni arra amit mondtál:
Az erősítőkben úgy gondolom sosem fogunk kihirdetni egy olyan etalont amiben kompromisszumot köthet az összes ember, mert egyszerűen másak vagyunk emberileg, (tehát különbözőek) ,s másak az igényeink is ezáltal! Ebből az elvből kiindulva, én csak annyit tennék hozzá, hogy elégedjünk meg azzal, ha nekünk tökéletesen tetszeni fog a hangja, s nem kell szerintem etalont keresni mindenki számára mert míg különbözőek vagyunk ilyen nem lehet.. Ami engem is vonz az a megszállottság, de az már más epizód
Egyetértek... és én is elnézést kérek az offért, részemről is törölhető a nem ide való rész.
Üdv!
Olyan kérdésem lenne, van egy Kiso stereo erősítőm, és mind két oldalnál világit a protect-led. Szólni szól nagyhangerőn is, de nem old le.Hangfalakkal és hangfalak nélkül is világít a led rajta.Mi lehet a hiba oka??
Sziasztok, zenembe most bd139 volt, megfutottak. Előtte bd249-ek voltak sajnos ki kellet venni, kellet a quad-omba, Most akarok venni normális tranzisztort, milyet vegyek?
Sziasztok!
Van egy régi videoton erősítőm raktam bele két rca csatlakozót din helyett,hátlapba fúrva(0V-on van a ház) és árnyékolt kábellal(sima rca kábel vezetéke) bekötöttem a din csatlakozóhoz,az egyik rca-nál csak a jelet a másiknál bekötöttem a testet is.Azlenne a bajom hogy ha az rca-ba kötöm a bemenetet akkor zúg..... kössem le a testet és csak a házat használjam annak vagy szigeteljem el a csatlakozót vagy a kábellal lehet a baj?Nemtudok rájönni miért zúghat ha a din csatlakozóba kötöm a jelet akkor jó minden.Előre is köszi.
Heló! Az olcsó rca kábel tud olyat csinálni, annyira gyenge némelyik árnyékolása hogy szinte semmit se véd. Ha hosszan lett vezetve a kábel könnyen elképzelhető hogy összeszedi valahonnan a zajt.
Az rca-k hideg pontjai legyenek elszigetelve a háztól.
Majd úgy csatlakozz be vele. Ha nem szigeteled el, értelmét veszti az erősítő földelés technikája. Az eddigi hibáidra könnyen fény derülhet: ha nincs kapcsolatban a házzal az rca, s a becsatlakozása is helyes, akkor annak nem szabad gerjednie.
Hali. Ha előfoknak egy ne5534 helyett használnék pl: tda 2006-ot, akkor meg kell építenem a komplett kapcsolását az íc-nek?? vagy elég ha csak +/- táp és bemenőjel max még egy poti elé.
Ja és ezt most úgy értem hogy nem erősitőbe hejettesítésként hanem csak úgy szimplán külön építenék belőle egy meghajtó fokozatot, csak azért kérdezem hogy hogy lenne ezt érdemes kivitelezni, mert szerintem nemkötelező ennek leadni 10 wattokat.
Ha rám hallgatsz nem volt jó ötlet. Nagyjából 22 éve mindenhova tuchel-t használok, százszor többet ér mint az RCA, arról nem is beszélve hogy melyik hogy bírja a strapát.
Csak az a furcsa ha kiszedem az rca-t a hátlapból és úgy próbálom tehát a jel és a test vezeték rajtavan a csatlakozón rendesen bekötve akkor meg valami kegyetlenül gerjed....a kábel sem hosszú jó ha van 10centi.
Nem tudom pontosan mit csinálsz, vagy hogy jól csatlakoztál-e be.
Ha maga az rca foglalat jó, akkor annak ugyanaz lenne a szerepe mint a Din-nek.
Mivel az RCA esetén két árnyékolást viszel a tuchel-el ellentétben, nem nagy művészet földhurkot csinálni.
Én is arra gondolok, hogy nem jó helyről megy a jelföldje.
Szia! A TDA2006-ot alapvetően a magas zaja miatt értelmetlen előfokban alkalmazni.
Szia! Ha helyesen kötötted be az árnyékolást és a testet és mégis zúg, akkor a kábeled nem árnyékol. Sima összetekert érpár is jobb lenne nála.
Igen szerintem is földhurok van,hát a jelet a touchel két lábáról szedem a panelra forrasztva, a testet pedig ugyanúgy a csatlakozórol,lehet elkéne szigetelnem a hátlapról.
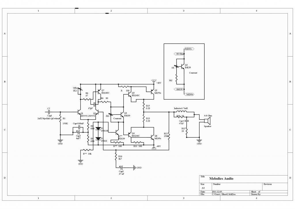
Sziasztok! Ezt az erősitő kapcsolási rajzot nézvén,valami nem tetszik nekem benne.Mégpedig az hogy,hogy lehet az hogy,ellenkező polaritású tranzisztornál,a kimenet eggyiknél a kollektoron,a másiknál az emiteren van.Ahogy én tudom,ijen kialakitást csak egyforma polaritásu tranyóknál alkalmaznak,pl.2x2n3055.Na csak azért kérdem,hogy szerintetek kapcsolás technikailag megfelelő-e,mert szeretném meg épiteni.Észrevételeket,és ehez kapcsolódó tanácsokat, nagyon megköszönöm.Üdv:
köszi értem. csak hirtelen ez van ithol. de ha nem hát nem :S
Építs quadot annak nincs hangja
Most fedeztem fel, hogyan lehet ebben a témában keresni. Jól el van dugva.
Szia! A BD250 fordítva van berajzolva. A topológia jó. A jelzett tranzisztorok többsége +/-56V-on alul van méretezve. Másik rajzot keresnék.
Köszönöm,a véleményt.Szerinted él ez a kapcsolás?+-40v-ról elmenne üzembiztosan?
Szia.
A 750 Ohm helyére tennék egy 1K trimert, hogy az offset beállítható legyen. és a nyugalmi áramot beállító kört is trimeresre egészíteném ki.
Szia! Melyik ellenálás helyére gondoltad a trimmert?a nyugalmi áramnál?
Sziasztok.
Kaptam egy Mac Audio MX 1000 tipusu erősitőt javitásra. Az lenne vele a gond, hogy ball oldala szagatottan és recsegősen szól. Rémértem a meghajtó és végtranyókra és azt látom, hogy a végtranzisztorok bázisán 12volt van. A jó oldalon viszon 0.1v. Kicseréltem a meghajtókat, de ugyanugy 12volt van jelen a bázisokon. A meghajtó tranyók ezek voltak gyárilag: 2sa940-2sc2073. Ezeket kicseréltem BD239-240-re. Előre is köszönöm a segitséget.
Szia! Mérjél rá a hibás oldali végtranzisztor bázisára is,nem-e szakadt a bázis
Szia.
Kicsit átrajzoltam., a végét így stabilabbnak érzem Nézd meg a módisítást. Kiemeltem külön , hogy hogy nézne ki a trimmer-es kalibrálás. Ha esetleg valahol hibáztam, akkor szóljatok.! |
Bejelentkezés
Hirdetés |











