Fórum témák

» Több friss téma
Fórum » Propeller Clock
 
Témaindító: vicsys, idő: Jún 3, 2005
Lapozás: OK   251 / 489
(#) patexati válasza Arpika92 hozzászólására (») Dec 7, 2011 /
 
Szia! EZT a cikket olvasgasd át és nézd meg a képeket a fórumon.. Nem olyan nehéz egy tekercset elkészíteni. Nálam majd egy éve megy egy sima PC ventis óra kifogástalanul megy.. Ki merem jelenteni évekig bírja némi karbantartással.. Ez a leg egyszerűbb megoldás. A szénkeféset nem ajánlom mert én készítettem egyet egy másik propellerhez és rendkívül zajos és nem hinném,hogy sokáig bírná.. Videófej is jó de nehéz olyat találni mi könnyen beindítható és kell vele szórakozni kicsit mert kevés a menetszám..
(#) Arpika92 válasza Hp41C hozzászólására (») Dec 7, 2011 /
 
Nem a tekercselestol felek mert meg csinaltam a tekercset. Hanem az volt a gond, hogy mikor mindent osszekotem es rakapcsoltam a betaplalast akkor a motor egybol elkezdett forogni. A proppeler nem csinalt semit de a trafo az melegedett es a sekunder oldalon nem volt arram. A proppelere ra kodtem 7.5 V-t es ahogy egy regebbi hozzaszolasban olvastam az ujam a pic labaira tedtem es az osszes LED ki gyult.
(#) patexati válasza Arpika92 hozzászólására (») Dec 7, 2011 /
 
Tegyél fel képet a bázisról! Minél jobbat mindkét feléről ! Egy szofita izzót használj a szekunderen ne a propellert amíg élesztgeted (ha az világít akkor lehet méregetni tovább). A motort ne kösd be nem kell a forgás sokan azt gondolják,hogy csak forogva működik a teljesítményátvitel vagy a tekercs hajtja a motort..
(#) Arpika92 válasza patexati hozzászólására (») Dec 7, 2011 /
 
Rendben hlnap del korul feltoltom a kepeket
(#) fkosa válasza Arpika92 hozzászólására (») Dec 7, 2011 /
 
Ezek szerint a bázisoddal nagy baj nem lehet. Nézd meg, hogy világít-e az infra-led (pl. fényképezőgép kamerájával látod, hogy világít). A propeller fototranzisztora legyen pontosan fölötte, pár mm-re.
A szénkefés megoldás ellen szól az is, hogy lassítja a forgást. Én így sem nagyon tudtam elérni az optimális 1500/percet.
(#) Hp41C válasza fkosa hozzászólására (») Dec 7, 2011 /
 
Idézet:
„Nézd meg, hogy világít-e az infra-led (pl. fényképezőgép kamerájával látod, hogy világít).”


Sorba kell vele kötni egy normál LED -et, az áramkorlátozó ellenállást csökkenteni - egyből látható.
Már két éve módosítottam a kapcsolást. Nem olvassátok a topikot? ... Akkor minek töröm magam?
(#) Arpika92 válasza Hp41C hozzászólására (») Dec 7, 2011 /
 
Hol talalom meg azt a kapcsolast? konkretan
(#) vicsys válasza Hp41C hozzászólására (») Dec 7, 2011 /
 
Olvassuk, csak tényleg nagyon sok az információ. Az önzetlen segítségedet, meg külön köszönjük!
(#) pcroland válasza vicsys hozzászólására (») Dec 7, 2011 /
 
Tényleg kéne egy olyan Propeller Clock-os összefoglaló cikk, amiben több óra van
(#) Hp41C válasza Arpika92 hozzászólására (») Dec 7, 2011 /
 
Keresés a fórumben a file mellékletek között...
Itt... és itt...
(#) Hp41C válasza pcroland hozzászólására (») Dec 7, 2011 /
 
Ha lesz időm, nekiállok...
(#) Arpika92 válasza Hp41C hozzászólására (») Dec 7, 2011 /
 
Ezek a bazisok mindig szamitogeproll kell menjenek?
(#) fkosa hozzászólása Dec 7, 2011 /
 
Sziasztok!
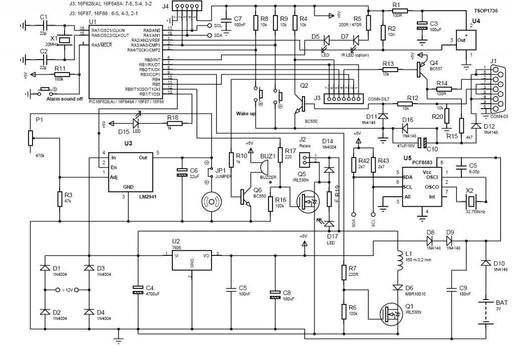
Mellékletem az én változatomat.
Először normál alkatrészekkel építettük meg, majd a panel könnyebbé tétele miatt a tranzisztorokat és az ellenállásokat SMD-re cseréltük. Fontos szempont volt, hogy a LED-eket le lehessen nyomni a panel szintjére (csak 1 oldalról kelljen forrasztani) és hogy házilag könnyen kivitelezhető legyen a panel.

A kapcsolási rajzon nem változtattam, csak a NYÁK-ot terveztem újra.
A program a 2.27-es RTC-s verzió.
A file KiCAD-dal nyitható meg (bocs, nekem ez áll kézre).

Néhány jótanács a megépítéshez:
A fototranzisztort a PIC-el ellentétes oldalra ("lefele") kell beforrasztani. Az infravevőt (TSOP) elfektettem, az tartja az elemet az egyik oldalról. A panelt átfúrtam az elem helyén. Az elem érintkezőjét egy tönkrement reléből mentettem meg.
A shotky-diódát a puffer elkó lábaira forrasztottam, az elkót kifelel (a LED-ekkel ellentétes irányba elfektettem)
(#) patexati válasza Hp41C hozzászólására (») Dec 7, 2011 /
 
Szia! Nem emlékszem rá,hogy a 16F628 DIP kivitelű bázisnak lett e tervezve nyák?? Valami egyszerű lett gyártva mi hasonló a vicsys féléhez de az RTC és kezelőprogramosra nem emlékszem.. A 16F886 az lett tervezve bár az kicsit nagyra sikerült..
(#) pcroland válasza Hp41C hozzászólására (») Dec 7, 2011 /
 
Köszi!
(#) Hp41C válasza Arpika92 hozzászólására (») Dec 7, 2011 /
 
Nem... Csak a beállítás, beüzemelés egyszerűbb számítógéppel. Az eredeti funkciók továbbra is elérhetők az infra távirányítóvel (és náhány még nyomógombbal is, ha van a terven). Sok új funkció is került bele...
(#) Arpika92 válasza Hp41C hozzászólására (») Dec 7, 2011 /
 
Meg is epitenem ezt a valtozatott de mar nincsen tobb penzem mas alkatreszekre is. Jah az LM2941 et lehet e helyetesiteni LM2945 el
(#) patexati hozzászólása Dec 7, 2011 /
 
Most jut eszembe én terveztem ilyenhez nyákot Bővebben: Link Tesztelni tökéletes és nem szükséges bele RTC sem csak akkor a beállítások törlődnek belőle ha nem kap tápot..
(#) patexati válasza Arpika92 hozzászólására (») Dec 7, 2011 /
 
Ha nincs motormeghajtód vagy leégett akkor a motor mehet fixen is a tápról max nem tudod leállítani a távirányítóval és nem tudsz fordulatot szabályozni.. A bázisban a PWM rész ami lényeges,hogy jól működjön mert ez nélkül nem lesz kraftod a rotoron..
(#) Arpika92 válasza patexati hozzászólására (») Dec 7, 2011 /
 
A motro fordulatat tudom szabalyozni de a taviranyiton nem tudom ki be kacsolni
(#) Hp41C válasza patexati hozzászólására (») Dec 7, 2011 / 1
 
Készült 16F628 - 88 RTC -s bázis panelterv is, de még nem építette meg még senki...

Késült bázis az alábbi verziókban:
12F683 dip, 16F628(A) dip és smd is, 16F690 dip, 16F88 dip és smd is, 16F886 dip. Ezen kívül volt egy analóg bázis is...

Rotor készült az alábbi verziókban:
16F628(A) dip és smd is, 16F648A dip és smd is, 16F690 dip és smd - ezek eltérőek, többféle 16F886 dip és smd verzióban. Az utóbbiak a 18F2620 kontrollerrel is üzemeltethetők.

Távirányító az alábbi verziókban:
Sokféle 18 lábú dip 16F-re, 16F639 dip.

A fenti verziókból rengeteget feltöltöttem már...

Egy kis segítség...
(#) patexati válasza Arpika92 hozzászólására (») Dec 7, 2011 /
 
Milyen távirányítót használsz?? Ha nem jól van a cím beállítva akkor nem érzékeli..
(#) Arpika92 válasza patexati hozzászólására (») Dec 8, 2011 /
 
Nah itt vanak a kepek mit kertel. Ennel jobb kepet nem tudtam kesziteni. A nyak ajan azok a drotok azert vanak mert a rez lemezecske foljodt a nyakrol.
(#) patexati válasza Arpika92 hozzászólására (») Dec 8, 2011 /
 
Az alja egyiken sem látszik Melyik terv ez?
(#) Arpika92 válasza patexati hozzászólására (») Dec 8, 2011 /
 
Jah bocsnat nem vedtem eszre. Csak igy tudtom foltolteni mert nem engedi kep formaba foltolteni

Dok1.docx
    
(#) patexati válasza Arpika92 hozzászólására (») Dec 8, 2011 /
 
Hát nem ártana lemosni azt a nyákot alkohollal vagy denszesszel és jól átnézni nincs e zárlat.. Ki kell venni a PIC-et,megmérni megvan e az 5V táp a foglalatban,egy 100Ohmos ellenállással az LM2941 2-es lábát (mi a PIC-re megy) GND-re húzni megnézni forog e a motor és utána a +5V-ra is,hogy ott is forog e.. Csak egyik esetben lehet bekapcsolva..Ha ez oké akkor a a tekercs helyett egy 12V/5W izzót tégy a bázisra a tekercs helyére majd a fet Gate lábát (egy220 Ohmon keresztül megy a PIC foglalatba) azzal is ismételd el,hogy GND és +5V-ra húzod.. Itt is csak egyik esetben világíthat az izzó ha jó.. Az infra vevőt is le lehet tesztelni egy ledre teszel egy 100 Ohmos ellenállást és a kimenete (PIC 1 lába) és a GND közé beteszed (persze a helyes polaritásra ügyelsz) és ha megnyomsz a távin egy gombot akkor villogni kell a lednek.. Ha ez mind jó akkor a PIC nem jó vagy a program mit beletettél.. A PIC-et töröld ki teljesen (tudja e törölni egyáltalán a programozó??) és írd bele az állományt újra.
(#) Arpika92 válasza patexati hozzászólására (») Dec 8, 2011 /
 
Rendben ezeket meg nezem. PicKit2 vel volt programozva szerintem ujra lehet programozni. Szerinted a legmagos trafo az jo e ugy h a pirimer 0.2mm atmeroju huzalbkol 100 fordulat es a forgoreszen pedig 0.2mm 150fordulat. mert AC 9 V probaltam ki es melegedett es a forgoresen csak 0.5 V jodt ki.
(#) patexati válasza Arpika92 hozzászólására (») Dec 8, 2011 /
 
Kicsit vékony de jó lesz azért.. Ez nem 50Hz AC amit a bázis a tekercsre küld hanem egy több KHz-es PWM!! Persze,hogy sima AC-val meleg! A légrés legyen minél kisebb a két tekercs közt ez fontos!!
(#) Arpika92 válasza patexati hozzászólására (») Dec 8, 2011 /
 
Kaptam egy hibat a TSOP17xx helyet egy TSOP34838-t tedtem es telyesen mas a labkiosztasa.
(#) Arpika92 válasza patexati hozzászólására (») Dec 8, 2011 /
 
~5-4mm a legress jobban nem tudtam ossze szukiteni.
Következő: »»   251 / 489
Bejelentkezés

Belépés

Hirdetés
XDT.hu
Az oldalon sütiket használunk a helyes működéshez. Bővebb információt az adatvédelmi szabályzatban olvashatsz. Megértettem