Fórum témák
» Több friss téma |
Fórum » Csöves erősítő készítése
Ne feledd betartani a fórum viselkedési szabályait, és a topik megmaradásának feltételeit. [link]
A téma átmenetileg fagyasztva lett, hozzászólni nem tudsz!
Van vele " gyári " erősitő is, a studióteknikában. Bocs volt.
Nem terjedt el mert baromi drága volt!
Nem tartom valószinüneg
Igen.
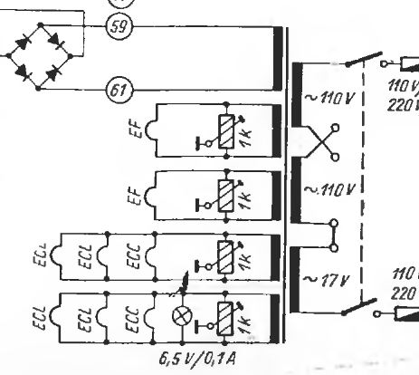
Most kipróbáltam, az anód szűrés variálása nem okoz semmiféle javulást, és nem is teljesen állandó a maci intenzitása, van egy pici variáció benne. Így szerintem is a fűtés szórása lesz a gond. Most nem leszek itthon a hétvégéig, de akkor szét fogom szedni a fűtést. Arra gondoltam, hogy fogok valami vékony drótot, mondjuk UTP ereket, azt nagyon szorosan össze lehet sodorni, és abból lenne a fűtés. Milyen koncepciót csinálnál 3 darab, azonos fűtésen lévő csőnél? (most 2 ECL, többi meg PCL86-os cső nálam) Pl. van értelme ezt is csillagpontosan kötni, vagy vigyem egyszerűen egyik csőről a másikra, mint eddig? Csillagpontos dologra azért gondoltam, mert akkor áganként kisebb lenne az áramerősség.
Nekem meg az a dilemmám hogy melyik csőből építsek egy kisebb se-t el 84 vagy ubl21.
Szerintetek melyiknek van jobb hangja. Van egy pár ruszki csövem is hasonló az ubl-hez, valami 6n-es most nem ugrik be építettek már itt vele 2-3 wattos kapcsolást. Vagy építsem meg mindet? Trafó már nem lesz akadály Szóval a nagy kérdés, ruszki vagy tungsram cső legyen az áldozat?
Valami nem gömbölyű!
Mi köze a csillagpontnak a fűtéshez, áramerőséghez?
Milyen tv?
Az E130 jó választás, az audofilek még nem kapták fel, és nem is fogják. Miért? Mert korlátozott az utánpótlás.
Na és az anódsapka. Van aki szereti, én nem. Nem véletlenül gyártják az EL 509-et anódsapka nélkül, JJ Szlovákiában és "C" logóval Oroszországban , habár az utóbbi már nem biztos, hogy még gyártásban van. Nincs hibalistája. A csőbarlang is előállt egy tisztán DC csatolt csoda JJ509-es erősítővel, miközben egy saját oldalon fikázták az 509-et, mondva, hogy az 508 sokkal jobbb
Amúgy a 807 a nyerő ha jó kimenő van hozzá. (Ez a legtöbb csőre igaz) Kevesen tudják, de az orosz NOS csövek valamikor még értékesek lesznek. Csak hát válogatni kell...
Onnan, hogy lejön a trafóról a fűtés, ha külön viszem a fűtésvezetékeket minden csőhöz, akkor az áramerősség az ágakban kisebb lesz, mintha 1 vezetékre lenne rákötve 3 cső fűtése, így gondolom a létrejött mágneses tér is kisebb lesz.
Nem a gnd-s csillagpontra gondoltam az előbbiben.
Bocsi, hogy megzavarom a "csődilemmát", de ettől a RENDEZETT belű PCL85-től dobtam egy hátast.
Hello, két külön feszültségről fűtöd a végcsöveket, mert azt írtad, hogy 2 db ECL és a másik 3 PCL86-os? Képet esetleg tudsz csinálni az erősítőről, hogy lássuk, hogy hogyan oldottad meg, lehet segítene a hiba megoldásában. Elvileg akkor 2 külön fűtéstekercsed van a trafón, 6,3V és 14,5V?, Vagy esetleg rajzold le, hogyan van felfűzve a fűtéságra az 5 db végcső. UTP kábelér tökéletes a fűtésvezetéknek, mert tömör, jól sodorható, kis helyet foglal és gond nélkül bírja azt a 300mA-t csövenként. Én javasolnám a csövek külön felfűzését mind a 6,3, mind a 14,5V os tekercsre külön külön csillagpontosan és úgy, hogy mindegyik csőnek azonos lába menjen azonos trafókivezetésre és a másik lábuk is a másik kivezetésre. Tehát a fűtőtekercs egyik végére a csövek 4-es lábát, és a másik kivezetésre az 5-ös lábukat kösd, hogy minden csőben azonos fázisban follyon a fűtőáram. emellett még minden egyes csőnek külön 100 ohmos trimmer kell a fűtéskörébe, amelyeknek a csúszkakivezetését csillagpontosan a GND re kell kötni, mert SOHASEM pontosan középen van a búgásminimum. (Ezért nem jó megoldás a 2 db 100 ohm, és a közepük a GND-re kötve, maximum fűtőtekercs DC ellenállásra párbaválogatott csöveknél elegendő ez a közepelési megoldás). Persze ezesetben nem kell GND-re kötni a fűtőtekercsek egyik lábát sem, csak a kiegyenlítő trimmerek csúszkáját. Ezt csövenként csináld meg, és írd meg mire jutottál. A brummnak meg kell szűnnie. Mégegy javaslat. Az erősítő legnegatívabb pontját a GND-t, a graetz negatív sarkát NE kösd össze a hálózati védőfölddel,se a sasszival. A sasszit természetesen kötheted védőföldre de csakis egy ponton, így elkerülöd a földhurok hibát is. Ha valami nem érthető kérdezz bátran.
A 2005-ös Rádiótechnika Évkönyvben van egy rajz E130L PP-vel, 40W kimenő teljesítményre. Ha kell eltudom küldeni a rajzot majd.
Csőkatalógusban 60Wattra írták.
Idézet: „emellett még minden egyes csőnek külön 100 ?os trimmer kell a fűtéskörébe” Ez sajnos nem igaz, a fűtőtekercs testhez képesti potenciálviszonyait nem lehet többször kialakítani, csak egyszer (Minden poti beleszól a másik cső viszonyaiba is, amely azonos fűtőtekercsen van. Ráadásul szélsőséges beállítás esetén megégnek a potik, mert zárlatot csinálsz, de eltérő állások esetén is kiegyenlítőáramok indulnak meg.).
Szia Imi, igen, már észrevettem, hogy rosszul írtam, mert valóban úgy van a dolog, hogy fűtőtekercsenként 1 db 100 ohmos trimmer-t lehet csak rakni
Az AE211-esből indultam ki és ugye ott is külön tekercsekről fűtik a EF86-osokat. Tehát a lényeg, hogy mind a kettő fűtőtekercsre tegyen a kollega egy-egy 100 ohmos trimmert és úgy állítsa be a búgásminimumot. Sajna reggel 5 kori kelés után kicsit fáradt voltam, mikor írtam
100 ohm helyett inkább 1K ohmos trimmerpotit kell beletenni, hogy ne follyon számottevő áram, csak a szükséges potenciálosztás valósuljon meg.
Mutatok egy példát a megvalósításhoz.
Ez kevert meg az előző hozzászólásban
Valaki meg tudja mondani a cső illesztését mondjuk 300-350V környékén?
310V hangfrekis váltófesz lesz jelen a kimenő primerén 60W teljesítménynél, ebből kell 22V-ra transzformálni le a feszültséget, és egyben impedanciát illeszteni, hogy 60W-ot kapj 8 ohmon. Az impedancia transzformáció 197=~200 és Így jön ki az 1600 Ohm.
Köszönöm! Ezek szerint az áttekert APX100 kimenőkön azonnal ki is lehetne próbálni őket. Most majd figyelek, ha látok ilyet.
1500Ft-ot kicsit sokallok értük, már ha még van.
Arra gondolsz, hogy a PL509-es Bácsinak volt a múltkorában egy rakással? Már legutóbb is kevesebbet láttam, lehet, hogy viszik!?
Lehetséges. De ahogyakkor Te is mondtad, 1500-ért én soknak érzem, lehet tévedek. Egy garnitúra 6000 lenne és ugye illik legalább még egyet elrakni. Van elég más csövem már bőven. 807-ből kifutja egy darabig.
Ismerve a csövet szerintem meg baráti ár.
Szerintem nagyobb gond a "Honnan, ha elhasználódott?". Bár ipari, és hosszú életű, a fellelhető példányokról nem tudunk semmit (igaz, nem látszik (el)használtság jele). Az eladó meg gyakran "talál ki" hozzá mesét, honnan van, utánpótlásnak viszont nyoma sem látszik. Ezt ellenőrizni lehetetlen. Gabi azért még szeretne 60-70 évet e Sárgolyón lenni.
Méregettem pár napja a conductorom kimeneti teljesítményét 8ohm műterhelésen a szokásos zenélős hangerőmmel. Már pontosan nem emlékszem rá, de úgy rémlik, 20W fölött mértem.. Lehet ám, hogy csak marha vagyok, de akár az is, hogy 20W-on hallgatok zenét.
B32-es preluim vannak.
Hi-hi, micsoda E130L hajtóvadászatot indítottam el
Nekem ugyan van egy marék, de ennyiért nem fog találni.
A " mesék " megoldására csináltam csőméröt. Egyidejüleg 4 cső karakterisztikáját felnyomja a szkópra. Logosan 5 dekád! a vége ca 2 Amper. A mikróamperes fütésszivárgás is látszik. Ilyenkor az alsó két marker vonal tök zajos. Sokszor segített lekopott feliratú csövek azonosításában is. |
Bejelentkezés
Hirdetés |


építettek már itt vele 2-3 wattos kapcsolást. Vagy építsem meg mindet? Trafó már nem lesz akadály
ruszki vagy tungsram cső legyen az áldozat?
Az AE211-esből indultam ki és ugye ott is külön tekercsekről fűtik a EF86-osokat. Tehát a lényeg, hogy mind a kettő fűtőtekercsre tegyen a kollega egy-egy 100 ohmos trimmert és úgy állítsa be a búgásminimumot. Sajna reggel 5 kori kelés után kicsit fáradt voltam, mikor írtam 

