Fórum témák
» Több friss téma |
Sziasztok!
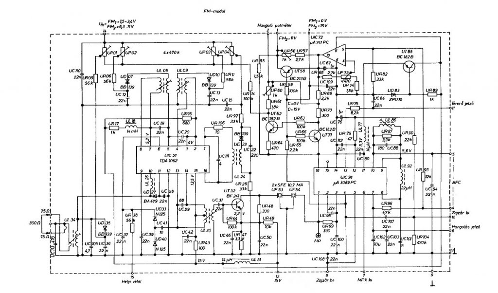
RA-6363 FM modul elhangolódással kapcsolatban szeretném eddigi tapasztalataimat megosztani, és egy kis segítségeteket kérni: 2 ilyen modul javításába is belefogtam, az alap hiba mindkettőnél az volt, hogy bekapcsolás után lassan (5-10perc alatt) elkezdett felfelé elhangolódni, azaz a hangolófeszültség lassan, de folyamatosan emelkedett valamelyest. Ezt sikerült megoldani a hangolófeszültség előállító/sávhatár-váltó körben néhány igen hőfokfüggő ellenállás cseréjével. Illetve az oszcillátor-körben lévő UC111 4pF-os (a fóliaoldalon elhelyezett) piros színjelölésű kerámiakondit is cserélni kellett, mivel erősen hőfokfüggő volt ez is, cseréltem egy kék színjelülésűre, ezt hűtve már nem mászott el az oszcillátor. Most viszont lefelé kezdett elhangolódni mindkét modul, amit úgy néz ki egyértelműen a keverőfokozatban okoz valami, mégpedig az oszcillátor serleg környékén, mert ezt a területet hibakereső spray-vel hűtve (Kalte 75) beáll ismét az adóra, illetve még fölé is hangolódik. Az oszcillátor varicap-jára gyanakodtam, kicseréltem egy új BB139-re (HQ videónál sikerült beszerezni), ez azonban nem oldotta meg a problémát. Cseréltem az UC22 220pF-os kerámiakondit, illetve az UR25, UR97 UR107, UC15 tagokat is, de a hiba továbbra is fenáll. (lefelé hangolódik, igaz csak nagyon kis mértékben, ha az AFC be van kapcsolva még bőven meg bírja fogni). Engem azonban még így is zavar, hogy miért nem képes megtartani a frekit pontosabban. Van esetleg bármi ötletetek mit lenne érdemes még megnézni, mi okozhatja még ezt a kis mértékű lefelé hangolódást? Már az is felmerült bennem, hogy nem lehetséges-e, hogy a BB139 varicap-ok (mivel még a boltban kapható "újak" sem mai gyártmányok) már elöregedtek álltukban, ezért kis mértékben hőfokfüggők lettek, ugyan ez merült fel bennem a TDA1062-vel kapcsolatban is? Előre is köszönök minden ötletet! Üdv: Laci
Sziasztok!
Van nekem 1db RA 6363 S, 1db EA 6380 S és 1db EA 6383 S erősítőm. Mivel elég régiek(sorszámból ítélve) megfordult a fejemben, hogy kicserélném benne az elektrolit kondenzátorokat (lehet, hogy már nem olyan kapacitásúak mint anno, az egyikben 1-et cseréltem mert beszáradt). Sok helyen olvastam, hogy megéri őket cserélni, mert árnyalatokkal javul a hangzás(javítsatok ki ha tévedek ). Az lenne a kérdésem, hogy hol kezdjem el az egészet?
Üdv! El tudnád mondani, hogy melyek voltak azok a "hőfokfüggő ellenállások"?
Huh, na akkor sorolom (nem mind volt egyértelműen hőfokfüggő, de a stabilitás kedvéért kicseréltem, az első 3 illetve az utolsó 3 ami igazán kritikus):
UR68, UR57, UR74, UR59, UR55, UR61, UR64, UR69, UR70 UR96, UR93, UR82. Itt megjegyezném, hogy nálam az UR05, UR06, U11 56k-s ellenállások gyárilag nincsenek bent, egy huzaldarabbal át vannak kötve, de ha valakinél be van ültetve ezis cserélendő szerintem.
Sziasztok!
Pufferkondit szeretnék cserélni. Tudnátok segíteni, hogy milyet vegyek? Rövid keresés után F&T gyártmányú LFB4700/63 típust néztem ki. Ez az egy, ami méretben is kb. akkora (35x50), mint a gyári 1880/db + posta. A másik egy olcsóbb és kompaktabb (30x40) EYF típusú 1290-ért és ezt át is lehet venni. Esetleg érdemes 10.000 uf-osat beletenni?
Sziasztok!
Most vettem egy RA6363S-t. 6 ohm-os hangfalaim vannak, nem megy tönkre az erősítő ha ezekkel használom? Üdv.
Szia,
Nem megy tönkre, csak ésszel a hangerővel. Bár nem írtad hány Wattosak, túl nagyokat nem kötnék azért rá. Üdv
JAMO Cornet 75/A
Rated power: 120 w Music power: 170W IEC (268-5):55w impedance: 6 ohm Ez van ráírva az adattáblájára, ez az IEC nem egészen világos mit jelent.
Hát ezek nem olyan kicsi falak, bár manapság simán ráírnak kétszer akkora teljesítményt, mint az erősítő korában.
Szerintem szoba hangerőn (ez azért szubjektív) hallgatva semmi baja nem lesz, de házibulit ne ezekkel rendezz.
Ma rákötöttem a hangfalakat és azt kell mondanom igen csak egymásra talált az erősítő és a hangfal. Lehet hogy a mélyhang kiemelés miatt, de nagyon szépen, dinamikusan szól.(mély és magas 2-esen) Persze nem vagyok megszállott hifista, de nekem tetszik. Jobban mint a nappaliban lévő cucc. (Onkio 601 quadral hangfalakkal) 5-ös hangerőn már elég hangos, ez gondolom a 6 ohm miatt van, de ennél hangosabban szerintem nemigen fogom hallgatni.
Sziasztok.A 6360 s és a 6363 között mi a külömbség ?csak hogy érdemes-e végigolvasnom a topicot vagy keresgéljek tovább mert elmásznak a csatornák
Szia,
Szerintem olvashatod, mert úgy tudom a tuner abban is ugyanaz. Aztán ha hülyeséget mondtam, majd kijavítanak a többiek.
Valóban más a hangja és nekem is sokszor ezt tetszik jobban, mint a modern szuper-okos erősítőké. Becsapós lehet egyébként a kikapcsolhatatlan loudness, egyszer meghallgatnám a kiiktatása után hogyan szól.
A rádió része (FM, AM tuner) egy az egyben ugyan az, a végfokokban és a szabályzó/előfok modulban tér el elsősorban egymástól.
Az RA-6360S szimpla tápról járatja a végfokokat, míg az RA-6363S-ben már szimmetrikus táp van. Az RA-6360 teljes szervízdoksiját ide feltöltöttem: Link 1 Link 2 Link 3 Jó munkát!
Az elmászást FM üzemmódban két dolog okozhatja, vagy kontakthiba, ebben az esetben hirtelen elugrik az adóról/össze-vissza ugrál, vagy elmelegedés (általában ez szokott előfordulni a Vidi FM moduloknál).
VIGYÁZAT, az elmászást mindig kikapcsolt AFC-vel vizsgáljuk, mert bekapcsolt AFC-vel amíg csak a benntartási tartományon belül mászik el a hangolófesz, addig nem veszel észre semmit, csak egyszer hirtelen "elugrik" az adóról mikor már annyira elmászott, hogy az AFC nem bírja megfogni. Az elmelegedést első sorban a uA741 környékén lévő ellenállások szokták okozni (néhány oldallal visszább pontosan leírtam melyekre érdemes gyanakodni/cserélni őket jó minőségű 1%-os 0,6W-os típusokra). Ha ezek cseréje nem segít akkor okozhatja még pl. a szorzókörben az UR87, UC88, UL86, ezek bármelyikének cseréjekor érdemes UL86-tal újrahangolni. Ha továbbra is fenáll a hiba érdemes megnézni az UC111 4pF-ot (a fólia oldalon van a TDA mögött). Sok sikert a javításhoz! Üdv: Laci
Kifelejtetted a leg szembetűnőbb eltérést
![]() A térerőjelző a 6360-ban Derpéz múszerrel val megoldva, valamint a hangolásjelző áramköre is teljesen más (primitívebb, bizonytalanabb) Tekerő- és nyomógomjai megegyeznek az AIDA-CLEOPARTA sorozattal. Az erősítőrésze teljesen megegyezik az AIDA-CLEOPATRA sorozattal. Jóllehet a végfok még a Prometheus-ban tűnt fel először.
Nos, én megoldottam, hogy a hangoló feszöltség betonstabil legyen, nem kis fejtörésembe és utánolvasásba került. Az UL86-tal nagyon megjártam. Egyszerűen nem tudtam vele 1,4% torzítás alá menni, mivel nem tudtam olyan finoman állítani. Egy TV-böl buntott tekercstestre elkészítve sűrümenetes hangolómaggal és egy kis módosítással már 0,3%-ra le tudtam szorítani. A tuneren több kisebb módosítás ellenére sem tudtam 3,147uV alá vinni a zajhatárolt érzékenységet. A kerámia szűrőket 1db SFJ10,7MA-ra cseréltem. Most már csak az oszcillátor van vissza, ami a bekapcsolás után 2-3 perccel 150-180KHz között megy még mindig feljebb, utána stabil, csak 10-30Hz-es lebegés tapasztalható. Az enyémben 5pF volt, de azt ki kellett vennem, mert nem tudtam 11V hangoló fesszel 108MHz-re hangolni.
Valami ötlet?
Valaki Help!!!
Olyan problémám lenne,h a Videoton 6363s jobb oldali végfok tranyói valamiért megadták magukat!Na most!Rendeltem bele 911-912 párost mindkét oldalra!A rossz oldalit átmértük a jó oldalihoz képest,az összes alkatrész és nincs különbség a 2ő között!Mégis ha a tranyók (911-912 -es) bevannak kötve,a jobb oldalon a a tranyó középső lábán (V; C) a bal oldalihoz képest 2 ohmmal kevesebb jön!Valami tipp h ez miért lehet?Valami rejtett hiba?Cseréljem a végen az összes tranyót,vagy ez 1 könnyen orvosolható probléma? Előre is köszi a válaszokat!
Neked mivel sikerült végül megoldanod, hogy a hangolóesz betonstabil legyen, kifejtenéd bővebben?
A tuner zajhatárolt érzékenysége 300Ohm-on 3,8uV 75Ohm-on 1,9uV a gyári adatok szerint.
Nos, nem volt egyszerű. Először is kidobtam az O-C váltó áramkört, mivel ma már felesleges.
UIC72 csere TL061-re, UD95 csere átkötésre, UD61 csere 1N4148-ra, UT85 csere BC337-40-re, UD83 csere BZY55C10-re UR89 csere 470R-re, UR82 és UR93 csere, amennyiben ruszki bakazöld szén ellenállás. Az alkatrésztípusokat azért írom le, mert hosszas próbálgatás eredményei! A 3,147uV zajzatárolt érzékenységet én 20dB jelzajviszony mellett 75 Ohmos bemeneten mértem, mivel a műszeremen csak ilyen (50 Ohm) kimenet van. A 40dB S/N eléréséhez már 4,672uV kellett.
Az ellenállásokat nagyjából én is ezeket cseréltem, plusz én meghagytam az O-C váltót (szeretem megőrizni az eredeti állapotát) ezért természetesen abba is cseréltem szinte az összes ellenállást.
Nálam az UT85 és környékbe gyárilag nem volt beültetve, egy ellenállás volt helyette, ezt kivettem és rajz szerint beültettem az UT85-ös kis feszstabot. Így elég stabil lett, egy nagyon pici elmászása van, de szerintem annyi új korában is volt ![]() Megnéztem szervizkönyvben is a zajhatárolt érzékenység 1,9uV (75 Ohm) 3,8uV (300 Ohm) (f=22,5kHz S/N=26dB).
Azt még megjegyezném, hogy szerintem (természetesen ez nagyon szubjektív mivel csak hallásra tudtam tesztelni) de legalább olyan érzékenysége van a Vidinek mint a Sony ST-S390-es RDS tuneremnek, aminek gyári adati szerint a zajhatárolt érzékenysége 0,9uV 26dB S/N-nál.
Bocs az előbbi tehetetlenségemért, időközben megoldottam!!!
Az oszcillátor körben lévő UC22 volt a ludas!!! Én "naiv pógár" beépítettem egy stabil kondenzátort az eredeti "kitudjahogymilyen" helyett, amit beraktam a gyári helyett, az pákával melegítve sem változtatta kapacítását (na jó, azért igen, mivel 1 perc pákával melegítés után 219pF-ról 220pF-ra változtatta a kapacítását, majd leolvadtak a lábai, de van másik 200db ). Ezek után kerestem bele egy olyan kondenzátort, ami 220pF-ról rálehelés!!!! után 226pF lett, ezzel úgy tűnik, hogy stabil lett az oszcillátor. Most még újra kell hagolnom a modult a lineáris működés értdekében, de holnap este beszámolok a végeredményről. A precí?z műszeres háttéren nem fog múlni, max. rajtam, de én sohasem adom fel!!! Ha ezen túl leszek egyszer, és minden szarvas videoton hibára sikerül medicínát találnom, akkor biztosan misét mondatok! Ezért örülök, hogy anyám annak idején nem engedte, hogy műszerész legyek... ezért lettem informatikus.... Az Orion ST-240 elhangolódásával nem szívtam ennyit, ott két év alatt és két alkatrész cseréjével meg lett a megoldás (1 csere + 1 módosítás). De ez a két év is részben a figyelmetlenségem miatt lett, mivel ha odafigyelek a jelenségre, és megnézem a rajzot, akkor eszembe kellett volona jutnia a hangolódás megoldásának kapásból....
Én nem hallásra hagyatkoztam, mivel abban a szerencsés helyzetben vagyok, hogy meg tudom mérni. Tapasztalat: a hazai rádióknál megdott érzékenységet és egyéb adatokat a készülék gyári állapotában LEHETETLEN TELJESÍTENI!!! A Csehszlovák cuccok annyira szarok, hogy még a gyárilag megadott szar értékeket sem tudják teljesíteni, a Lengyel cuccok specifikációi viszont nagyjából fedik a specifikációt! Egy kis utánahangolással és a lengyel ELKO-k kicserélésével még néhány adatot túl is szárnyalhatnak. A cocialista tábor egyetlen "igaz" országa Honecker országa volt. Az NDK termékek azt biztosan tudták, ami rájuk volt írva, de attól jobbat is tudtak. Precízen be voltak hagolova, én ma a csúcskategóriás műszereimmel sem todom sokkal jobban behangolni őket (+5-10%). Egyszóval: Csak az NDK VOLT!!! az "egy igaz és tiszta" ország! A hazai cuccokról annyit, hogy elvileg az alkatrészek tudták, sőt túl is teljesíthették a specifikációt, de nem abban a kapvcsolásban, amiben megépítették az áramköröket...
Dettó ugyan így jártam az UC111-gyel, kicseréltem jó minőségű fekete színjelölésűre, és meglepődve tapasztaltam, hogy sokkal jobban mászott az oszci, mint az eredeti KŐPORC piros színjelölésűvel, így vissza ment bele az, és láss csodát, stabil lett
Heuréka!!! A probléma megodva, hőstabil lett a gépezet. A befűtött fürdőszobában beállított adók AFC nélkül ugyan ott vannak 2 óra után is, mikor kivittem a fütetlen garázsba. Egy a lényeg hogy ebben a rádióban már semmi sem eredeti
Sziasztok!
Kaptam egy Vidi 6363s típusú erősítőt. Az a problémám vele, hogy az fm rádiója kritikán aluli. A helyi adókat sehogyan sem lehet rajta behangolni. Egy szalag dipól antennát használtam a 75 ohmos bemeneten.(ugyanezzel az antennával egy Samsung music center hibátlanul működik). Valakinek lenne tippje hogy mi lehet a probléma? Egyáltalán megéri javítani?
Ha nincs semmi baja akkor nem kritikán aluli ne félj, nekem odavágja érzékenységbe a Sony RDS Tuneremet...
FM és FM2 kapcsoló is be van nyomva? A programváltó az OFF állásra van kapcsolva? Az antennát a koax csatlakozó alatti 300 Ohm -os aljzatba kellene csatakoztatni mivel a 75 Ohm-os nem igazán illesztett hozzá, de valamilyen szinten azzal is működnie kell főleg helyi adókkal. Jah és a TAPE 1-es kapcsoló legyen kikapcsolva, mivel az a helyi vétel is egyben, és nagy mértékben csökkenti a tuner érzékenységét ha be van kapcsolva. Üdv: Laci
Kapcsolók a megfelelő állásban. kipróbáltam a 300 ohmos aljzatban is, és ugyanaz az eredmény. Nagy nehezen egy szabadkai adó bejön, de szegedi semmi. pedig Szeged közelebb van (kb 20 km).
Ha az FM kapcsolókat kicsit megmozgatod nem kel életre?
+15V-os tápfesz megvan? (Legkönnyebben a tápnál (a trafó mögötti panel) balról a 2. kivezetésen (sárga vezeték általában) vagy az FM modul melletti 100µF-os ELKO-nál tudod megmérni. Hangolófesz megvan rendesen? (A programváltó hátulján középtájékon van egy piros vezeték (az FM modul 1-es lába van odakötve) ott +11V-nak meg kell lennie. Az antenna csatlakozása a modulba (a 3 tüskéről) nincs leszakadva véletlen? |
Bejelentkezés
Hirdetés |





). Az lenne a kérdésem, hogy hol kezdjem el az egészet? 




