Fórum témák

» Több friss téma
Fórum » LM1036 sztereo hangszínszabályzó áramkör
Lapozás: OK   47 / 91
(#) feccus hozzászólása Dec 4, 2011 /
 
Sziasztok!

Tud valaki esetleg valami jó megoldást arra hogy az LM1036-al megépített hangszínszabályzónak a volume részét hogyan lehetne megoldani infra távirányítóval való kezelésére?
(#) Beradan válasza feccus hozzászólására (») Dec 5, 2011 /
 
Szia!

Egyik jó megoldás valamilyen kereső használata, pl. Google. Google: Link
Három véletlenszerűen kiragadott link a találatok közül:
1: Link
2: Link
3:Bővebben: Link
(#) Death01 hozzászólása Dec 6, 2011 /
 
Üdv.
Ismét lenne egy olyan kérdésem,hogy megvettem a kondikat,de kerámia kondikat vettem és utána olvasgattam az itt írtakat h érdemes fóliakondikat használni,na és h ez mennyiben befolyásolja a működést?
Ja és még az is h nem 47kohm-os potikat katam hanem 50kohm osokat.Ez baj?
(#) reloop válasza Death01 hozzászólására (») Dec 6, 2011 /
 
Szia! Sem a kondi, sem a poti eltérése nem jelentős.
(#) feccus válasza Beradan hozzászólására (») Dec 6, 2011 /
 
Én "A potméterek helyett ha infra távirányító vevőjét kapcsoljuk, akkor máris a fotelből lehet a hangerőt, hangszínt szabályozni." erre a megoldásra hajlanék BSS elektronikából, csak azt nemtudom hogyan kéne megvalósítani.
(#) Death01 válasza reloop hozzászólására (») Dec 6, 2011 /
 
köszönet a válaszért!
(#) Beradan válasza feccus hozzászólására (») Dec 8, 2011 /
 
Szerintem, ha megnézted volna azt a három hivatkozást amit belinkeltem, a másodiknál már megtaláltad volna a most feltett kérdésedre a választ.
Akkor mégegyszer: Link
A felső kép bal oldalán lefelé, "analog 1, analog2, analog3, analog4" jelek azok amit a potméterek helyett kell bekötni.
(#) feccus válasza Beradan hozzászólására (») Dec 8, 2011 /
 
Köszönöm.és elnézést a figyelmetlenségemért.
(#) storm hozzászólása Dec 17, 2011 /
 
Sziasztok!
Miért lehet az, hogy a gyári kapcsolás van összerakva, tehát a potik a 17-es lábról kapnak 5,6V-ot, és a hangerőszabályzás 4,16V körülig jó, aztán elkezd elhalkulni ha még fentebb tekerem, viszont a feszültség rendesen megy tovább. A membrán is ugrik eggyet ilyenkor. Miért lehet ez? Tápfesz stabil 12V 7812-vel, az IC előtt műv erősítő van, de ha kiveszem is megmarad ez a jelenség.
(#) nagysasy hozzászólása Dec 18, 2011 /
 
Sziasztok !
Bekerült a hangszín a Pa300-ba és most olyan gondom van vele, hogy eddig sokkal nagyobb hangerőn szólalt meg a végfok mint mikor nem volt benne a hangszín. Mi lehet vele a gond?
(#) storm válasza (Felhasználó 13571) hozzászólására (») Dec 18, 2011 /
 
Köszi a választ, akkor kipróbálom 1 másikkal.
(#) storm válasza (Felhasználó 13571) hozzászólására (») Dec 18, 2011 /
 
A hibajelenség továbbra is fennáll
(#) reloop válasza storm hozzászólására (») Dec 18, 2011 /
 
Szia!
IC hibának néz ki. A biztonság kedvéért - ha még nem tetted volna - cseréld meg a hangerő potiját egy másikkal.
(#) storm válasza reloop hozzászólására (») Dec 18, 2011 /
 
Cseréltem kicsatoló kondit potit, sőt még IC-t is, a mélyeket magasakat vágja a balansz is úgyahogy működik, viszont a hangerőszabályzás nem akar működni.
(#) reloop válasza storm hozzászólására (») Dec 18, 2011 /
 
A következő tipp: átvezetés a 12-13 lábak között.
(#) storm válasza reloop hozzászólására (») Dec 18, 2011 /
 
Megmértem műszerrel, de semmiféle átvezetés nincs a lábak között.
(#) reloop válasza storm hozzászólására (») Dec 18, 2011 /
 
A műszer nem mindig mutatja ki. A gyanta/folyatószer maradványában lévő szennyeződés szokott ilyen tréfát űzni. Közvetlen a 12-es lábon mérted a feszültséget?
(#) storm válasza reloop hozzászólására (») Dec 18, 2011 /
 
A 12-es lábra forrasztottam 1 vékony vezetéket, és ott mértem.
(#) reloop válasza storm hozzászólására (») Dec 18, 2011 /
 
A kimeneteken mennyi a DC és mit változik amikor koppan?
(#) storm válasza reloop hozzászólására (») Dec 18, 2011 /
 
Ha jól mértem, akkor 456mV körül.
(#) reloop válasza storm hozzászólására (») Dec 18, 2011 /
 
Ott fél tápnak kéne lenni. Bemeneti csatoló kondi?
(#) storm válasza reloop hozzászólására (») Dec 18, 2011 /
 
Tényleg annak kéne lennie, viszont itt ugyan az a 400mV körüli feszültség van Azthiszem marad az íves megoldás...
(#) reloop válasza storm hozzászólására (») Dec 18, 2011 /
 
Azért előtte nézd meg, hátha már a bemenet van testre húzva.
(#) storm válasza reloop hozzászólására (») Dec 18, 2011 /
 
Hidd el már mindent kipróbáltam, ha CSAK a gyári kapcsolás kerül 1 nyákra akkor működik. Ha teszek mellé bármit mindíg ez a hibajelenség jön elő.
(#) (Felhasználó 5823) hozzászólása Dec 19, 2011 /
 
Sziasztok!

Volt szerencséma Vaterán egy rakat sosem működött Urbán féle KIT-et megvenni. A gazda megvette,a lehető leggyorsabban minden odafigyelés nélkül összerakta és nem működött. Mivel jó néhány Urbán féle projekt volt benne (és azokból is több darab) valami kis pénzért megvettem. Nem is foglalkoztam vele addig, míg bele nem olvastam a topikba. Akkor neki álltam és életet leheltem belé. Rengeteg ónhíd és már a próbálkozás (gondolom) miatt elszállt előerősítő IC cseréje után tökéletesen működik!

Egyetlen zavaró dolog a bekapcsoláskor jelentkező csippanás! Ami igaz, különböző végfokok, másképp reagálnak a hatalmas mély jelszintre amit így produkál. De ez a mély potencióméter megfelelő beállításával kompenzálható! Megjegyzem MP3 lejátszóról hajtom bekapcsolt Xbass-al ami nem kevés mélyet nyom ki, ez még erősítve van a sokszorosára, amit néhány végfok nem tud elviselni! 4-5 féle erősítővel probáltam a Yamaha és a Videoton közép hangszín állásban szépen bírta a dolgot, de az olcsó kínai házimozi szetek, teljesen levett hagszínnel is szörnyen torzítottak! De hát a kapcsolás nem is erre való! Tehát a kapcsolás működő képes, a topikban található sok lehúzás jórésze az építés milyenségéből fakad! Ez a dolog nem csak erre, hanem bármely más áramkörre is igaz!

A tápfesz 12V amit egy Rohde&Schwarz labortáp biztosított.

Leiszt Jani
(#) feccus hozzászólása Dec 20, 2011 /
 
Sziasztok!

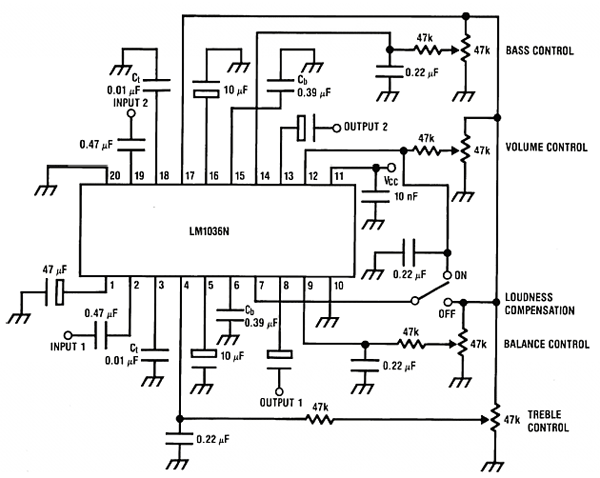
Azt szeretném tőletek kérdezni,hogy az alábbi kapcsolásnál a potméterek lábait hogyan kell bekötni?

Köszönöm.
(#) poros válasza feccus hozzászólására (») Dec 20, 2011 /
 
(#) feccus válasza poros hozzászólására (») Dec 20, 2011 /
 
Köszönöm.
(#) Death01 hozzászólása Dec 20, 2011 /
 
Üdv.
Ha 0,39µF-os kondit nem kaptam,akkor a 0,47µF kondi jó helyette?
Vagy mit ajánlotok?
Választ előre is köszönöm.
(#) feccus hozzászólása Dec 20, 2011 /
 
Sziasztok!
Megépítettem az előbbiekben általam már említett kapcsolást,de sajnos valamiért nem akar rendesen működni. A hangszínek valamennyire érzékelhetők,viszont a hangerő része teljesen meg van bolondulva,a volume számskála 1-től 10-ig van nálam. 6-ig nagyon halkan szól,7-től pedig hirtelen nagyon hangos és torz lesz. Próbáltam úgy hogy +12V és a Gnd-t az erősítő közös Gnd-jére kötöm,így csak zúg,ha viszont a táp +12V és a Gnd-t a negatívra kötöm akkor az előbbiekben leírtakat produkálja és kikapcsolásnál koppan egy jó nagyot. Mi lehet a gond?
Következő: »»   47 / 91
Bejelentkezés

Belépés

Hirdetés
XDT.hu
Az oldalon sütiket használunk a helyes működéshez. Bővebb információt az adatvédelmi szabályzatban olvashatsz. Megértettem