Fórum témák
» Több friss téma |
Fórum » Kapunyitás gombnyomásra olcsón! - avagy automata kapu házilag
Témaindító: szabi83, idő: Feb 2, 2006
Az ilyen áramméréssel csak az a probléma, hogy mire érzékeli az akadályt, már rég 100.000-es a kár, főleg, ha súlyos a kapu.
Amit én ajánlottam sala-nak is csak fél megoldás, de esetébe pont megfelelő lenne, a lényeg, hogy parkoló verdára ne csukódjon az automata kapu, arra meg pont jó. Üdv
A nyitás pillanatában villogni kezd a lámpa; és villogva marad a fél perc lejáratáig; amikor is megkezdi a visszacsukást. Ezt hogyan lehetne tovább variálni? (ez a verzió a kapuszárnyon levő infra párra vonatkozik vagy az én mozgásérzékelős verziómra?)
Akkor ez a megoldás nem jó ehhez a vezérléshez.
Akkor lenne jó, ha nyitás után abbahagyja és csak akkor kezd el villogni, ha elindul a visszacsukás. (a kapuszárnyra szerelt infrára gondoltam volna)
Rakj keresztbe is egy érzékelő párt ,csak arra vigyázz nehogy az illetéktelen vevő is láthassa.
Valami más kapcsolási ötleted van erre a megoldásra?
Egy szomorú dolog van ebben az egész érzékelősdiben,sajnos ha az ember nem tart be bizonyos szabályokat mindig előfordulhat baleset.Vagy rengeteg ponton ,különböző magasságban elhelyezett ,a kapu állásától függően ki/be kapcsolgató infrára lenne szükség ,vagy egy kamerára ,amin el van tárolva a kapu környéke ,és ha valami nem oda való van ,akkor nem engedi nyílni/csukódni a kaput.(így akár egy alvó macska miatt sem enged be.) Más kérdés hogy így egy csukódásban lévő kapura vagy leáll (mert maga a kapu helyidegen) vagy nem véd meg a még beférek ,bassz... pont nem fértem be balesetektől.(tapasztalataim szerint magas a próbálkozók száma. )
Egy dolgot tehetsz ,az illetéktelen helyen megnehezíted a "velorex " tárolását.(pl a kapu mellett egy egyszerű kis kerítéssel/virágokkal, ami már nem teszi olyan csábítóvá a helyet,a kapu anyagát a lehető legpuhábbra ,élektől mentesre választod ÉS jól beállított kuplungot /leállítót tervezel bele.(a kapu közé szorult ujjat sem volna szabad eltörnie) Így az autók fényezésében okoz maximum kárt ,de aki ott állt meg az megérdemli.
Lehet, hogy egyszerűbb mágneszárral, de egyrészt nem találok olyan mágneszárat mely akkorát húz ami nekem szükséges:azaz kb. 3 centit, másrészt ez egy mutatós és elegáns változat. Amiért feltettem itt ezt a kérést, hogy nagyon hasonlít az eset egy kapuszárny kinyitásához és becsukásához melyet egyenáramú motorral hajtanak meg, viszont akárhogy böngésztem a fórumot sehol nem találtam a vezérlésre utaló kapcsolási leírást.
Hello!
Az az 5kohm-os ellenállás nem egy potméter véletlenül, amin a szerkezet pozícióját lehet érzékelni? Vagy van végállás kapcsolója? (Nem ismerem) üdv! proli007
Hello!
Lehet ezt nem találod "egyszerűnek", de szerintem megoldja a vezérlést. - Bekapcsoláskor a 4017 "Stop" állapotban vár. - Ha megnyomod a START nyomógombot, elkezdődik a zár nyitása. ("Open") Ezt vagy a nyitott véghelyzet elérése, vagy a nyitási idő letelte állítja le. (az időzítés csak biztonság) - Következik a várakozás "Pause". Ha ez letelt, kezdődik a zárás "Close". Ezt a parancsot, szintén a zárt véghelyzet, vagy a biztonsági késleltetés fogja törölni. - Ismét "Stop" alaphelyzetbe áll í kapcsolás. A motor tengelye forgatja a P1 "POS" potit. Ez jelzi a zár helyzetét. A nyitott és zárt véghelyzetet, a P2 és P3 potival lehet beállítani, 0..50 ill. 50..100% helyzethez. A végállás bekövetkezését, az U1a és U1b komparátor érzékeli. Ha a megfelelő végállásba kerül a hajtás, akkor R11-en keresztül a késleltetési idő azonnal letelik. Erre a számláló a következő ütemre lép. A nyitási időzítést R7-el, a várakozást R8-al, a zárást R9-el lehet beállítani. Az ellenállások célszerű értéke 10..220kohm között van. Ha az idő nem esik be ebbe a tartományba, akkor C4-et lehet cserélni megfelelő értékűre. (Az időzítés közelítő értékei.. Open=R7*C4, Pause=R8*C4*0,7 Close=R9*C4*0,7 [sec]) D1 villogó jelzést ad, a zár működése alatt.. Én szokásom szerint természetesen meg nem építettem, csak lerajzoltam. Ha másnak nem ötletadónak-gondolatébresztőnek a kapcsolás biztos megfelelő lesz. üdv! proli007
Üdv mindenkinek!
Több éve terveztem már, hogy a meglévő kaput automatizálom. Az akkori terv szerint autómatizált tolókapuvá alakítottam volna a kétszárnyú nyíló kaput. Ezt már feleslegesnek tartom,mert van hely a szárnyaknak. A forumot (éjjel) végigolvasva csak összezavarodtam, mert itt volt már szó felhúzható garázskapuról, tolókapuról, sőt még keresztben parkoló velorexről is, mindez rengeteg kapcsolással és ötlettel vegyítve. Találtam itt a fórumban egy vezérlést amit nagy hoho készített és többen is utánépítették, nekem is tetszik. Ezt szeretném alkalmazni. A tervem egy távvezérelt kétszárnyú nyíló kapu, 2 távvezérlővel, végállás kapcsolókkal és (vagy) időzítővel egy villogóval kiegészítve ami akár led-es is lehet A mechanika nem okoz gondoz. A javasolt 433Mhz-es adó-vevő modul pároson kívül találtam még 868Mhz-est nem tudom mi a tapasztalatok vele. Szóval szeretném a segítségeteket kérni a fent említettek összehozásában, nagy hoho vezérlését szeretném alkalmazni egy vevővel két adóval, 2db 12v ablaktörlő motorral, forgásirányváltással és egy villogóval. Kérem akinek van tapasztalata ilyen téren kérem segítsen. Amit találtam: bevállhat? bevállhat? Előre is köszönöm.
Ez a kapcsolás a hohoho kapcsolása én is ezzel kezdtem.
Nekem már a kezdeteknél gondom volt az interferenciákkal. A 4017 bemenete nagyon érzékeny freki ingadozásra és mivel én kis tömör panelt terveztem hozzá , valamint egy kondi lába közel volt a 4017 impulzus lábához ezért minden kis "szarra" ugrott egyet. Persze ez egy szellősebb paneltervvel küszöbölhető. Az én kapumhoz csináltam egy avr attiny vel egy programozott nyitogatót így ha akarom akkor még változtatni is tudom a progit. Egyszerűbb is és ha stabilizálod az 5 voltot az avrnek akkor igen üzembiztos. Már több mint egy éve megy zakkanás nélkül. A mechanikához 12v os lada ablaktörlő motorokat vezérlek 24 voltal és 4 amperrel. simán bírják arra a rövid időre amíg kinyit-becsuk.
Mobil telóval egyszerűbb. Csinálsz egy fényérzékelős kapcsolást ami figyeli a mobil teló kijelzőjének fényét majd kapcsol egy tetszőleges relét. Aztán a mobilt bekorlátozod arra a számra miről hívni akarod és szinte készen is vagy.
Szia!
Én ezt csináltam meg: http://www.hobbielektronika.hu/kapcsolasok/kapunyitas_gombnyomasra_...j.html Az általad választott karaktersorozattal működik. Bonca
Szia!
Ezt a vevőt ismeritek : RXD4140 ? A Profitech-nél kapható, de rájuk kell telefonálni. A vevőhöz jár egy 4 csatornás adó is nettó 3500Ft-ért, netto 1600ft egy plusz adó hozzá, de érdemes kettőt venni, így mindenkinek lehet saját távvezérlője Már 4 éve ezeket építem a kapuvezérlőimbe, de semmi gond nincs velük. Könnyű lekezelni, mert 4 kimenete van. Kb 70-100 méter a távolság amit tud az adó.
Szia!Mindenkinek!!!
Lene egy kérésem.Bedöglött a kapunyito elektronikám/RIB DE11/hol tudom javittatni,vagy hol tudok venni.Ha valaki tudja,légyszi irja meg nekem. Elöre is köszönöm!
Sziasztok,
van egy ismeretlen márkájú garázskapum, ami egy áramszünet után elfelejtette a távirányító kódját. Tudnátok segíteni, hogy taníthatnám újra? Az elektronikát körbevevő műanyagon ennyi áll: BFV Van rajta 3 gomb: up, down, set. Az up, down-ra fel-le megy a kapu, ha a set-et nyomom semmi sem történik. Ha hosszan nyomom, villog egy radio feliratú led, de hiába nyomkodom a táv-ot, nem tanulja meg. Bármilyen segítséget szívesen fogadok, akár másik totyikba irányítást is. Köszönöm!
Hello! Egy kész RF adóvevőről van szó Bővebben: Link Az a gond vele hogy a kaput csak addig nyitsa amíg tratva nyomod a gombot, de nemlehet átalakítani hogy egyszer kelljen lenyomni? Gondoltam egy tároló IC re ami pl a nyomógomboknál van.
Igen ugrókódos. Egyszer szétszedtem mert elromlott a gombja, azt kicseréltem és akkor megnéztem az IC-t is.
Szia!
Nagy hoho kapcsolásához megvan még esetleg a nyákrajzod bármilyen formátumban? Vagy bárkinek?
Hello!
Lassan összeáll a távirányitós kapu hozzávalói. Azt nem tudom hogy hogyan lehet kiszámitani hogy milyen szöget nyit a motor?
Itt a téma elején láttam számító programot
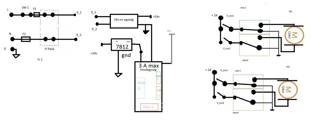
Milyen programról van szó? Miről beszélsz? Közbe kiderült hogy 1 jumper-rel lehet átállitani hogy a távirányitós modul addig tartsa behuzva a relét amig egy vegallas kapcsolo bele nem szól. A vevőegység max áramerőssége 3A. Készitettem egy rajzot is. A 24v os táp hozzá volt mellékelve motorokhoz.
Valakinek valami ötlet? Több infó kéne, vagy ne itt kérdezősködjek? Mit lehet vele kezdeni?
Van itt a témában egy program amivel a motor és a kapu méretei a nyitási szög alapján ki lehet számolni az optimális felrögzítési távolságot . Én kis naív azt hittem ilyesmit keresel
Jó hogy meg nem ettél mert segíteni akartam. Szabi1 írta: Milyen programról van szó? Miről beszélsz?
Hát jobban szeretném én kiszámolni
De ha megvan a program linkeld be mert nem találom. |
Bejelentkezés
Hirdetés |






Már 4 éve ezeket építem a kapuvezérlőimbe, de semmi gond nincs velük. Könnyű lekezelni, mert 4 kimenete van. Kb 70-100 méter a távolság amit tud az adó. 
De ha megvan a program linkeld be mert nem találom. 