Fórum témák
» Több friss téma |
Mielőtt kérdezel, a következő két dolgot ellenőrizd!
I. A helyes tápfeszültségek megléte.
II. A kimeneten van-e egyenfeszültség.
Élesztés.
Szerintem az egyik legegyszerűbb és legjobb modja a kimérésnek ha multiméterrel a B-E,B-C nyitofeszültségét megméred.
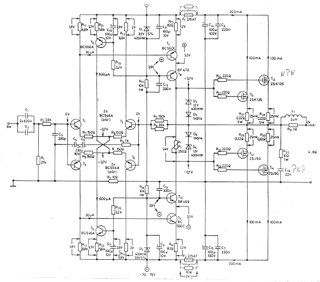
AZ LENNE A KÉRDÉSEM, HOGY ÉPÍTETT-E VALAKI ERŐSÍTŐT ENNEK A RAJZNAK ALAPJÁN?
JÓ LENNE HA MEGOSZTANÁ TAPASZTALATAIT.
Szia
Én nem épitetem még meg, de mindenképen meg akkarom.Az egyik Sipos Gyula könyvben a leirást is megtalálni ha érdekel szolj.
Engem érdekel
A könyvet amiben megtalálható a kapcsolás feltetem.Feldaraboltam Total Commanderben, fájl egyesítés segítségével ujra egyé varázsolhatja akit érdekel + csatolom a programot amivel meg lehet nyitni.
Itt a program amivel meg lehet nyitni.
Én is onnan szedtem, szemezek vele jó pár éve, de nem kispályás lehet az biztos! egyszer találkoztam Szolnokon egy öreg szakival, aki megépítette. Azt mondta "ilyet még nem hallott, állati jól szól! A végtranyókat viszont nehéz lessz beszerezni sztem.
Hq videoban kapsz helyetősítőt de baromi drágák.Egyik haver egy hibridbe vett helyetesőt de a 4db 12 000Ft volt.Aszem BUZ901-905 (ezek is TO-3-sok) párost ajánla a hq video.
Tehát 2 pár BUZ 12rugó? Ez veszett húzós! Stereoban az már 24eft, csak a vég/ez a vég/!! :eek2: Az IRF-ekkel nem lehet helyettesíteni? (nem tudom azok J-FET-ek-e?)
Nem hiszem, hogy lehet IRFkel mert ezek a 2sk-s fetek kimondotan audio célra gyártot fetek voltak ezért kevés darabot gyártotak (Hitachi gyártota őket) és méregdrágák voltak de szerintem ezért drágák a helyetesítők is.Meg ha helyetesíted is IRF-kel akkor hangja már biztos nem olyan lesz.De ha tényleg olyan jo hangu erősítő akkor megéri szerintem.Hova valosi vagy?
Azt tudom hogy Hitachi gyártmány, más kapcsolásban is láttam már, talán Urbán is használta régebben ha jól emlékszem de lecserélte beszerzési gondok miatt. Monorierdő-n lakom.
Idézet: „Gery, ha a mamád Pesten jár, a Meteloglobus-nál lehet venni alu" L idomokat"” Szamóca, milyen árban vannal az alu lemezek a Metalloglobusnál? Meg milyen az eladótér, körbe lehet nézegetni, hogy miket lehet kapni? Írtam nekik, hogy kérek árlistát, de nem válaszoltak.
Üdv megint!
Már kész a panel, és a 0,5W-os ellenállások és a diodák már be vannak forrasztva. Ráadásul fater hozott haza 3mm vastag és elég nagy alu lemezt szal az L-idom probléma asszem megoldva. A leírásban megemlíti hogy használjak szigetelő csillámot. Magyarul a tranzisztorokat szigeteljem el az L-idomtól?
Igen feltétlenül! csillám és szigetelőgyűrű/K/! multival ellenőrizd . ellenkező esetben elszállnak a tranyók.
Az eladótér külön van a pénztáraktól . Megnézhetsz mindent hűtőborda idomok 4m -es szálakban vannak.
kérésre levágják méretre. kg/HUF-ra adják de az nagyon méretfüggő hogy mit-mennyiért. Pesten több helyen is van üzlet-raktáruk.
Köszönöm!
Elmegyek valamikor körülnézni.
Nincs mit.Érdemes.
És vmi házilag készített szigetelőt lehet csinálni valamiből??
Hát én pl olyat láttam (monitor alaplapokban), hogy a tranyók/fetek alatt nem az a szokványos csillám van, hanem csak egy sima átlátszó műanyag lapka! Lehet, hogy nem egy mezei műanyag volt, de első ránézésre olyan volt, mint egy írásvetítő fólia. Persze mind a két oldala bekenve hővezetőpasztával.
Amúgy filléres dolog, de kereshetsz valami vékony műanyagot, amiből tudsz vágni méretes lapocskákat! :yes: Peti.
az nem sima müa... az rendes szigetelő anyag..
gery sztem várj hétfőig
Ne gányolj. Fontos a szigetelő anyag hőtűrése és hővezető képessége is!
Oké!
Én csak azt hittem, hogy az csak egy sima átlátszó lemez...
Igen az Urbán is használta ezeket a Hitachi gyártmányokat csak aztán emiatt drága lett az egycségcsomag, éshát jobban eltudta adni az olcsobb IRF-kel a csomgajait.
OKé nemis a pénz a lényeg most mert gondoltam hogy nem egetverően dága, csak akkor a hétvégén már be nemüzemelem nyilván...
Ja igen amit még észrevettem: A bemeneten a baloldali az árnyék a joboldali a pozitív igaz?
Gery feltétlen vegyél szilikonzsírt (pasztát) és a csillámszigetelő mindkét oldalát kend be vele. Nem kell sok úgy is kinyomja maga alól ha lehúzatod. A furatok sorját is szed le mert kilyukaszthatja a csillámot. És add meg a tranyó tokozását /TO-3:TO-220/ahoz adják a csillámot + a szigetelő gyűrűt .
Szigetelő pasztám van, mert már csináltam erősítőt (pl tda7294) csak az is mono volt.
Egyébként ez a tokozás tipus amit írtál ez csak a végtranyó?? Mert gondolom a másik 3 tranyó alá is kell venni nem?
Amit felszerelsz a hűtőidomra mindet szigeteld el! :yes:
Ezek csak példák voltak a tokozásokra. hirtelen csak ezt tudtam összekaparni azonosításra, de majd körülnézek.
Jah igen hővezető paszta, sorry
De szigetelést a másik 3 tranyó alá is kell venni? |
Bejelentkezés
Hirdetés |




JÓ LENNE HA MEGOSZTANÁ TAPASZTALATAIT.







