Fórum témák
» Több friss téma |
Fórum » Ki mit épített?
Ez a téma ha úgy tetszik a mi "kiállítótermünk", nem pedig a ki mit csinált volna másképpen, mások helyett, és legfőképpen nem javítós téma.
Minden készüléknek van saját témája, ott kell kitárgyalni a részleteket!
FONTOS! A kapcsolási rajzok keresésére is van saját téma, ott keressetek rajzokat!
Szép lett. Feliratozni egyenlőre felesleges. Majd csak ha Alcheimer bácsi fenyeget ráérsz akkor is.
Lehet az már későn lesz, elfelejtem hogy mit kellene ráírni
![]() Egyébként köszi.
Az nem baj, ha elfelejted mit kell ráírni, csak ne felejtsd el tőlünk megkérdezni előtte.
Süllyesztett fejű csavarral szebb lett volna nem? De így is szép lett!
Félig ez is be van süllyesztve, inkább csak a domború része lóg ki az előlapból, meg ez TorX fejű, nekem ez tettszett, meg ez volt itthon ami normálisnak mondható.
Ha kezd elmenni az eszem mindenféleképp először megkérdezlek benneteket hogy mire is való ez a szerkezet. Netalán hajsütő vas?
Elkészült az ablakdíszem! http://www.youtube.com/watch?v=YymwGUJeaWs&context=C318e460ADOEgsTo...j253is
Boldog karácsonyt mindenkinek!
Ötágú nagy vörös csillag?
Neked is Boldogat! És mindenkinek, aki ezt olvassa
Nagyon szép lett, és rengeteg animáció van benne Grat
Nagyon szép és ötletes!
Köszönöm. Ettől még sokkal több de ne kérdezd mennyi!
Ez pont az ablakba való, gratula! :yes:
Mennyi animáció van benne?
Békés ünnepet neked is. Az ajándék lemaradt.
Hoppá csak türelmetlen voltam és már itt is van. Jó lett
Nekem tetszik de az öt ágú csillag önkényuralmi jelkép, az ablakba ne tedd ki mert jön az ÁVÓ
Searchtool right.svg Bővebben: Önkényuralmi jelkép használata Magyarországon A Büntető Törvénykönyv önkényuralmi jelképnek tekinti a következőket: horogkereszt, nyilaskereszt, SS-jelvény, sarló és kalapács, ötágú vöröscsillag,
Volt egy kis hiba
pótoltam
Észre vettem közben.
Belsejéről nincs képed?
Am jó lett nagyon !
Az Amerikaiak is használták az ötágú csillagot pl a harckocsikon a második világ háborúban csak az fehér volt nem vörös.
Egy ilyennel a Parlament előtt kivégezne az első rendőr?
Elkészültem a vicsys féle dobókockával az első pic projekt ként hát nem volt vele könnyű dolgom de meg érte.. smd pic van benne azért van az a csúnya átalakító
Sziasztok!Mivel karácsony van és év vége ezért újra szabadságon vagyok és végre a legkedveltebb hobbimnak szánom a szabadidőm!
Íme néhány kép. üdv. Békés boldog karácsony kívánok minden kedves fórumtársnak és családjának! karesz01 :awink:
Üdv mindenkinek!
Tegnap hajnalba egy kicsit belehúztam és a Nelson Pas F5 egy kicsit közelebb került az indításhoz.Bővebben: Link Bővebben: Link
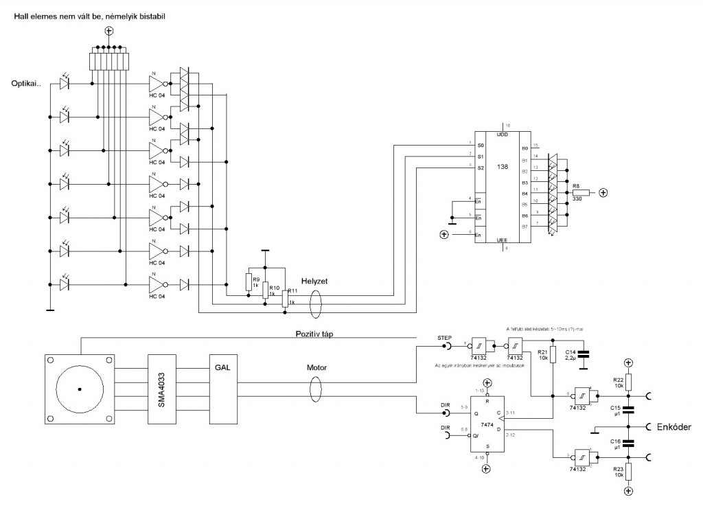
Üdv! Készült egy antennaforgató. A platnit közvetlenül egy léptetőmotor mozgatja. A platnin van egy LED, ami az alatta levő nyolc fotodióda egyikét világítja meg, amit a diódás elrendezés 3 vezetékre kódolja. A beltéri egységben egy dekóder működik 3-ról 8-ra, ami a LED-eken az antenna helyzetét mutatja 180 fokon. A beltériben az antennát egy enkóderrel lehet forgatni, amiből az irány és lépés jeleket kikerülnek a motorvezérlő elektronikának, ami egy GAL, és négy darlington. A két egység egy UTP kábellel van összekötve.
Üdv:A napokban építettem egy (TDA 8560Q) típusú IC-s erősítőt, mely 2x40w/(2ohm) vagy 2x25w/(4ohm) teljesítményű. Nagyon szépen szól ajánlom autóba vagy akár házi használatra is!
|
Bejelentkezés
Hirdetés |





Neked is Boldogat! És mindenkinek, aki ezt olvassa

Hoppá csak türelmetlen voltam és már itt is van. Jó lett 













