Fórum témák
» Több friss téma |
Na az oké, de ahhoz le kell tekernem az egészet, ki kell számolni a menetet és kézzel visszatekerni, mert még ha volna se nagyon lehetne tekercselővel. Esetleg valaki nem vállalná el?
Nem férsz hozzá a tekercshez felülről?
Most hogy így belegondolok, valószínűleg igen, hozzáférek. De elég szimplán az ott található valamelyik, nagyjából betájolt vezetékre ráforrasztani egy kábelt? És a 42V -os "főágból" lenne a 0? Amúgy nem sikerült a képedet megnyitni, a mérete is 0B.
Leírnád pontosan, részletesen, hogy is kell egy ilyen műveletet elvégezni, a legelejétől a legvédéig?
Értelem szerűen kell végezni. Óvatosan feltárni a meneteket, mintha műtétet végeznél. Úgy kell csinálni, hogy ne sértsd meg a teketcselőhuzalt véletlenül. Kapard le a szigetelést a huzalról azon a részen, ahol a csapolást szeretnéd csinálni és mérj feszültséget a feltárt rész és a meglévő kivezetés között. Ha jó az érték, akkor forrassz megfelelően nagy teljesítményű pákával egy vezetéket a lepucolt tekercselőhuzalra. Ha rossz helyen végezted a szigetelés eltávolítását, akkor sincs baj, mert nitrolakkal vagy pillanatragasztóval helyre lehet állítani a tekercsszigetelést.
És mennyi arra a valószínűség, hogy én pont (vagy nagyon közel) a keresett értéket az elérhető, fölső "rétegben találom? A külső réteg az mind a szekunderhez tartozik? Hogy lehet kiszámolni, hogy kb. hol van a keresett feszültség? Az emített módszereken kívül hogy lehet még visszaszigetelni tartósan a vezetéket?
Tudod mit, inkább ne csinálj semmi ilyet, mert még bajod esik.
Sziasztok!
Szeretnék 32Voltos feszültségből 28Voltot csinálni, a minimális áram 2,8Amper. Van valakinek ötlete? Köszi
Pl. LM2576-ADJ
Gondolom maximális áramot akartál írni.Kapcsolás és számolás benne van az adatlapban.
Hello!
Tud adni valaki egy kapcsolást, hogy 24-vból +- 24v-ot tudjak csinálni?
Helló!
A kérdésem ez lenne: hány wattos ellenállás kéne, hogy, hogy 240V-ból 14V 1Ampert tudjak csinálni?
226 W -os. De talán transzformátor esetleg kisegíthetne, mindössze egy 15 W -os 230/14 V -os kellene. Az mégse egy rezsó.
Ok, csak számolgatom az elméletet. Bár, ha télen nagyon fázom, lehet, majd így fogom üzemeltetni a LED-es világítást. Tudod, azért kellenek LED-ek, hogy ne legyen magas a villanyszámla
Szia!
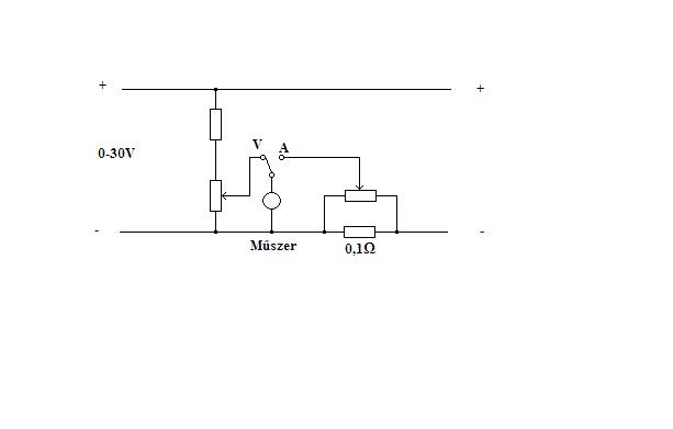
:help: Van egy digitális műszerem Voltot és Ampert is mér! Készitek egy tápegységet és abba akarom belerakni, csak a műszer 0-200mV vagy 0-200mA -ig mér, a táp meg 0-30V és 3A. A műszerhez készítettem egy rajzot, csak az értékeket kellene kitalálni a fesz osztóhoz, meg a sönthöz, mert sajna kezdő vagyok ebben a dolgokban! Köszönöm!!
Üdv.
20V-ból szeretnék 17V-ot csinálni de úgy, hogy olyan 6-8A-t kéne bírnia. Valaki tud segíteni esetleg kapcsolást és pontos adatokat küldeni? Köszönöm
Sokrétű a kérésed. Ilyen kis %-nyi csökkenést lehet, hogy elviselne a táplálandó szerkezet? Lehet, hogy 6-8A terhelésre 18-17V-ra esik le a 20V-os tápfeszültséged? Neked nem feszültség osztó, hanem DC-DC átalakító kell, lehet kapcs. üzemű vagy analóg. Az első két kérdést járd körül, és lehet, nem is kell semmit tenned. Mihez kell?
És akkor a mutatott értéket fejben fogod mindig megszorozni 1,5 el?
Az előtét, és sönt számítása rendben is lenne, de ahhoz a műszert is át kellene skálázni. Ez pedig egy előre elkészített integrált digitális műszernél nem lehetséges. Megoldható a kijelzés 30, 300 méréshatárokkal is, de akkor neked kell az A/D -t, és a kijelzést olyanra készíteni, ez pedig azért nem kezdőnek való feladat.
A 20A és 200V méréshatárhoz méretezett ellenállásokkal jó megoldás lehet, bár ebben az esetben inkább indikálás lenne belőle...
Egy PIC/AVR -el amiben van A/D átalakító, könnyen megoldható a feladat.
Igazad van. De akkor mi legyen a már meglévő digitális műszerrel?
Van egy 20V-os trafóm, meg egy olyan akkumulátortöltő kapcsolásom amihez 17V-os trafó kéne, de mellékelem a rajzot is úgy a biztos.
http://www.bgsf.eoldal.hu/img/original/150/modositott-rajz.jpg
Akkumulátort lehet tölteni kicsit nagyobb feszültséggel is, ha az áram korlátozva van, és folyamatosan ellenőrzés alatt van tartva az akksi feszültsége, akkor baj nem lehet. Kérdezd meg a fórumában, hogy 20V-ról menne-e (szerintem igen).
A 20V az sok neki, hogy lehetne ilyen DC-DC átalakítót csinálni?
Ki mondta neked, hogy 20V sok? És miért sok? Melyik alkatrésznek sok? DC-DC átalakítónak van topicja.
Az akksinak sok szerintem.
Ezzel nem lenne jó? http://t2.gstatic.com/images?q=tbn:ANd9GcS0iYG0tenA4ttsBrDyTtk3klpEfV334hYzxlXU3gzTPdJ4i6DxDtB1hmtHqA
Én a helyedben utána járnék, hogy megfelelő-e a tápfeszültség. 6-8A-rel stabilizálni 17V-ot nem egyszerű feladat, és ebben az esetben 90%, hogy teljesen felesleges is! Az akksira nem a nyers tápfeszültség fog menni, ez biztos. Ennek is van témája, inkább ott kérdezz! Keresőben megtalálod. A linked nem jó ehhez, nagyságrendekkel kisebb áramra alkalmazzák.
Gondolom egy szakember sokáig sorolná miért szentségtörés amit teszek de valamiért működik a 9,6-os fúrógépem autóakksiról. Mostanra állandósítottam ezt az állapotot levágtam az akkumulátorcsatlakozót a markolatról és bekötöttem egy vezetéket szivargyújtó dugóval. Volt amikor egy kb. 1 órát csiszoltam a géppel probléma nélkül. Két éve használom így. Ha valaki elmagyarázná mi a kockázata a megoldásomnak, szívesen tanulnák. Amitől féltem, hogy melegedni fog, az nem következett be. Egyenlőre előnyös a nagyobb teljesítmény miatt!
Ha bírja a motor a nagyobb feszültséget, amit által nagyobb áramot tud felvenni, akkor nem lesz különösebb baja. Arra ügyelj, hogy ne legyen a fúródon folyamatos, nagy mértékű terhelés, mert akkor könnyen leéghet a motor tekercselése.
|
Bejelentkezés
Hirdetés |











