Fórum témák
» Több friss téma |
Mielőtt kérdezel, a következő két dolgot ellenőrizd!
I. A helyes tápfeszültségek megléte.
II. A kimeneten van-e egyenfeszültség.
Élesztés.
A kapcsolasodban feleslegesnek talalom a nem invertalo bemenettel soros 1k-s es az elso fokozatok kimenetevel soros 1.5k ellenallasokat. A 100k log poti is feleslegesen nagy. A nagy erteku ellenallasok, potmeterek zaja is nagyobb a kisebb ertekueknel, ezt nem art eszben tartani ha fontos a jo jel/zaj viszony.
Bocsánatot kérek mindenkitől senkit nem akartam megsérteni igazatok van.
Szevasztok. Új vagyok a fórumon, iskolában műhelyre szeretnék bevinni digitális erősítőt, találtam is egyet, valaki tudna-e segíteni? Ha esetleg nem jó akkor tud-e valaki hasonló egyszerű szerkezetet?
Így hogy az ic invertáló bemenete nullára van kötve, nem értem mitől kéne működnie. AZt féltápra kellene tenni, de szerintem ez mindenképp nagyon gyenge cucc.
Ez csak egy elvi rajz, ne foglalkozz vele.
Ha használható d-osztályút akarsz csinálni, akkor építs UCD-t, vagy Iraudamp 7-est. ITT olvasgass!
Szia!
Teljesen lehalkított állapotban recseg,de folyamatosan csak azóta amióta belefújtam a KONTAKT 60-at (soha többet) Illetve a jobboldal gyengébben szól. Többen javasolták a műszer olajat a potiba és gondolom a balance-ba is és akkor valszeg jó lesz,de én nem akarok foglalkozni már vele. Vennem kéne fecskendőt+ injekciós tűt meg,m.olajat,de nekem erre mostanában nincs időm és kedves se. Úgy néz ki,hogy jövőhéten eladom,de ha nem kell senkinek akkor se fogom használni mert nagyobbra váltok. Egyébként meg nagyon pofás mutatós darab,igazán szép nekem,nagyon tetszik. Köszönöm a kérdésedet. Üdvözlettel:István
Ha impulzus-szelesseg modulacioval mukodo D osztalyu vegfokrol van szo akkor a digitalis elnevezes helytelen ugyanis ezek a vegerositok nem tekinthetok digitalis eszkozoknek! A vezerlojel nem digitalizalt, az impulzus szelesseg modulacio idoben folytonos, es az impulzus szelessegek nem csak diszkret idoertekeket vehetnek fel, hanem barmilyen erteket a modulalo analog jel fuggvenyeben.
Az információ átvitel szempontjából valóban nem digitális, de a működése szempontjából az, és ragyogóan feldolgozhatók digitális áramkörökkel. Például a végfok, egy "egyszerű" logikai inverter. Az amplitúdó ugyanis csak diszkrét értékeket vehet fel, bár nem ez hordozza az információt. Persze lehet ezen sokat vitázni, de nem érdemes. A végfok problémák zöme is az analóg megközelítésből adódnak.
Idézet: „Persze lehet ezen sokat vitázni, de nem érdemes.” Szerintem ezen nem lehet sokat vitazni mert ez egyertelmu. Analog jelfeldolgozas van a D osztalyu erositokon belul ezert lenyegtelen, hogy milyen kulso aramkorokkel lehet feldolgozni az erositon belul barmilyen ponton talalhato jelet. Nem ez utobbi hatarozza meg egy aramkorrol, hogy az analog vagy digitalis.
Elég baj, hogy neked egyértelmű, mert egyáltalán nem az. Én 1964 -ben építettem PWM -es erősítőt a munkahelyemen digitális áramkörökből, mert az volt.
Egyébként analóg áramkörben mit keres komparátor. Nem szeretek hivatkozni a net. -re, ahogy látom előttem megtették. Az erősítőn belül a jelfeldolgozás digitális áramkörökkel történik, pont ez az előnye az analóg feldolgozással szemben. Amúgy a nagyhírű Texas is digitális erősítőknek nevezi a D osztályú erősítőit. A továbbiakban nem is kívánok vitázni róla, aki nem hiszi, kínlódjon tovább az analóg beállításokkal.
Kicsit beleolvastam abba az átlagemberes cikkbe.
Rémes.. Még jó hogy csak a jó oldalát hangsúlyozták ki, mert ez a pwm dolog hangra annyira rossz, hogy mély ládák hajtásán kívül másra nem is tudnám elképzelni... ![]() (minőségi zenehallgatásra legalább is semmiképpen...) A DDC ha már 20felett van,az bőven ideális Szerencse, hogy nem mindenki látja úgy mint ez az "okos tojás"
Sziasztok van egy régi erősítőm ami megállt és nem találok hozzá tranzisztort márkája vermona regent 1020 40 voltot ad le a hangszórónak tesla kd 503 tranyo van benne meg egy sd 340 szált el még az útobit találok is de tranyot nem találok sehol vagy mit lehet vele tenni az egyiket ki mértem szakadás merővel az jó másik meg se mukkan bocsi a hülye kérdéseket még kezdő vagyok remélem tudtok nekem segíteni előre is köszönöm
Itt van, nem is horror áron. Sőt inkább olcsónak mondható.KD503 vakera
Idézet: „Én 1964 -ben építettem PWM -es erősítőt a munkahelyemen digitális áramkörökből, mert az volt.” 7400-as NAND kapukbol is lehet analog jelfeldolgozo aramkoroket epiteni ... akkor azok analog vagy digitalis aramkorok Idézet: „Az erősítőn belül a jelfeldolgozás digitális áramkörökkel történik, pont ez az előnye az analóg feldolgozással szemben.” Ezek szerint tovabbra sem erted a lenyeget. Az informacio vegig analog formaban marad az erositon belul. Idézet: „Amúgy a nagyhírű Texas is digitális erősítőknek nevezi a D osztályú erősítőit.” A nagy hiru Texas mernokei valoszinuleg rohognek is rajta, de a marketing nagy ur, el kell adni valahogy az uj technikat ma is, a "digitalis vilagban". Nem muszaj nekem hinni, tessek korulnezni a neten, de nem ocska marketing szovegeket kell olvasni hanem normalis cikkeket, pl. ezt
köszi remélem csak ennyi a baja nem tudom másikat ki kell e cserélni mert az adot ellen állást vagy valami helytesitő a gyári helyet nem tudom meg éri foglalkozni vele egy próbát meg ér
)
Egy helyettesítő kereső szerint ezekkel is helyttesitheted. De ezeket biztosan nem úszod meg 150 forintból.
Ha másért nem tanulni érdemes vele és ha sikerül megjavítani még egy jó erősítőd is lesz.Cross Reference
Üdvözletem!
Van egy kenwood KR-A3070 típusú erősítőm, ingyen kaptam, mert nem volt hozzá tápegység. Most jóval nagyobb van benne, ráadásul 36V helyett 48V ról üzemel gyárilag kb 2x 40W ot tud az erősítő 4/8 ohm os. Na most ez nekem oldalanként 3db párhuzamosan kötött mélyközepet és 1db magasat hajt. eléggé melegszik, de 120fok az üzemi hőmérséklete, 150foknál pedig már leég. Szeretnék bele tenni egy nagyobb hűtőbordát, csak mechanikailag kicsit bonyolult lenne kivitelezni a tranyók elhelyezkedése végett, esetleg ha ki vezetékelném őket mondjuk max 5cm hosszú vezetékekkel, akkor gerjedni fog, vagy lesz esetleg valami baja? Köszönöm szépen a válaszokat előre is!
Mint már mondtam, kár győzködnünk egymást. Az impulzus modulációs rendszerek PAM, PDM, PPM,PWM, PCM az analóg, és digitális átviteltechnika hibrid megoldásai. A példákért nem kell messzire menni. Bővebben: Link
(nem egy logikai áramkör analóg üzembe való kényszerítéséről beszéltem)
Üdv! Hány ohm -mal terhelsz így egy csatornát?
SZia szerintem ott ,már 4ohm -nál is kevesebb van csatornán ként ,jobb ha betartod a terhelési impedanciát ha nem akarod leégetni ,az erösitőt.
köszönöm a segítséged akkor marad más nem az eredeti meg vesszem 150 ft és meg lássuk mert az erősítő szinte ingyen volt kb 15ezrembe került más nem vesszek valami quad 405 körülit.
Hello!
Erősítőben van kettő darab tápegység. Az egyik egy segédtáp a vezérlésnek (+9V) és egyebeknek, a második az erősítő táp (+/-30V). Az 5V-os egy nyáktrafó + 7809, a 30V-os egy toroid. Ha a két tápnak a testét összekötöm, akkor nem fog búgni? Szakszerűen hogyan kell ilyet megoldani?
Szia! Az egyebek között van előerősítő? Akkor lényeges, hogy annak a tápja a végfok bemenetéhez legyen testelve, amúgy mehet a csillagpontba.
Üdv, mindenkinek.
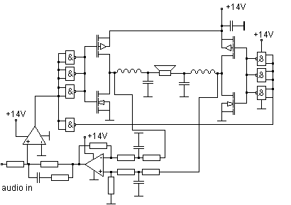
Egy olyan kérdésem lenne hogy ez a kapcsolásBővebben: Link milyen adatokkal rendelkezik? (értem ez alatt a teljesitményt és az ohmot) Mert nagyon egyszerűnek néz ki és kedvet kaptam a megépitéséhez.
Azért az 1964 enyhe tulzás, még 1966-ban is inkább hibrid áramkörökkel veszödtek az amerikai high tech gyárak....
Ezt miert nekem irtad? Semmi kozom 1964-hez, akkor meg nem is eltem...
'64 -ben még mi is Siemens - Terta kockákkal bíbelődtünk, nem is állítottam hogy TTL. De 66 - 67 ben jöttek az RTL, DTL integrátl áramkörök, és 67 körül a TTL áramkörök. Igazi megváltás volt. Attól kezdve működtek a PCM berendezések, amiket fejlesztettünk.
Elkészült a hibrid végleges meghajtó.
(ezen már nem tudok mit javítani úgy érzem) 2oldalas lett (felül teleföldes), a gerjedés és brumm elkerülése végett. A fokozat jelenleg most 230V anódfesszel 27v rms produkál torzítatlanul 1.17V 1khz sinus-al.(1db földelt rácsú 6h2p-feszültségerősítő ,áramgenerátorral hajtva s katódkövetővel a végén ami 6h6p) A két cső páros jelenleg most etalon hangminőséget produkál a félvezetős bipoláris résszel (számomra). Holnap lecserélem kicserélem, és lassan jöhet a doboz tervezés |
Bejelentkezés
Hirdetés |











