Fórum témák
» Több friss téma |
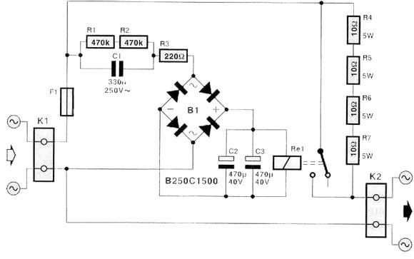
Hello! 400w os toroidhoz készitek lágyinditót. Bővebben: Link
Ezt akarom elkésziteni. A kapcsoláson sorba van kötve 4 db. 10 ohm 5w ellenállás. Nos olvastam hogy nemártana helyette 22ohm os 5w os ellenállás. De nemlet az egészet helyettesiteni (mivel sorba vannak kötve) 75 ohm 10w al?
Helló! Természetesen jó a 75 ohm. Az Elliott féle saccolóval pl. 66 ohm jön ki. A 10W is bírni fogja.
És azt olvastam a bsselektronika.hu-n hogy ha arelé nem húz be akkor kell váltolztani a 220 ohm ellenállást és a 0,33 µF 250 v os kondit. De ha nemfog behúzni akkor minek a függvényében kell változtatni az értékeket?
Add meg a relé tekercs névleges feszültségét, és a tekercs ellenállását. Ezekből számítható a kondenzátor és az ellenállás értéke. Ha visszább olvasol találkozol a korábbi számításaimmal, de szívesen segítek a konkrét esetben is.
Oke köszönöm. A rele behúzótekercse 24v os. 1,12k ohm ellenállású
Ha visszaolvastál a fórumon, tudod, hogy az eredeti kapcsolás (valószínűleg) az Elektor-ból lett átvéve. Kitárgyaltuk, hogy nem valószínű, hogy az egész Németországban nem lehet kapni 1db 40(39) Ohm / 20W ellenállást... Valószínű, hogy a feszültségtűrésük miatt tettek be 4 db-ot...!
Értem. Még hiányzik pár db alkatrész, legfeljebb megrendelem, de lehet akad itthon is, még nemvolt rá időm szétnézni.
A 2x470 uf / 40v kondik helyett lehet rakni az egyenirányitás puffereléséhez 1000uf/ 40v kondit a kető helyet
Persze.
Hello! Az erősítőmhöz szeretnék építeni lágyindítót. 2 TDA7294 híd van benne, 2 db 350W-os toroid van hozzájuk, a szekunder feszültségük 2x25 VAC. A képen látható lágyindítót szeretném megépíteni. A kérdéseim a következők: elég egy kapcsolás, vagy mindegyik toroidhoz külön készítsek? A 24V-os relé jó a kapcsolásba? A biztosíték elhagyható, ha egyébként a táp résznél már van? Azt hiszem ennyi, ha tudtok segíteni, azt nagyon szépen köszönöm!
Szia! Elég egy relé. A lágyindító előtt legyen biztosíték, az sem baj ha a trafó előttiekkel együtt három lesz.
Hello! Köszönöm szépen!
Szia! Megépítettem a lágyindítót, be is került az erősítőbe, viszont olyan gond van vele, hogy a relé nem húz meg, 13V-ig meg fel e feszültsége. Cseréljem ki 12V-osra vagy van valami más megoldás? Ettől még az erősítő működik. Annyiban tértem el a rajztól, hogy nem 4x10 Ohm, hanem 3x15 Ohm van benne. De gondolom ez nem befolyásolja a relé feszültségét.
Mérd meg a relé tekercs ohm-os ellenállását, a kondenzátort ki kell számolni hozzá.
Megmértem, 610 Ohm.
Szia! A szükséges reaktanciához 566nF jön ki. A meglévő 330nF-dal köss párhuzamosan 220nF-ot, mely szintén 250VAC feszültségtűrésű legyen.
Köszönöm, akkor újra kell csinálnom, mert hely már nincs bent annyi, hogy beférjen, de nem gond. Legalább megint tanultam valamit
Még egyszer köszönöm, remélem így már jó lesz.
A nyák alatt tökéletes elfér.
Ki is próbáltam, párhuzamosan betettem egy 150 nF-os kondenzátort, úgy 17V-ig ment fel, de a relé már meghúzott, még egy 150 nF-os kondenzátorral már 22 V-ig ment fel. Ez az 566 nF minimum érték? Mert akkor egyszerűbb, ha veszek egy 560 vagy 680 nF-os kondenzátort és azt teszem be a 330 nF helyett, akkor nem kell monyákolnom.
Azt számoltam, hogy az adott kapacitás 50Hz-en mekkora ellenállásnak felel meg. (Kicsit pontatlanul) A 680nF mehet bele.
Nagyszerű, akkor még egyszer nagyon szépen köszönöm a segítséget!
Minden jót!
Sziasztok!
Kiszámoltam egy elég jó közelítésű egyszerű képletet a lágyindítóhoz. Kizárólag ehhez a rajzhoz, és 24V-os reléhez alkalmazható, C1 nF, R tekercsellenállás kohm. C1=370/R
Üdv Mindenkinek!
Olyan kérésem lenne hogy a fentebb említett lágyindító kapcsolás értékeit egy nálam tanultabb fórumtárs átszámolná nekem 400 voltra? Egy hetra hegesztőtrafóhoz kellene ami 230v-ról és 400v-ról is üzemel. 400v -os üzemben csak két fázis közé van kötve.Elég sürün leveri a 16 amperes 'C'-s automatát (néha a kettőt is), de CSAK indításnál. Előre is köszönöm!
Üdv. Én szerintem, csak diódahidat és egy pár kondit kell cserélni megfelelő feszültségüre, pl 3 fázisú diódahidat alkalmazni (Pl. DB35-12). Azért nem akarok okoskodni, várd meg a többi fórumozó hozzászólását is.
Megnéztem mégegyszer a hozzászóló irását, most esett le hogy 220v ról megy
Hát... biztos vagy benne?
Részben igaz, de ha két fázis közé köti...?
Hát akkor is csak a diódahiddal kell játszani szerintem, megy pár kondi más kell.
Szia! Az időzítés a feladat legkisebb része. Utána néztem a trafónak, a cikkben közölthöz képest tízszeres áramra kell méretezni a relét és az ellenállásokat, mindezt 230 és 400V-ra is ki kell építeni. Megoldható, de nem amatőrnek való feladat.
Witi-nek is üzenem. |
Bejelentkezés
Hirdetés |





Részben igaz, de ha két fázis közé köti...? 




