Fórum témák
» Több friss téma |
Fórum » Kapunyitás gombnyomásra olcsón! - avagy automata kapu házilag
Témaindító: szabi83, idő: Feb 2, 2006
Hello! Megvan a kapunyitó elektronika. A mechanikával van egy kis gond tudnátok segiteni? Legalább 90fokra kéne kinyiljon az ajtó. Mellékelem a motor méreteit. És mit kell módositani ahhoz hogy egy bizonyos szöget érjek el? #1127222 hsz nál vannak képek a csomagoltban a motorról.
Szia Szabi!
Ez lehet,hogy segít! Vagy próbáltad már?
Sziasztok!
Nekem a Tx-4Mdil adó még mindig nem tisztázott. A 4-es (+V) lábon mindig kap feszt? És a 2-es (data input) lábra mit kell adni? Köszönöm előre is.
Kösz még nem probáltam. De megfogom.
Igen mindig kell rá áram. A data in-re valami nyomógombok mennének szerintem.
Az adónak nem szükséges mindig feszültség alatt lenni. Nem vagyok benne biztos ,de talán a tápfeszültséget kellene egy nagyobb ellenálláson keresztül a data imput bemenetre kötni?
Ekkor adhat jelet a vevőnek?
Nah próbálgattam én számolni csak: Három motorról van szó, a legkissebbik egy kaput nyit a másik kettő meg 2szárnyas kaput. A motor tipusai:
1. LINAK LA 32 50F-100-24-51 2. LINAK LA 32 KAS 150-24-011 3. LINAK LA 28 25S- 60-24-02 A motrok csökkenő sorrendben vannak. Még a legkisebbiklen nem gondolkoztam nem tudom a méreteit. Hogyan lehet megoldani hogy a motor forogjon azon a tengelyen ami a garázs falára van függesztve. A gyakorlatban kipróbáltam és nem nyitotta csak kb félig. Az igaz hogy nem számolgattam semmit, meg a motor másik felén lévő forgó rész a kapu csövére volt heggesztve.
Külön, külön számold ki a programmal hova akarod,hogy nyíljanak a kapuszárnyak. Oda hegesztheted vagy csavarozhatod rögzítő füleket ahova a program kiszámolja. Már többet is számoltattam vele még mindig jó lett. A stongokhoz vagy harl mocikhoz adnak egy bilincset amit az orsó fix tengelyére lehet felcsavarozni. Azon van egy én úgy ismerem "halszem" ezen keresztül lehet dugni csavart vagy csapot ami rögzítve van oda ahova a program kiszámolja.Bővebben: Link.
Az adóval úgy látom próbálkoznom kell majd,remélem nem teszek bent kárt. Köszönöm mindenkinek a tippeket.
Most megyek panelt fúrni aztán beültetem és már ki is tudom próbálni a vevővel.
Boldog Új Évet mindenkinek!
Sajnos nem működik a kapcsolásom, nem tudom mi a baj. A vevő kimenetén mindig van 0,5V, ha kap az adótól jelet akkor 0,8V-1,3V jelenik meg. Az egyik relé kimenetén folyamatosan 0,1V-ot mérek a másikon semmit. Az adónak azonban tényleg nem kell folyamatosan feszt kapnia, nyomógomb után kötöttem, a data input-tal együtt azt ellenálllás nélkül. Van valakinek ötlete,hogy miért nem megy a vez?
Egy Venere BFT kapuról volt szó, táv-ban van egy "titkos" gomb. Hosszan nyomni a vevőn az "OK" gombot majd a távon az összes gombot végignyomkodni és kész.
Gondoltam leírom ha valakinek hasonló gondja akadna. És köszönöm mindenkinek a segítő szándékot!
Sziasztok nekem félig meddíg impulzusos a kérdésem. A tolókapu vezérlésemhez kellene a következő: Van egy 2csatornás vevőm ami öntartó addíg van a relé behúzva amíg a gombot mégegyszer megnyomom, és ehhez kellene nekem egy olyan megoldás ha a kapu teljesen kinyílik vagy bezárul akkor a végálláskapcsoló megszakítja a relé által húzott kört de ha a mésik csatornát is aktiválom tehát a kapu a másik irányba megy akkor a végálláskapcsoló megint megint zár és "mindkét" irányba akar a kapu menni egyszerre. Tehát nekem egy olyan megoldás kell hogy egy egy végálláskapcsolót amikor elér, és azt nyomva is tartja egy pillanatra vagyis egy impulzus erejéig megszakítsa a vevő egység tápját, ami ezzel alaphelyzetbe áll és így kezdődhet a másik irányba mozgás, ezt mivel tudnám megoldani?
Ezt mért nem inkább itt kérdezed? Bővebben: Link
Szia!
Nem egyszerűbb lenne a sima számlálós megoldás? nyit - állj - zár - állj + infrás tiltás? Ezt még léptetőrelével is megcsinálhatod.. A Findernek is van ilyen, csak ki kell választanod, hogy 24V vagy 230 V-ost akarsz használni és melyik érintkező mit kapcsoljon az egyes állásoknál (nyit vagy zár). 26.08 sorozat - ból a 4 érintkezős... 5-6eFt körül van valahol, bár most nincs rá friss forintos áram. Ez 10A-ig jó, ha a motorod többet eszik (mint például az én DC motorjaim 4-20A!), akkor még relézned is kell a motorkört. Nem egyedi gyártás, az igaz, de könnyedén cserélhető, ha elhasználódik.
Szia. Szerintem egy NE555 monostabil kapcsolással megoldható,hogy a végállás kapcsoló jelére a tápfeszültséget lekapcsolod 1-2 másodpercre a vevőről. Ott nincs akkora áramfelvétel amit egy relé nem tud biztonságosan kapcsolni.
Hello!
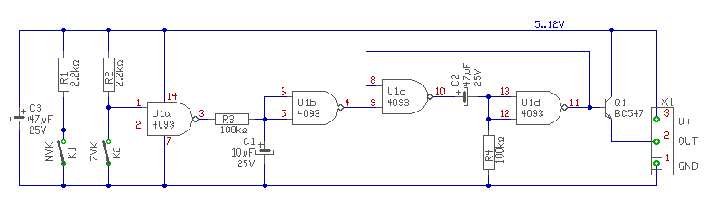
Én csak az impulzus problémádra próbáltam megoldást nyújtani. Hogy már nyitott (zárt) véghelyzetben ne lehessen a kaput tovább nyitni (zárni), azt neked kell megoldanod. - Záró végállás kapcsoló: ZVK. Nyitó végállás kapcsoló :NVK. Ha a kapu végállásba kerül, akkor a megfelelő végállás zár. - U1a kapu kimenete magas szintű lesz, ha bármely végállás kapcsoló zár. Ezt követi egy integráló tag, majd az U1b hogy egy tranziens zavar ne tudja indítani a késleltetést. Ennek ideje R3/C1 alkotja ami jelenleg kb. 0,1sec. - U1c és U1d egy nem-újraindítható monostabil multi. Ez fogja megszakítani a vevő tápfeszültségét. Időzítése a C2/R4 tagokon műlik, jelenleg kb.0,5sec. - Q1 tranyó, csak terhelhetővé teszi az U1d kimenetét. Az Out és Gnd pontokra kell kötni a vevő tápját. üdv! proli007
Köszönöm a segítségeteket, valamelyik megoldást alkalmazom majd
Hali!
Ezeknek a HARL vagy STRONG motoroknak mekkora teljesítményű trafó kell (2db-nak)? Továbbá, mi az a feszültség amit kibírnak, mert olvastam többen nem 36VDC-t adtok neki, hanem 40...50V-ot is. Ettől nem megy tönkre? Köszi. Tomi
Én kb 70v ról járattam két évig ment de a mechanikája nem bírta a kiképzést
És esetleg azt tudod mennyi áramot vesz fel? Vagy mekkora teljesítményű tápot kötöttél rá?
A Strong motor kb 5-600mA-ert vesz fel 36 volton, ha már megindult. Az indulási állapotban kb 2-4 Amper.
Rendben van köszönöm szépen. Akkor egy 120-150VA-s trafónak el kell vinni, mivel nem egyszerre indulnak.
Nekem 110VA-es volt, és az vígan vitte, de csak a Strong-hoz jó. Mostanában Summitjack néven árulnak motort, de az már igényli a több ampert. Ezekhez már 150VA-es trafót használok, és PWM-et is, mert nagy sebességgel megy a motor, és ne hírtelen szoruljon meg. Az utolsó pár másodpercben lassítom a motort, és szépen becsukodik, nem koppanik, és erőlködik annyira.
De azt is vedd figyelembe hogy mekkora lesz a vezeték hossza és vastagsága ! nálam a garázsban van az elektronika és csak a motorokhoz megy vezeték 30m 7*1mm es és elveszett rajta a teljesítmény ! Azért kellett növelnem a feszültséget mert nagyon lelassult a motor kb 1-1,5 perc kellett mire kinyílt a kapu (70 v -al 25 s lett a nyitási idő) 30cm es strong nál
Szia!
70Volt-al hajtottad? Én a 38Voltot is sokallom, pedig kb 20m-re vannak a motorok. A Strong motorok 30-35mp alatt nyítnak 36-38Voltal. Igaz nekem kb 20m-re vannak a motorok.
Igen a4* es túlfeszültség sem okozott gondot csak 25 s volt a menetidő nem tudott túlmelegedni
Szia,
nem tudom találtál e már megoldást, de esetleg egy induktív hurok segíthetne. Bontani nem kell a térkövet, de a hurkot bele kel vésni. Elvileg meg lehetne csinálni, hogy ha valami/valaki a hurokban van, akkor tiltson, ne mozogjon a kapuszárny.
Üdv!
Kapunyitó vezérlésemet szeretném kiegészíteni áramkorláttal, mivel két motor van így kettő kell de ekkor az a probléma merül fel hogy az áram ugyebár két iránybe folyik így a topicban található áramkorlát nem jó. Milyen megoldást tudtok javasolni? Találtam hall ic-s kétirányú áramfigyelőt de annak ára kb 1000Ft/db.
Szia, mert folyna az arram ketiranyban? Ha valtoaramu a motorod (motarjaid) akkor az idealis erzekelo az aramvalto, ha egyenaramrol jaratod a motorokat akkor a figyelo ellenallas. Kulonben a forgasirany valtast az aramfigyeles utan relevel szoktak kivitelezni.
|
Bejelentkezés
Hirdetés |





Ekkor adhat jelet a vevőnek? 







