Fórum témák
» Több friss téma |
Fórum » Hegesztő trafó
220/35 (mert 34,5A van írva csúcs áramnak) az 6ohm körüli primer ellenállás, emellé ugye kellene 5,5ohm(ami egyébként lehet kevesebb is, mert rövid ideig elvisel nagyobb áramcsúcsokat a kismegszakító), szerintem 5ohm jó is lenne akár, csak ha nem húz be rövid időn belül az a relé, akkor rövidesen füstölni fog, mert ugye bekapcsolás pillanatában 3500W teljesítménye lesz, a csúcs lefutása után pedig 400W körül áll be a teljesítménye, amivel ugye nem lenne célszerű sokáig terhelni, hacsak nincs 400W-os ellenállásod (szendvicssütő). Persze kisebb ellenállás is jó lehet, csak akkor 16A felé fog menni az áramcsúcs, ami megengedhető, és kisebb lesz a terhelése a kisebb ellenállásnak, ami jobb melegedés szempontjából, de lehet nagyobb ellenállás is, és akkor egész kicsi lesz az áram lökés, csak nem célszerű nagyon nagy ellenállást választani, mert akkor lehet hogy nem mágneseződik eléggé elő a vas, és még mindig nagyon nagy áramlökés lesz, ha a relé behúz. Azt pedig hogy milyen gyorsan kapcsol a relé a relé átlagos behúzási idejéből, és a relét működésbe hozó áramkörben lévő kondenzátorok feszültségre mennyi idő alatt emelkedik fel a relé behúzási feszültségére, ami szerintem elég változó lehet, hogy pontosan hány V-nál fog behúzni, de közelítésnek jó lenne.
Persze lehet hogy az lenne a legjobb, ha az ellenállásokat akkorára méreteznéd, hogy akkor se süljenek meg, ha a relé véletlen nem húz be (megtörténhet).
Nem szeretném egymagam teleírni a fórumot, de most jutott az eszembe, hogy lehet hogy jobban jársz egy speciális szilárdtest relével, ami a szinusz csúcsán kapcsol be, elvileg van külön ilyen, nagy induktivitással rendelkező fogyasztók be- és kikapcsolásához találták ki, és lehet sokkal olcsóbb mint sokat vacakolni relékkel és ellenállásokkal, emlékeim szerint ilyen szilárdtest relék legdrágább helyen is 4000Ft körül voltak, de vaterán már 1000-2000 körül lehet kapni. De akkor meg extráznám a dolgot azzal, hogy a relé 3-30V közötti vezérlését az elektródafogóra kivezetett kis kapcsolóval kapcsolnám, lehetne spórolni az üresjárási árammal
Hogy mikkel nem hegesztetek
Nekem a régi trafóm 1,1A-t vett fel a hálózatból üresen, és mindig meg tudtam vele hegeszteni amit akartam. Hozzáteszem faternak is volt egy olyan aminek 9A volt az üresjárati árama, azt is valami "hozzáértő" készíthette. Ha üresen túl nagy áramot vesz fel a trafó az általában azért van mert vagy rossz minőségű a vas, vagy rosszul van összerakva, vagy (ezen okok miatt) túl van gerjesztve. Ilyenkor szinte természetes ha lecsapkodja az automatát.
De ha megnézed, amint sejtettük, hogy nem valós a 10A-es üresjárási áramfelvétel, ott is van a képen, hogy Ieff=10,6A, azaz terhelés alatt a hatásos teljesítménye 2400-2500W.
Egyébként pont tegnap mértem le egy mikró sütő trafót, 5,5A üresjárati árammal.
Ez idáig okés, csak szilárd test relébe nem találtam olyat ami átenged magán akár 10A-t. Viszont ellenállásba találtam 6.8ohm 25W-osat, aztán most reléből vagy beteszek egymás mellé kettőt, vagy át kell még jobban variálni a kapcsolást, ugyanis 400V-nál két fázisom van. És ugyebár muszáj azt a második fázist is belevariálni, mert pl ha egyszer ráteszem a nagy csatira és az egyik fázist finomítja a másik meg rá-ránt szerintem azt nem szeretné a kicsike. De legalább már látom a fényt az alagút végén, igaz 4szer olvastam el az írásod. Még nem ébredtem fel.
Bocs csak közben szakadt a netem. Jaa meg még jut fejembe, akkor annak a relének azért jófajtának kéne lennie, mert azon fog maradni a gép. Ez nem is esett le idáig.
Mert a mikróé szándékosan van túlgerjesztve.
Mindegy nekem hosszú évek miatt itt hentereg kettő ilyen nagy kondi 6x15x30 cm körüli direkt azért maradt meg ha hasonló gondom van lehet hogy jó.ezért sem dobtam ki. Egyébként megértettem amit írtál.De előzőleg azért írtam.hogy ilyen megoldás is létezik nekem akkor működött ,köszi hali oszkár
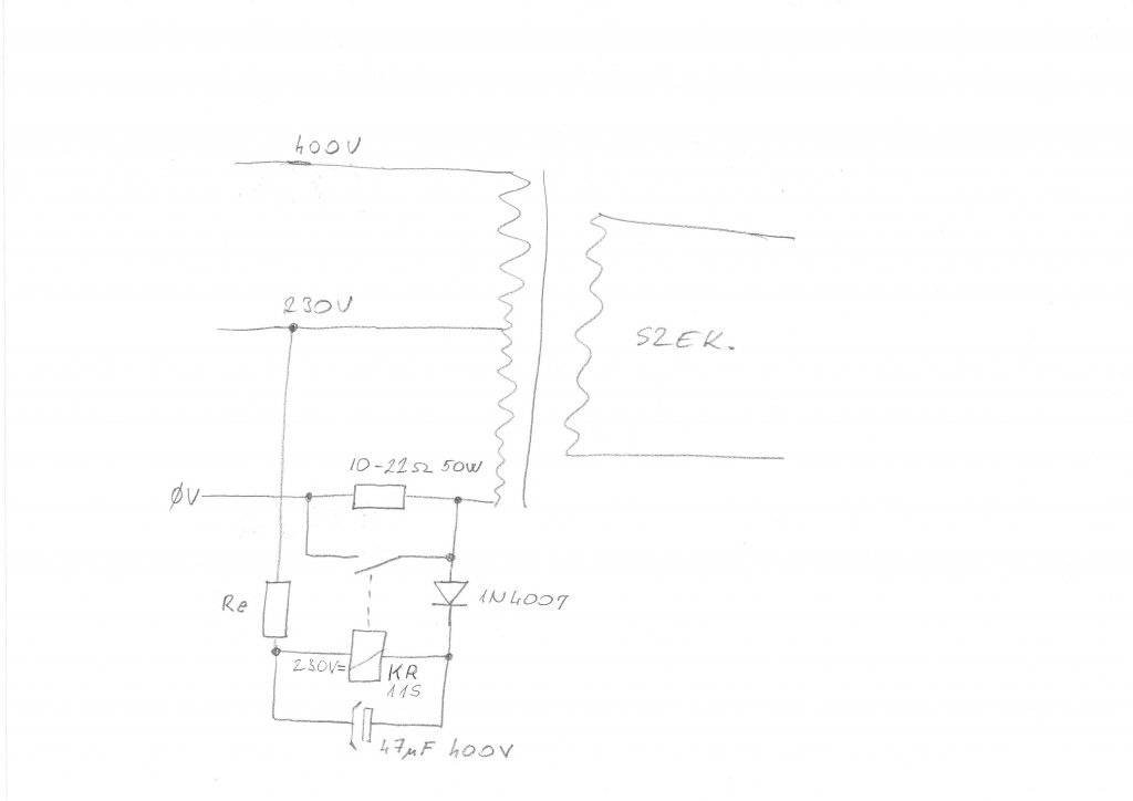
Az adattábláról leolvasható adatok szerint a 10,6A primer áram 60A-es szekunder terhelés esetén érvényes. Tehát az üresjárási áram, ennek a töredéke. Mivel a gép kétféle feszültségről működik 230V/400V), így a lágyindítót ennek megfelelően kell elkészíteni.A mellékletben van egy kézi rajz, amit az imént követtem el, elvileg egy ilyen egyszerű megoldással a problémád orvosolható. A működés lényege: miután a gépet bekapcsoltad, a soros 10-22ohm 50W-os ellenálláson keresztül a trafó felgerjed, miután felgerjedett a gerjesztőáram arra a z értékre esik vissza,ami a veszteségek fedezésére elég. Ekkorra a kapocsfeszültség a trafó kapcsain már 230V közelében van, ennek köszönhetően az 1N4007 diódán keresztül a kondi feltöltődik,és a relé meghúz, áthidalva ezzel a soros ellenállást. Az Re jelű ellenállásra azért nem írtam értéket, mert az az alkalmazott relétől függ. A funkciója pedig az, hogy a relé feszültségét olyan értéken tartsa,hogy a kondi feszültsége ne tudjon a relé névleges feszültsége fölé emelkedni. Az is lehet hogy nem is lesz rá szükség. A kondi azért kell a relével párhuzamosan, mert az egyutas egyenirányítás miatt a relé rezegne. Ha viszont nem akarsz bajlódni ennyi alkatrésszel, akkor egy 800V 1A-es graetz hidat használsz egyutas egyenirányítás helyett és nem kell se kondi, sem pedig az Re ellenállás.
már eleget módosítottam azon a gépen most még egy ilyen apróság, meg az hogy pár alkatrésszel több, az már nem számít, csak legyen jó.
Kedves Mpisti!
Az általad felvázolt megoldás működne 3 fázis esetében is? Úgy gondoltam, hogy az egyik fázis és a nulla vezérelné graetz hídon keresztül a relét, ami egy mágneskapcsoló behúzótekercsét működtetné. És ha igen, akkor mekkora ellenállásokat kell rakni a 3 fázisra? Egy Hetra 200 SVE miatt érdekel, nálam nem, de apukámnál bekapcsoláskor néha leveri a 10A B-karakterisztikájú kismegszakítót.
Bővebben: Link 50A 3000Ft
Bővebben: Link 20A 3000Ft Bővebben: Link 25A 2000Ft lehet válogatni, csak le kell csekkolni az adatlapjukat, hogy hol kapcsolnak, de ha ráér a dolog, akkor hétvégén megnézem neked, mert pont van itthon egy null-átmenetbe kapcsoló 25A-es solid state relay, ami ugyan nem a feszültség csúcsán kapcsol, mint az említett lehető legjobb relé, de akár jó is lehet, és letesztelem, hogy hogy működik, ha érdekel, mert véletlen nálam is van egy 180-200A-es hegesztő(26,5Kg), ami 230V-on 19A-el dolgozna ha lenne ugye akkora biztosíték, és a 16A-es automatát bekapcsolásnál sokszor levágja, gondolom nem erre lett tervezve persze az mpisti által felvázolt kapcsolás jó magasabb feszültségre, csak akkor növelni kell Re értékét, hogy a relé ugyan úgy az üzemi feszültségét kapja mondjuk 380V-ról nincs is nagy áramfelvétele, úgyhogy akár egy 10A-es relé is elég lehet (akár szilárdtest akár elektromechanikus)
szerintem maradok az mpisti féle megoldásnál, igaz nem lett túl sok minden módosítva a kiindulási kapcson. találtam 24Vos 16A-t tudó relét, szal szerintem az is marad ott ahol. Már csak egy balga kérdésem maradt, Nagyon rég tanultam már az elektrós dolgokat, és nem tudom, hogy soros ellenállásoknál a teljesítményük is összeadódik, vagy csak az értékük? Mert hát azért annyira nem mindegy hogy most vadásszak egy darab 50W-os lehetőleg bordás ellenállást(még jó hogy van aktív hűtése a trafónak) vagy tehetek mondjuk egymás után 10db 5W-osat. Jó tudom ez már kezdő kérdés, de hát felejt az ember. Na meg hogy 10-22ig írta. Akkor lőjek a kettő közé értékben, vagy valahogy ki tudom számolni, hogy mennyi kéne?
Sorosan kapcsolt ellenállásoknak összeadódik az ellenállásuk, és megoszlik rajtuk a feszültség, ezért a disszipált energia is. Tehát 5db 1 Ohmos 10W-os sorba kapcsolt ellenállásnak az eredő ellenállása 5 ohm lesz és 50W lesz a terhelhetősége, mert az áram átfolyik mindegyiken, de a feszültség eloszlik az ellenállások között. Ha két ilyen sort pedig párhuzamosan kapcsolsz 2,5 ohm lesz az eredő ellenállása, és 100W a terhelhetősége, mert itt a feszültség lesz azonos minden ellenálláson, és az áram oszlik meg. De ajánlom az általános iskola 7. osztályos fizika könyvet
Komolyan ajánlom, csak 10-20 oldal az elektromosságtan, de kondenzátorok, ellenállások soros, párhuzamos kapcsolása benne van, sose árt tudni, vagy esetleg a középiskolás függvénytáblázat, én még mai napig előveszem néha.
A feszültség nullátmeneténél kapcsoló szilárdtestrelével az a baj, hogy induktív terhelés esetén a feszültség nullátmenetére esik az árammaximum. Tehát a bekapcsolás pont a lehető legrosszabb időpillanatra esik induktív terhelésnél. A feszültség nullátmenetére kapcsoló szilárdtestrelék ohmos terhelésre(hőfejlesztő készülékek)való, arra találták ki őket. Ohmos terhelésen ugyanis a feszültség és az áram egymással azonos fázisban vannak.
Természetesen működik. Már nem emlékszem pontosan, hogy az SVE200 primerje csillag vagy delta kapcsolású, de ha csillag, akkor a csillagpont felhasználható nullaként, a fázist pedig tetszés szerint kiválaszthatod.Ha viszont delta kapcsolású a primer, akkor a hálózat nulláját kell használni. Ekkor viszont mindenképpen kell az "Re" ellenállás, mivel a kondi feltöltődését némileg késleltetni kell.
Igazad van szerintem. Mindjárt megkeresem az RL kör váltakozó feszültségű bekapcsolásának ábráját.
Ellenállásokról: Ha nem egyforma ellenállásokat kapcsolsz sorba, akkor az ellenállásuk arányába fog eloszlani rajtuk az áram, tehát 5+10Ohmon 15V-os tápfeszültséggel a kisebbik ellenálláson 5V a nagyobbikon 10V fog megjelenni. A rajtuk átfolyó áram I=U/R, azaz 15/(5+10)=1A, tehát a kisebbik ellenállás teljesítménye 5W lesz, a nagyobbik 10W. Párhuzamosan kapcsoltaknál Re=1/((1/5)+(1/10)) --1/Re=1/R1+1/R2+1/R3+...+1/Rn n számú ellenállás esetében-- lesz az eredő ellenállás, és az ellenállásukkal fordítottan lesz arányos a rajtuk átfolyó áram 2 ellenállás esetében.
Soros R-L kör esetében a legnagyobb áramlökés a hálózati feszültség nulla-átmeneténél való bekapcsoláskor, pl: -pi/2 bekapcsolási fázisszög esetén alakul ki.
Másik forrásból: A legnagyobb áram akkor léphet fel, ha tisztán induktív terhelést kapcsolunk be a feszültség nullátmenetekor. Ekkor a stacionárius áramösszetevő (ist(0)=Im vagy ist(0)=-Im attól függően, hogy melyik félperiódusban vagyunk), tehát a tranziens összetevő nagysága a stacionárius áram maximumával egyenlő nagyságú, de ellentétes előjel lesz. Mivel R=0 esetben a tranziens összetevő nem csillapodik, a következő félperiódusban itr+ist összegének abszolút értéke 2Im lesz. A legkedvezőbb eset akkor jön létre, ha a veszteségmentes induktivitást a feszültség maximumánál kapcsoljuk be, mert ekkor ist(0) = 0, tehát a tranziens is zérus. Tehát a null-átmenetbe kapcsoló relét nem fogom kipróbálni, viszont tuti nem fogok lágyindítót csinálni, hanem beszerzek egy feszültség csúcsba indító szilárdtest relét, az mostmár sokkal tisztább megoldásnak tűnik. Csatolom az ábrát a nullátmenetben való kapcsolás után lezajló áramcsúcsról.
Szerintem mindketten ugyanazt mondjuk. Csak te kissé "tudományosabban" idézted az idevágó evidenciát.
Köszönöm mindkettőtök építő válaszát, amint elkészülök a javítással, úgyis előkerülök.
Ha ez igaz Triak begyújtása a fesz csucson (90 fok) ez a puding próbája, bele az arcába.
Ezekben az alkalmazásokban olyan triacot használnak amelyik mind a 4 negyedben vezérelhető. Az elnevezése most hirtelen nem jut eszembe, de a triactól megkülönböztetik egy önálló névvel. Régen az IGBT-k előtt ilyen félvezetőt használtak a 3 fázisú motorok fordulatszabályozására.
1 óra 50%-os fázishasításos szabályzás alatt csak 360000-szer gyújt be a feszültség csúcson. Gondolom akkor csak bírja.
Teljes mértékben igaz amit leírtál. Lehet hogy félre értettél mpistivel tárgyaltátok mikor kellene a trafót bekapcsolni. Erre írtam a fesz csucson (90 fokon) itt az első fel mágnesezést értettem. Ez a trafó és a kismegszakító (automata) szemszögéből jó. A triak szemszöge csúcson való gyújtás (nagy frekvenciás össze tevők meg jelenése és ezek káros hatásai) ez volt bele az arcába kitétel. elnézést ha félre érthető voltam.
Talán tiriac, ha eszedbejut légyszi ird meg a nevét. Előre is köszönöm.
Szevasztok! Talán ALTERNISTOR...
Köszönöm a segítséget. Pontosan így nevezik. Kb. 10 éve bontottam szét egy olyan szabályzót, amiben ilyen félvezetők voltak, és motor szabályozásra használták amíg működött.. Azt hiszem SGS-Thomson gyártmány volt, de erre nem vennék mérget.
Én értettelek. Elvileg azért lenne a párhuzamos rc tag, hogy azokat a nagy frekvenciás zajokat szűrje. A problémám még mindig fenn áll, hogy ha szabályzóval használom lever az automata, és arra gondoltam, hogy valami jól méretezett ellenállást párhuzamosan kapcsolva lehetne orvosolni esetleg. (francia pirítós sütő fűtőszála) Ha működik akkor építek egy kombi samottkemence-hegesztőtrafó állomást. Nincs most a kezembe a fűtőszál, hogy megmérjem az ellenállását, de hűtéssel tuti tud vagy 100W-ot, és van hozzá gyári borda
Vagy esetleg még az ellenállással sorba egy kondit is, mint a szilárdtest relés topikban, ahol Bővebben: Link 7. oldal alján látható módon zajos környezetbe csinálják. Vagy még azt is megpróbálom, hogy megmérem a gate áramot, lehet hogy kevés a vezérlés, és ezért, amikor leragad a pálca, és megnő a terhelés, csak a pozitív félperiódusba gyújt.
Mind kettőtöknek köszönöm. Vajon gyártanak e még ilyet?
Megnéztem ez egy galvanikus elválasztási mód,(opto csatolás) zajra is jónak tűnik. A triak gate elektródára adott nyújtott idejű impulzus segíti a triak begyújtását. Plusz RC tag Gate körbe, sajnos a rajzot nem találom. Más emlékezz mit írtam amikor vázoltad az elképzelésedet, aztán meglepődtem vissza vontam (az óta is üvöltök). De gondolkoztam. A tied sikerült az enyém nem, az eltérés a két egyformának tűnő megoldásnál van. te két lánc vasmagot használtál én M I vasmagot használtam(na ez kudarc volt). kísérő jelenség, csak Ohmos ellenállásnak tűnő áram felvétel. Ha van kedved gondold át, talán a probléma gyökere is lehet. Más én csak villanyszerelő vagyok, de láttam már karón varjút (ezt szántam humornak) bocsi.
Nem a gate körbe gondoltam az rc vagy r tagot, hanem a mt1 és mt2 közé, hogy ne csak a triakon folyjon az áram, hanem máson is, és így gyengítenénk a pálca leragadásakor fellépő nagy átfolyó áram erősségét a triakon. Igazából egy sönttel be lehetne állítani a szükséges legkisebb hegesztési áramhoz tartozó primer áramot, és ezt az áramot lehetne növelni, ha a söntöt a triakkal az idő bizonyos százalékba rövidre zárogatnánk.
Megcsináltam a rajzot az elképzelt jelalakról. Szerintem ennek a kapcsolásnak az eredménye kisebb hálózati zavar, mivel amikor a triak bekapcsol, már valamennyire mágnesezve van a vas, és ha a nagy terhelés hatására a triak a negatív félperiódusba nem nyitna ki, akkor se lesz a vasnak hibás mágnesezettsége, ami miatt leold a következő félperiódusba keletkező áramcsúcsra a kismegszakító, hanem a sönt enged valamennyi áramot folyni. |
Bejelentkezés
Hirdetés |




Nekem a régi trafóm 1,1A-t vett fel a hálózatból üresen, és mindig meg tudtam vele hegeszteni amit akartam. Hozzáteszem faternak is volt egy olyan aminek 9A volt az üresjárati árama, azt is valami "hozzáértő" készíthette. Ha üresen túl nagy áramot vesz fel a trafó az általában azért van mert vagy rossz minőségű a vas, vagy rosszul van összerakva, vagy (ezen okok miatt) túl van gerjesztve. Ilyenkor szinte természetes ha lecsapkodja az automatát. 
Komolyan ajánlom, csak 10-20 oldal az elektromosságtan, de kondenzátorok, ellenállások soros, párhuzamos kapcsolása benne van, sose árt tudni, vagy esetleg a középiskolás függvénytáblázat, én még mai napig előveszem néha. 






