Fórum témák
» Több friss téma |
Mielőtt kérdezel, a következő két dolgot ellenőrizd!
I. A helyes tápfeszültségek megléte.
II. A kimeneten van-e egyenfeszültség.
Élesztés.
Szia! A múlt héten is volt már ez a kérdés. Semmi bizalmam a képen látható szerkezethez
Szia.
Az, hogy hazugságot látsz ott.. Főleg ezzel a trafó adattal..: "Alimentare: 2x28V"
Hali! Lehet valahogy egy erősítő teljesítményét korlátozni? Például ha van egy 200W-os erősítőm, de a hangszórók csak 100W-ot tudnak és biztosra akarok menni, hogy ne füstölje el őket, akkor mit lehet csinálni? (Arról tudok, hogy ha nem tekerem fel akkor nem ad le akkora teljesítményt, de lássuk be ez nem túl biztos megoldás)
Csökkenteni kell a tápfeszültségét (ha lehet) és ezáltal kisebb lesz a kivehető telj is. -De a torzítása is nő ezáltal..
Célszerűbbnek látok akkor már egy olyan előfokot kreálni elé, ami nem vezérli ki teljesen csak addig amíg neked biztonságos. Ehhez tudni kell, mekkora a bemeneti érzékenysége, vagy még jobb lenne lemérni. Ennek megfelelően méretezni egy előfokot hozzá, ami csak mondjuk addig a pontig vezérli ki. pl 35-38V rms, terhelve 8Ohm-al, vagy 4-el 18-20V rms, attól függ mekkora a láda impedanciája. De még van csomó más eljárás is.. Pl ha van visszacsatolás, azt újraszámolni stb stb.. Úgy viszont minden módosítás nagyobb torzítást vihet be a körbe az eredeti méretezéshez képest. Viszont egy előfok célirányos erősítése ezt kizárja.
Sziasztok!
Nemrég kaptam egy házi építésű erősítőt,de sajna potméter nem volt benne! Beleraktam egyet de azzal az a baj ,hogy ha feltekerem egy picit akkor már hangossal szól! Milyen potmétert használjak? Előre köszönöm!
Logaritmikusat.
Ha jól emlékszem, "B" jelzetű, de ha nem, az okosok úgyis kijavítanak.
Próbáld meg megszerezni a rajzát, és nézd meg abban. Így senki sem fogja tudni, milyen potit tegyél be.
2x BD249C/BD250C x125watt!
Ennyit tudok rólla! 100% hogy házi építésű,és a gazdáját nem ismerem! Rajzot nem tudok szerezni hozzá. Van egy olyan potméterem amire ez van ráírva:"50KB 339M" azzal jól megy, de csak Mono potmeter, és nekem meg stereo kell! Nem találok olyant sehol.
A hestore-on találsz megfelelő potit. Bővebben: Link
Manapság már nem biztos, hogy a 'B' a logaritmikus, de ott oda van írva. Amíg nem veszel egy beleillőt, addig akár egy pc-s hangfalból tudsz bontani, vagy két mono potmétert kötsz be.
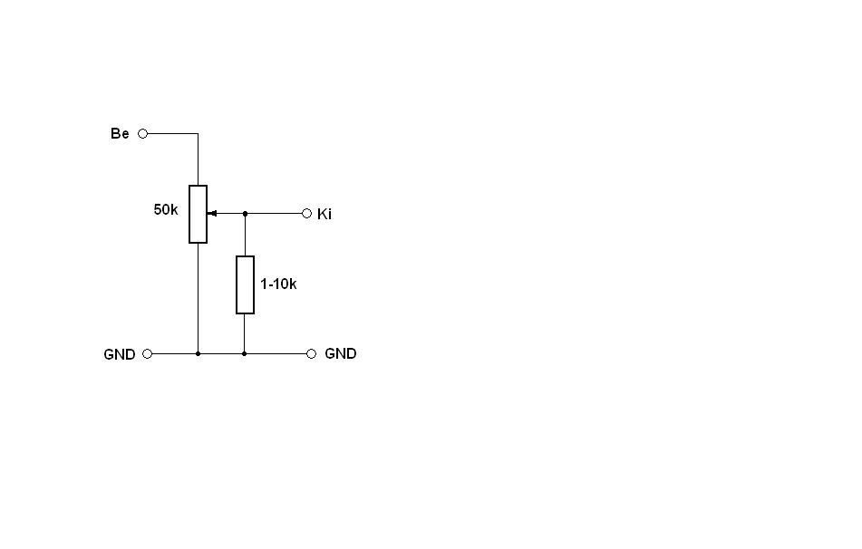
Szia! Mellékelem a legegyszerűbb limiter kapcsolást. Az erősítőd rajza alapján pontosítani lehet az esetleg szükséges kiegészítő alkatrészeket.
5000-ft felet hoznak bármit házhoz.. a poti meg csak 235-.Ft
47k sztereó logaritmikus potméter kell oda, több mint valószínű, a bekötést egyébként jól csináltad? Ha vaterán veszel kb 2-300Ft-ért sima levélbe olyan 500Ft-ból megúszod.
Szia!
Itthon találtam egy TESLA 50K-s stereo potit! Egy picit recseg de működik! Jól kötöttem be! Csak most meg az a problémám, hogy ha a winampot feltekerem max hangerőre akkor a potin egy picit is tekerek akkor már hangos a zene. kell valami ellenállás valahova?
Hali! Valószínűleg lineáris potid van, a mellékelt rajz szerint lehet valamicskét javítani a helyzeten. Az ellenállást úgy válaszd meg, hogy a poti félállásánál legyen a leggyakrabban használt hangerő.
Rajzold már le légyszives hogy kötötted be, paint-be is jó.
Szia.Köszönöm! De letudnád nekem úgy rajzolni, hogy ott legyen a potméter? Könnyebb lenne nekem! Előre köszönöm!
Köszönöm!
Az ellenállásnál van olyan hogy + oldal - oldal? Mindegy hogyan forrasztom a potira?
Valamint minél több az ellenállás értéke,annál halkabb lesz a hangerő?
Az ellenalasnak nincs polaritasa,tehat mindegy hogy hogyan ulteted be!
Az ellenállás polaritás független. Ebben a kapcsolásban kisebb ellenállás -> kisebb hangerő.
Sziasztok
beépítettem egy Tda8947j egy mély ládába és minden csatornáját hídaltam plusz egy hangváltó és olyan szép mély hangja van 12V jah amugy a mély ládában 2db 8 ohm-os hangszóró van ,de sajnos nem tudom hány Wattosak lehetnek.
sziasztok lenne egy kérdésem. Az elöbbi erősítőel kapcsolatban. Szoval. Nagyobb hangerőn mintha elfogyna a mély hang kicsin nagyon szép. Becsatolókondinak kerámíát használtam 300 nf-ost 1-2 mikrofarádossal jobb lenne?
Szia! Nem a kondenzátoron múlik, ha csak nagy hangerőn vesznek el a mélyek.
ötlet? Ugye a hangváltom külső és állítható hogy 30hz - 50hz vagy 100hz és 30hz jobb a dolog csak annyira nem lehet érzékelni elől a kocsiba.
A csatoló kondit cserélheted nagyobbra, az adatlap is 470nF-ot ajánl a híd elé. 680nF biztos elég lesz.
Az erősítőm TDA7294-ből lett építve. 36V tápfeszt kap.
A hangszóróim 40W körül lesznek, szóval kicsit félek, nehogy bajuk legyen majd. Szeretem jó hangosan kipóbálni őket időnként és nem akarom hogy ebből gond legyen.
Akkor a hangsugárzókat voltaképpen Tőled kell megvédeni, nem az erősítőtől
![]() Építs komolyabb limitert.
Üdv! Ez a limiter voltaképpen mire is való? Köszi!
|
Bejelentkezés
Hirdetés |








beépítettem egy Tda8947j egy mély ládába és minden csatornáját hídaltam 








