Fórum témák
» Több friss téma |
Fórum » Hangváltók (készítése)
A mértékegységeket a mérőszámtól szóköz választja el. A személynevekből képzett mértékegységek (Volt, Ohm, Amper, stb.) nagybetűvel írandók!
Rendben köszi átolvasom a témát!
Sziasztok!
Vettem egy sal2610f front szettet. Valaki belebuherált és minden rosszul volt benne bekötve. Polaritások is fordítva stb. Van benne egy HV318-8 3 utas hangváltó, 2db 16cm közép 1 dóm magas és egy 25cm mélyhangszóró. Mindegyik hangszóró 8 ohmos (műszerrrel mértem 7,9) Kérdésem az volna, hogy hogyan kell bekötni a középsugárzókat, mert egy középkimenet van a váltón és két hangszóró van a dobozban. Párhuzamosan vagy sorosan jobb bekötni a két közepet a hangváltó egy kimenetére? Köszönöm előre is válaszotokat!
Sziasztok!
Lenne egy kérdésem. A középhangszórókról le kell választani az alsó frekvenciákat? Az adatlapon az átviteli freki így volt megadva: fx-10.000Hz Volt még ajánlott keresztezési frekvencia is: 300Hz/5000Hz. Ha jól értelmezem, 300Hz-nél kell egy levágást csinálni?
Le kell ,mert sokat veszítene a terhelhetőségéből. Bandpass szűrő kell .
Sziasztok! Kaptam 2 Sharp hangfalat, "200 W"-os. 2 db 130mm-es mélyközép, +magas. Újra kéne ragasztani, mert "zizeg" nagyobb hangerőn, de azon gondolkodtam, hogy mennyit dobna a hangminőségen egy hangváltó? Mert ebben 3,4 Ohm+ 2,2 nanoF os kondi van, nem a legjobb szerintem. Van 2 db bontott RFT hangdobozból. Ezeket belerakhatnám? Az RFT-ben 4Ohm os hangszóró volt, az Sharp-ban 6. Ez okozna valami bajt? Van értelme hangváltóra lecserélnem a kondis megoldást?
Bocsi a kezdő kérdesekért. Köszi előre is.
Szerintem a nézd meg a pillét ,és a membránszélt hogy nem-e engedte el. Hangváltó csere mérés nélkül teljesen értelmetlen. Meg kell tanulni impedanciát, és átvitelt mérni akkor semmi akadálya.
Nem, hangszóróknak semmi baja! Ha kézzel összeszorítom a dobozt, semmi nem hallatszik! Mérni sajnos nem tudok, csak multiméterem van. Igaz frekvenciát mér. Azzal tudok valamit kezdeni? A hangváltónegy olyan dobozban m?ködött, ahol 1 db 4Ohm 130mm-es mélyközép+magas dóm szólt. A Sharp-ban van 1db 130mm-es mélyközép, 8Ohm-os és egy 12Ohm-os mély. Azért merült fel bennem a lehetőség a cserére, mert a hangszórók ugyan akkora méret?ek, impedenciájuk elég hasonló. Rosszul gondoltam?
(RFT 6,4 literes, a Sharp 13,54)
Építs egy ilyent , ezzel meg tudod oldani az impedancia mérést.
Sziasztok! Olyan problémám lenne, hogy van 2 darab Reflex hangfalam 300w (állítólag). Három utas mindkettő, és külön kaptam hozzá Reflex hangváltót. Viszont az a problémám, hogy a nyákon nincsenek jelölve a hangszórók bekötései
A nyák alapján elkészítettem a kapcsolási rajzot amit mellékeltem is, az alkatrész értékeket is feltüntettem, kivéve a tekercsek értékét nem tudom. A kivezetéseket is feltüntettem a kapcsolási rajzon. Előre is köszönöm a segítséget! További szép napot mindenkinek!
1.-es magas 2.es-közép 3.-as mély, gnd közös.
Nagyon szépen köszöntem a segítséged!
Nem biztos, lehet hogy az 1-es a közép, mert ott nagyobb a soros kapacitás, és a 2-es a magasé.
Értem, majd kisebb hangerőn kipróbálom mind két lehetőséget, és meghallgatom, hogy melyiknél ciripel jobban a magassugárzó.
Az egyes lesz a magas. Egy soros ellenállás a szintezéshez , utána egy soros 9,4 µF kondi ezután párhuzamosan egy tekercs. Ez egy másodrendű felül áteresztő szűrő. Úgyhogy 1.es a magas.
Sajnos a mélyközéppel semmit nem foglalkoztak , csak simán rá van köteve az erősítőre. Ez eléggé igénytelen , sőt gázos... 3.as mély. A kettesnek számozott rész után megfigyelhető egy másodrendű felüláteresztő szűrő (C3,L1) ,ezzel vágja le a mélyet ,és ezután egy 6dB meredek elsőrendű felül áteresztővel vágja le a magasat . 2.es a közép A hármas és hangszóró közé illene tenni legalább egy soros tekercset . 1mH vagy nagyobb , de kellően vastag huzalból tekerve. (1mm) .Ne kelljen teljes sávban szólnia annak a szerencsétlen mélynek.
A 2-esnél 3-ad rendű felüláteresztő van, 2µF-al indul, és ez biztosan magasabb törésponttal megy mint az 1-es. Szerintem a közepet úgy oldották meg, hogy alulról vágja a szűrő, felül meg a hangszóró saját roll-offja határolja. Mondjuk valóban elég furcsa váltó. Viszont ami még kérdéses, hogy melyik hangszórót milyen polaritással kell bekötni, ezt így ránézésre lehetetlen megjósolni.
Az a legritkább esetben fordul elő, hogy a középhangszóró érzékenységét csillapítani kelljen, 4.7 Ohm. Az a jellemző ,hogy nem elég érzékenyek a közepek , és inkább mindenféle trükkel szoktak segíteni. Pl több darabot használnak , vagy esetleg bejátszik mégegy mágnes.
Nekem is ez volt a furcsa elsőre, de szerintem nem olyan lehetetlen dolog a nagyon érzékeny kónuszos középhangszóró, ha direkt olyanra találják ki (kis mozgótömeg, nagy Bl, kis induktivitás stb.). Meg aztán nem tűnik nekem túl kidolgozottnak ez a váltó, lehet hogy középen túl hangos volt, már csak azért is, mert mint Te is megjegyezted, a mélyre semmilyen szűrőt nem tettek (takarékosan bántak a rézzel) és az is szól valamennyit középtájt. A probléma megoldása meg az lett, hogy behajították azt a 4,7Ohm-ot a közép elé. De az is lehet, hogy a szűrő a hangszóróval terhelve önmagában kiemelt és azt csillapították. Sokkal könnyebb lenne mérésekkel, egészében látni ezt a váltót. Mindenesetre én csak azt jeleztem, hogy nem feltétlen az első javaslat a jó, nehogy azt készpénzek vegye Zsozsi82 és az első nekifutáskor túlterhelje a magasakat túl alacsony frekvenciájú jelekkel.
Nekem az a véleményem , az ilyen hangoskodóknál ,nem fognak méregetni semmit sem . Ezek tankönyvi váltók , ellenálláshoz méretezve. Maximum tapasztalati értékekkel ,és egymástól hallott okoságokból áll egy ilyen váltó. Pl "másodrendűvel jobban szól a magas" " a mély elmegy magában is" .De a piezóknál enné sokkal cifrább dolgok is vannak.
Aztán jönnek a limiterek kompressorok , processorok ,equalizerek , hogy szóljon valahogy. Pedig a legtöbb esetben elég lenne egy tisztességes vátót kreálni hozzá.
Felrakok magáról a hangváltóról két képet, hátha ez alapján még többet tudtok mondani. A magassugárzó nem piezo. Viszont elég fura nekem ez a nyák! Ha gyári lenne, nem kellene valamiféle sorozatszámnak, típusnak lenni rajta? Viszont utána olvasgattam a hangváltóknak, ( http://subvoice.hu/hangdobozepites/elmelet/hangvalto1/ ) sok 3 utas rajzot is találtam, lehet építeni jó minőségűt is, csak ahhoz kellenének a hangszórók paraméterei: rezonancia frekvencia, mechanikus és elektromos jósági tényező stb. Az impedanciát még ki tudom mérni, de a többi......
Na szóval kipróbáltam, nekem úgy tűnt hogy 2-es ponton szebben szól a magas, de amikor mindhárom együtt szólt, nem igazán voltam vele megelégedve, főleg nagyobb hangerőn. Nem volt szép mély hang, inkább sok erős közép. De ezt írtátok is, hogy a mélyet is szűrni kellene.
Próbálgathatod a közép és a magas polaritásait cserélgetni, mondjuk először bekötöd a mélyet és a közepet, mindkettőt fázishelyesen, meghallgat, majd közép hangszórón polaritáscsere és úgy is meghallgat. Ahogy jobb, egységesebb a hang, azt hagyni. Ezután bekötni a magasat is és ott is meghallgatni melyik polaritással jobb. Így lehet, hogy tudsz még javítani a hangján.
Az impedanciamérés csak ahhoz elég, hogy villamosan tudjad modellezni a váltót, a hangszórókra jutó villamos jelek frekimenetét/fázismenetét meg a hangsugárzó várható impedanciamenetét tudod előretervezni (LspLAB, LspCAD stb. programokkal) ami kevés. A sok-sok neten talált univerzális váltókapcsolással nem szabad építeni, kivéve, ha azt valaki az adott hangszórókészlethez tervezte tudatosan, mérésekkel, de akkor már nem univerzális. Sok ilyen kapcsolás tankönyvi képlet eredménye, ezek még villamosan sem működnek helyesen, teletűzdelik az impedanciamenetet 2-3 Ohm-os lyukakkal, fölöslegesen izzasztják a végfokot, kiemelnek, rezonálnak, mivel nem olyan terhelés van a kimenetükön mint amire méretezték (8 Ohm-os tiszta ohmos ellenállás) Ha tudnál akusztikus méréseket csinálni, akkor sokan tudnának javaslatot adni váltóra, de az építést szerintem akkor vállald, ha nagyon problémásnak hallod azzal a Reflex váltóval.
Eléggé amatőr vagyok hangváltók terén, szerencsére itt akadnak segítőkész emberkék! A polaritás cserére nem is gondoltam volna. Köszönöm a tippet!
Az ellenállásból szerintem legalább 2X akkora teljesítményű kellene , mert ez látszatra is meg szokott hevülni. Ha nem is ég át akkor kiforrasztja magát.
4R7 M 8W, a feketeség nem hiszem, hogy égés rajta fényes nem matt, és nem is megy körben az ellenálláson csak pont a tetején látszódik. De valószínű, hogy melegedett. Szóval cseréljem min 16W-osra?
Üdv!
Téma: 2 utas hangváltó. Tapasztalt Fórumtársak vélemyényét szeretném. A doboz és hangszórók sokfélesége, műszerezettség hiánya esetén mennyire járható út, ha egy aktív hangváltóval, 2 erősítővel megpróbálok egy jól hallgatható váltást kikísérletezni, majd ezek után megcsinálni a passzív váltót. Ha járható, akkor tudna-e segíteni valaki egy megfelelő kapcsolással, amivel átbogarásszam a hangsávot és megjegyezhesem: heuréka... Kimondottan nagy érzékenységű, kis hangerőnél is részletező hangzású dobozra vágyom. Nagy hangerőnél bizonyos fehérzaj keletkezik a fejemben, így a néhányszázvattos merülőforralók nem érdeleknek igazán. ![]() Ui: Jelgenerátor, oszcilloszkóp,frekvencia, kapacitás, induktivitás mérő, etc. mű és valódi terhelés, STK végfokok garmada azért akad a háznál... Köszönöm előre is! appme
Üdv mindenkinek!
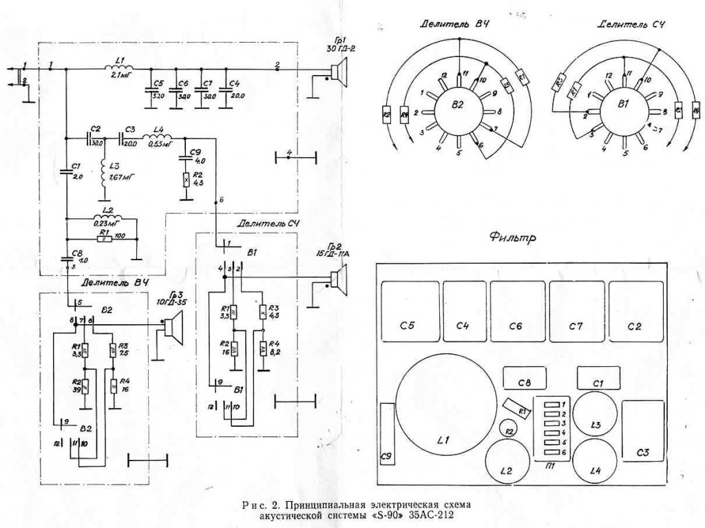
Itt vannak a rádiótechnika hangfalak hangváltóinak kapcsolási rajzai! |
Bejelentkezés
Hirdetés |














