Fórum témák
» Több friss téma |
Fontos: PICKit2 klón építése tanácsok
Csak érdekesség képen említem, én nem a PICKIT2-öt, hanem a Brenner8 Minit-t használom, de annál is ugyan ez a probléma a 12F629-es kontollerrel. Mivel nem értek a programozáshoz, csak mezei után építő vagyok, így nem is foglalkoztam evvel az apró hibával.
Tools menüben nézd meg mik vannak kipipálva.Én is küzdöttem a 12f629-el,(Fast progrming,Lvp program entry) ezek tudnak hasonló problémát okozni.
Melyik is az a kapcsolás, amibe a 12F629 kellene?
Ez itt fordítható a 12F629, 12F675, 12F683 8 lábúakra, valamint a 16F627(A) és 16F628(A) 18 lábúakra. A 18 lábúak esetén a B port RB0, RB1, RB2, RB4 lábai a led kimenetek, az RB5 a hangszóró és az RB7 a gomb, a MCLR lábat a tápra kell húzni 10k -val.
Szia!
Jól haladok a furatszerelt klónoddal, csak néhány alkatrész hiányzik. Az (U5P) IRF7314-hez kell megcsinálnom a kis panelt. Q1-hez is használhatom gond nélkül az IRF7314-et a kis panellel? Nem tudtam beszerezni az IRFD9024-et. U2-höz nem azt küldték amit kértem, valami SO8 tokozásu IC-t küldtek SN1052. Mellékletben feltettem róla képet, igen rosszak, de azért látható a felirat. Légy szíves nézd meg a másik két IC tényleg IRF7314, sok rajta a felirat! Az U2-höz az LM358-t vagy a LM393-at talán könnyebben betudom szerezni, melyik lenne a jobbik választás? Még egy kérdésem lenne, a C15 47u/25V ennél szükséges hogy 25V-os legyen? Van egy darab 47u/16V-os tantál kondim, gondoltam betenném a 10u/16V-osok mellé. Segítségedet előre is köszönöm.
Köszi a tippet! Ha majd megint használatra kerül, megnézem.
Szia!
1: IRFD9024 helyén IRF7314 - Igen, úgy van tervezve. 2: SN@1052 - Tedd el jobb napokra, ez inkább MCP3102 3: IRF7314 - Ha jól látom, a két felső SO8 tok IRF7314 4: U2 - MCP6002 vagy MCP602 lenne a jó, de kipróbáltam LM393 ill. LM358 -cal is, ezekhez be kellett ültetni az R42 -t (1k, de nálam IRFD9024 volt) is, értékét addig levinni, míg a Q1 le nem zár teljesen vezérlés nélkül - azért a LMxxx max. kimeneti áramára is ügyelni. Az a jó a furatszerelt kivitelben, hogy beteszel egy foglalatot neki, ha lesz MCP6002, egyszerűen kicseréled... 5: C15 47u/25V - Sajnos kell a tartalék, mert 13.5 V -ig igénybe lesz véve. Tantál nem jó ide...
Köszönöm a segítséget, még próbálom a megfelelő alkatrészeket beszerezni. Talán lesz szerencsém.
Köszönöm szépen!
Magyarul ha 12 f675 re vagy 12f683 ra fordítom, akkor változtatás nélkül használható ugye? És köszönöm szépen a segítséget! Szerk.: A 675 még olcsóbb is mint a 629...
12F629I/P - 230, 12F675I/P - 250, 12F683I/P - 290, 16F627A - 380 +Áfa. <- ChipC@d
A fordításhoz az adott kontrollerhez készíts egy projectet és fordítsd le. A forrás feltételes direktívákkal kezeli a kontrollerek eltéréseit.>
Rendben, köszönöm. Én HEStore-t néztem, érdekes ott olcsóbb, pedig ők is onnan rendelik, de az a pár tíz forint nem lényeges.
Most már van egy kis reményem, volt egy kettő projekt amit meg akartam építeni, de 629-volt benne, és inkább hanyagoltam, de most már megoldódott. Köszönöm!
Sziasztok!
Az lenne a kérdésem, hogy a két 512-es eeprom helyett, le tud-e kezelni két-két 256-os eepromot a pk2. Köszi
Szia!
Nagy szerencsémre találtam a fiókomban MCP6002-öt, kiszedem az R42 (1k) így már nincs szükség rá. Már csak egy LED és egy megfelelő méretű nyomógomb hiányzik és a két kis panel az IRF7314-hez amit ma megoldok. A gondom a PIC18F2550 égetése, nem akarok már kínlódni a WLPT-minivel. Az lenne a kérdésem, hogy elvállalnád-e a PIC égetést és a klón üzembe helyezését? Természetesen honorálom a munkádat. 24FC512 még nincs beszerezve, de a Chipcad-ben találtam elfogadható áron. Nem tudom szükségem lesz-e rá mivel még életemben nem is égettem PIC-et. Ha elvállalod és neked van otthon elfekvőben akkor megbeszéljük. Egy képet feltettem a mellékletben.
Szia!
- A 24FC512, 24FC1025 csak akkor kell, ha a ProgramAndGo funkciót is használni szeretnénk. Nélküle is használható a klón programozásra, nyomkövetésre, USB - soros átalakítóként, 3 csatornás logikai analizátorként. A panelen elfért, ha majd egyszer kell, nem kell másik panelt készíteni.
Szia!
Azt látom az adatlapodon hogy egyezik az irányítószámunk, ha nem akarod postán utaztatni a pic-et, tudok segíteni a felprogramozásban, mert van egy Szilva féle klónom. Keress nyugodtan ha gondolod. Üdv, Gábor
Sziasztok!
Még 2009-ben megépítettem a Watt féle PICkit2-t, amit megelégedéssel használtam idáig. Illetve tavaly nyárig kb. Idő hiányában félre kellett tennem, de most újra üzembe akartam helyezni, de nem megy a kedves. A PC és a Pickit2 programozó érzékeli. Pontosabban működik (működne), de a VPP csak 4,2V !! Lehet, hogy megsértődött? Az USB-n megvan az 5V. Tudnátok segíteni, hogy merre keressem a hibát?
Szia!
PICKIt2 vezérlő programját indítsd el, Tools / Troublesoot menüben mérd a Vpp értékét. Ez alatt multiméterrel is mérd az ICSP 1. csatlakozó pontját és a R7 és R8 közös pontján a feszültséget. A R7 és R8 közös pontján 4.37V -nek kellene lennie.
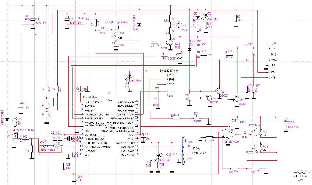
Szia!
Nálam nincs R7 - R8 közös pont. Feltettem a kapcs.rajzot. Nekem a "régi" watt féle égetőm van.
Ez a Szilva féle klón, akkor az R2 és R3 közös pontján... Ebben sokszor pusztul a Q1 ... A Q1, Q3, Q4 és Q6 megérdemelne egy-egy 100k -s ellenállást a G és S elektródák közé.
Sziasztok!
Látom, még mindig népszerű a Szila -féle PICKit2 klón, a mellékletben egy módosított nyomtatás, ami a G - S ellenállásokat és a MCLR felhúzó ellenállást is tartalmazza.
Bonyolódik.
Betettem a 100K ellenállásokat. Kicseréltem a Q1-et. R2-R3 1,75V A VPP viszont 4,83V ra emelkedett
Ha a Tools / Troublesoot menüben mérsz:
- Nem működik a Q1. A gate -re nem jut el a pic 12. lábáról vagy a drain és L1 között van szakadás. - Q6 nyitva van vagy D-S zárlatos. Ekkor R4 terheli a Vpp vonalat. - Esetleg Q5 nem nyit ki rendesen, bár a feszültségosztón mért értékből a C4 -re 4.79V -ot számoltam. R3 2k7 és R2 4k7? - D1 milyen típus?
Bat85 diódák vannak benne.
Átnézem, amit írtál.
Elvileg jó minden.
Nem lehet, hogy a PIC vagy FW adta meg magát? Megoldódott a probléma.Az FW szállt el. Egy korábbi hsz-ben (Hp41C és szilva) leírtak alapján sikerült frissíteni a FW-t, és működik! Köszönöm a segítséget!
Sziasztok!
Azzal a problémával fordulok hozzátok, hogy van 3db pic16f818 kontrollerem amiket a SZILVA féle picki2-vel már számtalanszor felprogramoztam 1 héttel ezelőttig. Sajnos 2 pic16f818 égetése után ez a hiba üzenet jelentkezik: Programming failed at Proram memory address 0x000000. Hozzáteszem, hogy belsö osszcillátort használok illetve az mclr láb kikapcsolva, bemenetre van állítva valamint a kódvédelmek kikapcsolva. Érdekes módon néhányszor tökéletesen ment a felprogramozás ilyen konfigurációs beállítással is, a harmadik pic16f818-at tökéletesen tudom égetni, és más pic-eket is. Ellenőriztem a pickit2 feszültség értékeit teljesen jók. Számtalanszor töröltem, beolvasáskor nullákat ad vissza és a konfigurációt all protect-re állítja. Olyan mintha nem tudná olvasni a pic-et a felismerés tökéletesen működik. Egy hétig nézegettem a fórumokat kipróbáltam néhány dolgot, de nem jutottam eredményre. Nem hiszem, hogy egyszerre 2 pic tönkre ment volna. Ha valaki tud segítsen. Előre is Köszönöm.
Válaszd a "Vpp first programing entry" módot...
|
Bejelentkezés
Hirdetés |
















