Fórum témák
» Több friss téma |
Fórum » VFD óra IV-6 csövekkel
Témaindító: rockersrac, idő: Jún 28, 2010
Témakörök:
Nem akarok beleszólni, de a két link ugyan oda mutat, akkor belinkelném az 5. is, ami megegyezik a 3. és 4. el
Ezt már mind néztem,viszont a lábak "kör" átmérőjét és a lábak közti távolságát nem találtam sehol. Főleg ez kellene.
Én például mezei IC foglalatba forrasztottam be őket. Így cserélhetőek is, ez később jól is jött amikor egyszerre 6csőnek lőttem el a fűtését.
De mivel elég vékonyak és hajlékonyak is, gyakorlatilag tetszőleges méretű körben elhelyezheted a forrpontokat a nyák-on.
Itt megtaláltam, majdnem 5percig kerestem.
Boldog karácsonyt!
Köszi. Én is láttam ezt, de olyan kicsi kép volt hogy nem lehetett elolvasni.
Érdekes, nekem sikerült... 7,7mm a körátmérő és 30°-onként van egy láb, összesen 12db.
Köszönjük, ezt eddig nem láttam
Ha esetleg tervezel hozzá Eagle-ben libraryt kérlek tedd majd közzé. A csőnek 11 lába van használatban, de valóban van olyan amelyiknek 12 van az üvegbe öntve. Nekem egy gyári dobozból kivéve van köztük olyan aminek van lába, aminek gyárilag le van vágva és meghajtva mintegy távtartónak és olyan is van amiben nincs láb a 12. helyen.
Sajna az Eagle-höz nem értek, ez a feladat másra vár.
Való igaz a 12-esből sok verzió van. Most épp olyanom van amiről teljesen hiányzik.Amúgy már majdnem egy éve készen van ezekkel a csövekkel egy órám, de még mindig nem volt időm/kedvem egy rendes tápegységet gyártani neki. 60V megbízató előállítása nekem elég nyűgös. Eddig egy kapcsolóüzemű táp volt a legesélyesebb, de csak egy csővel ment jól, 6-tal már leesett a kimenete 7V-ra.
Később felteszem sprint layout 5 makróját... Már ha az megfelel...
Biztos többen örülni fognak neki, én jól megvagyok a ECPF14-es foglalatba forrasztással.
Ha professzionális ic foglalatból kiszeded az érintkezőket és beleforrasztod az olyan mint a csőfoglalat. Ha valaki készít neki nyákból kis keretet akkor meg szinte gyári és nagyon esztétikus.. Lényeges a nyákon legyen alul felül forrszem így jóval erősebb lesz.. Persze a gyári furatgalvános nyák az tart legjobban,,
Én ezt rajzoltam hozzá, ezzel készítettem el a kijelző panelt...
K-F közé megy a fűtés, K--> katód, F--> fűtés ugye. ![]() R--> Rács, a többi pedig a digitek... Az üres forrpont az ominózus 12-ik láb.
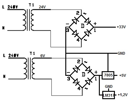
Mit gondoltok, ezzel a táppal működhet az órám? Puffer elkókat már lusta voltam berajzolni, képzeljük őket oda.
Ha multiplexen hajtod a csöveket, könnyen kevés lehet a 33V. Szerintem inkább egy DC-DC konveterrel volna érdemes próbálkozni (pl. mc34063 vagy uc2577), hogy beállítható legyen a feszültség.
Én rajzoltam már iv-6-ot eagle-ben. DE! Még sosem használtam, így nagyon ellenőrizd át mielőtt nyákot csinálnál belőle! Lehet hogy nem jó!
Elég a 33V, mert ment már 32-ről, csak az a táp pokolian melegedett.
Ettől függetlenül nem kőbe vésett érték, csak 24V-os trafót könnyű szerezni. Ilyen DC-DC konverter és egyéb varázslatok nálam valamiért nem szoktak működni, egyszer próbáltam egy kapcsolóüzemű tápról hajtani, de az is csak egy csővel ment jól, ha betettem mind a hatot akkor leesett a fesz 7V-ra... ezért gondoltam valami "megbízható" megoldásra, amihez nem vagyok sötét. Bár ha van valami kipróbált kapcsolási rajzod, amit már legalább egy élő ember működni is látott már akkor talán megpróbálom. :yes:
http://www.hobbielektronika.hu/forum/topic_hsz_1109432.html#1109432
Dugdosós panelon működött...
Végül összeraktam a tápot. A szegmens és rácsfeszültséget egy 2x18V-os 3,5VA transzformátor adja, a tekercsei sorba kötve, egyenirányítás és pufferelés után üresjáratban 64V, terhelve 53V körül van, ez így jó is. A logikai köröket és a PIC-et egy 2x6V-os 3,5VA transzformátor szolgáltatja egyenirányítva, pufferelve 8,5V, 7805-tel stabilizálva 5V. Ez is rendben van. A fűtést viszont a 8,5V-ból állítom elő egy LM317-es stabilizátorral. Ezzel van a problémám, mert ugyan jól működik és a fényerő is rendben van (6cső, fűtések párhuzamosan, 2,5 Ohm előtéttel), de az LM317 borzalmasan melegszik. Borda nélkül 2-3perc és már nem érdemes hozzáérni, mert éget... bordával ugyanez csak kb 1,5-2 óra alatt. Véleményem szerint kb 4 óra alatt el is füstölne. Van valami olyan, bevált, módszer ami nem jár melegedéssel??? Köszönöm a segítséget előre is!
Az hová teszi a pluszt, fűtés helyett? PWM jelleggel szabályoz? Ha mondjuk, 555-tel sok KHz-en kapcsolgtom ki-be a 8,5V-os betápot akkor megfelelő kitöltési tényezővel eljuthatok az 1,25V-ig, nem!?
Hogy hová teszi a pluszt, azt nem tudom, mert annyira nem értek a kapcsolóüzemű tápokhoz, de talán az induktivitásban tárolja az energiát. PWM-re is szabályozhat, de pl az 555-tel működő boost converter frekvenciával szabályoz.
Amúgy találtam a neten több kapcsolást is, csak nagyon kis áramúak. A 6 cső együtt 500mA-t vesz fel és az nem kevés. A robosztusság és a megbízhatóság miatt szerettem volna minél "kőbaltásabban" megoldani, minimális mennyiségű alkatrésszel.
Szia!
Én még csak tervezgetem az órát... A leírás végén egy kapcsolási rajz van, amelyiken 2 db MC34063 -mal oldják meg az anód és a fűtés tápellátását. A két áramkör elfér két csőnyi helyen. Igaz IV-12 csőhöz készült a terv, de átalakítható IV-6 -ra. A legnagyobb előnye, hogy ellenállás cseréjével (potencióméterrel) állíthatók a feszültségek. Egy óránál nem érdemes 14% hatásfokkal analóg áteresztő tápot használni.
Köszönöm szépen. Holnap a munkahelyen lesz bőven időm áttanulmányozni!
Átnézegettem a pdf-et. Ha jól gondolom akkor az MC34063A step-down konverter állít elő +2,5V-ot. Valamit ír, bár nem 100% az angolom, hogy azért +2,5V, mert a fűtésnél a GND pont -0,7V, a D17 és D18 diódák miatt, tehát a fűtőszálon +1,5V halad. Én kiragadtam a rajzból a lényeget és a két diódát is áthelyeztem, sorba a kimenettel. Szerintem így jó kellene, hogy legyen, bár nem bánnám, ha valaki lektorálná, aki nálam jobban ért hozzá.
Szia!
Két kérdés: 1 - IV-6 -os csövet használsz? IV-4 -nél 0.85 <= Uf < 1.15V 2 - Multiplexálva vezérled? Ha multiplexálva vezéreljük, akkor, ha nem kell egy csőnek kijelezni, le kell zárni. Erre volt jó, hogy a főtés (egyben katód is) magasabb potenciálon volt, mint a rács. Multiplexálva: IV-6 -ra a fűtés feszültsége 1V + 2 * Ud(6*50mA) = 1V + 2* 0.55V = 2.1V. Erre kellene beállítani a fűtés tápot. Az R3 -öt 1.5k -ra cserélném. A D17 és D18 diódákat visszaraknám a földhöz. Nem multiplexálva: Egy diódát (0.55V*300mA=165mW) meg lehet spórolni. A fűtőfeszültséget 1.55 V -ra beállítani, ekkor R3 520 ohm lenne. Az anód tápot is kapcsolóüzemű táppal kellene előállítani. Ld. IC4 és kapcsolódó elemek. Az IV-4 -hez 30V anód táp kell, az R7 2k2 és R8 50.6 k. Ellenállás könnyebb cserlni, mint franszformátort. >>
Igen, IV6-ot használok és a szegmens és rácsfeszültség multiplexálva van, a fűtés viszont konstans. Lezárás meg hasonló dolgok nincsenek, de ennek ellenére sem szellemképes. Úgy jól működik ahogy van, csak az LM317 melegedése az egyetlen bajom.
Idézet: Azt hiszem ezt fogom tenni. Köszönöm. „Egy diódát (0.55V*300mA=165mW) meg lehet spórolni. A fűtőfeszültséget 1.55 V -ra beállítani, ekkor R3 520 ? lenne.”
Nem tudja valaki ,hogy hol, lehetne beszerezni IV-18 csövet? Vagy nincs valamelyikőtöknek a porosodóban? Vagy nem tudja valaki, hogy milyen műszerekbe/ gépekben használtak ilyet?
http://www.decadecounter.com/vta/pict4/iv18.jpg előre is köszönöm!
Pont tegnap néztem, hogy hemzseg tőle az ebay.com. Ha jól emlékszem olyan 4000Ft-nyi dollárért találtam a legolcsóbban, bár elég felületesen szemlélődtem, mert mást kerestem.
Szia!
Mielőtt élesben indítod mérd ki a feszültségeket. A diódán eső feszültség csak adatlapból származik, így kisebb eltérések is adódhatnak. Nem mérésen alapuló adatokat adtam meg, csak számoltam... |
Bejelentkezés
Hirdetés |





Ha esetleg tervezel hozzá Eagle-ben libraryt kérlek tedd majd közzé. A csőnek 11 lába van használatban, de valóban van olyan amelyiknek 12 van az üvegbe öntve. Nekem egy gyári dobozból kivéve van köztük olyan aminek van lába, aminek gyárilag le van vágva és meghajtva mintegy távtartónak és olyan is van amiben nincs láb a 12. helyen.








