Fórum témák
» Több friss téma |
Fórum » Hegesztőtrafó egyenirányítása
Hello!
A segédtrafó paramétereit meg tudnád adni? Előre is köszönöm!
Egy 380 as biztonsági trafó az alap, aprimert az nem tudom mennyi , mivel az nem bontottam szét, a szekundert meg addig tekertem hogy elértem a kellő feszültséget, ha lehet minnél vastagabb huzalbol tekerd a szekundert, nekem nekem 0,8 asbol van igyis müködik de nem ártana áttekerni 1,6 ra vagy nagyobbra,
Sziasztok! Mpisti. lenne gy kérdésem....
sikerült tekercselnem egy segéd trafót szekunder 2,0mm de kevés volt ismét a huzalom! 45,1 V sikerült kihozni belőle.. vagy még szerzek ilyen huzalt vagy beépitem a kondenzátorokat 3db 10000µF 100V az is meg emelné egyenirányitás után esik a feszültség , kb 60V lenne az üresjárati feszültség a kondikkal, viszont a hegesztő feszültség szerintem nem esne le annyira mint azelőtt a 0,8 as huzalal.. 19-21Volt azért a segédtrafó keresztmetszete is sokat számit szerintem..
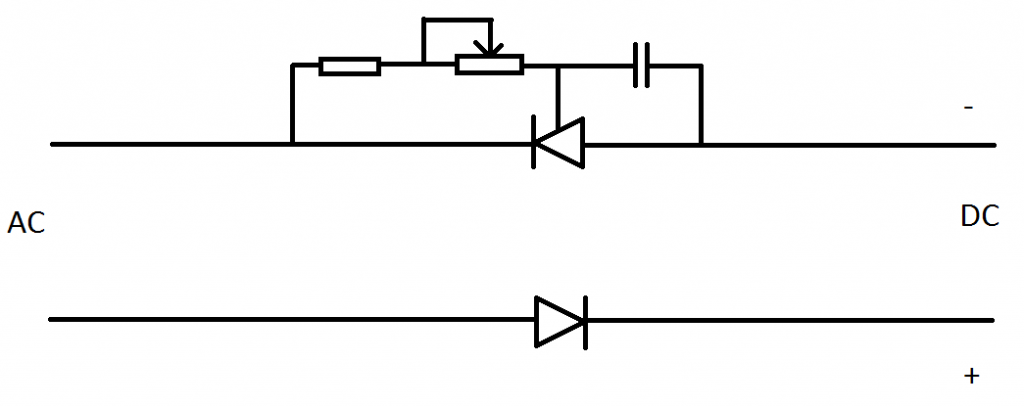
Nincs még ezeknél is egyszerűbb? Az első melléklet alig olvasható, és ha jól látom co-géphez való, a második akár még jó is lehetne, csak "T" transzformátor adatait nem tudom, meg 1m ohmos ellenállást is nehéz lenne beszerezni/készíteni. A másodikról "tirisztoros hegesztő.pdf" nincs valami leírás, hogy a potik mit állítanak, a ledek mit jeleznek, meg működésről leírás, az építéshez pár jó tanács? Mert mondjuk kicsit macerának tűnik a megépítése... Pulzace az impulzus üzemmódot jelent? Azt co gépeknél szoktak alkalmazni, nem?
steve25: én is a segédtrafós dolgot tervezem kipróbálni, csak bevonatelektródás kézi ívhegesztéshez, úgy, hogy lapos karakterisztikájú mikró trafót az ív feszültségre tekerek(20-24V) és ezt 50V-ig felemelni egy segédtrafóval...
Már megbocsáss, de ezeket a rajzokat én is a különféle hegesztős fórumokról szedtem össze, tehát építési leírást ne várj tőlem. Véleményem szerint mindhárom rajz jó eséllyel utánépíthető, de természetesen némi villamos alapismeret szükségeltetik, enélkül kár rá időt pazarolni.
Kérdezted, nincs-e egyszerűbb? De van, a fokozatkapcsolós.
Azért reménykedtem, hogy valaki épített már ilyet
nem hiszem el hogy ne lenne egyszerűbb megoldás 50+ alkatrészes kapcsolásnál arra a dologra, hogy a null-átmenettől x időre kapcsoljunk egy impulzust... A kapcsolások között van triakos szabályzó, kb 5 alkatrészből, ami szénkefés motorokkal kiválóan működik, és rezisztív terhelésekkel is. Elvileg az ív is rezisztív jellegű terhelés... Van némi villamos alapismeretem, de nem jártam se villanyszerelő se technikusi képzésre. Elvileg ezek a tirisztorok begyújthatóak úgy is, hogy egy ellenállást rakunk a gate és katód közé: "Természetesen lehet a tirisztorokat is sima diódaként üzemeltetni, a gyújtóelektróda és a katód közé kötött megfelelő ellenállás segítségével" Miért nem lehet egy RC-taggal gyújtani, amiből az R egy potméter lenne, amivel lehetne szabályozni a gate feszültségét adó kondenzátor nyitó feszültségre töltésének idejét?
Idézet: „Elvileg az ív is rezisztív jellegű terhelés...” Ott a pont! Mármint az elvileg szócskán... A hegesztőtrafó viszont nem tudja ezt és igencsak megvadítja az egyszerű háromalkatrészes fázishasító kapcsolásokat, a végeredmény pedig ingadozó íváram, és a kismegszakító sűrű oldása. Valamivel jobb a helyzet, ha triac helyett tirisztorokat használsz, de még itt is számolni kell a fentebb írtakkal.
Szekunder oldali szabályzásra gondoltam, te is arra? (a triakos 5 elemes megoldás persze a primer oldalon van, de a vezérlés elve, hogy feltölt a kondi, diakot kinyitja, és az utána a triakot, vagy hasonló, a szekunder körben alkalmazható lenne, nem?)
Így gondoltam a megoldásokat:
Szerintem a szekunder oldali szabályzásnál is jelentkezik az induktív komponens, nem beszélve a veszteségek növekedéséről.
Igen, de tegyük fel, hogy amúgy is szeretnénk egyenirányítani a hegesztőtrafónkat... Ha ezt a szabályzót nem a primer oldali triak gate-jére kötném, hanem a szekunder oldali tirisztorok gatejére, mi történne? (persze a kis trafó + részét nem a 220-ra kötném, hanem a szekunder oldali 50V-ra)
Hogy ez az 50+ alkatrészes megoldás mennyire bonyolult azt nem tudom, de egy sima RC tagos indítás, főleg ha 100 A környéki áramokról van szó, elég bizonytalan, zavarérzékeny lehet. Én már jártam úgy hogy ha egy sima TTL-es IC-re a 100 nF-os telepszűrést nem közvetlenül a telep és föld lábakra kötöttem, (hanem csak úgy a szokásos telepszűrés), akkor a bit hiba arány (ber) 3 nagyságrendet romlott. Ezért javasolnám az opto triakos megoldásokat. Lásd HP Opto katalógus. Egyszerű, biztonságos, szigetelt vagy mindentől, a 3000V-os átütési fesz előírás is könnyen biztosítható, stb.
Időnként olyan nagy a p..., pardon, hangod. Lefikázod az évtizedek óta hegesztőgépeket javítókat. Máskor, mintha bármit magad meg tudnál tervezni és készíteni. Most meg:
Idézet: „nem jártam se villanyszerelő se technikusi képzésre.” Akkor hogy is van ez? Hidd el, ha szükség lenne rá, mpisti is meg tudná tervezni a vezérlést vagy motormeghajtó áramköröket, de a sok javítás mellett nincs rá ideje, vagy nem érdeke. lhanzi pl. gyárt sok CO2 hegesztőhöz szükséges eszközt, mint ahogy én is készítettem egykor komlett CO2 hegesztőket. Igaz, van annak már 17-18 éve.
Bocs, nem volt célom lefikázni senkit! Azért mondtam, hogy nem jártam se villanyszerelői se technikusi képzésre, hogy sajnos az én életemből kimaradt, hogy kapcsolásokkal, kivitelezéssel ilyen módon kapcsolatba kerüljek(pedig szeretnék nagyon), ezért ha kérdezek vagy mondok valamit abban lehet hiba. Azt meg hogy kételkedek valamiben szeretném ezután is folytatni, mert szerintem ez viszi előre a világot, a kételkedés, és vitatkozás. Ettől függetlenül lehet hogy én jobban értem a komolyabb elméleti dolgokat, mert én végzős villamosmérnök hallgató vagyok, de csak egészségügyi beállítottságú gimnáziumba jártam. Viszont hogyha hozzám bárki kérdéssel fordult, tudásom és lehetőségem szerint mindig igyekeztem válaszolni. Vagy ha valamely állításomba valaki belekötött, akkor elmagyaráztam neki hogy milyen elképzelés alapján jutottam oda, és nem sértődtem meg, azért viszonyulok így bárkihez mert azt szeretném, ha hozzám is így viszonyulnának. Engem érdekelnek a dolgok működése, ezért kérdezgetek itt, és olvasom a sok oldal fórumot, és ha valaki válaszol nekem én csak hálás vagyok érte, és örülök neki.
Ne haragudj, ha nem veszem komolyan az általad leírt, leendő végzettségedre vonatkozó megjegyzésedet. Egyrészt azért, mert az általad feltett kérdések nem támasztják alá azt az elvárható elméleti tudást amivel egy végzős VILLAMOSMÉRNÖK hallgatónak rendelkeznie kell. Ezt konkrétan a teljesítmény félvezetők;még konkrétabban a tirisztorok működésére vonatkozó alapvető hiányosságra alapozom. Ekkora teljesítmény mellett , különösen ha a terhelés nem konstans -ívről lévén szó, bevitt külső anyag lecseppenésekor aperiodikus rövidzárási állapotokkal tarkítva- nem a tirisztor bekapcsolása az elsődleges probléma, hanem a kikapcsolása. Ha ilyen egyszerű megoldással lehetne szabályozást-és nem vezérlést- végrehajtani, egyetlen ezzel foglalkozó kutatónak sem jutott volna eszébe spéci céláramkörök kifejlesztése egy-egy feladatra. Már korábban többször leírtam, most ismét megteszem: a 4-5 alkatrészből álló "szabályzók egy izzóhoz jók, de nem jók egy olyan eszközhöz mint a hegesztőtrafó. Igen sokféle félvezetős szabályozású hegesztőgép megfordult a kezeim közt, de még a legprimitívebb (Pl.BHKV T400C;350H stb..)is olyan gyújtókört használt, amelyik garantálta a biztos ki-és bekapcsolását a tirisztoroknak. Szerintem egy műveleti erősítővel és néhány plusz alkatrésszel kialakított gyújtókör abszolút nem bonyolult, és az egyszerűségéhez képest jó eredményt produkál. Alakítottam át BHKV T400C gépet úgy,hogy az eredeti gyújtókör helyett egy WEMI gyújtókört építettem bele. A gép két klasszissal lett jobb, pedig nem is ívstabilizátoros volt a beépített gyújtókör. Ezt csak érdekességképpen írtam le neked azért, hogy érzékeltessem, a gyújtókör és gyújtókör közti különbséget. Rajtad kívül sokan vannak,akik szeretnének eredményt elérni úgy,hogy elmondják-leírják hogy mi a problémájuk, és várják hogy majd valaki megoldja helyettük. Ez sajnos nem működik. A kézzel fogható eredményért meg kell dolgozni. Itt a fórumon mi csak segíteni tudunk tapasztalattal, rajzzal alkalmasint elméleti okfejtegetéssel, de problémát mindenkinek saját erőből kell megoldani.
Én se gondoltam, hogy most tervezzen valaki helyettem kapcsolást
Mi itt automatizálunk, vákuumporlasztással szilícium réteget növesztünk, fourier sorfejtünk, laprace transzformálunk, meg ilyenek. A tirisztorok kapcsolástechnikájával meg hegesztő transzformátor szabályozással nem foglalkoznak, meg hasonló gyakorlatias dolgokkal eléggé. Nem haragszom egyébként én semmiért. Teljesítményelektronika az utolsó félévben lesz, így az első 2,5 évben még nem volt szó teljesítmény félvezetőkről, bár ott se biztos hogy ez lesz a fókuszban. De ott se valószínűleg a teljesítmény félvezetők gyakorlati alkalmazása lesz a téma. Ezért olvasok meg kérdezgetek, hogy megtanuljam, amit nem tanítanak meg (és érdekelne). Egyébként azt, hogy speciális esetben, mint például hegesztő trafóba hogyan gyújt, vagy kapcsol ki a tirisztor biztosan nem fogják mondani. A tirisztort, triakot, eddig is ismerem mint félvezetőt. Valóban nem a legbonyolultabbak az általad linkelt kapcsolások, csak az említett "T" jelű transzformátor méreteit nem tudom magamtól kitalálni, 1m ohmos ellenállást pedig nem tudok szerezni, ami elbírná a hegesztő áramot, és műszerem sincs, hogy megmérjem, hogy mekkora kábeldarabnak van 1m ohm ellenállása, ilyen kis ellenállást nem tudok mérni(még). A WEMI gyújtókör az egy gyújtókör típus vagy egy konkrét kapcsolás?
Ok, értelek én, csak nem megy a fejembe, hogy lehet az egy felsőoktatási rendszerben,hogy miközben kristályt növesztesz ; Furier analizálsz és Laplace transzformálsz, nem tudod hogy az általad kiszámított képletek alapján növesztett kristály mihez lesz jó, illetve abban milyen folyamatok játszódnak le, és ami lejátszódik az miért is van úgy -ahogy. Én úgy képzelem el a dolgot, hogy először megtanulod a matematikai alapokat, majd a gyártástechnológiát, és végül az alkalmazástechnológiát.
Ezzel párhuzamosan pedig egy-egy laborgyakorlat során szert teszel némi működéstechnikai és gyakorlati tapasztalatra. Ha nem így van, akkor tévedtem(nem először) de én így képzelem el. Anno a Zipernowsky-ban így működött az okítás, köszönet érte többek között Szántó tanár Úrnak; Éliás tanár Úrnak, Wind Feri tanár Úrnak, hogy a legjobbakat nevezzem meg a jók közül. Más: A WEMI egy olasz márka, hagyományos gépek terén eléggé jelentős cég. Volt szerencsém ilyen gépet javítani, ekkor került hozzám pluszba egy hibás szabályzókártya, amit visszarajzoltam, majd megjavítottam. Ami a legfontosabb, nem impulzussal, hanem impulzuscsomaggal gyújt, és nagyon spécin lehet vele szabályozni. De az lényegesen bonyolultabb a linkben szereplő gyújtókörök bármelyikénél. A söntellenállástól nem kell hanyatt esni, a neten néha szinte fillérekért lehet ilyent venni, tehát nem kell az elkészítésével bajlódni.
Rendben, kösz szépen! Én is látom, hogy ez a probléma, hogy nincs elegendő laborgyakorlat, ezért járok ide fórumozni
Meg csinálok magamnak laborgyakorlatot, mérést. Az elméletet viszont keményen bevasalják... Egyébként akkor nincs bajom a bonyolultsággal, ha érthető, főleg nincs akkor ha ugye már kész kapcsolást kell megvalósítani, ami csak kézügyességet igényel sokszor, ezért is általános iskola 8-ban belevágtam tda7294-el végfokot építeni, ugye amíg fiatal az ember sose elég hangos a zene... Egyébként olyan széles terület ez az villamosság, elektronika, hogy azért nehéz egy embernek minden területén profinak lenni, ebben azért megegyezhetünk? A lényegesen bonyolultabb azt jelenti, hogy A4-es nyákra fér csak rá? Esetleg beszkennelnéd amit lerajzoltál? Ha már bonyolult, akkor legyen, mindig is a végletek embere voltam... Itt egy lista hogy miket tanítanak nekünk, ha érdekel:
Olyan szépek ezek a tirisztorok, hogy addig nem nyugszom, amíg nem fogok nekik valamit építeni... Egyébként mindjárt más lenne a helyzet, ha lenne itthon oszcilloszkópom, és látnám a jelalakokat, csak nagyon drágák. Egyébként már gondolkozom rajta, hogy beviszem a primer oldali fázishasításos szabályzós hegesztőmet, aztán kikönyörgöm hogy had szkópoljam meg. Jó lenne a rákötött egyenirányítót is lemérni terhelés alatt, meg kicsit próbálgatni különböző fojtótekercseket, és közbe mérni, de szerintem az felejtős, hogy engem valamelyik laborba beengedjenek hegeszteni. Így csak álmodni tudok jelalakokról, amit néhány helyen feltöltenek fórumozók, vagy a képzeletemben megjelenik
Már nagyon érik, hogy a hangkártyámmal és egy feszültség osztóval megmérjem a primer triakos szabályzóm, csak ott meg ugye figyelni kellene arra, hogy a hangkártya test potenciálja és 0 közösítve van a földelés által, így ha a mérőzsinórt rosszul kötöm be, rövidre zárhatom a fázist a 0-val, vagy hibás mérési eredményt kaphatok.
Üdv.
Talán próbálkozhatnál a TCA 785-ös el.
Igen sokszor kínálnak aukciós oldalakon nagyon jól használható kétsugaras -+extrás oszcilloszkópot néhány tízezer Ft-ért. Hidd el, jobban megéri gyűjteni rá mint egy White(vagy Black) Sensation koncertre. Óvva intelek attól,hogy hangkártyás megoldással akarjál bármiféle mérést csinálni,mert az egy veszélyes játék. Én minden mérést leválasztó trafón keresztül táplált szkóppal végzek, mert nem szeretnék a figyelmetlenség miatt eldobni egy szkópot. Az említett kártya nem A4 lap méretű, talán ha B5 nagyságú, és 3 fázisú. Ne haragudj, de a rajzát nem tenném közzé, remélem megérted.De az általad komplikáltnak vélt rajzok alapján készítendő szabályzó élesztésében szívesen segítek.
Igen, ez egy jó ötlet. Nem drága, és jól használható. Már én is használtam targoncatöltőbe ilyen IC-vel készült szabályzót. 150A 80V-os töltő eredeti szabályzóját váltottam ki vele.
Rendben, megértem, hogy nem teszed közzé. Tegnap, azaz ma 6-ig olvasgattam, a TCA785-ös adatlapot már nézegettem korábban is, igazából nem veszélyes, csak az impulzus trafó nekem még mindig homályos, valaki itt a fórumban egy fél mondat erejéig beszélt róla, de egy hasonló fázishasítós ic, az UAA145 adatlapján is van a kapcsolásba impulzus trafó, meg amit kérdezgettem "T" jelű trafó is impulzus trafó, az UAA145 adatlapján példának hoznak egy bizonyos típusú impulzustrafót, arra gondoltam, hogy első körből rákeresek arra, hogy az milyen, hátha az utánépítéshez valamit ellesek. Úgy látom, hogy java része a szabályzóknak a szekunder körbe épített söntön eső feszültséggel (ami az árammal arányos) dolgozik. Arra gondoltam, hogy akkor nincs más választás, fogok egy darab jó vastag rézkábelt, jön a réz fajlagos ellenállása, aztán kiszámolom, hogy mekkora hosszra van szükség a helyes sönt ellenállás értékhez, csak az isten se mondja meg ponosan, hogy mekkora lehet az oxigén, vagy ötvözőanyag tartalma a kábelnek, ami módosítja az ellenállást, de szerintem jó közelítéssel fogom számolni. Most kicsit éledek még, aztán döntök, hogy melyik szabályzó lesz, és izzítom a projektet!
Az impulzustrafóra találsz ajánlásokat a régi rádiótechnika évkönyvek tirisztoros kapcsolástechnika rovatában. Jó eséllyel szinte minden alkalmazásra jók ezek a trafók, fazékmagos kivitelűek javarészt, a fazékmag beszerzése nem lehet probléma. A neten hiába keresel adott impulzustrafdó típusra, legfeljebb megtalálod a gyártót, illetve a lehetőséget hogy hol rendelhetsz belőle minimum 5000 db-ot. A sönt ellenállásra vonatkozólag már korábban írtam megoldási lehetőséget, a rézkábeles megoldás igen esetleges, bár alkalmazható megoldás, ha a hőfokfüggés nem számít. UAA145-ben ne gondolkozz, -ha csak nem áll belőle néhány a polcon- mert arany árban mérik. Helyette inkább a TCA 785, vagy valamelyik jelenleg is beszerezhető típust válaszd.
Az inverteres hegesztő maci és bocs trafója(Tp.2) nem jó nekem? Az is impulzus trafó lenne, nem? (EI 25-30 magra 35 menet) Van itthon EI 33 meg EE 25 mag így ami legközelebb áll. Keresek akkor pár rádiótechnika évkönyvet.
Az impulzustrafók esetében ugyanúgy fontos tényező a működési frekvencia, mint a főtrafóknál. Tehát ami FET vagy IGBT vezérlésére készült, annak is megvan a működési frekvenciája tól- ig, ugyanígy megvan a tirisztor/triac vezérlő trafónak is. Ebből következik, hogy a két alkalmazásban a közös csak az elnevezés. Amíg a FET-vagy IGBT gyújtó trafók esetében a menetszám 10-20 menet tartományába esik, addig a tirisztor-triac esetében ez ennek 5-10-szerese a frekvencia és alkalmazástechnika függvényében.
Igazad van, a frekvenciára nem gondoltam.
83-as évkönyvbe beszélnek impulzustrafós gyújtásról, utána lévő évkönyvekbe nem igazán találtam tirisztoros kapcsolásokat, az előtte lévőkbe meg van tirisztoros kapcsolás, csak impulzustrafós nincs (80-ig). Googlen se találok semmi használhatót, Bővebben: Link Bővebben: Link ilyenek vannak, de hogy a kapcsolás készítője milyen áttételűre, és induktivitásúra gondolt, azt én nem tudom megmondani, meg 7-15 Eurót nem fogok adni egy kis pici transzformátorért, amit valószínüleg én is meg tudnék csinálni ötöd áron...
Mondjuk az adatlapjukon az áll, hogy az 1:1 áttételűt használják tirisztorokhoz, szóval ennyivel már többet tudok.
Látod látod. Egyszer egyszerű könnyen meg építhető (érthető) szabályzót szeretnél. Aztán a ló túl oldalára esel. Egyszerű könnyen érthető, többször írtam változtatható értékű induktív ellen állás. potival szabályozható. Amelyik körbe akarod Jellemzője, fakír az impulzusokra. "mágnes erősítő" De kapcsolást nem találtam. A tirisztorok" lomhák" amit mpisti mondott javasolt rajz az jó, csak macerás ha mindent be kel szerezni. A 2 Dióda+2 Tirisztor kapcsolás a lomhaság ellen jó. Greats után szar a Tirisztor mert kioltót kell beépíteni. Kérdezd meg mpistit hogy van e kapcsolási rajza, az induktív szabályzásról. Ha elkészült Azzal sok olyat fogsz tudni produkálni vezérlés, jel alak, simítás. Hátránya plusz trafók, plusz súly, bár készült kompakt változat nagy 3 fázisú gépekbe. Elnézést ha a megnevezések nem pontosak.
A tca adatlapján lévő panelre csináltam nyáktervet, impulzus trafót a lomexbe láttam 300Ft körül, az még elfogadható.
Az impulzustrafóval nekem is gondok voltak ,konkrétan senki sem tudott információt adni róla .Próbaként egy EI 33 magra pc tápból tekertem 150 primer ,2x 150 szekundert,és láss csodát bevált .Megjegyzem én TIG vezérlésére használom ,Ha utána nézel az "AWi vagy TIg" témában itt a fórumon írtam róla .Próba ként a primert változtattam 250 menetre,nagy változás nem történt , (de azt hiszem szkóppal nem néztem,már nem emlékszem),lényeg a lényeg hogy így is működik,ezzel csak azt akarom mondani,hogy esetemben a plusz 100 menet nem változtatott semmit.Én először kis 16A tirisztorokkal próbáltam,nehogy hazavágjam a nagyobbakat,miután minden oké volt jött a főpróba ,most dobozolásra vár a projekt
|
Bejelentkezés
Hirdetés |




nem hiszem el hogy ne lenne egyszerűbb megoldás 50+ alkatrészes kapcsolásnál arra a dologra, hogy a null-átmenettől x időre kapcsoljunk egy impulzust... A kapcsolások között van triakos szabályzó, kb 5 alkatrészből, ami szénkefés motorokkal kiválóan működik, és rezisztív terhelésekkel is. Elvileg az ív is rezisztív jellegű terhelés... Van némi villamos alapismeretem, de nem jártam se villanyszerelő se technikusi képzésre. Elvileg ezek a tirisztorok begyújthatóak úgy is, hogy egy ellenállást rakunk a gate és katód közé: "Természetesen lehet a tirisztorokat is sima diódaként üzemeltetni, a gyújtóelektróda és a katód közé kötött megfelelő ellenállás segítségével" Miért nem lehet egy RC-taggal gyújtani, amiből az R egy potméter lenne, amivel lehetne szabályozni a gate feszültségét adó kondenzátor nyitó feszültségre töltésének idejét? 

Mi itt automatizálunk, vákuumporlasztással szilícium réteget növesztünk, fourier sorfejtünk, laprace transzformálunk, meg ilyenek. A tirisztorok kapcsolástechnikájával meg hegesztő transzformátor szabályozással nem foglalkoznak, meg hasonló gyakorlatias dolgokkal eléggé. Nem haragszom egyébként én semmiért. Teljesítményelektronika az utolsó félévben lesz, így az első 2,5 évben még nem volt szó teljesítmény félvezetőkről, bár ott se biztos hogy ez lesz a fókuszban. De ott se valószínűleg a teljesítmény félvezetők gyakorlati alkalmazása lesz a téma. Ezért olvasok meg kérdezgetek, hogy megtanuljam, amit nem tanítanak meg (és érdekelne). Egyébként azt, hogy speciális esetben, mint például hegesztő trafóba hogyan gyújt, vagy kapcsol ki a tirisztor biztosan nem fogják mondani. A tirisztort, triakot, eddig is ismerem mint félvezetőt. Valóban nem a legbonyolultabbak az általad linkelt kapcsolások, csak az említett "T" jelű transzformátor méreteit nem tudom magamtól kitalálni, 1m ohmos ellenállást pedig nem tudok szerezni, ami elbírná a hegesztő áramot, és műszerem sincs, hogy megmérjem, hogy mekkora kábeldarabnak van 1m ohm ellenállása, ilyen kis ellenállást nem tudok mérni(még). A WEMI gyújtókör az egy gyújtókör típus vagy egy konkrét kapcsolás? 






