Fórum témák

» Több friss téma
Fórum » Inverteres hegesztőtrafó
 
Témaindító: Gabi, idő: Aug 12, 2005
Lapozás: OK   253 / 565
(#) Tubi56 válasza Tubi56 hozzászólására (») Feb 5, 2012 /
 
A többi! A kapcsolások fent vannak az oldalon
(#) Tubi56 válasza Tubi56 hozzászólására (») Feb 5, 2012 /
 
még ez is! A gate trafót alakítsátok úgy ahogy nektek is jó. Nekem ilyen van itthon.
(#) Tubi56 válasza Tubi56 hozzászólására (») Feb 5, 2012 /
 
A feszültség szabályzónál a zénerrel lehet változtatni a küszöböt ahol aktiválódik jelen esetben 11V alatt. amit a led is jelez.
(#) erdgab válasza Tubi56 hozzászólására (») Feb 5, 2012 /
 
Sanyi,amint képes leszek rá,át fogom nézni,sajna a gif csatolások szétesnek megnyitáskor a tömörített csatolásra pedig hiba üzenetet kapok,a többi oké.
(#) Tubi56 válasza erdgab hozzászólására (») Feb 5, 2012 /
 
Ha a nyáktervet látod akkor a többi nem érdekes, mert azt úgy is tudod melyikről van szó
(#) Pásztor István válasza Pásztor István hozzászólására (») Feb 10, 2012 /
 
Ahogy ígértem, csináltam egy meghajtó trafót a Merkle hegesztőbe. Csak ideiglenesen kötöztem be, próba képen. Először meglepett a jel alakja, de rájöttem, hogy légrés van a vasmagban és torzítja a jel alakját.
Kicseréltem a vasmagot légrés nélkülire és csodálatosan működik. Meghajtó Fet jég hideg. Készítek egy végleges beépíthető darabot, majd berakom a végfokot és hajrá had szóljon.
(#) X Sügi X hozzászólása Feb 16, 2012 /
 
Sziasztok!

Itt az ígért Elektrosta rajz, ami megegyezik a Pásztor István Merkle gépével. Egyelőre csak a rajz, holnap már felrakom rá a pozíció feliratokat illetve az alkatrész értékeket is. Ma már sajnos nincs időm. De már nem bírtam ki, hogy ne töltsem fel.
Megvan a teljes nyák rajz is, kicsit még szépítgetni kell, de lassan az is elkészül. Ha sikerül, akkor (kisebb kompromisszumokkal) egy teljes dokumentációt kaptok, amiből bárki utánépítheti a gépet.
(#) erdgab hozzászólása Feb 17, 2012 /
 
Van még új a nap alatt itt
Többet építési és dobozolási fitymálást ne halljak.
(#) dobo válasza erdgab hozzászólására (») Feb 17, 2012 /
 
Hát igen a szokol rádióhoz hasonlít!
(#) vottokar válasza erdgab hozzászólására (») Feb 17, 2012 /
 
Nem akármi. Igazi orosz dizájn!
(#) kissadam válasza erdgab hozzászólására (») Feb 17, 2012 /
 
Oroszoknál a kreativitásból nincs hiány.
(#) Csölle hozzászólása Feb 18, 2012 /
 
Sziasztok,egy kérdésem lenne Colt 1300-asba a kimeneti fojtóhoz kell-e U57 ferrit vagy jó a légmagos megoldás.
(#) Temela válasza Csölle hozzászólására (») Feb 18, 2012 /
 
Üdv!

A rajzon légmagos a jelölés...

A többiektől kérdzem balga kérdésem:
- Mitől colt a colt? , avagy pl. nem maci - a vezérlő IC-től vagy más megoldástól? ( vagy csak én nem fedeztem fel valamit? , nem látom a fától az erdőt? ) ahogy egyre több és több rajz kerül elő mindenféle névvel és márkával - nekem annyira egyformának tünnek - na jó hasonlónak! Nem sértődnék meg egy kis felvilágosításon...
(#) erdgab válasza Temela hozzászólására (») Feb 19, 2012 /
 
Megpróbálok válaszolni,nem biztos,hogy a fórumtársak is így gondolják majd,de akkor kijavítanak.A Colt egy gyári gép a Maci pedig eredetileg egy orosz kolléga szellemi alkotása,mely az idők során több változtatáson esett át,mi magunk is módosítottunk rajt.A gyári gépek,hasonlóan mint minden más gyári termék (TV,rádió,mosógép,kávéfőző,stb.)külsőleg-belsőleg hasonlítanak egymásra,de minden gyártó valamit módosít a készüléken,nem mindig jó irányban,hogy ne lehessen mondani,lopott a technika.Ez hozza az egymással versengés szellemét is.A Coltnak és a Macinak is vannak hiányosságai,melyet hozzáértő után építők tudnak módosítani,javítani a kapcsolástechnikán s jobb gépet létrehozni.Ez olyan mint a két ledes villogó (na jól van,annál azért komolyabb),ezerféle képen megalkotható,a legegyszerűbbtől a mikrokontrolleres legbonyolultabbig,de a végeredmény akkor is az,csak a megbízhatóság és a funkciók variációja változik,no meg az ár.
(#) Csölle válasza Temela hozzászólására (») Feb 19, 2012 /
 
Hello,bocsi azt tudom hogy a rajzon légmagos a fojtó.Rosszul kérdeztem a dolgokat ,azt akartam kérdezni pontosan hogy ha U57 el oldanám meg akkor jobb-e lenne mint a légmagos.Pár kép a gyári gépről.
(#) (Felhasználó 46585) válasza Csölle hozzászólására (») Feb 19, 2012 /
 
Ha ugyaz az induktivitás értéke mindkét esetben, akkor nagyjából ugyanúgy fog működni. A különbség az lesz, hogy légmagos esetben nagyobb lesz a rézveszteség, hiszen sokkal hosszabb drót kell bele, jobban fog melegedni. Az lehet, hogy a ventillátor kiszellőzteti, de azért a hatásfokban beleszámít. A másik, hogy a légmagos tekercs nagyobb ohmos ellenállásán nagyobb feszültség fog esni ( ugyanazon az áramnál ), ez azt jelenti, hogy ennyivel nagyobb feszültség kell a szekunder oldalra, hiszen ezt is elő kell állítania a szekunder oldalnak. A gyakorlatban ez azt jelenti, hogy nagyobb kitöltéssel jár a főkör. Ha ez még belefér, akkor nincs különösebb baj, de ha nem, akkor kisebb áttétel kell a főtrafóra, ami azt jelenti, hogy arányosan megnő a primer oldali tranzisztorok árama. Mindenképpen jobb a ferrites kivitel, feltéve, hogy nem telít be. Emellett szól az is, hogy a ferrites kivitel mágneses tere kevésbé szór kifelé, mint a légmagos szolenoid, vagyis kevésbé zavarja a környező alkatrészeket, egyszerűbb elhelyezni.

A különbség a Maci, meg mondjuk a Colt között nem sok van, inkább csak funkciókban, meg abban, hogy a vezérlés hogyan van megcsinálva. A lényeges részek egyformák, vagyis a főkör rendszere az aszimmetrikus félhíd ( két dióda, két tranyó ). Ez már rögtön meghatározza a főtrafót, meg a kimeneti fojtót, ezek, - azonos frekvenciát feltételezve - kb. kétszer akkorák, mint mondjuk egy teljes hidas gép esetén. Szóval a leglényegesebb különbségek a főkör kialakításában vannak, a többi csak részlet, sokféleképpen megoldható és ha minden korrektül van benne megépítve, akkor sem árban, sem alkatrész darabszámban nincsenek lényeges különbségek.

Egy Macit azért érdemesebb építeni, mert ezen a fórumon sokkal több tapasztalat gyűlt össze az élesztésével, kivitelével kapcsolatban, mint egy gyári gép esetében.
(#) Temela válasza erdgab hozzászólására (») Feb 19, 2012 /
 
Köszi!

-asszem jól gondoldoltam, megkaptam a választ...
(#) Temela válasza Csölle hozzászólására (») Feb 19, 2012 /
 
Na!, ehhez már nem értek!

- az én TECHUP 140-es gépemben is így van, frankón működik! (olasz, képeket korábban valamikor feltettem)
- straus gépben meg két ferrit gyűrűs, igen vékony dróttal! - és azis elég jól működik...

S7000656.jpg
    
(#) Csölle válasza (Felhasználó 46585) hozzászólására (») Feb 19, 2012 /
 
Köszönöm a válaszodat,a Maciból már kettőt megépítettem és nagyon jól működik mind a kettő.Úgy gondolom hogy most megpróbálkozom a Colt után építéssel.A vezérlés már működik a jelek jók a freki pedig 60KHz,a táp a vezérlésnek trafós ,lágy indítást a Maciféle rajz alapján készítettem el 555-el.
(#) (Felhasználó 46585) válasza Csölle hozzászólására (») Feb 19, 2012 /
 
Ha jól csinálod meg őket, akkor nem lesz különbség. Ha kiszámolod, hogy az anyag mennyibe kerül, ott sem lesz számottevő különség. Nem attól lesz valami olcsóbb, hogy 10 db ellenállással kevesebb kell bele...Egyetlen dolog a lényeg: preciz munkát kell végezni.
(#) polas válasza Tubi56 hozzászólására (») Feb 19, 2012 /
 
Tisztelt Tubi56.
Igen a poti beállításakor vizuálisan szeretném látni, egy "egérmozin" a beállított áramerősséget.
Nem hegesztés közben akarom nézni.
Profi, nagyon drága gépeken látni egérmozi kijelzőket.
Gondolom sokkal megbízhatóbb, mint a potira irkált jelölések.

Azért ha valaki tudna adni hasznos infot,leírást, rajzot azt megköszönném.

Köszi
(#) Temela válasza polas hozzászólására (») Feb 19, 2012 /
 
Üdv!

a profi jelzőt erőssen cáfolnám, pl az én STRAUS gépemen is van és azt azért profitól messze állónak látom ( a rajza kínai tig200 névvel /asszem/ fennt van a fórumon, de jelölve ilyesmi nincs- na, az különbség!, mert írtam anno, hogyí teljesen megegyezik...
- szerintem egy egyszerű panel műszer+ poti - ill. az áram szab. potiról véve a feszváltozás?
(#) Csölle válasza (Felhasználó 46585) hozzászólására (») Feb 19, 2012 /
 
Üdv katt,tudom hogy a kisujjadba van ez a téma.A főtrafót szeretném a Colt-hoz megcsinálni.A freki ahogy írtam 60KHz,van E65 -ös ferrit trafóm az AL -je 8600 anyaga 3C9-es.A menetszámot szeretném kiszámítani hozzá ,csak nem tudom a képletet.Tudom hogy itt a fórumon már volt róla szó ,talán az erdgab kollégánk tette közzé csak nem tálálom sehol.Ha segítenél /vagy segítenétek/ a kiszámolásban azt megköszönném.
(#) Tubi56 válasza polas hozzászólására (») Feb 19, 2012 /
 
Majd lerajzolom! Én is így csináltam meg az áram kijelzést.
Ez nem profi, de jó.
(#) Tubi56 válasza polas hozzászólására (») Feb 19, 2012 /
 
Itt van! :yes:

Egérmozi.lay
    
(#) erdgab válasza Csölle hozzászólására (») Feb 19, 2012 /
 
Orosz kolléga után mutatom a képletet,kéttranzisztoros nyitó konverterre:

n=(10000xUx0,5)/(2xfxBxA)

n=primer menetszám
f=frekvencia Hz-ben
B=max. indukció (0,1-0,4-ig)
A=ferritmag keresztmetszet
2=a négyszögjel miatt
0,5=az egy irányú igénybevétel miatt
U=feszültség
(#) (Felhasználó 46585) válasza erdgab hozzászólására (») Feb 19, 2012 /
 
Ezzel a képlettel valami nem jó. ( Vagy nem tudom milyen mértékegységekben kell beírni az értékeket. )

Tehát, a trafóra jutó feszültség-idő terület: 300 x 8.6us=2580uVs, ami 0,002580 Vs. Ennyi ideig lesznek maximálisan bekapcsolva a tranzisztorok. ( Miután max 50%-os a kitöltési tényező. ) Ez alatt nő az indukció a vasban, ezen a frekvencián ne legyen több, mint 0,15 T. A vasmagkeresztmetszet - ha jól emlékszem - akkor 6 cm2. Tehát a primer menetszám: 2580/0,15/0,0006= 28,6 menet.

Ez egy kicsit soknak tűnik, ha a ventillátor rendesen hűti, akkor feljebb lehet menni az indukcióval, akkor kisebb menetszám adódik. Én nem szoktam ventillátort használni, úgyhogy nem tudok okosabbat mondani, hogy mekkora indukciót visel el a vasmag forszírozott hűtéssel.

Korábban már leírtam valahol, hogy hogyan lehet a minimális menetszámot megállapítani még elfogadható vas melegedéssel. Célszerű lenne megkeresni, mert a menetszám nagyon függ a megengedhető veszteségtől, meg ugye vasmag minőségétől. Tehát,érdemes kihegyezni.
(#) Temela válasza Temela hozzászólására (») Feb 20, 2012 /
 
Üdv!
ezt tanulmányozd... -egérmozi
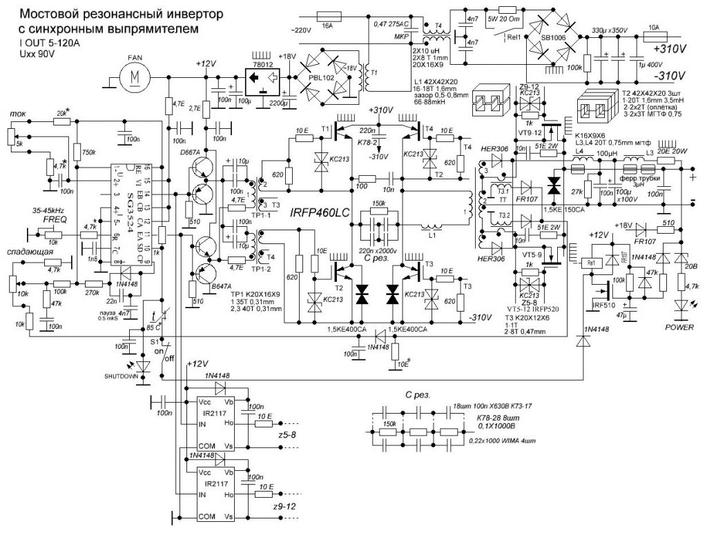
(#) Temela hozzászólása Feb 20, 2012 /
 
Üdv!

Mit szóltok? -miért van a kimeneteken FET?
(#) mpisti válasza Temela hozzászólására (») Feb 20, 2012 /
 
Gondolom így emelik meg a gyújtófeszültséget.
Ha megnézed a tekercselési adatokat, abból látszik hogy a nagyáramú szekunder 2x2 menet, a növelt feszültségű 2x3 menet. A FET kapcsolja rá a kimenetre a megemelt feszültségű részt. Bár az áramkört nem tanulmányoztam át, de szerintem hegesztés közben ez az áramköri rész valószínűleg lekapcsolódik.
Következő: »»   253 / 565
Bejelentkezés

Belépés

Hirdetés
XDT.hu
Az oldalon sütiket használunk a helyes működéshez. Bővebb információt az adatvédelmi szabályzatban olvashatsz. Megértettem