Fórum témák
» Több friss téma |
Üdv! Jól mértél, a 4-es lábon pedig -15V-nak kéne lenni.
Igen ez így van. Olvastam előző fórum bejegyzésekben, hogy a 0091Ohm is okozhat hasonló jelenséget, ezek most rövidre vannak zárva.
Visszaolvastam, volt ilyen eset amin kondenzátor csere segített: Bővebben: Link
Ha ez nem válik be, végig kéne mérni az ellenállásokat.
Szevasztok. Elővettem régi quadomat még amit 2 éve építettem, egyik oldalt rosszak a tranzisztorok, milyet tegyek bele a bd249-ek helyett?
Szia ha mást akarsz betenni akkor mindenképpen TIP35C-t tegyél be.
Sziasztok !
Soldier007 nyákrajzán néztem egy ellenállást, ez az erősáramú föld elválasztó ellenállása lehet? Sárgával karikáztam a képen. Az kb. 2 ohm körül lehet? Ezen a képen ezt nem tudtam leolvasni.
Szia! Nehéz érvet felhozni amellett, hogy a két emitterkövető BC miért a teljesítmény föld felől kapjon kollektor áramot. Nincs 100nF tápszűrés, nincs Boucherot-tag, így nincs ok az erősáramú föld jelenlétére.
Köszi szépen szerintem ez lesz belőlle. Nem gerjed ez amúgy?
Sziasztok!
Lenne 1 kérdésem:megépítettem az urbán féle quad-405-öt de az egyik oldalon a kimeneten lévő 10ohmos ellenállás füstöl. Tudna valaki segíteni? Előre is köszi
Szinte biztos hogy valamiért gerjed (pedig nem szoktak).
Üdvözlet mindenkinek!Egy Castone Cpa200-a dobozába készülök beépíteni egy Quad 405-öst és az volna a kérdésem hogy a benne lévő 10K-s hangerőszabályzó potméterek megfelelőek lesznek e a Quad végfokjaihoz?
Előre is köszönöm a válaszokat!
Szia! C15-ös kondit beletetted? Képet tehetnél fel, róla, hátha abból is kiderül valami. Milyen tranzisztorok vannak benne? Valamit használsz még előtte? Nekem 8db-ból egy se gerjedt még.
Sziasztok !
Tegnap próbálgattam a régi javított Quad-ot, és a bal oldali nyákon melegedés "szagát" éreztem. Kiderült, hogy a T10 E-B közötti 22 Ohmos ellenállás kivezérlésnél melegszik. Alapban hideg, de arányosan a teljesítmény növelésével forrósodik. A jobboldali viszont hideg marad. Ez mitől lehet? A másik, hogy ugyanerről a tápról "deszkán" meghajtottam az Alkotós változatot.... hát azt hiszem még párat összerakok, ez állatira megszólal. Az egyik hangfalamba ki is nyírtam a magasat. Ég és föld volt a két kapcsolás. Vagy valami nagyon nincs rendben a régiekben, vagy az áramkorlát miatt nem jön belőle ki több. Ha valaki tud valami ötletet, akkor előre is köszi !
Volt nállam is rá példa, most is csinálja, ha eldurran akkor elkezdi a szinusz alsó felét háromszögesíteni. Lehetségesen a tranzisztor benne a ludas.
Köszi !Valószínűleg nálam is ez lesz, mert ez egy régi BD249 a másik felén már cseréltem 2sc5200-ra. Ott minden rendben, és az a gyanús, hogy megtapintva ez a BD nem melegszik annyira, mint a többiek. Teszek egy próbát, lecserélem majd, csak most az Alkotós változat dobozolásán dolgozom.
Őszintén Alkotó félének mi különbözete egy origina/Urbán féléhez képest?
Ez a B.Ludwig által modifikált változat (illetve Otlm is hozzátett), amihez én "csak" a paneltervet csináltam.
Nem értitek, mi az ami alkatrészben különbség,kiegészítés? Én egyedül a műveleti erősítőt és a két végtranzisztort figyeltem meg.
Én nem tudom, mi a különbség, mert csak amatőr szintem foglalkozom az elektronikával. Így aztán nem tudom, hogy egy két elem értékének változtatásával milyen különbségek keletkeznek. Szerintem az áramkorlát itt később lép közbe, mert a kettőzött végek nagyobb terhet viselnek el, így tápfeszt is lehet növelni. De Alkotó biztos tud konkrétabb dolgokat is. Nem szidom a régit, mert tudom, hogy jó. Nagy az esély, hogy az enyémmel van valami gond. Egy tuti, hogy ha nagyobb teljesítmény megy ki, akkor egy szint után a membrán elkezd ide-oda lassan mozogni. Ezt a másik nem csinálja, hanem csak úgy "dől" belőle a hang. Pedig csak +-45V-ról megy.
És szerinted itt meddig lehet a Tranzisztorokat a végén sokszorozni?
Sajnos ezt én nem tudom, láttam kapcsolást, amiben 4 is volt, de úgy emlékszem sima tranzisztoroknál a szórás miatt nem lehet "végtelen"számú többszörözés, mert amelyik kevésbé dolgozik, az nem veszi át a terhet a jobban teljesítőtől, ellenben a FETeknél ez másként van, ott lehet többszörözni, csak már nem emlékszem mit is mondott egy elektronikai mérnök ismerősöm, hogy azoknál miért lehet. Ha valaki tudja, írja meg, sajnos én tényleg csak ennyit tudok mondani.
Tiszteletem
Itt megtalalod http://quad405.com/405mods4.pdf a kerdesre a valaszt.A B.Ludwig nevezetu tisztelt uriember leirja hogy mit es miert valtoztatott a quad-on . Minden jot
Beleolvasgattam igazából elég sok minden javít bár van ami szerintem akkora * mint ide Nagykáta, van ami érthető is hogy mért jó, van ami meg tényleg felesleges.Azért kösz a pdf-et elkezdtem tanulmányozni.
Sziasztok, nincs meg valakinek véletlen az Urbános, TO247-es sima 100w-os nyák terv lay formátumban?
Kerestem itt de nem találtam meg.
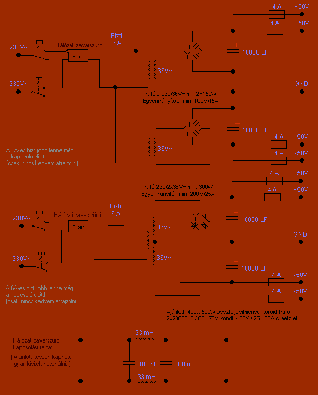
Üdv mindenkinek!Kis segítségre volna szükségem!Éppen építek egy quad-ot és most tartok a kábelezésnél és volna egy kissé amatőr kérdésem mégpedig az hogy készülék fém dobozára a bejövő 220-as földelt csatlakozó föld-jén kívül kell e még valamit a dobozhoz kötni?Röviden vázolom hogy mit rakok a dobozba : 1 db 2X35V AC 450W Toroid trafó ,1db 15V AC 10W kis trafó (A koppanásgátlóhoz!) 2db graetz kocka 2db 10000u 63V Pufferkondi 2db Giantsound-os GPA 100-MF ( QUAD 405 )végfokmodul,2db 10k potméter(Volume)+ ki és bemeneti csatlakozók+ki/be kapcsoló.A csatolt tápegység kapcsolási rajz felső variációját szeretném alkalmazni!Na szóval dilemmába vagyok hogy a GND-t ahol a két kondi össze van kötve hozzá kell e kötni a védőfőldhöz vagy ez hülyeség?Előre is köszönöm!
|
Bejelentkezés
Hirdetés |












