Fórum témák
» Több friss téma |
Ha szükségem lenne rá megtudnám. Bár az attyni programozáshoz én sem értek. Miért nem választasz magadnak olyan villogót amit nem kell programozni? Nem kell elsőre a legbonyolultabbat választani.
csináltam már egy ledes alkonykapcsolós úszóbolyát ,bár ezt egy utcai közterületes villogóból másoltam le és kicsinyi tetem le,meg felváltva villogó ledes kütyüt. Van egy motorom és abba szeretném ezt be építeni persze nem utcai használatra csak optikai tunig miatt mint ezt az angyal szemes beépítést.
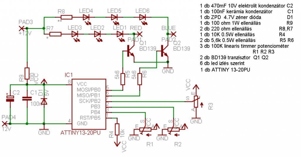
Nyák tervezés és megépítésében nem lenne gondom ha kapnék valakitől egy olyan alkatrész listát hogy miből áll egy ilyen villogó . mint pl olyanra gondoltam hogy ?kell hozzá.
2-DB tranzisztor ami-BD139.- 1-DB attny13 ic_-ha tudod a többit elenálás -kondi-trimmerpoti -akkor írd vissza előre is kösszi
Jó az ötleted, kezdő barátunk a mikroprocesszoros megoldással (egyelőre még!) biztosan nem boldogul.
Első nekifutásra valami egyszerűbb megoldás célszerűbb a számára. Például a javaslatod... Csak érdekességképpen: Még az ősszel a pécsi vásárban vásároltam olyan normál, ("eldobható") gázöngyújtókat, amiben 3 db. kis elem (sorba kötve), egy "kulcslyuk kereső LED viágítás", és egy "NÍNÓ"azaz "rendőr villogó áramkör" (kék-piros 3x-3x fürgén felváltva villogó) LED morzsa van a kb. 0,5x1 cm-es , kb. fél milliméter vastag NYÁK lapocskára építve. A kis áramkör a normál méretű gázöngyújtóba van helyezve, a piezó gázgyújtó nagyfeszültségű tere indítja (kontaktus nélkül!!!) az áramkört, egy-egy gyújtáskor kb. 20 másodpercig villogtatva az öngyújtó házába épített kis nyák lapon lévő LED morzsákat.. Egy piezós (másik) öngyújtó pl 8-10 cm-ről aktiválja az áramkört (egy 20 mp-es "villogási ciklusra), egy elemes gázgyújtó pedig kb. 15 cm-ről. Én magam 220 forintért egységáron vásároltam még a ősszel ilyeneket, nem dohányzom, az elektronika miatt, a feltűnő áramköri kijelzés (pl. vízfogyasztás jelzés) céljából. A kicsi nyákon a LED kivezetések hozzáférhetőek, nagyobb teljesítményű meghajtás onnan megoldható, az áramkör pedig adott... Nem kereskedem, de néhány darabot ötletszerzésként megkeresésre át tudok adni, az elektronika egyéb felhasználási tippjeivel, ha a barkácsoló környezetében nem szerezhető be ilyen öngyújtó.
Helyzet a következő meg csináltam a nyák lapot szerintem elég jó lett nő létemre .sehol sem ér össze ahol nem kéne csak a fény miatt látszik úgy, már csak a bele való alkat részek kellenek.
Ha már ennyire elszánt vagy , kérd meg a villogó "szülőattyát " küldjön neked egy fel programozott processzort .
Már megtettem csak a válaszra várok remélem nem hiába..
Remélem nem maradt ki semmi.
Köszönöm szépen. Látod te tudod mit akartam és köszönöm mindenkinek a hasznos tanácsokat ha elkészül és működik vissza töltök minden pontos információt.
Megvetem mindent össze építettem és nem csinál semmit azonkívül hogy a jobb oldal folyamatosan világit :no:
Az Attiny fel van programozva, vagy csak vetted a boltban?
Én is a mikrovezérlőre gyanakszom.. Viszont ha az jó akkor ha van multimétered, azzal csipogó állásban mérj végig mindent, hogy nincs-e valahol zárlat, vagy ónpaca valahol.
Néha még én is belefutok.Az szokott a gyanús lenni ,mikor teszem be az ic-t meg szoktam nézni hova csatlakozik a tápfeszültség láb.A panel tükörképét készítetted el ,mint fő ok.Ha jól látom, ha a paneled a működő mellé teszed -felülnézet,alul van a réz - pont a tükörképe.
Helyes a meglátásod de gondoltam erre nem az első nyák készítésem pont ezért tükröztem a számítógépen a rajzot és úgy nyomattam ki és vasaltam rá
Pontosan ezt készítettem el és egy kicsit átkellet rajzolni trimmerpoti lábait hogy beférjen kb 1,5mmrel feljebb
Vettem a boltban ?de hogy kel az ilyet felprogramozni ..én nem értek hozzá de a videó bemutatóból nem derül ki hogy kéne programozni mert én úgy vetem ki a z egész ből hogy a trimmerpoti - val alítom be a villogások sebességét és mennyiségét :help:
igen ez tiszta látam a pötyöt
Kérdés ha jó látom így van valahogy
Virtuálisan csak összerakjuk
A készítő nem válaszolt? A boltba vásárolt IC még önmagában nem alkalmas a villogtatásra.Ehez kell bele az a program amit az oldalon mellékeltek a leíráshoz.
Szerintem tükrözni volt kár .Vasalásnál ha a felülnézeti panelterv van akkor nem kell tükrözni semmit.A felülnézetet (tehát amit a panelen az alkatrészek felől látsz ,azt kell kinyomtatni,ezután ezt vasalni.
Ha ezt a videót nézted, Bővebben: Link akkor az első percben már említi a kolléga, hogy a processzorba program kell. Kérd meg privátban, hogy küldjön neked programozott IC-t.
Én még mindig azt mondom, hogy egyszerűbb lenne egy olyat megépíteni amibe nem kell mikrovezérlő...
j olvan még egy kisérletett teszek ,még jó hogy duplán
vettem mindenből.de rendesen szakszervizből vetem mindent és ott azt mondták nem kel ezeket proramozni benne van minden..
Akkor az nem szakszerviz,vagy valami kitt ként vetted.Az attyni 13 tuti programozandó.Egyébként ha az előző panelből kiveszed az alkatrészeket az újba is pontosan stimmelni fognak.Ami még kísérlet tárgyát képezheti az IC-t kiveszed ,átfordítod a lábait és vissza teszed.Lehet a rossz helyen kapott tápot még túlélte.A többi alkatrész nem érzékeny szerintem a tükröződésre.(De azért ellenőrizheted a te paneleden ,meg a képen ugyan azon lábai vannak e összekötve.-különös tekintettel a tranzisztorokra- ) .Azonban ha az ic-d nincs programozva kár vele vergődni ,nem fog működni.
|
Bejelentkezés
Hirdetés |















