Fórum témák
» Több friss téma |
Fórum » TV hiba, mi a megoldás?
Szia! Ez a TV ha jól emlékszem potival hangolható. A gond az lehet, hogy a hangoló feszültség elmászik ,nem stabil. Okai: A poti maga, A stabilizátor,hibája. Általában egy zenner diódával van stabilizálva, úgy 33 V ra. Az orosz TV-k re jellemző még a kondenzátorok kiszáradása. Az is lehet, hogy a puffer miatt , eleve nem kerül akkora feszültség a zennerre, hogy legyen mit szabályozni, kevesebb mint 33 V. Ezeket nézd át.
Szia! Meg kellene nézni a sorkimenőről elmenő tápkat, nincs e zárlat. Mindenek előtt nézd meg, hogy a tápegység jól működik e. Vedd kima sormeghajtó tranzisztort, E , C közé egy 230V - os 60 W os izzót be teszel és kb, félfénnyel kell világítania. Ha ettől kevesebb , akkor a tápot kell átnézni. Az elmenő tápokban , kondi, vagy dióda, esetleg az ellátott egység zárlata lehetséges.
Bár ez a készülék új korában sem volt nagyon stabil.
Szia! Pontos típus ,az sokat segíthet,mert a hibák is mint maguk a készülékek sokfélék. F
A hibát nem az alkatrész túlmelegedése,hanem a hiányos elöregedett forrasztás okozza. Mint más is én is így kezdtem.Kíváncsi voltam, s mindennek a végére jártam. A túlmelegedő fapöcök nem okozhat esetleg nagy-nagy gondot egy műanyagból készült házban??? Elő a pákával,s szerintem nem túl nagy a panel. Átforraszthatod az egészet. A képcsőről való lehúzást óvatosan,s ha megy a forrasztás anélkül is akkor meg egyáltalán nem ajánlom. Kínai,s nem igazán adtak az illesztő kupak pontos rögzítésére a távol keleten. Gyorsan megszívhatja magát levegővel. Írj ,hogy hogyan sikerült. Jó munkát!
Szia!
Pontosan mire vagy kíváncsi? Talán segíthetek egy-két dologban. Például: ??? - AGC ; ?? ? középfrekvencia (kf); ??. ? bemenet; ???. -kimenet; U.Hac??. ? hangolófesz; ?????? - föld
Szerettem volna segíteni,de valamiért már nem jeleníthetőek itt meg a cirill betűk,nem tudom miért.
[OFF]Az asztalon nem billegett....de ezzel ki is fújt
Üdv fórumozók!
Az Elektrotanyára való regisztrációval kapcsolatban kaptam egy e-mailt az Elektrotanyától, idézem "Van a menüpontok között egy ilyen: Meghívó küldése Azon keresztül tud küldeni (ha rendelkezik meghívóval -100 felhasználói pont kell hozzá-)." Tehát az lenne a kérésem, hogy aki közületek regisztrált tag az elektrotanyán, és rendelkezik 100 ponttal, küldjön nekem egy meghívót, fontos lenne. Találtam néhány elektronikával, TV szereléssel, szervízzel foglalkozó szakkönyvet, azokat szeretném leszedni. Másütt nemigen találni ílyeneket. Kösz
Sziasztok. Shimatsu típusú TV-men a színek teljesen megváltoztak a képernyő jobb oldalán, majdnem a képernyő közepéig. A piros helyett kék a sárga helyett zöld van, barna helyett meg lila. A TV amikor este ki lett kapcsolva még teljesen jó volt, most megint be lett kapcsolva és ezt produkálja. Mi lehet a hiba és hogyan javítható ?
Szia!
A hálózati kapcsolóval is ki volt kapcsolva? Mert csak úgy lesz hatásos a lemágnesezés. Húzd ki a hálózatból, várj 10 percet és kapcsold be. Ha erre nem jön helyre, akkor szét kell szedni és ellenőrizni kell a lemágnesező áramkört.
Kösz. Rögtön meg is nézem.
Megjavult. Köszi a tippet.
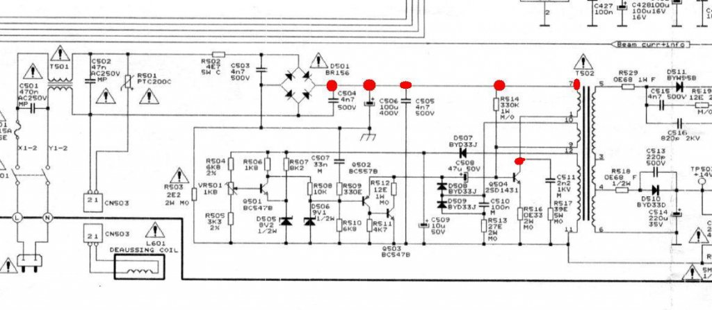
Üdv! Szeretnék egy kis segítséget kérni. Van egy tv, Orion ctv 1414 M a típusa. Hibajelenség, nem kapcsol be, semmi életjelet nem ad. A hálózati kapcsoló bekapcsolásakor a világítás villan egyet mintha leterhelné egy pillanatra a tv a hálózatot.(de ez lehet hülyeség) Szóval kis kutakodás után észrevettem, hogy a tápegységben lévő BUT11AX tranzisztor elég erősen melegszik. A középső lábán mérek kicsivel több mint 300 voltot, de a többi lábán semmi. Erre gyanakszom hogy zárlatos. A kérdés hogy igazam van e, és hogy mi okozhatta a tranzisztor tönkremenetelét. Köszönöm előre is.
Ha a kollektorán (középső láb) van feszültség, akkor nem lehet zárlatos. A tápegység szekunder oldalán, például a sorvégtranzisztor középső lábán van feszültség?
Nincs. A graetz híd +/- pontjánál van feszültség, a hozzá tartozó elkón, és az ehhez tartozó pontokon. Ha jól emlékszem 320v körül. Sehol máshol nem mértem feszültséget. És az említett tranzisztor melegszik.
Bejelöltem a kapcsolási rajzon hogy hol mértem tápfeszültséget. A jelölt részeken kívül sehol sem...
Mivel a tranzisztor kollektorán is volt mérhető feszültség az nem zárlatos. Típushiba a tranzisztor bázisán lévő kondenzátor 47 µF (rajzon C508) kiszáradása, a meredek áramimpulzusok miatt. Elsőkörben cseréld, és lehetőleg a 10 µF-ot is, aztán számolj be az eredményekről.
Rá is mérhetsz ha a műszered tud kapacitást mérni.
Na meg persze a sorvégtranzisztort is ellenőrizd zárlatra (kollektor-emitter).
Meg fogom nézni. Sajnos erre már csak holnap kerül sor mert mától kezdtem dolgozni újra és elég szűkös az időm. Kapacitást nem mér a műszerem de van egy másik műszer ami bár nem az enyém de az mér. Remélem megoldódik a dolog. A tv, gyakorlatilag évek óta reggeltől estig ment mostanáig. Üdv!
Ezt is megnézem mindenképp, mivel még a kezdetben elakadtam a tápnál így nem vettem még ki. Egyébként máskor ha ilyen tv-vel találkozok ami nem kapcsol be, az az első hogy a sorvégtranyót kiveszem, mert ugye ha csak az a rossz akkor a kivétele után bekapcsol és hang van. Csak most a tápnál mért érdekes értékek elbizonytalanítottak.
Hang nem biztos, hogy lesz működő sorvég nélkül, de a kivétellel meg kell jönni a szekunder feszültségeknek, ha a zárlat miatt eddig nem lettek volna.
De ha kiveszed a sortranzisztort NE próbáld terhelés nélkül, mert durranhat!! C , E közé tegyél egy 230V 60 W - os izzót!
Miért durranhat? Hálózati bekapcsoláskor is ott a teljes terheletlen tápfesz a lezárt sortranyón és mégsem durran semmi sem.
Ez nem biztos, de a "gyengélkedő" kondenzátor okozhat meglepetést. Nem rögtön, de még méreget, "felpumpálhatja" a kondi úgy magát, hogy eldurranhat. Volt már rá példa nem egyszer.
Ja, hát a kapanyél is elsülhet...
Valószínűleg eddig csak sikerült kifogni olyan készülékeket ahol volt hang a kivétel után rögtön. Mert végül is ha belegondolunk. Van a tv tápja és a sorvégfok amiben ugye a tranzisztor zárlatos, ez leterheli a tápot ami mivel kapcsolóüzemű lekorlátoz(ha így tesz egyáltalán).. Kiveszi az ember a zárlatos alkatrészt és megjelennek a feszültségek. De a kép és hang rész független egymástól úgy tudom ezért lehet hang. De gondolom van másféle konstrukció is ahol máshogy vannak a dolgok elvégre kismillió féle tv van aminek a fele szerintem nem ér egy kalap .... sem. Ráadásul nem az én világom mert én audiotechnikában utazom illetve mostanság csöves erősítő/múzeális rádiókat restaurálok de ez már nem idevaló. Kösz a tanácsokat és bocs a szóf*sásért.Üdv!
Sziasztok.
A segítségeteket kérném egy Grundig Amira 20 LCD tv javításában. Kezdetben csak egy pillanatra nyitódott fel a háttérvilágítás, ezért szétkaptam, és láttam, hogy 2 CCFL cso alig világít (meg is voltak égve picit). megfordítottam az inverter modult (6 csonek állítja elo a nagyfeszt) és ugyanazt produkálta - 1 világít, 2 nem. Kicseréltem a 2 rossz csovet (természetesen pont akkorát nem kaptam, csak 1 cm-vel hosszabbat), utána beindítottam, de a 2 új cso halványabban világít, mint a tobbi 4. A lényeg, így már bekapcsolva maradt a háttérvilágítás, nem tiltotta a védelem. Osszeraktam a gépet, kiprobáltam, és megint kikapcsolt 1-2 másodperc után. Észrevettem, hogy ha lehúzom az LCD modult a fopanelrol, gond nélkul elindul,sot ha bekapcsolom a készuléket, hagyom, hogy bekapcsolódjon a háttérvilágítás és csak utána szúrom vissza a fopanelra az LCD-t, simán elindul és mukodik bármeddig. Az inverter tápja rendben, át is kondiztam, újraforrasztottam holéggel az egészet. Az inverter megkapja az ENABLE jelet is, ahogy kell. Megnéztem az inverter modulon található IC adatlapját és az abban szereplo probabekotés alapján bekotottem az 1-es lábat (hosszú kísérletezés ), úgy is elindul, csak éppen nem 47 KHz-el kapcsolja a tekercsekre a feszt, hanem 70 Khz-el. Az meg ugyebár nem jó. Nincs otletem már, miért nem mukodik rendesen. Légyszi segítsetek, akár csak egy aprósággal is. Koszi. (az inverter bekotését feltettem) |
Bejelentkezés
Hirdetés |











