Fórum témák

» Több friss téma
Fórum » Csöves erősítő készítése
 
Témaindító: seedz, idő: Márc 31, 2006
Témakörök:
Ne feledd betartani a fórum viselkedési szabályait, és a topik megmaradásának feltételeit. [link]
A téma átmenetileg fagyasztva lett, hozzászólni nem tudsz!
Lapozás: OK   1328 / 2208
(#) pucuka válasza marone hozzászólására (») Feb 28, 2012
Ennek a "lágyabban szól" dolog az egyenirányítók különböző belső ellenállásából ered. jól tervezett, megfelelően működő tápoknál nincs különbség. A különbség akkor kezd mutatkozni, amikor a tápegység maximális határának közelébe kerülünk. A csövesnél az átmenet finoman, "lágyan" megy végbe, és a csökkenő anódfesz miatt eltolódik a munkapont, az erősítő torzítása megnő, jellemzően a második harmonikusok. A félvezetős, különösen a Si diódás egyenirányítónak kis belső impedanciája miatt az átmenet hirtelen következik be, és az átvitt jelen kemény vágás szerű torzítást okoz, ami viszont jellemzően a harmadik harmonikusok megnövekedésével jár. Ez viszont kemény hangérzetet kelt. Tanulság, nem kell túlhajtani az erősítőt. (amúgy sem illik)
(#) spirik hozzászólása Feb 28, 2012
Szia mindenki.EL84 ecc83 ez81 .egyik oldala.
(#) mc-4 hozzászólása Feb 28, 2012
Sziasztok!

Okozhat valami gondot, ha két tápegység trafót egybe készítenek el?
Szimplán 400v 250mA
80v 250mA
6,3v 6A
(#) bakos13gab válasza mc-4 hozzászólására (») Feb 28, 2012
Nem. Ilyenkor viszont különösen figyelni kell a GND vezetésére, mert a bemenetek és a táp földhurkot képezhet.

Ha jó szeparációt szeretnél, akkor a graetzektől kezdve célszerű lehet duplán felépíteni.
(#) (Felhasználó 1947) válasza mc-4 hozzászólására (») Feb 28, 2012
Nem, de a trafó méretezésnél vegyél minden fesz/áramértéket figyelembe.
Valamint javaslok minimum 50%-os túlméretezést.
(#) bakos13gab válasza mc-4 hozzászólására (») Feb 28, 2012
A 80V mire kell?
(#) bakos13gab válasza bakos13gab hozzászólására (») Feb 28, 2012
Most már látom. Előfeszültségnek felesleges 250mA, inkább az anódra méretezd kicsit felül, illetve a meghajtásnak külön fűtőtekercset rakatnék.
(#) 6C4C válasza marone hozzászólására (») Feb 28, 2012
A félvezető egyenirányító diódák java része (lehet, hogy mind?) sokkal lassabban zárnak le mint a csövek... Ez egy nem elhanyagolható zavarjelet generálhat, amit sajnos legtöbbször meg is lehet hallani Természetesen a nyitási folyamat is sokkal lágyabb-a belsőellenállás miatt egy csöves egyenirányítónak...
Véleményem szerint egy csöves áramkör, ha más kényszerítő ok nem áll fenn, megérdemli a csöves tápegységet...
Nem zárom ki viszont, hogy AB, vagy méginkább B osztályú végfok esetében a félvezetős tápegység kisebb belsőellenállása jótékony hatású lehet... Nálam az alapértelmezett az SE...
(#) bakos13gab válasza bakos13gab hozzászólására (») Feb 28, 2012
Amit megadtál, az szerintem max egy oldalra igaz. Számolj utána csak a fűtésnek. A 4 végcső 4*1,6A-t eszik és az előfokcsövek meg 1,2A-t oldalanként. Ez így összesen már 8,8A !
Én meg legalább 10A-re méretezném, hogy stabil maradjon terhelve is a fűtőfeszültség. Az anódnál is kevésnek tartom a 250mA-t, főleg ha két oldalra együtt gondolod.
(#) MrBrown válasza 6C4C hozzászólására (») Feb 28, 2012
Szia,
A 807 PP monoblokkokba csöves tápot terveztem PV200/1000-kkel "megérdemli a csöves tápegységet" elgondolásból, de jóval könnyebb lenne az életem Si-vel
Sebaj, majd biztos meghálálja hangzásban...
(#) compaqamplifier hozzászólása Feb 28, 2012
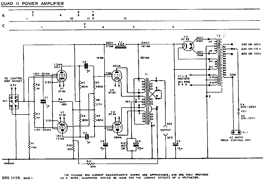
Szevasztok. Mai nap találtam ezt a rajzot. Nem szeretném megépíteni de B osztályban át lehet állítani? Trafónak ugyan milyen kell? Aki gondolja gazdálkodjon belőle. Ha gazdag leszek mint időben és pénzben akkor utánaépítem.
(#) 6C4C válasza MrBrown hozzászólására (») Feb 28, 2012
Kezdetben próbálkoztam félvezetős tápegységekkel ellátni a csöves végfokaimat... Akkor még PP-ket építettem, cirklotron, meg más érdekes elrendezésekben... De amikor áttértem az SE végfokokra, majd a csöves tápokra... Más zenei élményt jelent, tapasztalatom szerint... Bocs a talán offért...
(#) 6C4C válasza compaqamplifier hozzászólására (») Feb 28, 2012
A végcsövek rácselőfeszültségét RkCk tag használata helyett -Ug-val kell megoldani... Kérdés, hogy a meghajtás a megnövekedett vezérlőfeszültséget képes lesz-e elfogadható torzítás mellett előállítani... Kimenőtrafó is nagyobb impedanciás kell, mint AB-ben...
(#) compaqamplifier válasza 6C4C hozzászólására (») Feb 28, 2012
Még ezt néztem. Viszont ehhez meg kellene már most venni az alkatrészeket mert ritkaságszámban látom őket.
Egyenlőre maradok a egy egyszerű el84-nél.

quad2.gif
    
(#) FordPrefect válasza 6C4C hozzászólására (») Feb 28, 2012
"Nem zárom ki viszont, hogy AB, vagy méginkább B osztályú végfok esetében a félvezetős tápegység kisebb belsőellenállása jótékony hatású lehet..." Így van. De pont itt jelenkezik leginkább a félvezetők hátránya, a termikus torzítás. Ami felett sokan elsiklanak, pedig igencsak jelentős, zavaró, nem könnyen kézbentartható. Érdemes olvasmány erről Sípos Gyula valamelyik RT évkönvben megjelent nem éppen rövid cikke. (Ha kell megkeresem)
(#) marone hozzászólása Feb 28, 2012
Helló !
A KT88-nak mi az orosz megfelelője ?
(#) bakos13gab válasza marone hozzászólására (») Feb 28, 2012
Nem tudom. Talán Gold Lion KT88?
(#) FordPrefect válasza marone hozzászólására (») Feb 29, 2012
A Tesla és kínai KT88 kivételével az összes KT88. Mivel minden többit az oroszok gyártanak különféle gyártónév alatt.
(#) klemo86 válasza bakos13gab hozzászólására (») Feb 29, 2012
Ne viccelj Amúgy hasonszőrű cső nem nagyon van, ha a 6P27S-t nem nézzük (szerintem inkább ne)...
(#) FordPrefect válasza klemo86 hozzászólására (») Feb 29, 2012
A jelenleg gyártott csövekre gondoltam...
(#) marone hozzászólása Feb 29, 2012
Azt hittem a 6550 mellett van más neve is. Vagy az nem is az ?
(#) FordPrefect válasza marone hozzászólására (») Feb 29, 2012
A 6550 nem az, de a legjobban hasonlít rá. Legalábbis az eredeti/NOS csövek közül. De nem zárnám ki, hogy a mai orosz klónok közül az azonos gyártósoron készült csőre, az egyikre 6550, a másikra KT 88 felirat kerül, és más gyártó logója is. A helyzet kissé kaotikus, de nem reménytelen.
(#) marone hozzászólása Feb 29, 2012
Kösz !
Úgy 20 W körülre milyen csövet tudnátok ajánlani ?
Max. 60 mA nyugalmi árammal.
(#) spirik hozzászólása Feb 29, 2012
Szia mindenki.
Szeretném kérdezni hogy a kapcsolásnak a tápját használhatom e a 2xel84 ecc83 erősítőhöz.
Köszönöm a segítséget.
(#) Imi65 válasza spirik hozzászólására (») Feb 29, 2012
Az EZ80-at arra találták ki, hogy egy kb 50mA fogyasztású SE EL84-et, és pár, összesen kb. 15mA fogyasztású csövet elvigyen. A 2xEL sok neki, gyári cuccokban is a 81-verzió van (ez kb. 40%-kal nagyobb) ebben az esetben. Azt az 560 Ohm -ot a katódkörben sem hiszem, hogy lehetne tartani.
(#) spirik válasza Imi65 hozzászólására (») Feb 29, 2012
Szia Imi65.
Lehet hogy béna vagyok hogy sokat kérdezek.
és a ez 81 re csinálom meg úgy jó e lesz.
Köszönöm a válaszokat.
(#) Imi65 válasza spirik hozzászólására (») Feb 29, 2012
Persze, az már ki tud szolgálni egy mono 2XEL84, vagy sztereó SE-t. Az EAG ECL-ekkel készített ilyet, abban is EZ81 volt.
(#) mark.budai válasza FordPrefect hozzászólására (») Feb 29, 2012
Nekem vannak 5 éves diódáim, pontosan erre az esetre, hogy ha belerakom a csövesembe akkor bejáratás után ne legyen gond termikus torzítással.
(#) pucuka válasza FordPrefect hozzászólására (») Feb 29, 2012
Idézet:
„De pont itt jelenkezik leginkább a félvezetők hátránya, a termikus torzítás.”

Mire is gondolsz? Egy diódának csak torzítása van, másképp hogyan is tudna egyenirányítani (a hangútba is csak speciális esetekben, esetleg speciális diódákat lehet rakni, egy adott cél elérésére). Mint mindennek, ennek is van hőfokfüggése, de ez miben is jelentkezik? Kismértékben változik a statikus, és dinamikus ellenállása, magyarul a belső ellenállása. Ha egy dióda görbéjéből kinézed, akkor láthatod, hogy ez a változás a csöves erősítőknél megszokott áramtartományokban megfelelő egyenirányító választásánál elenyésző.
Ráadásul, minden erősítő fokozat rendelkezik a tápfeszültség felőli vezérléseknél bizonyos védelemmel, mert a felerősített hasznos jelhez a tápfeszültség változás miatti vezérlés jele csak hozzáadódik, és az erősítő ezt a jelet nem erősíti. Pl. egy végfokba tápfesz oldalról bekerülő 60 mV -os (akár brumm, akár dióda paraméterváltozásából) jel hozzáadva a 60 V körüli kimenő feszültségéhez, mintegy 60 dB jel zaj viszonyt ad, leszámítva az eredeti jel zaj viszonyt. Ez azért már az észlelhetőségi tartományon kívülre esik, és a zavarójel nagysága nemigen éri el a becslésként felvett 60 mV -ot. Természetesen nem vonatkozik ez a tétel az allulméretezett gyenge tápokra, mert ott már sokminden lehetséges.
A hivatkozott Sipos úr cikkében kifejezetten a félvezetős végfokok termikus másodlagos vezérlésének hatásáról értekezik, de ez nem hárítható át félvezető-félvezető alapon az egyenirányító diódákra. Milyen alapon is?
(#) FordPrefect válasza pucuka hozzászólására (») Feb 29, 2012
Ha olvastad a cikket, a termikus torzítást kialakulását pont egy diódán szemlélteti. Már pedig a a tápegység kőkeményen szerves része az erősítőnek.
Következő: »»   1328 / 2208
Bejelentkezés

Belépés

Hirdetés
XDT.hu
Az oldalon sütiket használunk a helyes működéshez. Bővebb információt az adatvédelmi szabályzatban olvashatsz. Megértettem