Fórum témák
» Több friss téma |
Ha szkóp-képet teszel fel, legyen látható a kezelőszervek beállítása, vagy add meg a beállításokat!
Szia !
Köszönöm a segítséget, keresgettem a rádiótechnikákban és az alábbi kapcsolást találtam. Úgy gondolom ezt érdemes lenne elkészítenem, a leírás szerint a 74193 ic. kimenetén negatívba menő pár nS széles tűimpulzusok jelennek meg.
Szerintem nem kell ennyire bonyolítani. Nem tudom milyen szkópod van, a vízszintes eltérítést elég egy helyen elvégezni, a többit már lehet fokozatonként egymáshoz. Az ilyen markergenerátorokra szerintem csak akkor van szükség, ha a szkópot wobbler generátor kijelzőjeként használod. Negatív tüskéknek nemigen szabadna lennie egy digitális áramkörben, az arra utal, hogy valamiért az áramkör lengésre (gerjedésre) hajlamos. Egyébként ezesetben nincs jelentősége, a periódus időt a jel két felfutásának 50 % -ánál mérjük.
Nem csak gerjedésgátlás céljából lehet ez a kondi, hanem mivel szélessávú erősítőről van szó, lehet kompenzálás is. Akkor bizony tranzisztor csere esetén ezt a kondit is változtatni kell.
Azért gondoltam erre a kapcsolásra, mert folytatódik
a gépkönyv szerinti beállítás és ott már azt kéri hogy 5 nS markert állítsunk be, ez pedig már 200 MHz-es jel. A szkópom 250 MHz sávszélességű /-3dB/, a legnagyobb eltérítési sebesség 2 nS/osztás
Szia!
Ez is jó egynek:
Csakhogy ezzel az áramkörrel nem tudsz 5 ns széles jelet generálni. Ez kifejezetten wobbler számára ad jelző markereket. Semilyen áramköri elem nincs benne ami bírná a 200 MHz feletti (impulzus) jeleket. Az 5 ns az oszcilloszkóp saját felfutási ideje, ezt hitelesíteni nem, legfeljebb mérni kellene, pl egy 2 GHz -es szkóppal. Ezesetben egyet tehetsz, elfogadod, és tudod, hogy 10 ns alatt nem tudod hogy mit mérsz. ha ennél gyorsabb felfutású jelet látsz, akkor lehet mondani, hogy jó, de hogy mennyi, arra nézve semmi infó. A benne levő számlálók 20 - 25 MHz -es max órajelet bírnak, 20 ns széles a max feldolgozható jelük, a 741 pedig ezeknek közelébe sem jön.
De mint mondtam, nincs is szükség rá, mert a vízszintes eltérítés 1, 2, 5, 10 ms, us, ns, állású, és ha az 1 -es állásban 1 periódust látsz a teljes képernyőn, akkor a 2 -esben kettőt, az 5 -ösben ötöt és így tovább. Az egyik méréshatárból hitelesíted a következőt stb.
Köszönöm, átolvasom a cikket, közben kipróbáltam az előző kapcsolásból a 74193 számláló rajz szerinti beállítását egy breadboardon, generátorról 100 KHz TTL négyszögjelet
kapcsoltam a bemenetre, és a kimeneten megjelentek a negatívba menő TTL markerek V alakú tüskék talpponton 10 nS széles a csucson kb 2 nS-os. Igaz ha lecsökkentettem 10 KHz-re a frekvenciát már nem lehetett látni a szkópon ezt a nagyon keskeny impulzust. Meg kell oldani az impulzus szélesség beállításának lehetőségét.
A számláló kimeneteken előállítasz differenciáló taggal, Schmitt triggeres inverterrel SN74106 keskeny tűimpulzusokat, amiket 74123 monostabillal a megfelelő szélességűre állítod.
A túllövésekkel pedig első körben ne foglalkozz, semmi jelentősége, valószínűleg a nem jól kompenzált osztó, és mérőfej hibája.
Igazad van, valóban nem tudok 200 MHz-et TTL ic.-kel
generálni, az S széria számlálói 100 MHz környékéig használhatók. Makerjelet , tüskét viszont mint fentebb irtam és kipróbáltam 100 MHz-ig elő tudok állítani, de szerintem elég 10 MHz-en is. Azért szeretném ezeket a markereket, mert így látnám az idővonal linearitási hibáit.
Ó, azt sokkal egyszerűbb, csak egy másik hasonló szkóp kell hozzá. Egyébként ha jó a fűrészgenerátor kapacitást töltő áramgenerátora, nincs okod aggódni a linearitás hiba miatt. Problémát ez csak igen alacsony frekvenciát okozhat. Ami még beleszólhat a linearitásba, az a vízszintes erősítő, de ezt feszültségméréssel ellenőrizni lehet.
Köszönöm segítségedet amit a markerjel témában adtál,
most már sokkal világosabban látom mi ez és mire való, vobbler kapcsán olvastam róla egy négypólus hangolási görbéjén frekvencia megjelölésére használják.
Üdv. mindenkinek. Meghibásodott a OROSZ C1-96 SCH oscilloscope nincs függőleges eltérítés. Javított már valaki ilyet vagy hasonlót, esetleg van valami típus hibája? Igazából egy kapcsolási rajz is nagy segítség lenne.Előre is köszönöm a segítséget.
Hali!
Bővebben: Link a keretezett részben erre a kék színű feliratra kattintva letöltheted: ??????? ????! (Ckacsat cebe!(1414 Kb) ) (1414 ??) /cirill betűket nem tud ez az oldal?/ PP
Ez jobb:
Bővebben: Link Az utolsó három sorra kattintva sorra lejön: formular, service manual, rajzok. Ennél már csak az lenne jobb ha magyarul lenne
Próbáld meg a billentyűzetet oroszra állítani
??! /orosz billentyűvel írtam/
kopi&pasztával nem vette. Így se!
Érdekes, szövegben nem lehet oroszul írni, de csatolt mellékletet oroszul jelöli
Köszönöm, orosz betűt akkor nem tudunk a szövegbe megjeleníteni ?
Köszönöm sikerült letölteni a rajzot.Már meg is javítottam a készüléket.Csak kontakt hibája volt. üdv. Ambrus
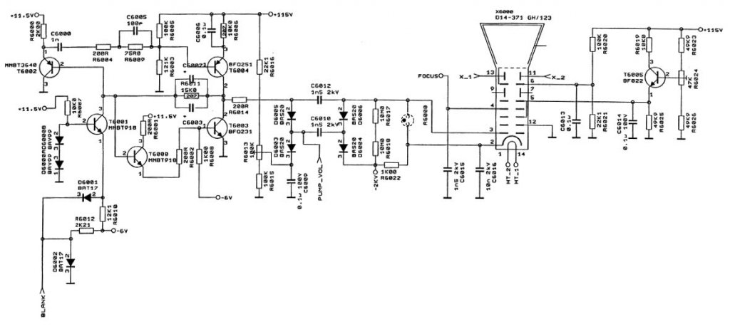
Sziasztok.Van egy Hameg 604-3-as szkópom és minden átmenet nélkül egyik pillanatról a másikra a fénypont megvastagodott a fókusz állításra nem reagál.A cső fényereje látszatra a maximumon lehet nem nagyon reagál az intense-re sem.Mit godoltok nagy a baj ill.javítható ez?
Valamelyik segédrács feszültség állító potméter csúszkája nem érintkezik. Lehet még katódsugárcső, vagy foglalat hiba is. Mérj feszültségeket a katódsugárcső elektródáin. Vigyázat nagyfeszültség, a mérőműszerrel legalább 1,5 kV -ot kell tudni mérni!
A multimétereim csak 1000V-ig mérnek.Viszont a kapcsolási rajzon -1800 és -1855V-ot is látok.Tudok valami fesz osztót csinálni házi körülmények között hogy meg tudjam ezeket mérni?Letöltöttem 2 szervízkönyvet is de a crt panel köszönő viszonyban sincs egyik rajzzal sem.Vajon a feltüntetett fesz értékek azért stimmelhetnek?A trimmerek a segédrácsoknál zárt piher típusúak, tönkremehet ennek ellenére?köszi előre is
Minden tönkremehet, de hogy megtörtént, azt csak méréssel lehet eldönteni. Feszültségmentes állapotban ohm méréssel, de ettől még feszültség alatt lehet hibás. Nagyfesz előtétet lehet csinálni megfelelő értékű ellenállásból, amit egy üveg, vagy ebonit csőbe elkészítve a mérő csúcsot. De ha körülnézel, lehet ilyet kapni ugyan más műszerekhez, de az nem baj.
Szia !
Nekem is volt ilyen problémám, ha van több multimétered mérd meg 1000 v-os állásban a belső ellenállását. Az m830 1 Mohm, a nagyobbak 10 Mohm. Ez lesz jó mert nem terheli csak nagyon kis mértékben a mérendő áramkört. Kacsolj sorba másik 90 Mohm ellenállást a pozitív kapocsra, a mért értéket meg kell szorozni tizzel hogy a valós értéket kapd. Az ellenállást 9 x 10 Mohm-ból rakd össze egy jó szigetelő müa. csőbe. Mérésnél nagyon vigyázz , megfelelő átütési szilárdságú mérővezetéket használj a szonda elején.
Szia.
A dolog egyszerű. Forraszd le a katódsugárcső vezérlőrácsáról az oda menő vezetéket, majd kapcsold be a szkópot. Ez azért kell, hogy eldönthessük hogy a cső csinálja, vagy az osztólánca. Ha a helyzet változatlan, vagyis rossz a fókusz és nagy a fényerő, akkor katód rács zárlatos a cső. (esetleg ez is javítható) Ha a fényerő lecsökken, vagy egyáltalán nincs, akkor Pucuka javaslata a nyerő. Csak azt tenném hozzá, hogy a rács katód feszültség megméréséhezt teljesen jó egy kéziműszer 100V-os állása. De ekkor az egész cucc, a műszer mindkét vezetéke nagyfeszen van, amit a mérőzsinór szigetelése és a műszer háza kibír. Nem kell bekapcsolás után a műszerhez nyúlni. Az intenzitás poti tekergetése ezt a feszültséget változtatja. Ha nem változik legalább 20-40 V-ot, akkor az osztólánc a hibás. A rács katód zárlat néha 1-5 perc bemelegedés után jön létre, a hőtágulás miatt.
Szia.Köszönöm azt hiszem ez lesz az amit először kipróbálok, de kissé elbizonytalanodtam a a rácsokat illetően.Nem tudom melyiket iktassam ki a hat közül.Mondjuk logikusan az összeset ki kellene ahhoz hogy csak a cső működőképességét lássam.Nem?
|
Bejelentkezés
Hirdetés |










