Fórum témák
» Több friss téma |
Fórum » Motorgyújtás
Na, most kiderült, hogy a benzincsövön nem húztam meg eléggé a bilincset a múltkor, most megcsináltam, és most megint pöccre indult, jelenleg működik.
Na most ez szép meg, jó, de milyen az a "Müller Szabolcs" kapcsolás ? Vagy rajzot vagy linket tehetnél ide, mert igy ??
Nekem a kereső a müllerszabolcsra ezt dobta. Motorriasztó.
Na ő az emberünk!
![]() Tudok adni egy oldal címet ahol le van írva az adottságai a szerkezetnek! oldal elérhetősége: Bővebben: Link És itt kellene a Fordulatszám limiter (fordulatszám szabályozó)-t megkeresni! Sajnos ennél többet én sem tudok róla! Ha van valamelyikőtöknek valami ötlete azt kérem ossza meg velem! Nagyon szépen köszönöm nektek! u.i.: Nektek nem hiszem, hogy nagy gondot okozna a bekötése, de nekem sajnos igen!
Márpedig itt olyan emberkék vannak kiknek százszor többet mond egy kapcsrajz !
Sziaszok!
Segítséget kérnék. Vettem egy Suzuki Katanát. A 45km/h megfogja. Azt mondják a CDI leszabályozza a fordulatot. ![]() Visszaolvasgattam a témákban , de sajna nem találtam ezzel kapcsolatban semmit. Ha valaki ebben tudna bármi segítséget adni, akkor azt előre is KÖSZÖNÖM! Szép estét!
Sziasztok!!!Olyan problémám lenne hogy nincs szikra motoromon!!Ez egy husqvarna wr 125 cross motor!!Én már így vettem hogy nem volt szikra!!A gyújtás alaplapból 32-38 V jön ki nem tudom hogy az elég-e?Mit mérjek még még rajta hogy ki tudjam szűrni hogy nem a gyújtás alaplap a hibás:!A segítséget előre is köszönöm:!!!
Egy fénykép az alaplapról nem ártana, (ugyanis többfélével is szerelték).
Raktam fel képet!!!Ez egy Motoplat gyújtás alaplap!!!
Ez valami tirisztoros cucc. Az elektronikáról kép vagy típus esetleg ?
Van rajta egy CDi is ami szerintem nem jó!! az is Motoplatos!!!ÉS a gyújtótrafó is az!!!Csak nem tudom hogy mennyi feszültség kell a CDi nek hogy müködjön!!!mert azon már nem jönn át a feszültség!!!
Másfajta kivitelű motoplat gyújtásokkal találkoztam régebben, azok műgyantával kiöntött kivitelek voltak, és a cdi egybe volt építve a gyújtótrafóval. De semmi gond, ezt a fajta alaplapot is le tudod ellenőrizni, hogy valóban működőképes-e. Az alaplapon a leszigetelt tekercs állítja elő azt a néhányszáz voltos feszültséget, ami a cdi tárolókondenzátorát tölti. Kell egy 1-2uF, 400V körüli fóliakondi, egy 1N4007 dióda, amit anóddal a tekercs egyik kivezetésére kötsz, a katódját pedig a kondi egyik lábára. A kondi másik lábát a tekercs másik kivezetésére kötöd. A kondi két lábán kell a gerjesztett feszültséget mérni célszerűen egy digiműszerrel 1000V-os egyenfeszültségű állásban. Ha rárúgáskor legalább 150V feszültség mérhető a kondin, akkor a tekercs működőképes.
Köszönöm a segítséget!!!!DE már meg oldódott a problémám!!A cdi volt rossz úgyhogy már megy a motor!!!Még egyszer köszönöm!!!Páááááá
Hellóztok!
Nekem olyan gondom lenne, hogy megépítettem a nyemi által közétett pices cdi-t. Már tökéletesen üzemel egy ideje a simsonomban. Az a probléma, eddig nem volt töltésem, így nem volt probléma, hogy a leállítást úgy oldottam meg, hogy a gyújtás kapcsoló azon csatlakozójára kötöttem a cdi pozitívját, ahova az aksi pozitívját kapcsolom a kulccsal. Ilyen csatlakozópontból csak egy van a gyújtáskapcsolón, tehát olyan, amin az akksi pozitívját kapcsolom ki/be. De most már van töltőelektronikám, de arra sem lehet rákötni közvetlenül az aksi pozitívját, mert lemerti az aksit. De ugye nem köthetem ugyan oda, ahova a gyujtás pozitivját, mert a töltőfeszültség életben tartja a cdi-t, hiába kapcsolom le a kulcsot. Így olyan ötletre lenne szükségem, hogy hogyan tudom leállítani a motort úgy, hogy nem a tápfeszt kapcsolom le. Van egy csatlakozó a gyujtás kapcsolón, ami szabad, az ha leveszem a gyújtást, akkor testel. Minden ötletet szívesen fogadok!
Az eredeti elektronikában a gerjesztő tekercset testeli le vele. A 2-es lábat.
Bővebben: Link
Komplett kapcsrajz segít ? Mert az van.
Üdvözlök mindenkit! Nos most mindenki segitségét kérem,mert sikerült egy olyan MIO fűnyiró gépet vennem amelynek sajna tönkre van menve a gyújtása. Naponta rádióteknikával foglalkozom,de ez most feladta a leckét rendesen,nem fogom fel a müködési elvét,egyszerüen nincs benne logika. Sem nem tirisztoros,de nem is mehanikus. Vagy én sem tudom minek mondják. ime a képeken megtekinthető. Vagyis van benne egy gyújtótekercs,és egy 5x5 cm-s kis kocka az oldalán és enyi. kisebb ügyetlenkedés után szét is sikerült bontanom ezt az alig beöntött kis dobozkát amin csak "2" kábel van. Vagyis szétbontás után derült ki hogy belül az a két kábel is össze van kötve, a jelentösége hogy egyik a leálitó gomb,a másik meg megy a gyújtótekercsre.. Persze a dobozka aluminium bevonat vagyis a massza. szeretném összerakni mint eredeti álapotu gyujtást.Meg szerintem van is ithon minden alkatrészem, sikerült is némileg kibogoznom. tehát van benne néhány dióda,egy BC 337,hőellenálás, stb. Meg van egy alkatrész amit nem birtam teljesen leolvasni anyi látszik belőle hogy BT16.. Hát kicsattannék a boldogságtól ha valaki tudna ehhez egy rajzot feltenni.. Ime a képeken látni hogy csak enyiből ál.
Hali!
Van egy 93s Opelünk és a hall gyújtás körül probléma van. Mikor megmozgattuk a vezetéket egy pillanatra elindult. De utána akármit csináltunk nem indult, nincs gyújtás. Hogy lehetne kideríteni, vagy megmérni, hogy a kábel van e megtörve vagy belül ment-e szét valami az elosztóban? Úgy hallottam Ohm mérővel nem lehet rámérni a kábelra, mert tönkre teszi.
SOS!
Szétszettem a jeladót, nincs mérhető ellenállás egyik láb közt sem 2000 kOhm-nál. valószínűleg oxidáció a saru és a vezeték közt. de biztos tipp kellene gyorsba, mert addig nem bontom szét. Mit lehet itt mérni, milyen tesztet lehet csinálni?
Helló!
Ismét összejött egy hiba a cdi-vel. Megint az a fojtó tekercs égett el kb 5 perc folyamatos, egy fordulaton történő közlekedés után. 0,5ös huzalból volt, akkor szerinted ha 0,8asból lesz a tekercs, nem lesz több bajom vele? A frekvencia 40kHz volt, most felemeltem 52kHz-re. Azzal a 4.4Kohmos ellenállással pontosan hogyan is tudom tesztelni a kapcsolást? Mit tudok vele megmérni? Köszi a választ!
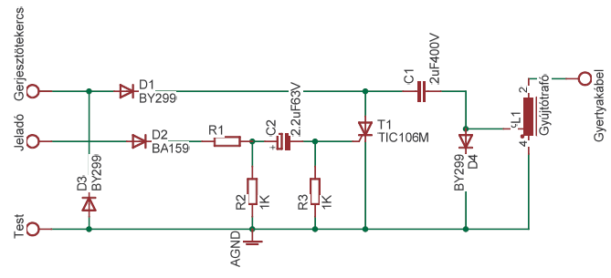
Üdv! Azt szeretném megkérdezni, hogy az R1-hez mekkora értékű ellenállás kell? A gyújtás egy Babettához lenne, illetve egy Robi55-höz. A képet mellékeltem.
Köszi!!!
Szerintem felesleges, de, ha eredeti Babetta alaplapod és tekercseid vannak akkor nem is nagyon fog működni.
Javaslom az eredeti kapcsolás megépítését. 3 db alkatrész.
Én megépítettem és működik
![]() Ennél kevesebb alkatrész már nem lehet![]() A másik kapcsolás is működik az R1 0-100 ohm lehet. Nekem egy sima átkötés volt. Viszont egy idő után elkezdett sztrájkolni és hiába mértem nem találtam hibát, mégse volt szikra. Aztán jött a 3 alkatrész és a mai napig az szolgál.
Új témát nem szerettem volna nyitni ezért ide írok.
Van egy olasz kapálógép aminek a forgórészére fel van csavarozva egy mágnes műanyagba ágyazva. Ez szétrepült és nincsennek meg a darabjai. Az állórész gyujtótekercse egy E magra van tekercselve a középső vaspaketre. A kérdésem hogy 1 vagy 2 vagy 3-om mágnes kellene a forgórészre? Elvileg valami ducati licenszü a gyujtás. Más mágnes nincs a lendkerékben csak ez a jeladó mágnes.
Még azt szeretném megkérdezni, hogy a BT151-et kell e hűteni? Köszi!!
Nekem nincs hűtve.
12A tud a gerjesztő tekercs drótja meg ~ 0,2mm átmérő Ez nem fog nekünk 12A adni. |
Bejelentkezés
Hirdetés |
















