Fórum témák
» Több friss téma |
Fórum » PC táp átalakítása akkutöltőnek
Témaindító: Sarok Adrián, idő: Nov 9, 2007
Ja a FET ami benne van az 2SK1943 és csak egy van benne.
Én megvagyok győződve arról,hogy AT. :yes:
Az a te dolgod...
Csak ne akard egy AT-s gépbe beszerelni, mert nem fogod tudni rákötni az alaplapra, de attól még hiheted, hogy AT-s... Üdv Inhouse
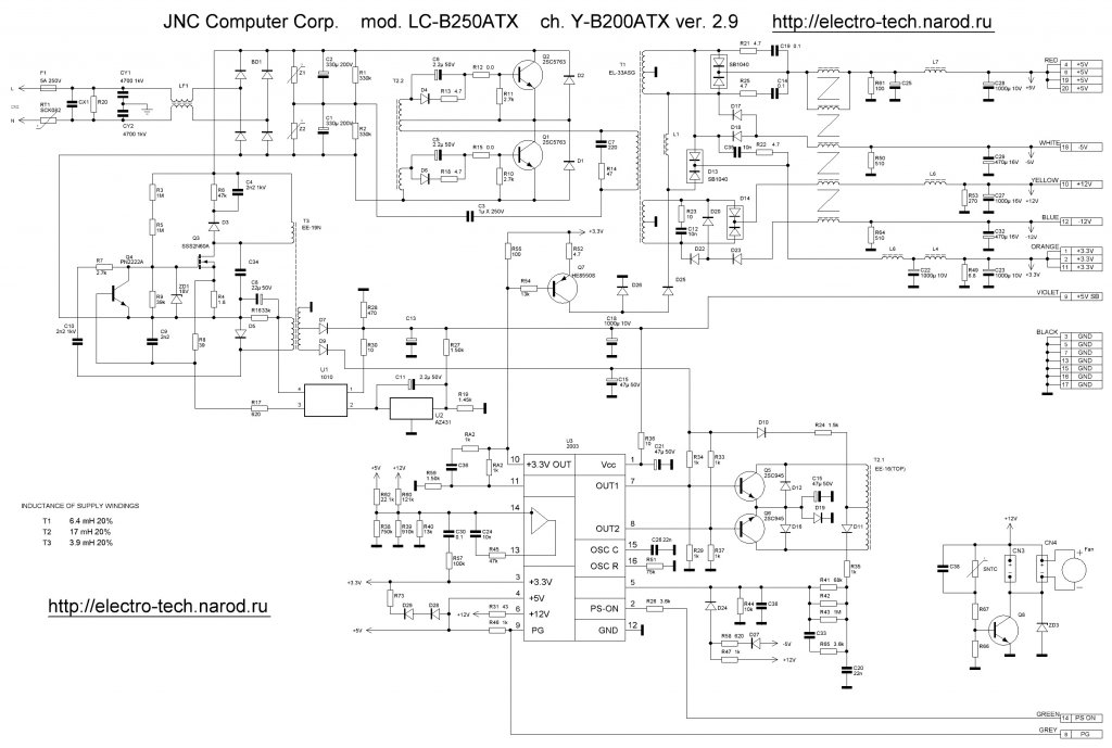
Lehet, hogy itt a tápod rajza.
Valóban 1fet van benne, UC3842 hajtja, ilyet még élőben nem láttam, mondjuk a rajz is új...de ATX! Üdv Inhouse
Sziasztok!
Átalakítottam egy ATX tápot akksitöltőnek. Kérdésem az volna, hogy a kimenő áramot hogyan korlátozzam (max5A re), ha mélymerült akksit teszek rá. A feszt 14,6V ra állítottam egyelőre, de az potival szabályozható továbbra is. Áteresztő tranyós megoldást teszteltem, de 5A kimenő áramnál jobban fűtött mint a radiátorunk és nincs a földön olyan borda ami lehűtené (legalábbis nekem nincs itthon és nem is férne be a dobozba). (konfig: BD249C és 33ohm bázisellenállás) Megolvadt 10sec alatt a műanyag szigetelőgyűrű is.
Halihó.
Az én tápom ilyen "icával" szerelt. http://danyk.wz.cz/s_atx04a.png Láttok valami módosítani valót aTL 494-hez képest akksi töltőhöz? Köszi.
Szia!
Ugyanilyen tápot alakítottam át tegnap! Ha megnézed a rajzod alaposan, láthatod hogy az ic figyeli az egyes tápágak feszültségeit, sorrendben: +3,3v, +5v, +12v. Ezek a bemenetek felül- és alulfeszültség védettek. A megoldás a következő(én így csináltam töltőt belőle): Van egy segédtáp, ami az ic (1) pinjére (is) megy, ez a pin a vcc. A panelon az ic 5v pinjére (4) menő sávot az ic alatt elvágod éles tapétakéssel és a (4) pint összekötöd a vcc (1) pinnel. Így az 5v figyelését kiiktattad, mert az stabil 5v lesz, akármennyi a kimeneti fesz. ![]() A 3,3V figyelésénél valahol lesz egy átkötés, ezt kövesd le, és átkötés helyett tegyél be egy 2,1k körüli ellenállást amilyened van. Ha nincs átkötés akkor vágd el az ic (3) pinjére vezető sávot és iktasd úgy közbe. A 12V résznél pedig ugyanígy megcsinálhatod 10k ellenállással. Lehetséges hogy ekkor a tápod nem fog menni, mert a feszültségek túl alacsonyak. A végén a feszültség emelését, a 12v ra menő! ellenállással !sorosan! kötött 500k trimmerrel állíthatod be. A rajzomon amit linkeltem ez az R60 ellenállás. Minél nagyobb az ellenállás, annál nagyobb a kimeneti fesz. Én sorrendben, először emeltem a feszt addig míg tiltott, aztán kicsit vissza hogy határon még menjen a táp. Utánna csináltam a figyelés módosítását, majd ismét emeltem a feszt .Másik megoldás, ha valahonnan kerítesz 12V stabilt, és onnan osztod le az ic bemeneteire a szükséges feszeket. Pl külső 12v táp stb. Megoldásom hátránya, hogy a minimum fesz olyan 11V körül lesz, a maximum pedig 16,5V (nekem). Remélem segítettem!
Köszi !!!
Holnap nekiugrok.ha elakadtam kereslek. Üdv.
Sziasztok.
Lenne egy kérdésem. Átalakítottam egy PC tápot akkutöltőnek,és szeretnék egy fordított polaritás elleni védelmet építeni belé. A védelmet egy N Chaneles FET-el szeretném megoldani. Itt egy rajz ami jó is lenne,de az a gond vele,hogy P Chaneles FET-el van megoldva és nekem csak N Chaneles van,ami IRF48Z. Az a kérdés,hogyan lehet ezt a rajzot úgy átalakítani,hogy N Caneles FET legyen a P Chaneles helyén? Bármilyen ötletet elfogadok!!! Előre is köszönöm. Üdvözlettel: Richi.
Szia!
Használj a PC tápok 5 V-os részében található, általában 2X20 A-es diódát a "+" kimenettel polaritáshelyesen sorba kötve. Szigetelő alátéttel a doboz falára rögzítheted, ezzel a hűtése is megoldott. Üdv.: Feri
Hello!
Sorba kötött dióda nem segít a fordított polaritás ellen! üdv! proli007
Sziasztok!
Ti hogyan oldjátok meg a feszültség szabályozását pc-tápokon? (ellenállás osztó felső/alsó tag módosítás? vagy 2.lábbal stb) Köszönöm!
2003 és 2005-ös ic-nél az alsó osztótagot variálom.
Sziasztok
Lenne egy kérésem felétek. Én is szeretnék töltőt csinálni és erre lenne két tápom is. 1 AT és egy ATX. Sajna sehol nem találok rajzokat hozzá. AT-s Sky Hawk SH230W, a másik odegen ATX 2.03 (P4) 300XA. Ha valaki tudná hozzá rajzot azt megköszönném. Gogli nem ideg talált. Segítséget megköszönném. Üdv.: Zoli
Sziaszto
Én nagyon szeretnék csinŕlni egy ijet elégé minimálisan értek az elektronikához de azért kapizsgálok vamit le tudnŕtok írni egy laikus nyelvén is hogy hogyan valňsíthatň meg ez az álom ? Bocsi a hibákért telňrol ěrtam!
Aki az ebben a hozzászólásban lévő Bővebben: Link töltőt megépítette és használja annak kérném a segítségét.
1. A pc táp +12V-ot meg kell emelni 14,4 V-ra? 2. a 494 3-as lábára ha csatlakoztatom az elektronikát akkor a tápnál kell valamit a 3-as lábnál változtatni pl. fóliát átvágni, ellenállást kiszedni stb. Minden segítséget köszönök.
Sziasztok. Van 3db egyforma pc tápom. 494-es IC van bennük. Az egyiket szeretném használni akkutöltőként. Az elvárásom az lenne hozzá hogy lehessen használni motor akkuhoz is ami akár 3-400mA-es töltést is jelent és lehessen használni autó akkuhoz is ahova elkél akár 5-6A is. Vagyis valami olyan kapcsolás kellene amit rákötök a pc-táp 12V kimenetére és esetleg az IC-re hogy szabályozzon és egy potival tudom szabályozni hogy mekkora legyen a töltőáram ami mint mondtam 300mA-tól 6A-ig kellene. Vagy akár a maximum 15A-ig. 15A tud a táp.
Ha valaki tud ez ügyben segíteni kérem tegye meg
Szerintem ezt nézd meg: Bővebben: Link
Én is épp ezen dolgozom.Lassan haladok vele de van segítségem.
Aha közben én is nézegettem és ez jónak tűnik. Az egészben annyi a kérdésem hogy ugye azt rá kell kötni az IC-re. Meghagyok mindnent a tápban ahogy van és a IC asszem 3asra rákötöm a kapcsolás megfelleő pontját? Vagy a tápban valamit mókolni kell?
Üdv!
Segítség kéne ez ügyben. Vágja valaki ezt a tápot?? Jó lenne átalakítani töltőnek. De ha lehet akkor úgy,hogy az összes sallangot kiszedve. Előre is köszönöm!
Szia. Az IC-vel sajnos szívás lesz. Mivel ez figyeli az 5, a 3,3 és a 12V-ot is ezen kívül megy bele a - 5 és 12V-ból is.
De ha van valaki hozzáértő biztos tud segíteni, nincs lehetetlen.
Nem egyszerű, ha van módod rá, inkább keress TL494/KA7500-as IC-set.
Valaki csinált már SG-set, összedugtuk a fejünket és lett belőle valami, de egyszerűbb a javasolt táp felkutatása...nézz be egy PC bontóba, vagy számtech üzletbe, szerintem ingyen utánad dobják... Üdv Inhouse
Üdv !
Köszönöm a gyors válsz! Sejtetem,hogy szívás lesz ezzel a IC-vel. Ez a táp is a bontóból van, rossz volt így ingyen kaptam meg.2 db.kondi ment ki belőle azért vettem észre mert fel volt fújódva.Csere és működik. Ezek szerint ez az IC mindegyik ágat figyeli?akkor a 12V-os rész lehet húzni?
Mint írtam, valaki futott már vele itt egy kört, nem pont ezzel az SG-vel, de hasonlóan minden feszt figyelt. Ha jól emlékszem működött úgy, hogy a +12V-os ágon kívül a többinek stabil feszt adott, az adott kimenetnek megfelelően. Így csak a 12V-os ágat figyelte, és így lehetett állítani.
Üdv Inhouse
Sziasztok ! Kérdésem, hogy egy PC tápot át lehet e alakítani ( érdemes??), hogy 24v egyenfeszültséget adjon le ? Nekem 24v kb 10A egyenfeszre lenne szükségem . Egy egyenáramú villanymotort kellene meghajtanom .Vagy bármi más egyszerű megoldás is érdekelne . Köszönöm előre is a válaszokat László.
Szia. Ha jól tudom a 12V a minusz és a plusz ég is azonos trafó terercsről megy. vagyis ha a -12V diódáját és kondiját kicseréled akkor a -12 és a +12 között 24V lesz.
a -12V-os ág nem terhelhető annyira mint a +12V-os!!! A tekercseket egyforma menetszámmal egyforma huzal átmérővel kell megtekerni!
Persze van olyan is aminek külön tekercselés a -12. De van olyan is ahol ugyanaz. Inkább az lehet probléma, hogy a -12 voltot nem figyeli általában, ezért terhelésre jelentősen változhat a feszültség.
A -12 valóban csak fél amperekkel terhelhető. Az egy amperes diódája miatt. Ha azt a diódát kicseréljük egy izmosabbra akkor az is terhelhető lesz.
A -12V sok esetben a +12 ágtól van megcsapolva. Én egyszer terheltem így a 24V-ot 75W-al annyi volt hogy elfüstölt a - dióda De bírta
Sziasztok!Van egy xilence 500w os atx pc tapom!Hogyan tudnam ezt atalakitani legegyszeruben auto aku toltonek?Elore koszonom mindenkinek!
Sziasztok.
Az a nagy kérdésem, hogy verjem át ezt a tápot, hogy legyen 16V, és a védelem ne pofázzon bele? Én már sok mindennel próbálkoztam, de semmi sikerrel. ![]() Nagyon jó lenne, ha minél hamarabb tudnátok segíteni ebben. Előre is köszi. A hozzászólás módosítva: Jan 16, 2013
|
Bejelentkezés
Hirdetés |




és nincs a földön olyan borda ami lehűtené (legalábbis nekem nincs itthon és nem is férne be a dobozba). 








Ez a táp is a bontóból van, rossz volt így ingyen kaptam meg.2 db.kondi ment ki belőle azért vettem észre mert fel volt fújódva.Csere és működik. Ezek szerint ez az IC mindegyik ágat figyeli?akkor a 12V-os rész lehet húzni? 





