Fórum témák
» Több friss téma |
Fórum » Házilag építhető fémkereső
Ebben tudok segíteni, ugyanis 2x végigszívtam. Scope nélkül is működésre bírtam. Lehet hozzá LCD-s kijelzőt is készíteni.
Gratulálok! A Geotech fórumon a srácok írták, hogy a tökéletes hangolás érdekében a különböző méretű fejekhez más értékű shunt ellenállást, frekvenciát állítanak. Ezt hogy oldottad meg?
Az én szerény ötletem az lenne, hogy 4x3-as forgókapcsolóval lehetne váltani a paraméterek között. A tekercs pulzációjának erejét fixre tenni (egy ellenállással). Láttam a fórumon az újabb pcb-t a török srác jóvoltából. Azt készítetted el vagy a régit? Üdvözlet: Gábor
A nagy tekercsek nem kis érmékre valók, hanem pl. bombákra.
A frekit nem variálom, a kerethez lövök be mindent, a kis fej csak kiegészítésként használom. Mit jelent hogy új, meg régi? A két elektronika, nagyon kis mértékben tér el egymástól.
A tekercs egyik ismérve, hogy mennyire NEM veszi észre a kis érméket, fémdarabokat.... mindezek mellett köszön az információt
Az újabb alatt azt értem, hogy auto és manual tuning közt válthatsz. Amúgy igazad van.
Milyen frekvencián üzemel a DP-d? Nekem most 300 Hz-en. Megépítettem a kijelzőt hozzá. Az LCD-st. Az angol nyelvű .hex-et kissé át kellett írjam, mert nem az igért "solid bar" nézett velem szembe, hanem egy fekete alapon világos P betű, amit úgy vettem, hogy csúfolkodik. ![]() Visszaírtam az eredetit. Nem is olyan nehéz belenyúlni. Szerintem az induló feliratot magyarosíthatnánk is. ![]() Visszatérve a tekercsre. Még a nyáron öntöttem egy sablonba egy 450 uH-s tekercset. Majdnem 3R az ellenállása. 680R/1W ellenállással (shunt) nem melegszik a 840-es FET és a levegőben mért mélysége is elfogadható (karikagyűrűt 25 cm-ről érzékel), de ez természetesen egy jobb fejjel... Valószínű, hogy ezzel a 28 cm-es fejjel és egy nagyobbal használom majd. A mélységek még nem vonzanak.
Az enyém 100 Hz-n megy. Az LCD problémát én is tapasztaltam, az átírassál nem kísérleteztem, mert nem értek hozzá, és az egész LCD-s játékot nem sokra tartom.
A műgyantázást megint feleslegesnek tartom, sokkal egyszerűbb a csőbe húzott kábeles fej.
Hja, nekem sem világos, mi a szösznek az LCD, a saját gépemen sem használom, csak a hangokat figyelem. Értelmetlen, drága extra, ráadásul sok mindent megbonyolít.
Nem kell, teljesen felesleges, de építettem egyet a kíváncsiság kedvéért.
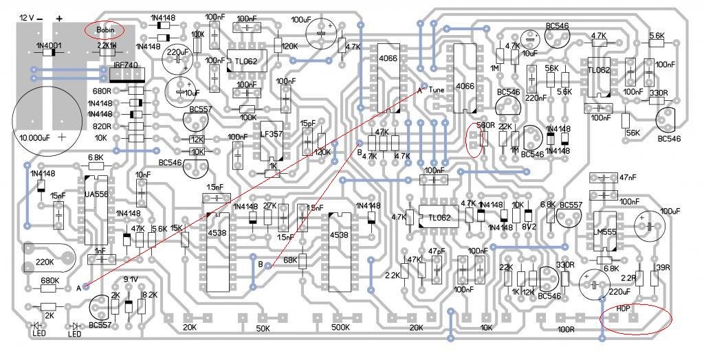
Sziasztok! Elkezdtem a deltát de nem értek egypár dolgot.
a rajzon bekereteztem azokat amit nem értettemés amiket összekötöttem azok jól vannak?
ja a kép lemaradt. és egyáltalán jó-e ez a rajz?
Kösd össze A pontot A ponttal, B-t B-vel. A megjelölt kivezetés a hangszóróé. A fet 740.
és melyik mert 2őt jelöltem meg? és amúgy jó a rajz?és köszi a segítséget
Van két A és két B pont, azokat kell párban összekötni, A-A, B-B. A rajz jó.
Köszi
Megnéztem a YouTube-n a linkedet,
a Dunai Flottilla megirigyelhetné technikádat, felderíthetné a Dunapart mentén a világháborús bombákat.
Építettem már valaki PIM-2-t? Egy kis segítség kellene..
Már nem...
Sziasztok!
Készítettem a télen néhány fémkereső kapcsolást MSP mikrovezérlős alapokra csak úgy, hobbizgatásilag. Ahogy az lenni szokott, rendesen rákaptam a dolog ízére. Végül a PI rendszerűeknél kötöttem ki. Tetszik, hogy baromi egyszerű analóg résszel viszonylag jó eszköz készíthető. (más meg nem is kell hozzá a procin kívül. 1 Ft-os levegőben 13cm, egy pókháló tekerccsel, nem nagy dolog -tudom- de nekem szkóp nélkül megfelel. A mostani prototípus kb. 3000 Ft-ba került, de abban már az usb-s programozó is benne van. ) Szeretnék egy kicsit komolyabbat is építeni, de előbb lenne néhány kérdésem: -Láttam néhány helyen, hogy az oroszok használnak a legelső műveleti erősítőn valami aktív szűrőt a visszacsatoló ágban, amit egy analóg kapcsolóval kötnek be-vagy nem. Ezt vajon miért teszik? (pl..DP) -És néhány helyen, ugyancsak ki, be kapcsolhatóan van a tekercs söntjével párhozamosan egy nagy FET is, az vajon milyen nemes célt szolgálhat? (pl.:Shance ) Kérlek, világosítsatok már fel, mert ezekkel kapcsolatban elég nagy a homály a fejemben! Sokat segítenétek vele, előre is köszi!
Az oroszok gyakran használnak meglepő dolgokat, láttam pl pinpointerben több amperes diódát, gondolom olyan volt kéznél... inkább barkácsoljanak, mint lövöldözzenek :violent:
Ha esetleg rajzot, linket becsatolnál, szívesen eltöprengenék rajta én is.
Ehol van e néhány jó építési leírás. Többek között az említett "shance" is. Ennek a kapcsolási rajzán van még egy FET a tekercs csillapító ellenállásával párhuzamosan.
Nekem alapvető hiányosságaim vannak elektronikailag, de ez mintha a söntöt söntölné ki amikor megfordul a feszültség a tekercsen. Valami plusz csillapítás lehet? De minek? A másik kérdésemmel pedig például az ezen a rajzon lévő TL62-es B moduljára gondoltam.
Sziasztok!
A hammerhead-hez vagy az 555-öshöz van-e valamilyen tanácsotok, hogy hogyan lehet fejet csinálni? A hammerhead dokumentációjábol nem igazán tudtam kivenni, hogy hogyan kellene csinálni, nem a legjobb az angol nyelvtudásom, hogy pontosan megértsem. Az 555-ösnél meg nincs semmi arra utaló. Eddig nem igazán volt időm, hogy nekifogjak, de mostmár lesz rá lehetőségem. A fej készítésénél az olyan infókra lennék kíváncsi, hogy mekkora átmérőjűnek kellene lennie a köröknek, mekkora átfedéssel etc. Valahol találkoztam már ilyennel, de sajna nem bukkantam rá. Arra gondoltam, hogy elöször az 555-öst próbálom megcsinálni, és ha rendesen sikerül, ahogy kell, akkor nekifognék a hh-nek is. Segítségeteket és türelmeteket elöre is köszönöm.
Az előző linken, a clone-pi-hez használt szerintem jó lehet a HH-hez is, de nem különösebben macerás a PI fej elkészítése.
Viszont, én inkább ajánlom, hogy vegyél olyan katonait, mint én, ebayen. 8-10e Ft körül megúszható, van rajta jófajta gumi kábel is. Ha érdekel, előkeresem az eladó adatait.
Sziasztok!
Ha már itt a tekercseknél tartunk, a deltához milyen tekercs jó? Mármint átmérő, menetszám, drót átmérője stb. És milyen kábellel kéne az áramkörhöz kötni?
Valószínűleg nem én vagyok, akinek leginkább tanácsot kellene adnia, de nem bírom megállni.
Pölö ezen az oldalon van egy táblázat, aminek a megértéséhez nem kell ángélusul tudni. Nagyjából 500 - 600 ohmos csillapító ellenállással tuti jó eredményt adnak ezek a tekercsek és nem is kell az említett pókháló tekerccsel cifrálkodni. Azokra -amennyire én látom- csak akkor van szükség, ha kis késleltetésű mintavételezéssel akar játszani az embör fia és így nagyon nem mindegy, hogy mekkora az eredő kapacitás a menetek között. Most is itt recseg előttem egy Stuart féle "fél-digitális" pi detektor kapcsolás, amit pár éve építettem, de akkor nem tudtam beüzemelni és valami csoda folytán egyetlen alkatrészt sem használtam fel másra belőle azóta. Kapott másik procit, meg itt - ott módosult kicsit és lám most működik. Majdnem sima guriga tekerccsel nagyjából ugyanazokat az eredményeket adja, mint a pókhálóval. A 1178041-es hsz-ben említett keresővel viszont a lapos tekerccsel úgy tűnik van értelme 30uS alatt is próbálkozni. (digitális jelfeldolgozással)
Még anno a historikus időkben, mikor azt gondoltam, hogy repülőgép javításgól fogok élni, volt egy szállóige közöttünk a nagy, nehéz és feleslegesen bonyolult szinonimájaként, ami úgy hangzott: "kicsi-orosz".
Akkoriban négy szilícium tranzisztort egy darab rózsaszín kerámia tokban nem átallottak integrált áramkörnek nevezni. Mostanság meg, hogy elég sokat nézegetem az elektronikai fórumaikat nem győzök csodálkozni, hogy hová jutottak ezek húszon-pár év alatt!?
Valaki hammerhead-et épített-e már? a poly kondik feszültségértékeiben tudna-e segíteni?
16 volt
köszi!
|
Bejelentkezés
Hirdetés |






a procin kívül. 1 Ft-os levegőben 13cm, egy pókháló tekerccsel, nem nagy dolog -tudom- de nekem szkóp nélkül megfelel. A mostani prototípus kb. 3000 Ft-ba került, de abban már az usb-s programozó is benne van.
) Szeretnék egy kicsit komolyabbat is építeni, de előbb lenne néhány kérdésem:




