Fórum témák
» Több friss téma |
Mielőtt kérdezel, a következő két dolgot ellenőrizd!
I. A helyes tápfeszültségek megléte.
II. A kimeneten van-e egyenfeszültség.
Élesztés.
Ha passzív az a mélyláda, akkor nyugodtan ráteheted.Az impedancia jó.Egy 35W-os erősítőre rátehetsz egy 3000W-os hangfalat is.Már ha van olyan.Én már régen kinőttem a W mániából, beérem 2X5W-al is.
Hali!
egy hidalt d-osztályú kellene neked!
Sziasztok!
Van egy Sony MHC-6700 torony amit most akartam bekötni de meglepett. A hangfalat rákötve csak sípoló hang jön a hangfalból. Rendben bekapcs minden megy de így lehetetlen használni. Minden kimeneten ezt csinálja. Ebben kérnék tőletek egy kis segítséget mit ellenőrizzek le.
Sziasztok,
A kocsimban Toyota Corolla, van egy modul (előző tulaj hagyhatta benne) ami a gyári rádió cd tár csatlakozójára van dugva, és ennek a modulnak RCA bemenete van. Rádugok egy MP3 lejátszót, így ha nincs benne CD akkor le tudom játszani a fájlokat. Annyi a kínom, hogy a legnagyobb hangerővel is túl halk. Létezik bármiféle kis egyszerű autós erősitő amit az MP3 lejátszó (kis jack kimenet) és a Modul (RCA bemenet) közé tudnék kötni, és egyszerűen csak a hangerőt növelné?
Szia kossz hogy irtal, 2ohm on lehetne vagy szabad hajtani? azt irja rolla a yamaha ceg,hogy 2x350W 8ohm 2x500W 4ohm on es 1000W hidban 8ohm on, de ha hidba kotom akkor 8tol 16ohm ig lehet terhelni.... errol szeretnem hajtani a melyeket,de nem merem 2ohm on hajtani, wan benne wedelem,de felek hogy baja lessz.Ugy gondoltam hogy oldalankent 4dr 15" hajtanak rolla...Szerinted?
Szia! Lehet, bár még simát sem találtam amit hidalni lehetne. Ha végképp nem találok legfeljebb csinálok egy egyszerű IC-set és még sütni is tudok rajta.
Az egytápos TDA7294 már stabilan működik nálam, de az nagyobb bordát igényel. Bővebben: Link
Itt egy kapcsolás, ez 12V-ról is elmegy, az erősítést a 220K és a 10K-s ellenállás hányadosa adja. Jelen esetben 22x-eset erősít. Stereo kivitelhez ott van a másik csatorna lábkiosztása is zárójelben.
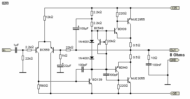
Sziasztok. Találtam egy kapcsolási rajzot és gondoltam megépítem, de előtte kiszeretném kérni a véleményeteket, hogy szerintetek érdemes lenne e változtatni valamin, stb... Segítségeteket előre is köszönöm.
hol találtad ezt a kapcsolást? megnézném az oldalat
Hát én már meg nem mondom :S googleba beírtam easy amplifier és képek keresése és asszem így találtam. Neked mi a véleményed?
Viszonylag kezdő vagyok úgyhogy szakmai véleményem nincs. Szeretem az egyszerű kapcsolásokat. Sok alkatrész nem kell hozzá, úgyhogy szerintem építsd meg, próbáld ki.
Helo ITT a kert oldal a kis egyszerű végfokról.
Sok mindenen érdemes lenne, de akkor már nem ez a kapcsolás lesz, hanem egy bonyolultabb. A két dióda helyett mindenképpen jobb lenne egy szinteltoló tranyót használni.
Szerintem nem hajtsd 2ohmon. A 4db 15"-os mehet rá, nem tudom mekkora a hangszóró teljesítménye*, de valószínűleg nem hajtja ki őket
![]() mod*terhelhetősége
Ebben a gyári kialakításban mekkora lehet a nyugalmija?
Szia! Így már jobb.
Köszi. Még egy kérdés ha Így rakom be a szinteltolót ahogy a mellékelt képen is van, tehát úgy hogy megmaradnak a diódák, az akkor úgy jó lesz? vagy mindenképpen vegyem ki a diódákat?
A diódákat el kell távolítani. A szinteltoló tranyóját fogasd a hűtőbordához!
Sziasztok! Megépítettem az egyik előző hsz.-emben csatolt (#1187837) állítólagos Siva végfokot a BD249C/250C párossal, és nem vagyok tőle elragadtatva...
Először is a hangaj hagy némi kívánnivalót maga után, főleg a magasabb tartományban, (mondjuk ez még elmenne, mivel mélyládát akarok vele hajtani, és egy crossoverről kapja majd a jelet) a nagyobb gond viszont az, hogy már a jelenlegi kapcsolásban is +/-45V-ról 8 Ohm terhelésen, mikor kicsit jobban meghajtottam gyönyörűen zárlatba ment a BD249 még jó, hogy hangfalvédelemmel próbáltam... Bele sem merek gondolni mi lett volna +/-50V-ról 4 Ohm-on, ahogy a kapcsoláson szerepel... Viszont szükségem lenne egy olyan végfokra, ami 8 Ohm-on tud 100W-ot tartósan, és jól bírja a strapát, mert van olyan, hogy reggeltől estig kell neki menni, közel full hangerőn... Ha valaki tud egy ilyen kapcsolást, és feltenné ide, azt nagyon megköszönném...
BD249 100Voltos milyen rajzon láttad te hogy +-50Vról járatják?
Ezt a rajzot kaptam az egyik ismerőstől, aki egy olyan szervízben dolgozik, ahol szabatéri hangosításra készült erősítők javításával foglalkoznak, ez állítólag egy Siva erősítő végfokja...
Szia! Ez megoldja a problémádat. A BD helyére mehet SA/SC páros is ha 100V tájékán szeretnél táplálni.
Köszi
EZ nagyon reménytelen cucc. 8ohm 100wattra irfp 240 9240 fetekkel jobban járnál. Ez a fet pár elég olcsó és strapabíró. Normális tranzisztorok, 2sa 2sc típusok elég amúgyis elég drágák.
Szia! Ha esetleg tudnál valami konkrét kapcsolást adni az IRFP párosra azt megköszönném, az alkatrészköltség másodlagos, a legfontosabb a megbízhatóság...
300W Rms 8ohm 1dr .Megfogadom a tanacsod akkor 4ohm on terhelem....
|
Bejelentkezés
Hirdetés |









Először is a hangaj hagy némi kívánnivalót maga után, főleg a magasabb tartományban, (mondjuk ez még elmenne, mivel mélyládát akarok vele hajtani, és egy crossoverről kapja majd a jelet) a nagyobb gond viszont az, hogy már a jelenlegi kapcsolásban is +/-45V-ról 8 Ohm terhelésen, mikor kicsit jobban meghajtottam gyönyörűen zárlatba ment a BD249 még jó, hogy hangfalvédelemmel próbáltam... Bele sem merek gondolni mi lett volna +/-50V-ról 4 Ohm-on, ahogy a kapcsoláson szerepel... Viszont szükségem lenne egy olyan végfokra, ami 8 Ohm-on tud 100W-ot tartósan, és jól bírja a strapát, mert van olyan, hogy reggeltől estig kell neki menni, közel full hangerőn... Ha valaki tud egy ilyen kapcsolást, és feltenné ide, azt nagyon megköszönném... 




