Fórum témák
» Több friss téma |
Igen mind a kettő, az ic-t is le cseréltem már TL 071-esek. Amit észre vettem az az hogy a tekercsek nem 13mm-es testen 22menettel vannak meg tekerve, hanem 10mm-es testen 22+18 menet , (a 6,9 mikro henris tekercsekről van szó), nem tudom hogy ez számít, mert ennél a 200W-os verziónál 13mm-es testen 22 menet szükséges, és ennek az erősítőnek a 6,9 mikro henris tekercse 10mm-es testen van meg tekerve. Elvileg azzal nem volna probléma, nem is értem hogy miért kelet át alakítsák nagyobb csévetestre a tekercseket, mert a régi 100W-os verziónál 10 mm-es testre voltak meg tekerve a tekercsek. Valami más probléma lehet benne gondolom. Mondjuk a kimeneten a C 12-es kondi 100 nanofarados nem pedig 150 nanós, nem tudom menyire befolyásolja ez a frekvencia átvitelt?. Mi lehet még vele ha ilyet produkál az erősítő.
Bár én csak 1000 éve építettem Quadot, de emlékeim szerint a kimeneti RC tag általában nem csinálhat ilyen jellegű problémát.
Meg kell várj valakit, aki napi szinten gyógyít ilyen erősítőket és ambulánsan megoldja a rejtélyt. A hangfalad nem lehet ludas? Ha tudod, próbáld ki egy műterheléssel, amivel párhuzamosan egy kis hangszóró, vele sorba párszáz Ohm és ha ott nem csinálja, akkor akár a hangdobozba-váltónál is lehet hiba.
Szia!
Ha van rá lehetőséged: Figyeld meg melyik frekvencia az, ami elkezd recsegni. Tegyél rá hanggenerátorral egy ilyen jelet, úgy, hogy ne vezéreld túl az előfokot (kb 200-300 mV elég lesz) Szinuszban. Oszcilloszkóppal pedig keresgélj SZIGORÚAN CSK AZ ELŐFOKNÁL, hogy ez a jel torzul-e valahol. Esetleg, hogy ez a frekvencia kap-e egy hatalmas nagy lökést a tl071-től. Ez leszűkítené kicsit a kört, hogy az előfoknál van gond, vagy esetleg a végénél, vagy közte. Az oszcilloszkópot egy pillanatra se tedd a végfok kimenetére, mert hazavágja.
Közben elolvastam még egyszer, amit írtál és:
Jelkeresés előtt esetleg próbáld ki, hogy kiveszed a kimeneti védelmet a hangszóró elől. Talán abban van valami megszédülve, ami zavarja a középtartományt. Ha nem, akkor jelkeresgélés.
Attól függ milyen oszcilloszkóp és hogy van beállítva.
Nem brummos a kimenet, gerjedés nincs, rendesen össze van kábelezve? A többi frekin ki lehet venni belőle a maximális teljesítményt?
Leválasztó trafókat kell alkalmazni a mérésekhez, és semmi sem megy tönkre.
Vedd le a hangszórót, és használj helyette műterhelést. Ezen ellenőrizd a jelalakot, lehetőleg több frekvencián és különböző kivezérlések mellett.
A hangszóró biztosan jól működik, annak hibája kizárt?
Sziasztok, a hangfalaim azok jók, hisz más erősítővel nem halottam ilyen hangokat a diffukból, már használom több éve, hacsak a Quad nem hajlamos össze gerjedni egy két hangváltóval?, már ere is gondoltam. A többi frekvencián nem produkálja ezt a jelenséget, és nem is brummos a kimenet, ha ki tekerem a potikat teljesen akkor nem halad szik semmi a hangfalakban, a kimeneten mért feszültség vezérletlenül 1-2 mv közt ugrál. A scopom az egy ijen gép. Amúgy miért vágná haza a scop a végfokot ha a kimenetre teszem?, még soha nem történt ilyen eset, hisz közben használok műterhelést is, és szerintem a scópnak a mérőfejében nincs olyan kis ellenállása a test fele hogy rövidre zárja a kimenetet, akkor már rég haza vágta volna. Köszönöm a sok segítséget meg kezdem a méréseket az elő foknál.
Ez sajnálatos tapasztalat lehet, véleményem szerint egyik sem - végfok-szkóp - nem mehet tönkre.
Sokféle erősítőt építettem, méricskéltem, soha nem volt probléma. A mérőzsinórokon általában van előosztó, ha nagyobb feszültségekről lenne szó. Soos Csabi! Nem gondoltam, hogy ilyen jól fel vagy műszerezve, ha jelgenerátorod is van, nagyon gyorsan meg kéne találnod a hibát. Műterhelés, párhuzamosan vele 1 µF például és átsöpörni a frekvenciákon, változó kivezérlésnél. Ne hagyd magad...
Szevasz, hát vettem hogy legyen, jelgenerátorom is van egy saját készítésű. Egy kérdés miért kel nekem 1 µF kondít kössek párhuzamosan a műterheléssel?
Azzal hiteted el (1uF) az erősítővel, hogy nem csak magába pikulázik, hanem egy hangváltóval megspékelt hangszóró van a kimenetén...
Azt a fázistolást szimulálja, feléből-harmadából, amit egy fázistolós terhelés csinál.Nekem egyszer nagyfrekis gerjedés keserítette az életem, amit a hosszú hangszóró vezeték okozott. A vége az lett, hogy fele olyan hosszúra vágtam, úgy is elég volt, egyébként nem bírtam vele. Az valami fetes cucc volt, de emlékeim szerint egy hangosítási kísérletnél közösen buktunk bele a Quad panellal hasonló helyzetbe. Bizonyára tranyócsere és egyéb hókusz-pókusz is megoldotta volna, de egy STK végfok rövidrezárta a problémát. Megalkuvás volt, de már késő bánat...
Olyan nincs hogy a mélyek és a magasak is rendben vannak, a közép pedig recseg, ráadásul mindkét végfok esetén. Ott vagy valami gerjedés van, vagy pedig a jelenség nem a végfokok hibája hanem a kiegészítő áramköröké vagy a hangdobozé. A helyedben először áramkorlátos tápról indítanám el, és a hangszórót (vagy a műterheléssel párhuzamos hangszórót) közvetlenül a kimenetre kötném és meghallgatnám úgy.
Az Orion kék membrános középsugárzói "szerettek" ilyen recsegősre tönkremenni.
Hoppá, ha a most próbált hangfallal ment tönkre a végfok, akkor itt a megfejtés.
Kék halál...
Sziasztok, meg csináltam műterheléssel + 1µF kondenzátor párhuzamosan a végfokra, és a teszteket minden frekvencián 300 mv-os bemeneti szinusz jelel vezéreltem, scopon tokéletes szinuszjel volt minden frekvencián. Aztán hangfallal + scop rá párhuzamosan, fél hangerőn csúnyán racsitot a scop is csúnya jel eltolódást mutatott a szinusz jel alján. Na akkor már tudtam hogy igazatok lehet és szét kaptam a hangfalat és mit leltem egy csomó kondenzátor át húzót szépen nagyobb feszültségnél, úgy ki hajítottam hogy még repült. Le kell cseréljem a hangfalban a szűrést mert az volt a ludas, csak azt nem értem hogy a másik erősítővel miért nem csinálta ezt a racsitást?, lehet hogy a Quad ennyire érzékeny lenne az alul áteresztőkre?. Köszönöm a segítségeteket és a türelmeteket. Most már örülök hogy meg leltem a problémát.
Részemről osztozom örömödben.
Amennyiben elektrolit kondenzátorokkal találkozol a hangváltóban, bipoláris kondikra kell váltani.
Máskülönben az én hibám volt, mert mikor meg vettem a hangfalakat akkor azonnal ki hajítottam belőle a szűrést, mert nem tetszett ahogy szólt, és igazság szerint nem vettem bele új kondenzátorokat és most már ki száradtak vagy el avultak szegények (bontott kondik voltak). Amúgy mindegyik darab bipoláris kondi volt benne, és orosz gyártmány. Na de nem követem el ezt a hibát még egyszer veszek bele új kondikat. Most nagyon jól szól a Quaddal, döng mint állat. Most annyit csináltam hogy a hangfalban az élesnek a kondít + tekercsét meg hagytam, a mélyeket át kötöttem direktbe, a középnek meg ideiglenesen tetem egy 3,3 µF kondít, mivelhogy nem volt most jelenleg itthon nagyobb. Most így szól szépen racsitás nélkül.
Ha elfogadsz egy tanácsot ne bipoláris elkót tegyél a hangfalba, hanem fóliakondit (FKP, MKS stb....) amit feszültségre érdemes kissé túlméretezni. Sokan szeretik még a régi kocka MP kondikat (állítólag ezekkel adja a legjobb hangminőséget a legtöbb keresztváltó), ha ilyet be tudsz szerezni azzal tuti jó lesz.
Üdv. Egy régi urbán 405-ösbe tettem két tungsram 2n3055 végtranyót amivel szólt is egy darabig az erősítő majd hirtelen elhallgatott majd átment rövidzárba az egész és a teljes tápfesz (40V) megjelent a kimeneten .. a meghajtókat és a végeket megmértem nem mentek át vezetőbe. Viszont egy ellenállás elkezdett fűteni mint a fene. A képen bejelölt 1kR körüli ellenállás melegszik. Esetleg valakinél jelentkezett már ez a hiba?
Üdv! A félvezetőknél szakadás is lehet. Ha a kimeneten már nem lesz kint a táp akkor ez a melegedés megszűnhet.
Az is lehet, hogy valamelyik BC ment át zárlatba....
Szia!
+-40V-ról nagy merészség 2N3055-el megépített erősítőt táplálni.
A ma kaphatóakkal még +/-30V-ról is. A békebeli az más tészta, volt amelyik 2 évet is elment +/-45V-al.
Üdv!
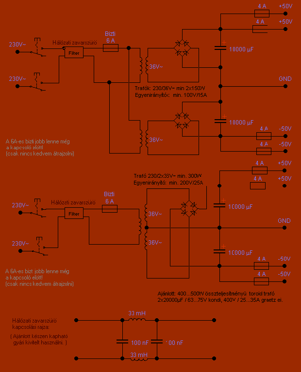
A képen látható tápegység a quadhoz. Az lenne a kérdésem, hogy a 2. rajzon látható trafónak kötelező-e a 3 kivezetéses szekunder oldal? a nullát le lehetne-e venni a kondik találkozásánál? Esetleg ajánlás, hogy honnan vegyek toroidot? Én a TME webshopját nézegettem, ott egész jó árak vannak. Köszi
Üdv!Nem hinném hogy azt ki lehetne hagyni,mivel ez egy +- tápfeszültség anélkül nem hinném hogy működne dolog!Én a fenti rajz alapján csináltam a tápegységet egy 450Watt-os toroiddal aminek a szekundere 4 kivezetéses pontosabban 2X35V-os.De ha rosszul gondolom majd valaki kijavít aki okosabb nálam!Egyébként a TME- webshopjában tényleg elég jó árak vannak és van is nekik 2x35V-os toroidjuk 300W-os is(elvileg ennyi elég a Quad-nak ha két csatornás ) meg van 450W-os!Én a Hqelektronik-nál vettem a toroid-ot de ott drágább!
Szia!
Ha leveszed a nullát, nem lesz mihez képest +50 és -50V ot megállapítani. A Quadnak pedig szimmetrikus forrás kell. És ha toroidot veszel épp ez az, hogy középmegcsapolásosat kell kérned, máskülönben kidobsz egy rakás pénzt egy olyan toroidra, amit Quadhoz nem fogsz tudni egymagában használni. És gondolom nem szeretnél két egyformát venni....
Ha egy toroiddal csináltad, akkor az az alsó rajz, nem a felső.
A felső rajz alapján két egyforma primer és szekunder körű trafót kötsz össze párhuzamosan a hálózattal. A két transzformátor egy-egy kivezetését összekötöd egymással (egyik pluszt és a másik mínuszt) így képzel egy földpontot. Ehhez képest a másik két kivezetés magasabb, illetve alacsonyabb potenciált biztosít, ez okozza a föld szimmetrikus üzemmódot. Neked valószínűleg azért van 4 kivezetésed (holott három is elég lenne) hogy be tudd kötni egymástól független üzemben is.
A két rajz közötti különbségek:
- Ha csak 1db graetz-et használunk akkor az kb fele annyit fog elfűteni mintha 2db graetz lenne beépítve. Tehát 1db trafó esetén ez a jobb választás. - Két külön trafó esetén az 1db graetz használata nem jó, mert asszimetrikus terhelés esetén DC komponens alakulhat ki a szekundereken (közös trafó esetén a +- irányú asszimmetriák kiegyenlíti egymást)). A DC szekunderáram komponens káros jelenségeket okozhat a trafóban (erősebb zúgás, nagyobb vasveszteség, stb..) - 1db trafó esetén is használható 2db graetz (ha 4 szekunder kivezetés van), de ennek egy erősítő esetében nincs jelentős előnye. (Esetleg valamivel könnyebb huzalozni, illetve a földhurkokat elkerülni, de ezért még nem igazán éri meg)
Egy darab toroiddal csináltam,aminek 2-2 külön kivezetése van azaz 2x35V-os 4 kivezetéssel,és 2db graetz kockával oldottam meg a fenti rajz alapján,de megoldhattam volna a lenti szerint is ha a graetzek előtt közösítem a tekercsek egy-egy adott kivezetését ha jól tudom!Én úgy gondoltam hogy a fenti talán jobb lesz nekem,ezt megerősítette egy műszerész kollegám is!Mindegy 1 szó mint 100 nekem tökéletesen bevált a fenti rajz alapján készített tápegység,hibátlanúl működik vele az quadom!
|
Bejelentkezés
Hirdetés |











