Fórum témák

» Több friss téma
Fórum » Rádió építés a kezdetektől a világvevőig
Lapozás: OK   19 / 278
(#) bodgabo válasza _BiG_ hozzászólására (») Márc 19, 2012 /
 
Elnézést ha badarságot írok, még nemrég kezdtem ismerkedni a csöves technikával.
Az általam linkelt kapcsolásban -ha megnézed- a fűtőtelep pozitív pólusa van a testre kötve, így a rácsellenállás is azon van. Olvastam hogy van anódkönyök-egyenirányítás is, ahol megfelelő előfeszültséggel az anódkönyökbe tolják a munkapontot.
A rajzomon számomra gyanús a fűtő körben lévő (fojtó)tekercs, talán mégsincs a tekercs b pontja földre kötve (a csomópont is elmosódott, nem egyértelmű) és oszcillátorként működik, a fűtőáram pedig a tekercsen is keresztül folyik. Van valami túlcsatolt vevő aminek az egyik hátránya a zavaró kisugárzás. Ez nem ilyen?
(#) sz_ferko válasza madzagos hozzászólására (») Márc 19, 2012 /
 
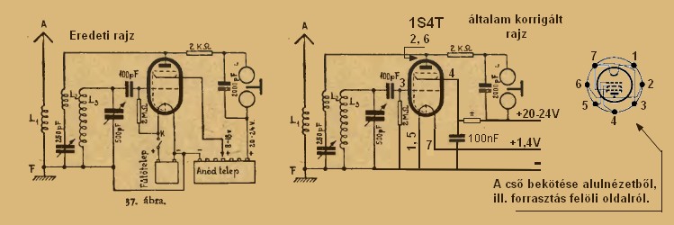
A mellékelt rajzod alapján működhet a készülék, hogy milyen minőségben az más kérdés. Az általad elkészített készülék miért nem működik azt viszont a mellékletből nem lehet megállapítani. Ennek több egyszerű oka is lehet. Mellékelem az eredeti rajzot és az általam korrigáltat. A 2Mo-os ellenállást én a testre kötöttem. A segédrácsot (g2 a második rács) hidegítettem egy 100nF kondenzátorral, ezen lévő feszültség értéke nem mindegy! A rajzon csilggal jelölt ellenállást először célszerű egy potméterrrel beállítani
és utána fixre cserélni. Lényegesen nem térek el az eredeti ötlettől, mert nem szeretném bonyolítani a dolgot. Ügyelj a cső helyes bekötésére. A csövek lábának számozását óra járásával megegyező irányban a forrasztás felöli oldalról számoljuk. A fűtőszál 1-es csőláb legyen a testen, 7-es lábon kapja a +1.4V-ot. Kezdésnek ennyit szántam. Ezután is felmerülhetnek problémák, akkor újból ellenőrizni kell a helyes bekötést, a csőlábakon a feszültségeket, a helyes alkatrész értékeket, stb. Ha ezek után sem működik akkor majd jelezd a hiba jelenséget és tovább lépünk. üdv. sz_f

telepes.jpg
    
(#) sz_ferko válasza _BiG_ hozzászólására (») Márc 19, 2012 /
 
Köszönöm a hasznos tippeket. Én azt mondanám a "lehetséges" helyett, hogy igen, vagy nem.
Természetesen feltételesen. Igen, én is olvastam már az audion elvéről amely egy AM vevőkben használt demodulátor kapcsolás. A kapcsolás lényege, hogy egy darab aktív elemmel (amely lehet tranzisztor vagy elektroncső) végzi a jel demodulálását, és erősítését, így az audion két feladatot lát el. Mint ahogy írtam az előző hozzászólásomban, ki is próbáltam.
(#) pucuka válasza sz_ferko hozzászólására (») Márc 19, 2012 /
 
Még csak annyit tennék hozzá, mivel visszacsatolt audion, a visszacsatolásra nagyon kényes, ennek helytelen beállítása (a visszacsatoló tekerccsel sorba kötött forgó kondenzátorral) bizony oszcillációhoz, gerjedéshez vezet.
A fűtés pozitív, vagy negatív ágához kötött rácslevezető ellenállás problematikájához, csak annyit tennék hozzá, hogy erősen csőfüggő ez is, különösen ilyen alacsony feszültségeknél, nem mindegy hogy mekkora a rácsáram.
(#) madzagos hozzászólása Márc 19, 2012 /
 
Köszönöm a segítő hozzászólásokat,ma délelőtt átnéztem az elkészült művemet és rájöttem hogy a segédrácshoz volt kötve a 100pf-os kondenzátor. Átkötöttem a rácsra és a visszacsatolótekercs vezetékeit felcseréltem, ezután nagyon halkan megszólalt a rádió. Csak nagyon torzít. Üdvözlettel Madzagos. Még ma este a változtatásokat kipróbálom.
(#) madzagos válasza sz_ferko hozzászólására (») Márc 19, 2012 /
 
A csillaggal jelölt ellenállás kb mekkora értékű? Üdv Madzagos
(#) sz_ferko válasza madzagos hozzászólására (») Márc 19, 2012 /
 
Csak saccolni tudom, mivel több dologtól függ. Néhányszor 10k ohm-tól akár 100k ohm nagyságrendű lehet. Egy 470ko vagy 1Mo potival lenne célszerű beállítani azután annak beállított értékével fixre cserélni, de lehet különféle fix értékű ellenállásokkal is próbálkozni. Mivel már megszólalt a készülék, a legkedvezőb értéket 'füllel' is ki lehet értékelni. Mellékelem az általam elkészített készülék rajzát, ez a tiédtől egy kicsit eltérő.
(#) sz_ferko válasza madzagos hozzászólására (») Márc 19, 2012 /
 
A torzítás egyik oka lehet a készülék gerjedése, amit a visszacsatolás csökkentésével küszöbölhetsz ki.
(#) gkari válasza sz_ferko hozzászólására (») Márc 19, 2012 /
 
Nem nehéz számítani:pl.24-8V'=16V-ot kell ejteni úgy, hogy (katalógus szerint) 0,65mA legyen a segédrácsáram(egyszerű Ohm-törvény!)-persze megoldható -terhelhető- osztóval is.
(#) madzagos válasza sz_ferko hozzászólására (») Márc 19, 2012 /
 
A visszacsatolást a tekercs mozgatásával tudom változtatni?
(#) Marczilla válasza pucuka hozzászólására (») Márc 19, 2012 /
 
Sziasztok! Sikerült Szert tennem egy világvevőrádióra, nem mai darab, de mindjárt meg is mutatom a videót hogy miről van szó típusa nec 248. A kérdésem az lenne, hogy a rádió képes fogni a 3.9mhztől egészen 12nhzig, ha az swre állítom be. meg lehetne növelni valahogy ezt a tartományt? vagy ez így marad, és nem lehetne javítani rajta?
(#) sz_ferko válasza gkari hozzászólására (») Márc 19, 2012 /
 
Köszönöm a segítséget. Néhány egyszerű oknál fogva, szándékosan nem erről az oldalról közelítettem meg aproblémát. Másrészt biztosan sokat segítettél volna mazdagosnak egy kiszámitott értékkel. Bízok benne, hogy az általam javasolt megoldás is segíthet a készülék élesztésében. Mégegyszer köszönöm és az ohm törvényét ismételten átnézem. Üdv. sz_f
(#) sz_ferko válasza madzagos hozzászólására (») Márc 19, 2012 /
 
A kapcsolási rajzod alapján a 250pf-es forgóval, és persze az L2 tekercs "mozgatásával" vagy annak a menetszámának megváltoztatásával is. (Tudom, hogy nem egyetlen üdvözítő megoldás van, igaz ez már nem a kérdéshez tartzik)
(#) madzagos válasza sz_ferko hozzászólására (») Márc 19, 2012 /
 
Akkor készítenem kell egy komplett új tekercset. Az új L 2-es tekercset külön mozgathatóra készítem.
(#) sz_ferko válasza madzagos hozzászólására (») Márc 19, 2012 /
 
Nem kell feltétlenül mozgathatónak lenni. A Te kapcsolásodban a 250 pf-es forgó változtatja a visszacsatolás mértékét. Az eredeti leírás megadja a tekercs adatokat, s mint ahogy ott leírják ha betartod az ott megadott adatokat a készülék működni fog. Remélem néhány szerény hozzászólásommal segíteni tudtam.
(#) madzagos válasza sz_ferko hozzászólására (») Márc 19, 2012 /
 
De az a gondom hogy beállítom a csatornát úgy hogy tisztán jön az adó de a beszéd olyan mintha üveges lenne torz nehezen érthető
(#) pucuka válasza Marczilla hozzászólására (») Márc 20, 2012 /
 
Először is ha kérhetem, szíveskedjél egy műszaki dolgokkal foglalkozó emberkéhez méltóan, pontosan, precízen írni. A métékegységek dimenzióját is. Többször el kellett olvasnom, hogy mit is szeretnél.
A frekvenciát Hz -ben mérjük, és nem hz -ben. A prefixumoknál pedig a "m" a milit (miliomodot) jelenti, helyesen MHz -et kellett volna írnod. Még nagyobb hiba, a nhz (nanohertz), ilyenről, még nem is hallottam. Gondolom, az is MHz akart lenni. Az sw betűszó, nagybetűkkel kell írni SW, magyarul RH.
A rövidhullámú sáv (RH, SW) 0,6 - 30 MHz -ig tart, amiből a műsorszóró részsávok 3,8 - 25 MHz között vannak. Ez olyan nagy sávszélesség, hogy egyszerű vevőkkel ezt csak több részsáv átkapcsolásával lehet elérni. Általában 1:3, 1:4 -nél nagyobb sávátfogást nem szoktak alkalmazni, mert akkor már a pontos állomásra hangolás is nehézkessé válik, sávnyújtást kell alkalmazni. Tehát a meglevő rádiódat csak jelentős átalakítással tudnád szélesebb sáv vételére alkalmassá tenni. Plusz sávkapcsoló, sávnyújtó beépítése.
(#) _BiG_ válasza pucuka hozzászólására (») Márc 20, 2012 / 1
 
Khm, bocs a belevauért, a milli az ezredrészt jelent. A milliomod megnevezésére a mikro előtagot használjuk.

A rövidhullám nem 1,6 MHz-től van? A 0,6 MHz (600 kHz) kicsit kevésnek tűnik, ez alig több mint a Kossuth frekvenciája.
(#) pucuka válasza _BiG_ hozzászólására (») Márc 20, 2012 /
 
Úgylátszik nagyon este volt. A mili teljesen igaz. A rövidhullámú sáv RH (SW) 3 - 30 MHz -ig tart igazából, a KH (MF) 0,3 - 3 MHz között van. 1605 KHz -nél (sicc) csak a középhullámú műsorszóró sávnak van vége az 1. körzetben. (Európában, és Afrikában) A HH (LF) sáv 30 kHz - 300 kHz között, és a nagyonhosszú hullámok (VLF) 9 - 30 kHz között. Ennek az elnevezésnek nincs magyar megfelelője, mert ebben a sávban már jóideje nincs műsorszóró adó.
Köszönöm.
(#) madzagos hozzászólása Márc 20, 2012 /
 
Üdv a fórumozóknak Készítem a következő 2 csöves audionomat. Izelítőül egy pár kép. A visszacsatoló forgókondenzátor,és a sasszi.
(#) hagerferi hozzászólása Márc 20, 2012 /
 
Nagy tisztelettel kérdezném ? ! Láthatnánk e "visszacsatolt audion" műszaki rajzát, valamint az hogy mit rejt a "fém-doboz"? Köszönöm !
(#) hagerferi hozzászólása Márc 20, 2012 /
 
Azt is szeretném kérdezni: milyen frekin dolgozik a készülék, s tudsz-e venni un. SSB adásokat /Amatőr-beszélgetések / ?
(#) szendi001 válasza hagerferi hozzászólására (») Márc 20, 2012 /
 
Szia Feri! Egy kérdőjel elég . Én is építek egy hasonlót, így én megosztom az enyémet. A mechanioka teljesen kész van.
(#) pucuka válasza hagerferi hozzászólására (») Márc 20, 2012 /
 
A madzagos az 1T4T csővel építi az audionját, ha visszaolvasol, megtalálod a kapcsolását is. SSB vételre közvetlenül nem jó, ez a kapcsolás rácsegyenirányítással demodulál, amihez szükség van a vivőre SSB adásnál meg nincs ilyen. SSB adást, csak produkt detektorral tusz demodulálni, ehhez valamilyen szorzó áramkörre van szükséged, és egy helyi oszcillátorra, ami pótolja a vívőt.
(#) pucuka válasza pucuka hozzászólására (») Márc 20, 2012 /
 
Bocs, 1S4T -vel, de az majdnem mindegy.
(#) hagerferi hozzászólása Márc 20, 2012 /
 
Mindenkinek köszönöm a választ ! Szeretném elmondani, építettem én-is egy "Visszacsatolt Audiont" SW-re. A készülék: DLL 101-es csővel működik, A sáv-tartomány:
2500-6500.KHz. A "80.méteren" halhatóak Amatőr adások. Mindez úgy érhető el, hogy a "gerjedésig" kell fokozni a "visszacsatolást" !
(#) hagerferi hozzászólása Márc 20, 2012 /
 
Hogy, el.ne feledjem ! Van oszcillátor is,amely pótolja a "vivőt" s rá-is lehet fütyülni vele a venni kívánt adóra !
(#) pucuka válasza hagerferi hozzászólására (») Márc 20, 2012 /
 
Ha használnád a válaszgombot, lehetne tudni, hogy kihez szólsz
És hogy találod el, hogy hol kellene lennie a vivőnek? Ha fütyül, már régen rossz. Ha fütyül, már 1 - 2 kHz -el arrébb vagy, mint kéne, az átviteli sáv 300 Hz -nél kezdődik, neked meg 10 Hz pontosan kellene eltalálni a vivő helyét. Nem egyszerű játék, de rajta, lehet hogy sikerül.
(#) laszlo29 válasza hagerferi hozzászólására (») Márc 20, 2012 /
 
Szia! A kapcsolási rajzát megosztanád velem, velünk? Üdv:Laci!
(#) laszlo29 válasza pucuka hozzászólására (») Márc 20, 2012 /
 
Szia! Bocs,hogy bele vau... De ha jól tévedek, akkor ez eselyesebb az ugynevezett szupreg vevőnél.
Következő: »»   19 / 278
Bejelentkezés

Belépés

Hirdetés
XDT.hu
Az oldalon sütiket használunk a helyes működéshez. Bővebb információt az adatvédelmi szabályzatban olvashatsz. Megértettem