Fórum témák

» Több friss téma
Fórum » DCF77 óra Nixie-csövekkel
Lapozás: OK   146 / 255
(#) Hp41C válasza (Felhasználó 1947) hozzászólására (») Márc 24, 2012 /
 
Szia!

Szép szerelés, gondos kivitel. Milyen diódát tettél az anód tápegységbe?
(#) (Felhasználó 1947) válasza Hp41C hozzászólására (») Márc 24, 2012 /
 
Szia !

A dióda BYV33V .1400V 1,3A 500nS
Tudom, kicsit túlzás, de ez volt diódás dobozban kéznél.
A tekercs Coilcraft , igy elég jó hatásfokon megy az invertere.
(#) Hp41C válasza (Felhasználó 1947) hozzászólására (») Márc 24, 2012 /
 
Próbáld ki UF4007 -tel (1000V, 1A, 75ns).
(#) storm hozzászólása Márc 25, 2012 /
 
Ha az IN-4 es csöveket az egyenirányított hálózati feszültségről szeretném járatni, ami kb 320V, az égési feszültség pedig 150V, akkor a kettőt kivonom egymásból marad 170V. Az Anódáram kb 2,75mA csövenként. Ezzel a képlettel (Uanód - Uégési)/(Ifolyamatos x 6) Számoltam körülbelül 10K ohm-os ellenállást. Helyes ez az érték?
(#) vanzerr hozzászólása Márc 25, 2012 /
 
Sziasztok!

Végre sikerült nekem is összerakni az órát, elsőre beindult, igaz egy kis "derengési" problémák voltak, de végül sikerült azt is megoldani. A két panel közti távolság még nem végleges, mert még az rgb-s panel nincs kész (ledek hiánya miatt). Egy kis problémám azért van amit nem tudok megoldani, az pedig a távirányítás. Valahogy nem akar működni, vagyis nem csinál a távirányító gombjaira semmit.
Tud valaki valami okos ötletet adni?
(#) patexati válasza vanzerr hozzászólására (») Márc 25, 2012 /
 
Szia! Milyen távirányítóval próbáltad? Ha RGB is lesz akkor a 7805 hűtést igényel!! Elég alacsonyra össze lehet rakni (az eredeti méretre) de pontos illesztéseket igényel.. Ha jól látom nincs bent az LDR szabályzó ami nem is kell mert nagyon instabil lesz a anódfeszültség. RGB verziónál ajánlott min 1A táp de legjobb ha stabilizált (én egy kapcsitápról hajtom egy modemé volt)..
(#) vanzerr válasza patexati hozzászólására (») Márc 25, 2012 /
 
Igen nem tettem be az ldr-t, szükségtelennek tartottam. A távirányító az egy Philips tv távirányítója. A táp és a hűtés nem gond azt meg fogom oldani, így egyenlőre a 2A-os stabIC nem melegszik.
Még lenne egy kérdésem Az RGB kapcsolási rajza publikus esetleg?
(#) Hp41C válasza vanzerr hozzászólására (») Márc 25, 2012 /
 
Sziasztok!

Sokan kérték már...
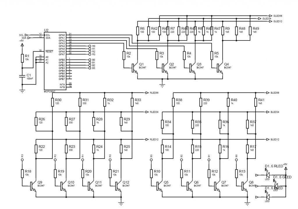
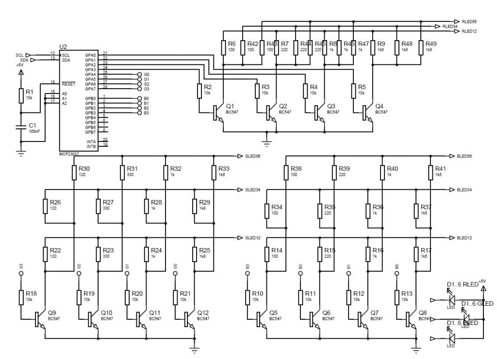
Egy hevenyészett rajz az RGB panelről. Közös anódos, 4 kivezetéses, 5mm -es RGB led-hez készült. Lényegében 3 db 4 bites "D/A" konverter, melynek kimenete az egyes LED -ek árama. Miután a LED árama és fényereje közötti összefüggés nemlineáris, az ellenállások nem követik a 8, 4, 2, 1 arányosságot. Ráadásul a kék led kisebb áramokat igényel.
A panelen 3*4 db BC848 tranzisztor hajtja meg a 3*3 ellenállás hálózatot. Egy hálózat két RGB LED azonos színű led-jéhez kapcsolódik. Sajnos nem fér ki olvashatóan a lapra... :hide:

A program, ami az RGB panelt kezeli, még tartalmaz hibákat. Ahogy az időm engedi, javítom.

RGBLED_CA.jpg
    
(#) vanzerr válasza Hp41C hozzászólására (») Márc 25, 2012 /
 
Szuper, köszi szépen. Amúgy most raktam az órára egy DCF antennát, teljesen elállítottam az órát és láss csodát kb 2 perc és szinkronizált. Dátum, idő OK!

Várjuk a progit! Jó munkát hozzá!
(#) patexati válasza Hp41C hozzászólására (») Márc 25, 2012 /
 
Szia! A kék és a zöld led szinte megegyező áramot vesz fel azoknál azonos az ellenállás a piros minek nagyobb áramellenállások kellenek.. De a beültetésről készíti valaki azon úgy van..Ha valaki akar kísérletezni lehet de nekem a készletben lévő ellenállásokból ez állt össze..
(#) patexati válasza vanzerr hozzászólására (») Márc 25, 2012 /
 
A Philips tv távirányító nem biztos,hogy jó lesz szerintem az eredeti fordításhoz.. Kéne tudni a parancsait..Ahhoz szükséges lesz szerintem másikat fordítani és a címet is át kell állítani a megfelelőre vagy kikapcsolni a címfigyelést..
(#) kondorzs válasza patexati hozzászólására (») Márc 25, 2012 /
 
Az RGB ledeknél kiemelten fontos az előtét ellenállás, mert ha nem jól van kiszámolva akkor a színkeverés nem lesz tökéletes.

Piros 2.1 V 20mA
Zöld 3.2 V 20mA
Kék 3.4V 20mA

Nyilván ha multiplex a vezérlés akkor több áramot is elbír.

Nem javaslom a próbálgatást
(#) Hp41C válasza patexati hozzászólására (») Márc 25, 2012 /
 
Szia!

Akkor egy kicsit elrajzoltam. Itt csatolom javítva.
Az ellenállások egy bizonyos típusú RGB led -hez kísérletezte ki Patexati. Más led -hez más ellenállások kellhetnek.

RGBLED_CA.jpg
    
(#) patexati válasza kondorzs hozzászólására (») Márc 25, 2012 /
 
Szia! Természetesen a max áramot nem lépheti túl de,hogy szabályozzon kellett bizony kísérletezgetni,hogy a szabályzás látható legyen és azért le is lehessen a fényt venni mert nagyon kis árammal is eléggé erősen világít a led.. Ez erős fényű nyilván más ledhez lehet kell módosítani az értékeken..Ez egy négyes ellenálláslétra segítségével szabályoz mely 16 kombinációt enged egyszerűen kapcsolgatva vannak portokon tranzisztorokon keresztül. A PWM persze sokkal egyszerűbb lenne de az nem fért bele az eredeti kontroller kapacitásába.. Ez csak egy bővítés az eredeti cikkben lévő tervekhez..Hp41C a tervek szerzője én csak nyákot terveztem és teszteltem..
(#) kondorzs válasza patexati hozzászólására (») Márc 25, 2012 /
 
Igen igen, csak félreérthető volt, láttam a panelt nem rossz.
Én meg az adatokat a köz anódos szimpla ledhez írtam mivel nem láttam a panelen, hogy milyen van (power)

üdv.
(#) storm hozzászólása Márc 25, 2012 /
 
(#) (Felhasználó 1947) válasza storm hozzászólására (») Márc 25, 2012 /
 
Szia !

Egy kicsit veszélyes az egyenirányitott hálózati fesz.
Vegyél egy 230/120-140V-os trafót..
Vagy inverteres táp, 12V-ról.
(#) storm válasza (Felhasználó 1947) hozzászólására (») Márc 25, 2012 /
 
Tudom, hogy veszélyes, az érintésvédelmi szabályokkal tisztában vagyok, és szem előtt tartom mindíg, a képlettel vagyok bajba, mert ahány helyen olvasom annyi félét találok.
(#) (Felhasználó 1947) válasza storm hozzászólására (») Márc 25, 2012 /
 
Értem, rendben.
Én ezzel a képlettel szoktam számolni:

(Utap-Ueg)/Ik
(#) storm válasza (Felhasználó 1947) hozzászólására (») Márc 25, 2012 /
 
De a csövek multiplex üzemmódban való hajtása miatt elvileg más képlet kell. Vagy Ik alatt az összes csövön átfolyó áramot érted?
(#) H2opok válasza vanzerr hozzászólására (») Márc 26, 2012 /
 
A 2200uf-nak csináltam helyet hogy le lehessen fektetni.
Legalább is én arra törekszem, hogy minél kevesebb hely legyen a két nyák között, mert a burkolatot egyszerűbb megcsinálni. Persze ha arányosan és esztétikusan szeretnénk. Most az enyém 90%ban van kész, a két nyák közti távolság pont az anódellenállás hossza.

Terveztem egy új pelxi burkolatot, ami teljesen "átlátszatlan" fekete plexi. Egy felső lap és egy alsó lap lesz csak, + a felsőlap tetején a csöveknél valamilyen crom ötvözetű, 0.18mm vastag lézervágott dekor betét lesz (a stencil anyagot ebből készítjük). A 2 lap között, ugyanebből a plexiből a távtartó 4 oldali lapka. Elejében cnc-n mart dekorcsík, ami a ledvilágítással fog átvilágítódni. Gombok és tápcsti hátul, csavar csak alul lesz sehol máshol.
(#) H2opok válasza H2opok hozzászólására (») Márc 26, 2012 /
 
Nos elkészült az enyém is, egyenlőre "próbajáratáson" van. Ma a plexi burkolatra állok rá. Az rgb még nincs benne, mivel én más megoldást találtam erre. A nyák még készülőben van hozzá.
A nyomógombokat kivettem a felső nyákból,mivel esztétikailag jobbnak tartom ha hátul lesz.

Sajna az infra még mindig túl közel van az összekötő csavar furathoz.
(#) vanzerr válasza Hp41C hozzászólására (») Márc 26, 2012 /
 
Szia Hp41C!

Az RGB-s progi menürendszeréről tudnál egy bővebb leírást adni?
Betöltöttem egy PIC-be a progit, sikerült valahogy bekapcsolni a ledeket, csak nem tudom hogyan ezért lenne szükségem a beállítási lehetőségekre.
Tapasztaltam még egy olyan dolgot (lehet hogy én állítottam el valamit, sőt...) hogy néhány perc után a csövek kikapcsolnak amit egy gomb nyomásra vissza lehet kapcsolni, a glimmek pedig világítanak tovább. Gondolom ez egy csőkímélő megoldás ami nagyon szuper szerintem, viszont ha hosszabb ideig nem nyúlok az órához akkor a csöveket már nem bírom visszakapcsolni, csak úgy hogy ha újraindítom az órát. Valamit elállítottam talán?
(#) Hp41C válasza vanzerr hozzászólására (») Márc 26, 2012 /
 
Szia!

Sajnos abban a verzióban vannak még hibák...
A menürendszert kibővítettem:
Idő / Dátum / Évszázad és év / Hét napja és 12-24 mód / DCF szinkronok száma / Óránkénti hangjelzés idő kezdete és vége / Hangjelzés módja / Fényerők / Autostandby beállítások / RC5 távirat megjelenítése / Csőregenerálás időpontja / Csőregenerálás hossza / R LED fényerő / G LED fényerő / RTC úraolvasása n óránként / B LED fényerő / Alarm1 / ... / Alarm8

Autostandby - Ne használd... Hibás.
Az R, G, B fényerő sorrendjében sem vagyok biztos - a példányom még nincs kész. A beállított R, G, B fényerő értékeket elmenti a RTC -be, induláskor vissza is olvassa, de nem küldi el a portbővítőre.

Szóval ez még csak egy teszt verzió - hibákkal. :hide:
(#) vanzerr válasza Hp41C hozzászólására (») Márc 26, 2012 /
 
Köszi szépen, akkor szerintem az "autostandby"-nál állíthattam el valamit... A tiltást és az engedélyezést a 0-val és az 1-el tudom állítani?
Az RTC újraolvasása esetleg nem a 3 led fényerejének állítása után következik?
(#) Hp41C válasza vanzerr hozzászólására (») Márc 27, 2012 /
 
Ott kellene lennie, de elírtam...
Megkérdezném, hogy az R, G, B fényerő sorrend stimmel?
A fejlesztést három ember végezte: A kapcsolási rajzot jómagam készítettem, a paneltervet Patexati, a panelt H2opok, a beültetést, bemérést Patexati. Az én példányom - más irányú elfoglaltság miatt - még nincs kész.
(#) patexati válasza Hp41C hozzászólására (») Márc 27, 2012 /
 
Szia! Igen az R-G-B sorrend stimmel
(#) MrBrown válasza kisgeri hozzászólására (») Márc 27, 2012 /
 
Szia,
Jól értelmezem ugye, hogy az ENABLE bemenet teljesen ki-be kapcsolgatja a konvertert tehát at nem fűt-nem fogyaszt?
Ez esetben a tervezett beprogramozható kijelző ki-be kapcsolást ezen keresztül érdemes vezérelni és nem a 141-eken keresztül...

HVPS.pdf
    
(#) H2opok hozzászólása Márc 27, 2012 /
 
Nos én is elkészültem egy próbával. RGB alávilágítás, külön elektronikával, infra távval minden funkció, effekt beállítható. 2 féle Fade effekt, ennek a sebesség állítása, szinek manuális keverése -beállítása, fényerő, ki-be kapcsolás,stb. Maga az elektronika 20x30mm, ami be is fér a 2 nyák közé, vagy mellé. Az órának még nincs burkolata, de nem is ez a lényeg. A csövek alját még le kell takarni hogy ne szórja annyira szét a fényt.
(#) H2opok hozzászólása Márc 27, 2012 /
 
Félig készen van a plekó is. A köztes (oldalai) db-ok méretei csak akkor lesznek meg ha teljesen készre van szerelve az óra. A"crom" betét csak egy gyors ötlet volt, lehetne szebbet is, csak kreativitás kérdése. Csak jól mutat a fekete plexin a crom.
Következő: »»   146 / 255
Bejelentkezés

Belépés

Hirdetés
XDT.hu
Az oldalon sütiket használunk a helyes működéshez. Bővebb információt az adatvédelmi szabályzatban olvashatsz. Megértettem