Fórum témák
» Több friss téma |
Mielőtt kérdezel, a következő két dolgot ellenőrizd!
I. A helyes tápfeszültségek megléte.
II. A kimeneten van-e egyenfeszültség.
Élesztés.
Ahogy látom, mindenki tesz biztosítékot az erősítőjébe, hát gondoltam, teszek én is egyet. Hogyan kell méretezni?
Nekem 2x100W-os az erősítő IC-m, mindez 39V-on. Ha ezt kiszámolom, akkor: 100W/39V=2.56A Annek értelmében akkor 2 db. 2.5A-es biztosíték kell, amit az egyenirányított tápfesz +39V és -39V -jára kötök és erről táplálom az erősítő IC-t. Így van?
Hali egy kis segítség kellene van egy erősítőm TDA2030 dolgozik benne mono tökéletesen működik viszont a mély hangal van egy kis probléma nehezen hozza ki egy hangerő felett. Gyári erősítő azon elmélkedtem hogy van benne két kondi 35V 1000mikroF fizikai méretük kicsi és nem is újkeletűek. Ha kicserélném érhetnék-e el vele valami pozitív változást. Ja és kisebb basszussal még kegyetlenül lehet döngetni ill a hangszóró is nagy teljesítményű azaz nem ezek a kiváltó okok. USA-ban rakták össze. Jó lenne kipréselni még ecs kicsit belőle
Szia!
A kovetkezoket kellene pontosan megnezni az erositoben: 1. milyen (es mekkora) tapfeszultseget kap az erosito (szimpla v. kettos tap)? Ez azert lenyeges, mert a tapfeszultseg nagysaga alapvetoen befolyasolja az erositobol maximalisan kiveheto teljesitmenyt. A szimpla vs. kettos tapnak pedig azert van jelentosege, mert a szimpla tapos verzional kicsatolo kondit kell hasznalni amit ha alul mereteztek, akkor a melyhangoknal lehet problema (csokkenes/torzitas). 2. mekkora a trafo (ha nem tudod a teljesitmenyet, akkor a fizikai meretebol nagyjabol lehet kovetkeztetni, hogy kb. mekkora teljesitmenyu)? ez azert lenyeges, mert ha minden mas jol van meretezve, de a trafon sporoltak, akkor pont a nagy dinamikaju mely hangoknal leffuladhat az erosito es szinten melyhang torzitast/esest lehet tapasztalni. 3. fontos a puffer kondik merete is ... ha az a 2db 1000µF-os kondi a puffer, akkor azt erdemes lenne kicserelni nagyobbakra (legalabb 2200µF esetleg 4700uF). Ez is a nagy dinamikaju zenei reszleteknel fontos, nehogy lefulladjon az erosito. Szoval ezeket nezd at es az eredmenytol fuggoen lehetne valamit javitani a dolgokon.
Megérkezett végre az erősítő IC-m!
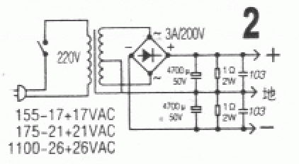
Lenne viszont egy további kérdésem: a tápegység építési zajz szerint kéne bele mindkét tápághoz egy-egy 1Ohm-os 2W-os ellenállást kötni a tápág és a föld közé. Ennek mi a szerepe? És hogyan kell számítani a szükséges méretét?
Elvileg ez lenne az. Sajna ilyen felbontásban sikerült bescannelni. De azért látható...
Hmmm... érdekes ilyennel még nemtalálkoztam...
Először azt hittem hogy egy z-diódát néztél ellenállásnak Ez kimondottan ahoz az erősítőhöz van amit építessz? Mert ha nem akkor szerintem elhagyható, én a kis zavarszőrő kondikat is kiszoktam hagyni, de ha van inkább rakd bele. Viszont arra énis kiváncsi vok hogy az a két ellenállás mire jó Idézet: „én a kis zavarszőrő kondikat is kiszoktam hagyni” nem kellene kihagyni.. Idézet: „Viszont arra énis kiváncsi vok hogy az a két ellenállás mire jó” arra jó, hogy kisüti az elkot, ha kikapcsolod a tápot, ez ilyen bolond biztos megoldás bár 1 ohm kicsit kevés, én pár 100kohmot raknák bele v 1 Mohm-ot.
A zavarszüröt azért írtam inkább rakja bele
Ez az ellenállás szerintem meg tök felesleges (egy tipp: én mikor szerelkedek és kikell sütni a köndit én mindig tv-ből kiszerelt hangszóróval szoktam, igaz az 50V és nagyobbakat ovatosan kell csak pár másodpercig de szerintem egyszerü(kise kell szedni) és jó megoldás )
És hány W-os kell hogy legyen (1MOhm-osat rakok be)? Gondolom azért raksz rá ekkorát, hogy kevés áram follyon rajta...
Idézet: „én mikor szerelkedek és kikell sütni a köndit én mindig tv-ből kiszerelt hangszóróval szoktam” És miért gyilkolod a hangszórót egyenárammal? Le akarod égetni a hangszóró tekercsét? Inkább használj autóizzót, vagy ellenállást.
De nyilván nem a zsír új 500Wattos mélynomot kötöm rá
hanem a régi tv hangszórókat amik porosodnak szinte semmire nemjó 1-2Wattosak épp hogy a rozsda nemette meg Az egyikkel is nemtom hánszáz konit kisütöttem közet 55V osokat is és semmi baja nem lett.(végül egy erősítő kimenetén megjelnö -40Volt ölte meg, de van még egy tucat legalább )
Valaki esetleg a biztosítékos kérdésemben is kiokosítana (120015 számú hsz.)?
Használj gyors 4A vagy 5A-s biztit monoban.
nem tudnatok segiteni: van egy stk4231II ic-m.nem talalok hozza rajzot
Keres adatlapot abban szerintem lesz rajz.
Szia!
http://www.datasheetcatalog.com de itt egy közvetlen link: http://www.datasheetcatalog.com/datasheets_pdf/S/T/K/4/STK4231.shtml Ezen bármelyik gyártóra kattintasz bejön a leírás az icről. üdv.: Zoli
Szimpla táp kb 8cm-6cm méretű de az erősítő fénnyel is el van látva és ha kevés lenne a betáp akkor "villognia" kellene
Azaz szerintem a táp megfelelő
Sziasztok!
Kaptam javításra egy beag aet450-es erősítőt. Van olyan h működik akár 1 hétig is és akkor olyat csinál, hogy szól a zene, és akkor a háttérbe elkezd recsegni. Olyan mintha valami zavarná. Eza recsegés egyre erősödik, és egyszer csak a zene teljesen elhallgat. És utána 2-3 hétre rá megjavul. Valakinek valami 5lete? Előre is köszönöm a segítséget...
Egy kérédés:
+-55Voltot bírna az st151 BD tranyókkal??? Esetleg ha lejjebb veszem a nyugalmi áramot(mármint az emmiter elenálláson eső feszt lejebb) esetleg úgy? Fontos!!!!!
NEM! Sajnos nem...
Vagyis módosítás nélkül nem. Azonban én építettem már ekkora tápfeszre ST151-et (APT-100 trafója pont +/-55V-ot ad), és Sixtek javaslata alapján építettem meg: T3/T6 helyett MJE340/350 T7/T11 helytt MJE15030/15031 T8-T9/T12-T13 helyett 2SC5200/2SA1943 T1, T2, T5, T10 helyett BC546 T14 helyet BC556 Meg persze C1, C3 és C9 63V-os legyen. Mást nem kell módosítani rajta, maradhat az eredeti nyák. A megépítés és élesztés nem változik. Nálam műküdött kiválóan (már eladtam a végfokpanelt), 8ohm-ra 100W-ot, 4ohm-ra 200W-ot adott le. Sok sikert!
Jah átépíteni nemakarom mert csak kölcsönbe van a trafó, esetleg csak akkor ha ideadják...
Azért kössz az infót
Megmered oket, akkor mikor jol muxenek, es akkor mikor nem muxenek, hanem csereled az occeset,.. De azert latcik ami regi vagy hoforras kozeleben van! Hanem a morbid, lecsippented a tetelyet es megnezed ha ki van szaradva ujjat rakc, ha meg nincs akkor is ujjat rakc! merthat nem rakhatod vicca a lecsipett kondit
"Sehogy"Cseréld ki ne mérd csak cseréld szerintem elég ha csak a csatolokat de nem baj ha az egész végfok panelt átkondizod.
OK, értem!
Akkor a válaszom viszont az hogy az eredeti tranyókészlettel (BC/BD) TILOS +/-55-ről műkodtetni! Max. +/-40V! |
Bejelentkezés
Hirdetés |





hanem a régi tv hangszórókat amik porosodnak szinte semmire nemjó 1-2Wattosak épp hogy a rozsda nemette meg
)





