Fórum témák
» Több friss téma |
Mielőtt kérdezel, a következő két dolgot ellenőrizd!
I. A helyes tápfeszültségek megléte.
II. A kimeneten van-e egyenfeszültség.
Élesztés.
Szinte biztos,hogy a mérési pontatlanságtól van mert ugye néha a kiállás volt meg nem olyan zene.
emersys megnézem akkor majd úgy is ahogy te javasoltad.
A párhuzamos FET-ek egyenletes terhelés elosztását a 0,33 ohm-os source ellenállásai melegedésének összehasonlításával tudod ellenőrizni. Nem árt elvégezni.
Rendben. Arról ne felékezz ell, hogy a logaritmikus hangerőszabályozó csalóka lesz.,-tehát ne őt állítsd be 1/3 állásba! A legegyszerűbb megoldás a következő lenne rá: 1-10khz sinus-al megvezérled a bemeneti érzékenységének megfelelően (0,5-1v kb) majd feltekered a potit teljes állásba terhelés nélkül! -az itt kapott effektív feszültséget leolvasod a multidról és annak veszed a kb 33-35% át. Ezt a feszűltséget megközelítőleg beállítod a hangerőszabájozöval majd ráteszed a terhelő impedanciának megfelelő műterhelést. -igy megkapod a legmelegebb hőfokot.
Ez most azt jelentené,hogy csak simán mérjem le hány fokosak az ellenállások?
emersys: A multim az a baj nem mér KHz-es tartományba így nem tudom beállítani a 0,5-1V-ot.
A 0.5-1V nagyságot a hangkártyád fogja szolgáltatni, ha nincs jelgenerátorod.
Jelgenerátor programokkal meglehet adni hogy hány khz-es sinus-t adjon ki. Az ellenállások hiteles melegségét is folytonos, -sinus-os jelel pl, és műterheléssel lehetne helyesen kiértékelni.. A zene nem konstans frekvenciamenete erre nem éppen alkalmas.
Csak hogy jól értem-e amit mondasz, kérdezem újra.
Véleményed szerint ha egy végfokozat teljesítmény tranzisztorán, adott terhelés mellett, teljes kivezérlésen folyna 3A, akkor ha addig csökkentem a bemeneti jelet amíg a tranyón 1A fog folyni, akkor itt melegebb lesz mint a 3A-es állapotban? Az én tapasztalataim ennek ellentmondanak, mert teljes kivezérlésen jobban szokott melegedni mint 30%-on. Csak egy fikció, de azt tételezem fel, hogy akkor lehetne nagyjából értelmet adni a 33%-nak (1/3), ha azt próbálnánk jellemezni, hogyan lehet függvénygenerátorral előállított állandó jellel szimulálni a valódi zenével elért igénybevételt. Egy zene időbeni kitöltése lehet kb. ennyi, de persze ez erősen zene függő.
A végfok 1/3-ad terhelésen jobban fűt, mint 100% terelésen. Nem véletlen hangsúlyoztam ki, hogy műterheléssel lesz csak hiteles (állandó Ohm -us telj ellenállással és nem terhelő impedanciával).
Azért tapasztalod te azt, hogy jobban fűt impedancikus terheléssel mert nincs megfelelően felülméretezve az a hiteles méréshez (és nem is lehet), hsz esetén ez nagyobb kivezérlési szintnél sokszor fogja közelíteni a rövidzárközeli állapotot, míg 1/3ad terhelésnél kevésbé.. Ez az eset áll fent hangszóróval terhelve..mert pl egy 8ohm-s hsz 1/3-ad terhelésen nem megy le 0-1-2-3 Ohm közeli állapotba oly sűrűn mint teljes kivezérlésnél.. Próbáld ki ezt műterheléssel, más lesz a szitu.. Teljes kivezérlésnél azért nem fog jobban fűteni mert nem tud leesni annyira az értéke a névlegeshez képest egy műterhelés, valamint kevesebb lesz a maradékfeszültség a tranyákon. Érdeklődj nyugodtan máshol is utána!
Csak azt nézd, hogy a négy teljesítmény ellenállás között van-e hideg, miközben a többi már érzékelhetően fel van melegedve. Műszer egyáltalán nem kell hozzá. Ha a párhuzamos FET-ek közül az egyik alacsonyabb gate feszültségről tudja ugyan azt áramot, akkor melegedés hatására úgyis magára vonja a terhelést.
Szerintem oszlassuk el a félreértéseket mielőtt még tovább gyűrűzik. Ami ugye abból adódik, hogy akkor van a legnagyobb disszipáció a félvezetőn, amikor a feszültség arányosan oszlik meg rajta és a terhelésen, vagyis 50% körüli kivezérlésen. Ez így is van. De. Nem DC-t hallgatunk hanem zenét, de az érthetőség kedvéért mondjuk azt, hogy szinuszt. A szinusz (vagy zene) esetében mikor érvényesül leginkább ez az állapot? Természetesen a legnagyobb kivezérlés esetén! Ekkor lesz a jelünk azon a ponton a legszélesebb azaz időben a leghosszabb.
Tehát a végfok disszipációja a maximális kivezérlésen lesz a legnagyobb. Illetve még annál is nagyobb lesz ha túlvezéreljük.
Szia!
Csatolok ST adatlap részletet, ezen jól követhető a disszipáció alakulása.
Szia! A túlvezérlésnél hiába folyik sok áram sokáig, a szaturációs feszültséggel kiszorozva viszonylag kevés energiát kapsz eredményül. Az áramkorlátozós végfokok egészen más tészta, nem ok nélkül vannak ellenzői
Nos megcsináltam az egyik oldalon a mérést.
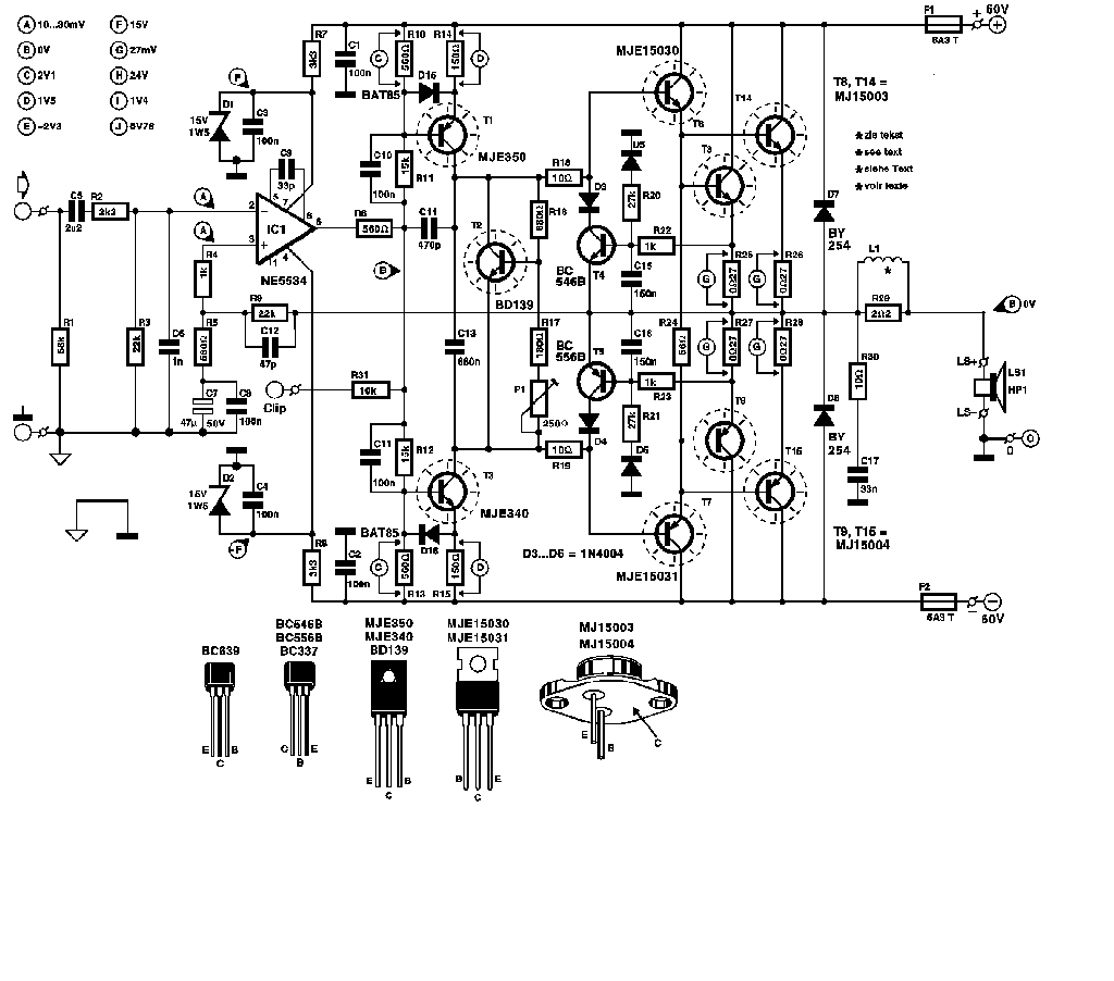
24V-nál van teljesen kivezérelve az erősítő. Ennek a 35% 8,4V. Ennyivel küldtem meg az erősítőt és a műterhelést rátettem.Mind a 4, kettő ellenállás 27 fokos a másik kettő pedig 28 fokos. A bal oldali L idomon: 1. fet 47 fok mellette az L idom 47 fok IRFP9240 2. fet 47 fok ... 47 fok IRFP 9240 3. fet 38 fok ... 46 fok IRFP 240 4. fet 37 fok ... 43 fok IRFP240 A másikat még nem néztem. Most akkor mi tévő is legyek? Hogyan mérjem? Olvastam kinek mi az állás pontja.
Szia,Kedves kolléga lenne egy óriási kérésem, abban kérném a segítségedet, hogy mit kellene át alakítanom a PA- 300,son, hogy biztonságosan működjön +- 75 V,rol fel tenném az egyik próba rajzomat és várom rá az áldásodat, ha így működne. Előre is köszönöm.
Páronként egyformák. Miért pont 35%?
Max melegedést szeretnél elérni? Mekkora a tápfesz?
Értem amit mondasz, és nem állítom, hogy tévednél. Egyáltalán nem gondoltam semmiféle hangszóróra. Műterheléssel szoktam ilyen méréseket végezni, ami valóban ellenállás, de abból huzalból tekert fajta, tehát azért van neki némi induktivitása is.
Csak a tapasztalatom mondtam el, mi szerint jobban fűt kivezérelve mint 33%-on. Abban viszont látok logikát, hogy jobban vezérelve hiába folyik nagyobb áram, ha közben a tranzisztoron eső feszültség annyival kisebb lesz (mert nő a kimeneti feszültség), hogy a kettő szorzata kisebb hőteljesítményt eredményez, mint egy kisebb áramhoz tartozó nagyobb tranyón eső feszültség. (De akkor miért melegedett jobban kivezérelve...? Újra mérnem kell, hogy legyen célirányos tapasztalatom, mert korábban mindig a teljesítményt akartam meghatározni, és csak mellékesen figyeltem a melegedést..)
Mekkora a tápfeszültséged, hogy 24V-nál van teljesen kivezérelve az erősítő? +/-40V?
A hőfokok teljesen rendben.
Végül mindegy a tápfesz konkrét értéke, az a lényeg hogy a feléig kell effektív értékben kivezérelni hogy max melegedést kapj. 40V tápnál 20V effektívig pl.
Én is 30-40% ról tudok. És nem ma kezdte a kolléga aki mondta kb 30 éve foglalkozik erősítőkkel. Szóval igazságod van szerintem.
+-43 V a tápfeszültségem.Azt elfelejtettem írni,hogy 4 ohm-os műterhelést tettem rá mikor mértem a hőmérsékletet.
Azt vettem teljes kivezérlésnek mikor láttam,hogy felvillant a CLIP led. ( A rajz az-az amit nekem készítettél.) Akkor mi legyen? Mérjem újra az egészet teljes kivezérlés mellett vagy csináljam úgy ahogy "Lacika001" írta vagy teljesen jó így is ahogy "emersys" kolléga írta.Mert teljesen feleslegesen nem akarok méregetni. Ha jó így akkor még a másik oldalt is lemérem aztán leírom.
Sziasztok!
Laikusként kérdezném: egy Grundig rádiós erősítőt hallgatok a műhelyben,ha melózok. Két Videoton hangfalat hajt. Szépen szól,de mostanában észrevettem,hogy az egyik hangfal alacsony hangerőn recseg,és nincs mély hang benne. Ha hangosan hajtom akkor jó... Felcseréltem a két hangfal vezetékeit,most meg a másik recseg,tehát a hangfalak jók. Szétszedtem a rádiót,és átforrasztottam a hangfalkimenetek körülötti pár forrasztást,de nem lett jó. Mi lehet a ludas?
Ne méregess feleslegesen, teljesen rendben van az erősítőd
(Valamiért azt gondoltam, magasabb tápfeszről hajtod, de leesett a tantusz )
Akkor megnyugodtam.
Másik oldalt biztonság kedvéért lemérjem? Vagy teljesen felesleges?
Szia! Az imént tettem be a TDA7294 adatlap részleltét. A grafikonok is ezt támasztják alá.
Mindez természetesen csak akkor teljesül más erősítőknél, ha a kivezérlést a teljesítmény-félvezető teljes nyitásba vezérlése korlátozza. Amennyiben úgy választjuk meg a hangsugárzót, hogy az áramkorlátozó működésbe tud lépni, akkor a grafikon visszahajló ágáról részben, vagy egészben le kell mondanunk.
A probléma csak az hogy a feszültség négyzetével arányos a teljesítmény. Szóval 30% teljesítmény nem jelenti azt hogy feszültségben is 30%-ig kell kivezérelni az erősítőt. Egyébként meg féltápnál van a max disszipáció. Utána lehet számolni.
Cserélni kell ilyenkor,vagy javítható? Meg kell tisztítani vagy esetleg a forrasztásokat nézzem át?
Szia! A 30% feszültség innen származik. A teljesítmény számítással kapcsolatos megállapításoddal egyetértek.
Az is helytálló, hogy a féltápnál van a maximális disszipáció. A dolgot az árnyalja, hogy ez egyenfeszültségre, vagy egy hullám alakú jel pillanatnyi értékére igaz. Az idézett ábrák minden bizonnyal szinusz jelre vonatkoznak.
Ilyen 40°C körüli tartományban tapintással is érzékelni tudod, ha valamelyik alkatrész kiugróan melegedne, vagy hideg maradna. Ennyi ellenőrzést viszont feltétlen megérdemel.
Sziasztok!
Haverom szerzett egy ilyen típusú erősítőt: Telefunken HA-680 Nos, bekapcsolt tökéletesen ment, aztán adott rá bőven hangerőt és kiment az 1A-es biztosíték! Utána rakott bele egy 5A-est, és úgy melegedett a trafó, hogy a zene nem is szólt! Később, kipróbáltuk egy 2A-essel, azt rögtön kivágta bekapcsoláskor.. Tud valaki segíteni mi lehet a gond?? Köszönöm előre a válaszotokat! |
Bejelentkezés
Hirdetés |






) 




