Fórum témák
» Több friss téma |
Fórum » NYÁK terv ellenőrzése
Hello!
Mi a kérdés? Talán az, hogy a nyákterv alapján találjuk ki, hogy jó-e a kapcsolási rajz? Mert az szinte biztos, hogy ne jó.. De nem lett volna ésszerűbb csatolni a kapcsolási rajzot, hogy mit is építesz (találtál ki) egyáltalán.. Amúgy a stabi nem jól van bekötve, kimenetén nincs kondi. üdv! proli007
Szia!
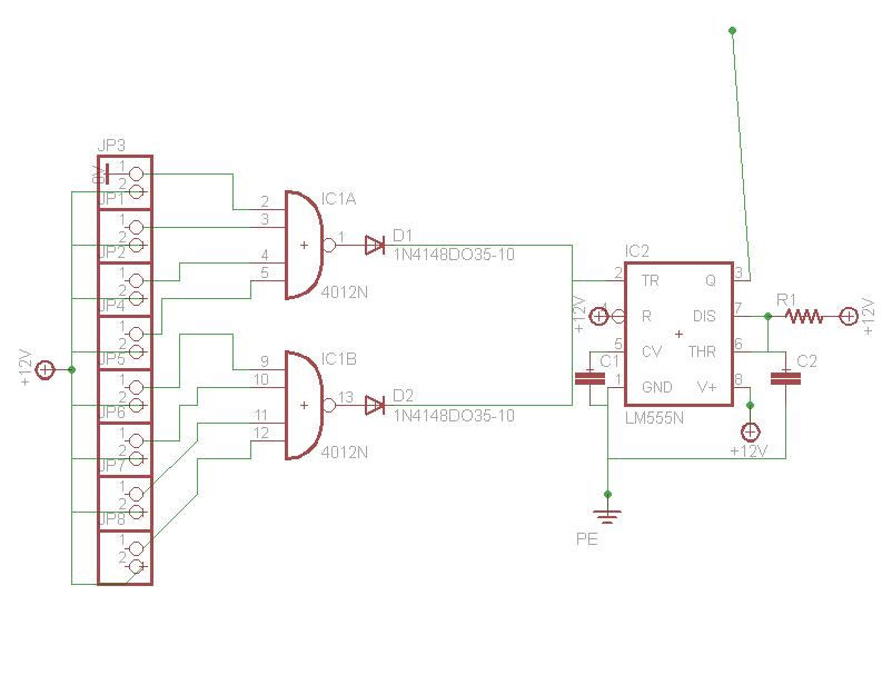
A kapcsolási rajzot most rajzoltam meg. Csatolom. A rajzon csak az időzítő rész és a másik IC van rajta. Nincs rajta a kapcsin az IC tápfesze, nem tudtam odavarázsolni azokat a lábakat. A tápot kijavítom. A JP.. az érzékelők kapcsolói. Ha az IC bármelyik bemenetén nincs feszültség, (vagyis bármely érzékelő érzékel valamit), akkor az IC kimenetén megjelenik a pozitív feszültség, ami elindítja az 555-ös IC monostabil multivibrátorát. Azért kell az 555, hogy az ajtó becsukása után is szóljon a riasztó. Tehát azt szeretném kérdezni, hogy a kapcsolási rajzon szereplő rész jó? Ez az első saját programmal tervezett NYÁK-om. (a kapcsolásban van egy hiba: a JP3-nál van egy 0V-os jel, azt ne vedd figyelembe) Üdv! Balázs Idézet: „Ez az első saját programmal tervezett NYÁK-om.” Nem bántásból, de szerintem ez az első valaha épített áramköröd is egyben... A nyomógombos bemeneteknél ezt magyarázd már el, hogy mi megy az IC bemenetére elengedett gombnál, és mi megy oda megnyomott gombnál...
Heló!
Rosszul gondolod, sok áramkört építettem már. Ha megnyomod a gombot, akkor 12V megy a bemenetre. Ha el van engedve, akkor semmi.
Üdv! Szerintetek jól csináltam meg a kapcsolási rajz alapján a fóliatervet?
És amikor semmi, akkor az IC honnan fogja kitalálni, hogy mit óhajtasz ott látni (0-át vagy 1-et)? Mert ezek digitális bemenetek, amik 0 vagy 1 értéket várnak, ennek megfelelően vagy a plusz tápra, vagy a földre kéne kötni. Az, hogy levegőben lóg, az nem frankó. Az elengedett gomb esetére kellene oda fel/lehúzó ellenállás, mindegyik bemenetre.
Az sem világos (a kapcsoláson nem látszik, a panelon meg egyértelműen nem tűnik jónak), hogy a gombok +12 Voltja milyen összefüggésben van az IC tápjával. A panelon a stabilizátor egyik lába megy az IC tápjára, a másik lába meg a gombokhoz. Namost a stabilizátor bemenetén és kimenetén nem tud egyaránt +12 Volt lenni, mert ha a bemenetén "csak" 12 Volt van, akkor a kimeneten nem fog kijönni ennyi.
Szia! Az 5-ös lábról jövő 100ohm-ot kösd a negatív tápra. Kis helyet kell csinálni a vezetősávnak, de szépen oda lehet vezetni. Nekem szokatlan, hogy nem katonásan állnak az alkatrészek, de a működést nem zavarja.
Elé nagy felfordulással jár, de hasznára válna az áramkörnek, ha a pozitív oldal 100ohm-ja, valamint a 10uF, 100µF szűrők közelebb kerülnének az IC-hez, a hőt termelő 0,22ohm-ok pedig kissé távolabb.
Hello!
Így van ahogy Valkó mondja. De az áramkör tervezés, nem azonos a készítéssel.. - A riasztó kapcsolónak alaphelyzetben zártnak kell lenni, ha riaszt, akkor bont meg. - Minden bemenetre kell egy "lehúzó" ellenállás. Vagy is a bementek és a GND közé, 10..100kohm. - Ha bármely bement kapcsoló bont, akkor az NAND kapu azon bemenete alacsony szintű lesz, így a kimenete magas szintet vesz fel. - A diódás VAGY kapu jó, csak éppen az 555 akkor indítja az időzítést, mikor a TR bemenete alacsony szintű lesz, és nem magas, ahova a diódák húznák. De az 555 bemenete sem "lóghat" a levegőben, tehát oda is felhúzó ellenállás kellene. - Mivel a diódás VAGY kapu riasztáskor nem jó jelszintet ad ki, a kapu és az 555 közé, egy inverter kell. Legegyszerűbb egy tranyós inverter. (Bázisosztó, tranyó, kollektor ellenállás. Ez utóbbi a felhúzást is megoldja. - Ha így oldod meg, akkor bármely riasztó érintkező bontása esetén, elindul az időzítés. De ha az ajtó (vagy mi) nyitva marad, akkor a késleltetés után is addig szól majd, míg be nem zárod. Ha nemezt akarod, akkor a tranyós inverter, és az 555 közé, még differenciáló tagot is kel kötnöd. (Soros kondi, és egy felhúzó ellenállás. ) - A táprészt is tisztába kel tenned, és legyen az is az áramköri rajzon.. üdv! proli007
Haláli a design. A 10 és a 100µF nem cserélődött fel?
Még van pár egyenes vonal és pár függőleges ellenállás azokat még mozgasd el és akkor tuti lesz
Most hogy nézem, de felcseréltem, azon kívül rendben minden?
Megterveztem én is kicsit szebbre.. Azért valaki nézze át!
Szia!
Köszönöm a segítséget, ez alapján újratervezem. Idézet: Ezt nem tudtam az 555-ről, amit írtál. Ha az invertert megoldom, akkor elvileg jó lesz. Az nem baj, ha megy a riasztó amíg nyitva van az ajtó, a sziréna max 2 percig szól. (házi készítésű a sziréna, és akkor kapcsol be, ha megszakad a tápellátás)„diódás VAGY kapu jó, csak éppen az 555 akkor indítja az időzítést, mikor a TR bemenete alacsony szintű lesz, és nem magas, ahova a diódák húznák.” Üdv! Balázs
[OFF]Pedig direkt tettem bele pár 45 fokos szöget, hogy ne legyen annyira sok egyenes.. Lehet hogy megtervezem S betűkből is, Hátha az jobban bejön egyeseknek
hali!
kérlek nézzétek már meg ezt a kapcsolást mert az ne 555 ös ic lábát nem tudom hova vagy mire kell kötni. Mi az az Nc rövidítés ott ill h ezekkel az értékekkel 6ról is műkszik? Utolsó kérdés, esetleg megtudjátok mondani hány Amper bácsit ad le? Köszi http://www.hobbielektronika.hu/kapcsolasok/fenycso_6-12v-rol.html
Szia proli007!
Megrajzoltam a kapcsolást. Az inverter részben nem vagyok biztos, hogy jó. Lehet, hogy felcseréltem a Collektort az Emitterrel. Eddig csak NPN tranyót használtam. Az IC-n nem rajzoltam be az összes bemenetet. Üdv! Balázs
Szia! NC Not connected azaz nincs bekötve sehova.
Idézet: Tehát igen megy 6 voltról is. Ez a kapcsolás egy pénzvizsgáló fénycsövet tud elhajtani nagy 40W-os fénycsövet szerintem nem tud meghajtani. „Ez a kapcsolás nagyon egyszerű. 6-12V-ról tudsz vele működtetni egy fénycsövet.”
Ha megkérdezhetem, miért baj az, ha túl sok az egyenes?
Köszi szépen csak amikor a nyákot tervezetem hozzá az eagle karattyolt
Szia! Jelöld az alkatrész értékeket, akkor könnyebb átnézni, és biztosabb az eredmény is. A kondi cserén kívül más hiba nem szúrt szemet.
Köszönöm, de szerintem a kokozo verzióját fogom hasznosítani! És tápegységnek ami az ic leiratában van az jó + egy toroid trafó 500W és 2*50V? Ja és még annyi, hogy hűtőborda mekkora kellhet hozzá és ha kettőt építek belőle az ic-k mehetnek e egy hűtőre? Ventilátort is szeretnék beletenni.
Hello!
Nem PNP tranyó kell bele, hanem NPN. Vagy is az emittert a GND-re kell kötni, és akkor jó lesz. Az R8 ellenállásnál szükségtelen a kis értékű 1kohm, 10..100kohm is lehet. Sőt, a diódákat is kispórolhatod, ha a tranyó bázisából a 4012 kimenetei felé egy-egy 10kohm-ot kötsz. Az is VAGY kapuként fog működni. Hiszen bármelyik kimenet magas szintű lesz, a tranyó kap bázisáramot, (hiába van a másik ellenállás alacsony szinten, a bázishoz csak 0,6V kell) és lehúzza az 555 2-es lábát. üdv! proli007
Hali! Kokozo rajzára még tedd fel a 470pF bementi LP szűrőt, valamint a 10µF/63V tápszűrőket. Egyeztesd az elkók tényleges lábtávolságait, például a bemeneti csatoló 4,7µF biztos jóval kisebb lesz.
A megépítéssel kapcsolatos kérdéseket beszéljük meg az STK-s, vagy az erősítős témában, ne untassuk vele a nyákkészítőket
Szia! Javítottam amiket írtál! A kondik méreteit és az ellenállások méreteit természetesen meg kell nézni hogy ténylegesen mekkorák!
Nagyot segítettél airwalker kollégának. Bővebben: Link
Ezt a verziót ki tervezte? mert eddig nem láttam.
|
Bejelentkezés
Hirdetés |













