Fórum témák

» Több friss téma
Fórum » Kültéri hangosítás (hangládatervek és erősítők)
  1. Az esetek többségében nagyon helytelenül, egyesek hangfalnak hívnak minden hangsugárzót, ha nem olyan kialakítású akkor is.
  2. A hangszóró, az elektromos hangfrekvenciás jelből mechanikus rezgést előállító alapeleme egy hangsugárzónak.
  3. Hangsugárzó alatt értjük azt a komplexumot, ami tartalmazza a hangszórót, és a hanglesugárzás javító eszközt, ill. adott esettől függően más kiegészítő elemeket is. (váltó, belső huzalozás, csatlakozók, stb)
  4. A hanglesugárzást javító eszköz lehet többek közt un. hangfal, ami "valamekkora tetszőleges geometriájú lap". Hangdoboz, vagy méretéből adódóan hangláda, illetve egyéb formájú test.
Lapozás: OK   6 / 74
(#) dcenter válasza Frank hozzászólására (») Nov 8, 2006 /
 
Sziasztok!

A voicecrafton (pontosabban..hosszas keresés után esett le,h. ez tulajdonképpen az fs audio ).. szóval ezeken a hangszórókon kívül tudnátok még ajánlani hasonlóan barátságosabb árkategóriákban éldegélő hangszórókat?

Életem első komoly hangfalát szeretném megépíteni (voltak azért régebben kisebb próbálkozások,csak akkor még a minden 0 Ft-ból elven járt az agyam..ami mára azért megváltozott). Szal azért akarok vmi kicsi (max 15ös,de inkább 12es) de jól szóló, emellett kellemes árú hangszórót.

Nagyon beindultam a tölcsérek láttán, meg mivel sok fellépésünkön találkoztam ilyenekkel a kicsitől a nagyig (egészen pár száztól 1-2kwattig),ezért ismerem is ,hogy átlalában hogy szólnak.

De szerkezeti bonyolultsága,meg a méretei miatt (a szállíthatóság azért fontos lenne...) nem ebben gondolkozom mégsem.

Szóval elsősorban valami frankó hangszóró kellene. Ha tudtok, lécci ajánljatok (12 v 15)..esetleg a 10ft-os légválasztón belül.

Köszi előre is!
(#) Frank válasza dcenter hozzászólására (») Nov 9, 2006 /
 
Hi!
Ebben az árkategóriában magyarországon még nem találkoztam hasonló minőséggel.
Egyébként igazad van a Voicekraft csak forgalmazó.
üdv
Frank
(#) szabi83 válasza Frank hozzászólására (») Nov 10, 2006 /
 
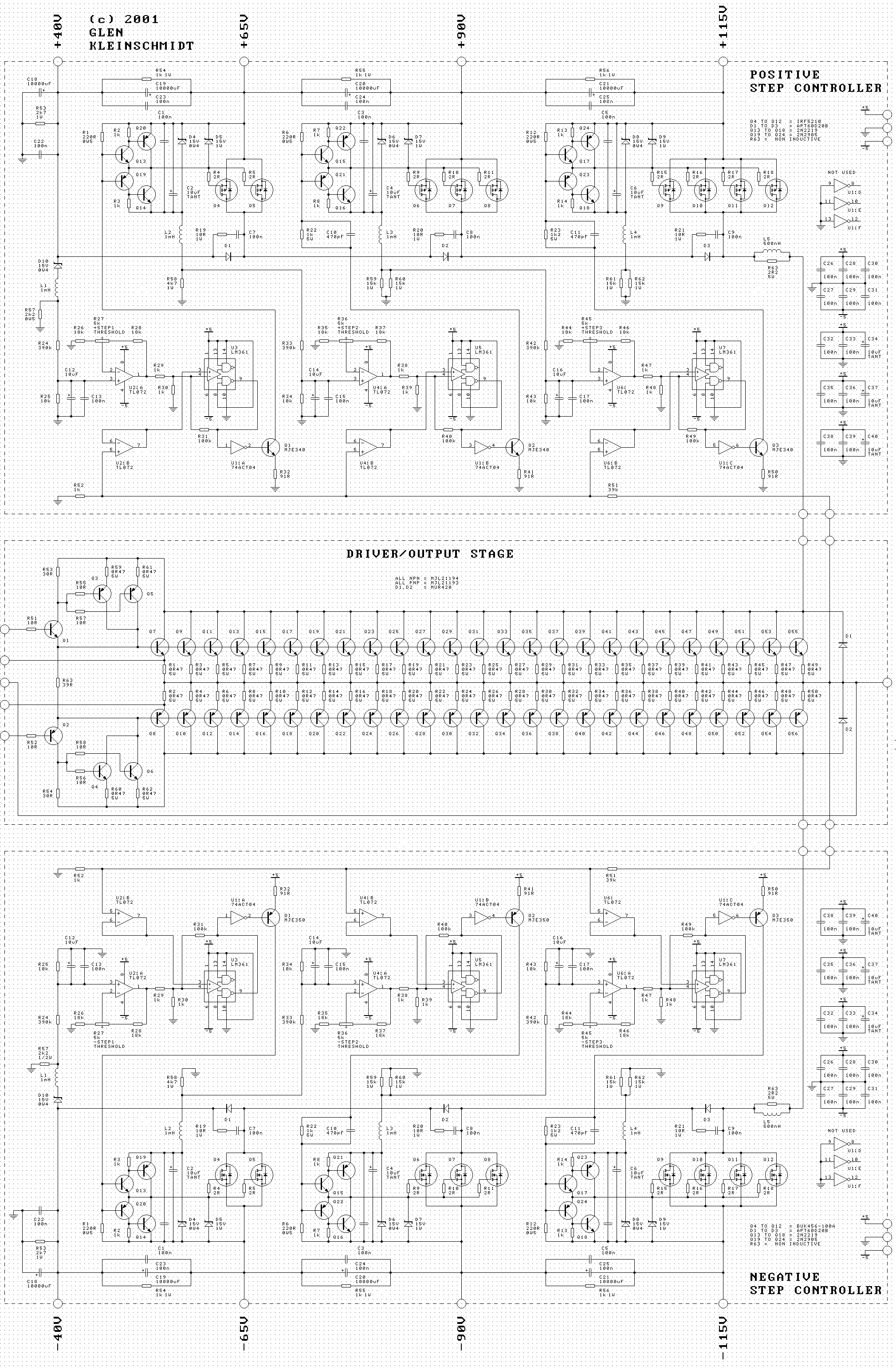
20 000 W (20KW) erősítő kapcsrajza :nezze:

üdv

20kW.gif
    
(#) dbase válasza szabi83 hozzászólására (») Nov 10, 2006 /
 
Spanok.Nem jöttetek még rá hogy pl mint ez az előző rajz is csak terv, és soha senki nem építette meg?Nem is fogja.Egy valaki feltette a netre, és azóta is csak megy tovább és mindenki nézegeti
Amugy is soha az életbe nem fog leadni ennyi wattot.+-115 V rol megy. Ami:
115*115/8=1653W
115*115/2=6612W
Erröl ennyit szerintem.
(#) szabi83 válasza dbase hozzászólására (») Nov 10, 2006 /
 
Idézet:
„.+-115 V rol megy.”

nem CSAK arról!

ott van MÉG!
+-40V
+-65V
+-90V

(#) dbase válasza szabi83 hozzászólására (») Nov 10, 2006 /
 
Látom nem vágod....semmi köze a kimenő teljesítményhez a többi fesznek, a végtranyókat a 115v hajtja.
Találtam 400w fetes rajzot:
[link=http://www.realaudiotechnika.bacska.hu/TA-400M%20er.htm]http://www.realaudiotechnika.bacska.hu/TA-400M%20er.htm[/link]
Meg 200w tranyós, teljes leírással:
[link=http://www.ampslab.com/c200.htm]http://www.ampslab.com/c200.htm[/link]
(#) szabi83 válasza dbase hozzászólására (») Nov 10, 2006 /
 
de vágom

amugy se fogom megcsinálni
(#) dbase válasza szabi83 hozzászólására (») Nov 11, 2006 /
 
Gyári erősítők lefotozva belülről, érdemes megnézni őket, tanulni belőlük.
(Már én is küldtem be képet:yes: )
http://g-forum.uw.hu/muszaki.html
(#) szabi83 válasza dbase hozzászólására (») Nov 11, 2006 /
 
[off]ezt az oldalt már láttam, nekem nem újdonság bocs.
akkor találtamrá, amikor a garry.hu fórumában bőngésztem amugy..
(#) dcenter hozzászólása Nov 11, 2006 /
 
Sziasztok!

Kicsit volt időm olvasgatni a témában meg kereséglni.

A speakerplans.com-on nézegettem a HD15ös tölcséres sub rajzát. A kompaktsága tetszett meg, és az adatai sem rosszak

Szerintetek milyen? Milyen hangminőségi aggályok lennének vele? (annak ellenére,h. ha speakerplans,akkor elvileg jó )

hd15.jpg
    
(#) Frank válasza dcenter hozzászólására (») Nov 11, 2006 /
 
Nagyon kíváncsi leszek a hangjára!
Nem tudom milyen lehet.
(#) dcenter válasza Frank hozzászólására (») Nov 11, 2006 /
 
Kicsit olvasgattam a cuccról az oldal fórumában és azt ajánlották,hogy ha nem diszkóra akarja használni az emebr,akkor keressen inkább mást...

Ez rám is teljesen igaz, leginkább koncerthangosításra használnám..

Kérdés,hogy mennyire lehet bízni az ott leírtakban (tapasztalatalapúak is vannak )..
(#) Frank válasza dcenter hozzászólására (») Nov 11, 2006 /
 
Hi!
Hát igen... a görbéjén is látszik, hogy egy elég szűk tartományra van kihegyezve.
Ez max ütni tud, az igazán mély hangoknál már meghal.
Frank
(#) dcenter válasza Frank hozzászólására (») Nov 12, 2006 /
 
Esetleg nincs a Fane-en kívül vmilyen tölcsérterved 15ös hangszóróra?

(Bejön a Fane és télleg biztos ütős, csak nagy.. sajna..

Mert a HD15 kb 50*50*50, a Fane ahogy nézem pedig 60*60*100, ami azért jelentős, ha az ember nem mikróbusszal szállítja a cuccot , meg nincs raktára tárolni :S . )
(#) Frank válasza dcenter hozzászólására (») Nov 12, 2006 /
 
Hi
Kicsi tölcsér nincs(legalábbis ami normális).
Valamit valamiér.
Frank
(#) Snoopy21 hozzászólása Jún 20, 2007 /
 
kedves mindenki....tudok megépített hangfaltervet küldeni nektek....jól szól 120Db ki lehet vele erőltetni minden gond nélkül....sub és topláda terv is van..akit igazán érdekell az itt megtalál...mltg21@gmail.com ez msn és email cím is
(#) Georgee hozzászólása Jún 20, 2007 /
 
Részemről a hangfalaimat JBL-el tervezem sztem nem rossz kis progi...
(#) gatya_g5 hozzászólása Aug 24, 2007 /
 
Sziasztok!
Olvastam itt, hogy dícséritek az FS AUDIO EW-15H hangszórót...
A következőt szeretném kérdezni:
Nekem van egy PA 15 ECO hangfalpárom, benne 15 inch-es, 8 ohm-os 180/360 W-os hangszórókkal (gondolom, a lehető leggagyibb hangszórókkal)...
Ezt egy Phonic keverő-szettben vettem a Thomann-nál, a magyar erősítő-árakhoz képest így szettben olyan áron kaptam meg, hogy gyakorlatilag a hangfalpár szinte ingyen volt...így persze eleve nem vártam túl sokat a hangszóróktól...
Tervezem, hogy kicserélem benne a hangszórókat.
Ajánljátok, hogy EW-15H-t rakjak bele???
A hangfal:
PA 15 ECO
(#) dancus1213 hozzászólása Aug 26, 2007 /
 
Sziasztok!
Érdeklődnék még mi elött építenék, hogy szerintetek a www.speakerplans.com-on fent lévő HD15horn- ba egy db EW-15H hsz. , hogy szolna???? Vagy ha tudtok hasonló, jó minőségü de olcsobb kategoriás hsz-t akkor írjatok léccy!
Elöre is THX

hd15.jpg
    
(#) estea hozzászólása Szept 7, 2007 /
 
hy all
kellene egy ksi segitseg,a suliba kellen csinalni egy komplett hangsoitast es ehhez varnak epito jellegu otleteket
(#) DJ_Tacee válasza estea hozzászólására (») Szept 9, 2007 /
 
Kicsit bővebben kifejthetnéd mit is szeretnél... Meg ne kapkodj az írással, alig lehet kibogarászni amit írsz. Jahh, meg ha kezdő vagy, hangosítási feladatnak neki se állj, bízd olyanra aki ért hozzá. 1: elszáll a cucc, 2: gányul szól a cucc, stb stb, ezer oka van.
(#) estea válasza DJ_Tacee hozzászólására (») Szept 10, 2007 /
 
bocs hogy erthetelenul irtam siettem egy kicsit,nah az a helyzet hogy kellene nekem egy ketcsatornas erosito olyan 300 w rms 4 ohmon,es ehhez szeretnek epiteni meg ket hangfalat,nem profi hangositasra kell csak hobbicelura,es ebben kernem segitsegeteket,az meg hogy mennyire vagyok kezdo majd elvalik hogy fog e mukodni vagy nem
(#) szabi83 válasza estea hozzászólására (») Szept 10, 2007 /
 
Idézet:
„epito jellegu otleteket”

- vastag buxa

(#) estea válasza szabi83 hozzászólására (») Szept 10, 2007 /
 
nem sajat koltsegvetesbol lessz
(#) Frank válasza estea hozzászólására (») Szept 11, 2007 /
 
Ha nem te fizeted akkor ne épits, hanem vegyél gyárit!
(#) idavid válasza estea hozzászólására (») Szept 11, 2007 /
 
ha van pénz, akkor vegyél gyárit. mondjuk rcf-t.
(#) idavid válasza idavid hozzászólására (») Szept 11, 2007 /
 
ilyet ni (ez 2*300 watt 4 ohmon):

Bővebben: Link
(#) fehrudi hozzászólása Szept 12, 2007 /
 
Sziasztok!
Valaki le tudná mérni az EW-15H beépítési mélységét? Illetve a mágnesátmérő kellene még...
Az FS AUDIO magashangokkal van valakinek tapasztalata? Vagy mármelyik gyártótól melyik magashang szól elfogadhatóan (alacsony árkategóriában )?
(#) sura válasza Frank hozzászólására (») Szept 13, 2007 /
 
Üdvözlöm a Fórum Tagjait!

Frank-től szeretnék "support"-ot kérni a fane15-2 fedőnevű íves tölcsérrel kapcsolatban.

Gondolom 18mm-es MDF legyen az anyaga.
Az ívre írtad, hogy furnér legyen. Milyen fafajtából és milyen vastagból érdemes készíteni?
A mögötte levő részt mivel érdemes kitölteni? Szivacs, PU hab, stb?
A 15 fok dőlésű lapnán van két merevítő (legalábbis oldalról egynek-egynek látszik). Milyen fajta- és vastagságú anyagból legyen?

Előre is köszi!
(#) rockersrac hozzászólása Szept 13, 2007 /
 
hi all! olyan gondom lenne h nekem van egy tesla moderato 1037 A-1 es tipusú 10 watt kimenő hangtelljesítményű erősítőm. ehez kéne 2 működő hangfal vagy akár hangfal terv!még annyi: ha 10 watt van ráírva a kimenethez akkor mennyi a MAX telljesítményű hangfal amit még elbír? mailre írjon aki tud segíteni! rockersrac18@gmail.com am csatoltam képeket is a végfok tranyókrol is. előre is köszi a segítséget!
Következő: »»   6 / 74
Bejelentkezés

Belépés

Hirdetés
XDT.hu
Az oldalon sütiket használunk a helyes működéshez. Bővebb információt az adatvédelmi szabályzatban olvashatsz. Megértettem