Fórum témák
» Több friss téma |
Fórum » DCF77 óra Nixie-csövekkel
Szépek de mi is az a 4?
A 4 legnagyobb, nixie, Z568M típusú.
A fél szemem rajta volt, de üdvözlet a klubban
Nos összeraktam egy újabb z573-at. 2db mule nyákom van beültetve, és egy z573panel. De! Čs itt kellene valami tipp.
Müködik, 180v megvan,viszont mind a 6 csöben a 8-as világit. Anódellenállás 20K. Lŕtni hogy az óra megy,de valami nem kóser. Ha rámérek az anód és katódokra, minden szegmensnél 10V van de a 8 asnál 21v. Átmértem,átnéztem a nyákot. Ha ráteszem a másik mule nyákra,ugyanaz. Viszont most csak 1db 74141 em van igy azt át kellett tennem a mŕsik muleba. Igy erre gyanakszok hogy a 74141 nem jó. Ha mégsem ez lesz a baj akkor mi lehet? Kizártnak tartom hogy a 20db csöböl pont a 6db rosszat vettem volna ki. Ha leveszem a feszt sem jó, akkor meg nagyon szellemképes,stb.
Szia! Valami zárlat valami a multipexben.. Vedd ki a 74141-et úgy nem volna szabad világítani semminek.. Lehet rossz a 74141.
Ha mindegyik csőben a 8-as világít, az azt jelenti, hogy a 8-as katódja folyamatosan megkapja a gnd-t, mivel össze vannak kötve párhuzamosan, így mindegyik csőben ugyanannak a számnak kell megjelennie. Ha a 8-as katódját mellédugod a csatlakozónak (megszakítod) mi történik? Ha úgy is maradnak a 8-asok akkor a kijelző panelen rossz valami. A menüben a kioltott számok helyett is 8-ast látsz?
Próbáld meg először a 74141-et cserélni, én is játam így, és az segített.
Üdv: Csupasz
Szia!
Ellenőrizd le: - Jó irányban van-e beillesztve a 74141, - Megkapja-e rendesen a tápját, - A pic kivezetései eljutnak-e a 74141 A, B, C, D kimenetére. Az a gyanum, hogy a D nem jut el, ekkor a 74141 ezen a bemeneten magas szintet érzékel.
Megoldódott, tényleg a 74141 volt a rossz. Viszont miután jó lett, észrevettem hogy az óra (balról a második cső) csőben a szegmensek többségének csak a fele világít. Sooty barátom adott is egy tippet, (be van égve a szegmens) átkötöttem csak ezt a csövet, direktbe a katódot, (izzott mint egy xenon) járattam 20 percig. Majd a többi rosszat is, és most már pöpec az összes szegmens. Gondolom leégett róla a "salak".
Elkészült egy újabb, igaz még az rgb nincs benne.
Melyik menüpontnál lehet beállitani az óránkénti hangjelzést? Mi a kijelzés itt?
Hang engedélyezése:__.2_._e hang engedélyezése
0, 2 - nem engedélyezett, 1 - egy csipogás egész órakor 3 - a 12 órás órának megfelelő számú csipogás tehát az a menüpont, ahol középen az M10 helyén 2-est látsz.
Azt vettem észre a nixin, hogy néha, rendszertelenül, némelyik cső egy pillanatra elhalványodik. Szinte észre sem venni. Ez miért lehet?
A másik pedig, hogy a 7805 re bordát kellett tenni mert meleg. Nem vészes, de a másik kettőhöz képest jóval melegebb, pedig ugyan azok a cuccok vannak mindben.Erre tipp?
Szia!
Lehet, hogy nem ugyan azt a tápegységet használod. Nagyobb bemenő feszültség - nagyobb disszipáció a 7805 -ön, ha a terhelés azonos.
Az elsőre: RTC elem kivesz, óra áramtalanít -> elem vissza -> újra beállít -> jelenség elmúlik
Sziasztok!
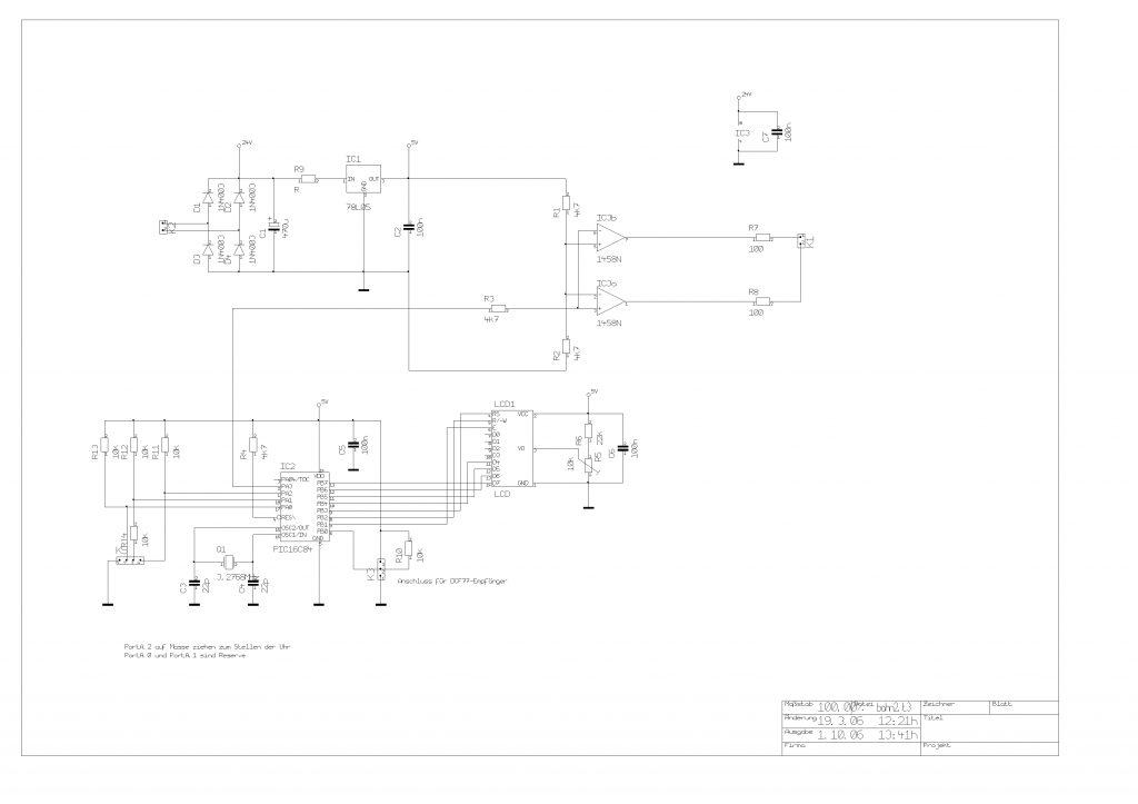
Lenne egy kérdésem. Igaz csak részben vág ide,de hátha tudtok segíteni. Építettem egy Pic (16F628A) vezérlésű DCF órát. Az óra két hónapig kitűnően üzemelt,mikor is az történt ,hogy a zárlatos búvárszivattyúnk lecsapta a kismegszakítót. Ettől a pillanattól kezdve az óra nem szinkronizál (egy hete). A kijelzőn látható a kis antenna jel és a hullámok is változnak fölötte,de az idő adatok nem aktualizálódnak. Az óra jár,de csak a saját időalapja szerint. Hogy jobb legyen a vétel, felraktam a padlásra, ki az udvarra,de semmi. Szerintetek mi mehetett tönkre? Csatolom a kottát. Köszönöm.
Szia!
Első próbálkozásra a ferrit antennát állítanám vízszintesre, Frankfurt irányára merőlegesen. Lehet, hogy ma nagyobbak a vételi zavarok, figyelni kellene néhány napig. A DCF77 vevő modul táp és föld pontja közé tennék 33µF/16V tantál és 100nF kerámia kondenzátort párhuzamosan közvetlenül a modulhoz. Ha továbbra sem szinkronizál, akkor a modul táp kivezetésére soros 100 ohm ellenállással adnám a tápot. A kondenzátorok továbbra is a modul kivezetéseire csatlakozzanak.
Szia!
Kezdetnek szerintem mérd meg a feszültségeket, kezd a DCF csatlakozóknál. Milyen adapterről megy ? volt K1 -en 2-3 volt feszültségesést mérhetsz. Gondolom a kijelző szépen mutat mindent. Nekem is van ilyen, de ha nincs rajta LCD akkor semmi nem megy a polarizációváltás sem.
Az antennát már mindenhogyan forgattam,de semmi. A szűrőt már láttam egy korábbi hozzászólásban,azt mindenképp bele fogom építeni.
Feszültségeket mértem. A dcf modulon meg van az 5 volt. A K1-en nem tudom. Hétvégén tudok majd foglalkozni vele. A táp egyszerű. A nyákon van 4 dióda és 470mikro.A tr.24-os Kb50W-os.Az 5V-ot egy 78L05 stabilizálja,bár a bemenetén 36-38V esik. A Pragotront lépteti és az LCD ?is mutat,de a zárlat óta januárt,illetve mindent 0-ról indított. A dcf működését tudom leddel (+tranzisztorral). ellenőrizni?Valahol olvastam,hogy lehet .Le skiccelnétek? Aztán nem zavarok tovább. köszi
Szia
Téma képeit megnézed, van benne DCF modul bekötés, amin rajta van a LED,De azon kívül, hogy van vagy nincs jeled, semmit nem fogsz látni. Mérjél a kimenetén feszültséget, az inkább segít. Üdv: Csupasz
Na, ma beszereztem 62 darab Texas Instruments féle új 74141-et
Figyelembe véve a már meglévő készleteimet részemről ezzel a nixie meghajtó téma remélhetőleg örökre lezárva
Gratula! Én is bespájzoltam pár évvel ezelőtt, és még van talonban megvehető magyar MEV gyártmányú is kb. 80-100 db a látókörömben.
Ha megépítek mindent ami nixie téren érdekel és van is hozzá csövem (mert venni már tényleg nem tudok mit) akkor ez a 62db lesz a tartalék pulsz még a 15db használt.
Egyébként postával együtt 300ft/db áron jutottam hozzá ami a ruszkinál drágább de igen-igen jó ár |
Bejelentkezés
Hirdetés |














