Fórum témák
» Több friss téma |
570 nF? 200uF? Oda legfeljebb 10 nF-ot szabad tenni. Persze, nem ártana sorbakötni még egy fojtót, akkor nem lesz ilyen probléma és még az áram is simább lesz. Esetleg próbáld ki, mit csinál kondi nélkül.
Szépen látszik, hogy a tranyó nem tud bekapcsolni, mert először ki kell sütnie a kondit. Aztán amikor a tranyónak ki kell kapcsolnia, akkor meg a kondinak kell feltöltődnie. Ha megfigyeled a szkópábrát, az a 7% nagyjából meg is van, amikor abban az alsó, ferde vonalban van bekapcsolva a tranyó. A fel- és lefutási élekért a kondi a felelős. Vagy a tranyó meghajtása, ami nagyon gyenge lehet. Erre írtam, hogy tegyél fel egy kapcsolási rajzot, de valószínű neked jobb, ha ez titokban marad... :eplus2:
A kondi helyett egy R-C tagot kell kikisérletezni a motorra ami nem vágja tönkre a szabályozást, de a kommutátor szikrázását megszünteti.
A motoron négyszögjelnek kell lennie nagyon gyors fel-le futásokkal. Frekvenciát illetően, a hallható tartomány fölé érdemes menni egy kicsivel, 22-25kHz környékére. (Most kb. úgy funkcionál az áramköröd, mint egy szimpla csúcsegyenirányító, amikor bekapcsol a tranyó, akkor egy nagy áramimpulzussal feltöltődik a kondi a tápfeszre, minnél nagyobb a kondi, annál rövidebb idő alatt történik meg ez, ezért tapasztalod azt, hogy kisebb kitöltési tényezőre már beáll a max. fordulat.)
Hello!
Egy 6V-os játékmotort szeretnék szabályozni. Működik PIC-kel a PWM szabályozás, de a motor, ha nem 100%os a kitöltöttség, akkor sípol (bár forog lassabban, ahogy kell). 50% alatt viszont CSAK sípol, meg-megugrik a helyes irányba, de csak megrándul, nem forog. Nem egészen értem, hogy milyen adatokkal kell a PWMet előállítani (frekvencia), és hogy normális e a sípolás és az 50% alatti "nem működés". HA pl 50%on megy, semmi ereje nincs, tehát egy kisautót nem tudok vele lassabban hajtani, mert nem fog megmozdulni se. Lehet ezen segíteni?
Valamit nagyon rosszul csinálsz. Egy 2 tranyos multivibrátor meg egy teljesitmény tranyo is megbirkozik egy ilyen feladattal.
Valoszinüleg tul magas a frekvencia. Inkább amondó vagyok kezd egy egyszerü 555-sel meg a kimeneti fokozattal az egészet. Azon pontosan látni fogod a motorod viselkedését bármilyen frekvencián. Keresd meg az optimális frekit, ami lehet hogy kevesebb lesz mint néhány 100 Hertz, és akkor menni fog az egész tartományban. Simán el lehet érni akár 100 rpm-t is egy 8000 rpm névleges fordulatszámu motornál.
Azert valami kapcsrajzot nem artana feltenni a PIC-rol a motor meghajtasrol, mert igy csak talalgatni lehet, hogy mitol nem mukodik. A PWM hajtas frekijet termeszetesen lehet hallani a motorbol, ha az a hallhato tartomanyba esik.
Hello!
Egy játék motortól azért ne sokat várj. Legtöbb esetben csak három mágnestekercs és kommutátorszelet van benne. Megfelelő fordulat alatt, az bizony csak dadog. Amíg fordulat visszaszabályozás nincs, nem lesz sokkal jobb, semmilyen vezérléssel. Próbáld meg labortápról egyenfeszültséggel, és meglátod, maximum mit tud. üdv! proli007
Ha a vasutmodellezök nem nyirtak volna ki sokezer játékmotrot, akkor más lenne a helyzet.
Ezért még a legvacakabb játékmotor is joval nagyobb tartományban dolgozik, mint az emlegetett 50%. A minimum elvárható egy jo PWM vezérléstöl a 75-85%-s müködési tartomány bármilyen ocska motorral. Amennyiben az müködöképes DC-vel. (Ehhez még visszacsatolás sem kell.
Persze. Ha a motor által leadott nyomaték, meg a hajtott technológia nyomatéka összhangban van ( beleértve a motor surlódását is ), akkor mindenfélét lehet. Ha nincs, akkor jön proli elmélete. Tachogenerátor és fordulatszámvisszavezetés nélkül csak egy nagyon szűk tartományban működőképes egy ilyen hajtás.
Nem tudom honnan veszitek ezt, mert nagyon nem igaz.
Nézd meg bármelyik modellmozdonyt - manapság többnyire DCC elektronikával, és kizárolag PWM hajtással. Ezekben a tömegcuccokban csak ritkán fordulnak elö valoban minöségi motorok, sokkal inkább a szemét határát súrolo konstrukciok, és mindegyik megy legalább 28 fokozattal (a legkisebb és a legnagyobb sebesség között), söt vannak olyanok is amik 127 fokozatot is tudnak. Csak a legujabbakban van visszacsatolás, és egyikben sincs tachogenerátor meg hasonló. Anno a 80-as években sokáig rekordnak számitott a modellem, ami 2 métert 2 ora alatt tett meg. (a motor névleges fordulatszáma 6000 volt, ezzel néhány másodperc alatt ment 2 métert). Egyszerü 3 tranzisztoros multivibrátorral volt meghajtva.
Nem csak a motor lassítása lenne a cél, később több dolgot is kell majd csinálnia a motornak, ezért kell a PIC.
A kapcsolás: egy PIC vezérel egy L293DNE motorvezérlőt, arra van rákötve a motor. A motor maga egy vacak. Egy gyerekjátékból mentettem ki (valami műanyag ló volt) Ezek szerint a frekvenciával kell játszanom, amíg nem fog sípolás nélkül működni? Mégis mi az ami már mondható hogy "kb ez a max"? HA mondjuk sípolás nélkül képes működni 50%on? 30%? Vagy csak 70%ot célozzak meg? Mert ha megvan az elvárható %, akkor lehetne próbálgatni a különböző frekiket. Mi a helyzet a motor erejével? Ha 50%on meg akkor várhatóan az ereje is fele lesz? Fontos lenne, hogy tudja mozgatni az autót, mert ha nem, akkor hiába lassítom le.
Ha jo a meghajtásod 10-20% kitöltési tényezönél el kell indulnia a motornak (még terhelés alatt is). Pontosan emiatt égnek le az ilyen motorok, mert tul nagy teljesitményt kényszerit ki belölük a PWM.
Elöször ezt kellene rendbe tenned, aztán jöhet a PIC stb. Egy ilyen modellmotor mezei DC üzemmodban a névleges fesz. kb 1/4-étöl indul, de itt vannak konstans veszteségek (kefeellenállás, mechanikai ellenállás). Ezt a PWM játszva leküzdi, hiszen itt csak teljes feszültség van meg 0 . Igy az állandó veszteségek elvesznek, ezért megy sokkal nagyob forgási tartományban és teljes teljesitménnyel, ezért könnyü tullépni a gyári határokat.
Szia!
A sípolás először is normális, ha..... nem olyan a PWM frekvenciája, amit már nem hallasz, de attól még sípol, vagy nem olyan a motor ami szereti is a PWM meghajtást, szóval előbb egy jó motor kell, aztán ahhoz belőni a frekit. A sípolás mechanikus eredetű, okozhatja a motor nem megfelelő csapágyazása, tekercselése, eleve a mechanikai felépítése, stb.. Tény és való, hogy igen alacsony kitöltési tényező mellett is rendesen dolgoznak a megfelelő motorok, igen csak alacsony fordulatszám mellett és terhelt állapotban is, ráadásul visszacsatolás nélkül. A motor keféin legfeljebb zavarszűrés lehet, különben oda a PWM hatásossága.
Teljesen igazad van, és a legtöbb esetben, ha megjelenik a sipolás nekem mindig a túl magas frekvencia jut az eszembe.
Sokan esküsznek, hogy kilohertzes tartományokban kell lennie a PWM frekijének, a tapasztalataim ilyen motorokkal, ezt nem igazolják teljes mértékben. Sok ilyen kis motor olyan nagy induktivitással rendelkezik, hogy a kilohertzeket át sem lehet "pumpálni" a motor tekercsein, igy csak a sipolás jelentkezik. Szoval individuálisan kell minden motort megvizsgálni és kiprobálni, és megkeresni azt a frekvenciát, amin optimálisan müködik - mert az majdnem minden motorral elérhetö.
Szia! Körülbelül igen, de ennek ellenére azt kell mondjam, hogy a KHz nagyságrend azért ül. A villanybicikliben kb. 3,5 KHz a PWM frekije, pedig ott elég nagy az induktivitás. Nem is ez a lényeg, hanem az, hogy a megfelelő áram ki tudjon alakulni a motoron. A feszültséghez képest késik az áram, hiszen először a feszültség jelenik meg a tekercsen, majd egy bizonyos idő kell az áram kialakulásához. Nem egyidejű! A forgatónyomaték csak az áram megjelenése után keletkezik. Lehet ez persze szakszerűbben és halandók számára érthetetlenül is megmagyarázni, ezt a nemes feladatot meghagyom nekik! A lényeg a következő: minden kefés, egyenáramú motort meg lehet hajtani PWM-el, legfeljebb ha nem tudjuk kiszámítani a megfelelő frekvenciát a motor paramétereinek hiányában, akkor marad a skolasztikus elv. Lehet kísérletezni, próbálkozni. A legcélravezetőbb az, hogy mérni kell valahogy a forgatónyomatékot, nem kell valami bonyolult dologra gondolni, és megnézni, hogy mikor optimális a felvett teljesítmény adott nyomatékhoz. Minél kisebb a felvett teljesítmény a tápegységből és a legnagyobb a nyomaték, annál jobban megközelítettük a kedvező beállítást! Nem 100% kitöltésre gondolok, mert akkor minek a PWM? Na ez sem volt szakszerű magyarázat, de legalább kipróbálható. Ha tudod állítani a PWM alapfrekijét, akár folyamatosan is, valamint tudsz mérni átlagfogyasztást, felvett teljesítményt, akkor nyertél!
Egyetértek, mert valoban ez a helyzet.
Az se felejtsük, hogy azért egy elektromos bringába nem mezei motor van, hiszen ott a hatásfok a mérvadó (mennyit és mennyi ideig bir ki a motor), azaz ezen feltételek alapján válogatják (vagy gyártatják le a motorokat). Hasonlo a helyzet pl. az akkus szerszámokban is. A modellmotorokra (játékmotorokra) ez már kevésbé jellemzö).
A motor induktivitása csak az áram AC összetevőjét korlátozza, a DC-t nem, a motor nyomatékát pedig a rajta átfolyó DC áram adja.
A frekvencia növelésével csökken az AC összetevő, más változás nem megy végbe. (Véletlenül hajtottam már motort 250kHz-el...)
Ott van, hogy ez a 250kHz egy lüktető egyenáram és a motor induktivitása integrálja, simítja ki azt.
A motorra jutó feszültség egyenfesz, még ha négyszög alakú is. Ugyanis, a négyszög nulla és mondjuk +12 V között változik. Ebből következik, hogy a motor árama csak egyirányú lehet. ( Az esetleges visszatáplálást hagyjuk. ) PWM esetében a motorra jutó feszültség középértéke ami meghatározza a fordulatszámot, feltéve, ha a motor árama folyamatos. A középérték szempontjából teljesen mindegy, hogy a pwm-nek mekkora a frekvenciája. A motor árama szempontjából már nem. Nagy frekvenciákon, a motor induktivitása kisimítja az áramot, majdnem sima egyenáram folyik. Kisebb frekvenciákon, meg jóval nagyobb a hullámos összetevője az áramnak. Ahogy ti használjátok, úgy meg nagyon nagy a hullámos összetevő, valójában már nem is lehet pwm-ről beszélni, inkább csak ki-be kapcsolgatásról. Ezért van az, hogy az alacsony frekivel be lehet állítani, hogy éppenhogy vánszorogjon a motor. Nyilván, ha egy kicsit nagyobb terhelést kap, akkor megáll. Érdemes lenne ilyenkor megnéznetek, hogy mekkora áram folyik és elgondolkodni azon, hogy mennyire árt ez a keféknek, meg a kommutátornak. Nem véletlen, hogy ez a módszer a nagyobb teljesítményeknél nem terjedt el.
Idézet: Azert szervo hajtasokban lattam mar 1-2 kW-os motort PWM szabalyzassal, sot csinaltam is PWM-es sebesseg koveto vezerlest 1 HP motorra 180 voltra. Biztos nem tudja a fizikat, mert mar vagy ot eve mukodik 24/7 uzemmodban. „Nem véletlen, hogy ez a módszer a nagyobb teljesítményeknél nem terjedt el.”
Pontosan ez a tévhitek egyike.
Ahhoz, hogy a motoron valami integrálodjon, ahhoz azt be kell "nyomni" a tekercsekbe, ami annál kevésbé sikerül minél nagyobb a frekvencia.
Valamikor, a régi (szép?) időkben a Rádiótechnika újság emlőiből azt olvastam ki, hogy van a motorral egy ellencsatolt párhuzamos dióda, mert ha az nincs, alacsony fordulaton rángat a motor. A dióda feladata a kikapcsoláskor fellépő feszültség-áram fenntartása a motorban, vagyis a motor árama sosem szakad meg - szabadfutású diódának hívták, ha jól rémlik. Ez van még ma is, vagy csak az átkosban találták ki?
Egyébként a napokban csináltam egy mezei PWM-et és észrevehetően jobban teljesített a motor azzal a diódával, mint nélküle. Aztán egyéb okből nélküle lesz üzemelve, de az 1 másik történet...
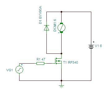
Ezt a sipolas temat felejtsd mar el (hasznalj fuldugot). Eloszor inkabb csinalni kellene egy egyszeru kapcsolast egy FET, es egy dioda segitsegevel, aholis a G egy 47 ohmos ellenallason keresztul kapna vezerlest a PIC-tol, a motor pedig a D es a +6 volt koze lenne kapcsolva parhuzamosan egy szabadonfuto diodaval. Lasd a mellekelt rajzot. Azert jo lenne ha raszoknal a rajzkeszitesre, mert szakmai korokben egy rajz altalaban minden nyelven ertheto, viszont egy nem egeszen szakmai szoveges leirast akarhogy is lehet ertelmezni.
Idézet: Erre peldaul mit lehet epiteni? Hogyan lehet ertelmezni ezt a mondatot? Tobbfelekeppen lehet rakotni a PIC-re a drivert, es a motort is tobbfelekeppen lehet rakotni a driverre. Persze mi itt a forumon gondolatolvasok vagyunk, es a Te gondolatodra is egzakt megoldasokat fogunk irni. „A kapcsolás: egy PIC vezérel egy L293DNE motorvezérlőt, arra van rákötve a motor.”
Az eleje stimmel.
A középérték szempontjából teljesen mindegy, hogy a pwm-nek mekkora a frekvenciája. Ez már tévedés. Akkor lenne mindegy, ha ohmikus terhelésröl lenne szó, márpedig a motor nem az. Nagy frekvenciákon, a motor induktivitása kisimítja az áramot, majdnem sima egyenáram folyik Ha ez igy van, akkor elveszti a PWM az értelmét, mert akkor sima egyenárammal is hajthatnánk, de már a korábban leirtak miatt (veszteségek) a PWM hajtás lényege pontosan abban van, hogy ne integrálodjon a nagyobb frekvencia egyenárammá. Nyilván, ha egy kicsit nagyobb terhelést kap, akkor megáll. Nem áll meg, mert alacsony frekvencián arra a pillanatra a motor tekercsén a teljes feszültség van (nem integrált), ami a motor mágneses polusát mindenképpen mozgásra kényszeriti Ha nem körültekintöen kezelik, akkor ilyenkor ég le a motor, hiszen a tekercsek felveszik az adott delta idöben a teljes teljesitményt, de ha a motor mechanikusan le van terhelve, ez a teljesitmény hövé változik és a lassabb forgás miatt még a hütés sem tud levenni erröl semmit. Nyilvánvaló, hogy ez árt a keféknek és a tekercseknek, de viszont ezért az árért folyamatos lassu mozgást kapsz a maximális teljesitmény határán.
Valamit félreértettél! Én nem azt írtam, hogy nem lehet nagyobb teljesítményre csinálni pwm-et. Elárulom neked, én is csináltam ilyesmit. Nem tudom mit jelent neked a 24/7, gondolom valami kitöltési tényezőt. Meg azt is tudom neked állítani, hogy még 1 % kitöltési tényezővel is tud menni egy motor, ha olyan a terhelésnek és a motornak a viszonya. Ezt írtam korábban, jó lenne, ha elolvasnád. De elég egyszerű, gondolj egy ventillátorra.
Igen, ez igaz lenne, ha váltakozófeszültséget kapna a motor. De egyenfeszt kap, mégha négyszöget is, tehát az áram nagyfrekin is szépen fel fog fűrészelni. Tehát egyáltalán nem tévhitről van szó. Javaslom, nézd meg az RL körök működését mind egyen- mind váltakozófeszültségű megtáplálás esetén. Vagy ha motorközelibbet akarsz, akkor a kapcsitápok kimeneti szűrőinek működését. Igen jó analógia van a motorokhoz.
Semmi köze a politikai helyzetnek ahhoz a diódának... ez fizika. A működését korábban leírtam ebben a topicba. Ha érdekel, olvass vissza.
Idézet: 24 ora 7 nap, azaz folyamatos uzem.„Nem tudom mit jelent neked a 24/7” Idézet: Ne velem vitatkozz. En is csinaltam mar egy jo par PWM vezerlest kisebb-nagyobb motorokra az evtizedek soran. De ugy latom nagyon elcsusztunk a fo csapasiranytol. Itt mindenki a sajat valos vagy velt igazat probalja igazolni, es a szerencsetlen kezdo kollega azt sem tudja kinek higgyen. „Meg azt is tudom neked állítani, hogy még 1 % kitöltési tényezővel is tud menni egy motor, ha olyan a terhelésnek és a motornak a viszonya.” Idézet: „Ha ez igy van, akkor elveszti a PWM az értelmét, mert akkor sima egyenárammal is hajthatnánk, de már a korábban leirtak miatt (veszteségek) a PWM hajtás lényege pontosan abban van, hogy ne integrálodjon a nagyobb frekvencia egyenárammá.” Miért is vesztené el a PWM az értelmét? A motor egyenáramú motor. Az egyenáram pedig éppen a PWM jel integrálásával keletkezik, amit pont a motor induktivitása végez el. (ha egy induktivitásra négyszög alakú feszültséget kapcsolsz, az árama háromszög alakú lesz) Csakhát a kérdés attól bonyolult, hogy az időállandókra vigyázni kellene, amit elég nehéz megtenni úgy hogy a motor elektromos, és mechanikus (főleg dinamikus) tulajdonságairól fogalmunk sincsen. Persze lehet próbálkozni, aminek a vége a sok leégett kismotor, de jobb lenne méricskéléssel konkrét adatokhoz jutni. És megint eljutottunk a gyakorlat elmélet problématikájához.
A 24/7 az folyamatos üzemet jelent.
Teljesen igazad van egy jo motorral meg egy jol kifejlesztett PWM-mel bármilyen teljesitmény kezelhetö (akár egy nagy mozdonyé is - ilyenek is voltak), és a jo motor valoban 1% körüli kitöltési tényezövel is képes dolgozni. Nekem az esztergapadomon is ilyen a hajtás, minden gond nélkül megy. De hasonlot találsz porszivokban, furogépekben vagy már az emlegetett villany bicajon is, meg egyes elektromos autokban (ha nem szinkron/aszinkron motor van bennük). |
Bejelentkezés
Hirdetés |










