Fórum témák
» Több friss téma |
Fórum » Csöves erősítő készítése
Ne feledd betartani a fórum viselkedési szabályait, és a topik megmaradásának feltételeit. [link]
A téma átmenetileg fagyasztva lett, hozzászólni nem tudsz!
Köszönöm, ez kifejezetten tetszik, viszont pár dolgot nem értek benne... A kimenőné lprimeren hova kéne a segédrácsok kivezetését tenni? Mi az a BIAS T.P.? A 2SA1306-okkal az előfeszt állitja be, ugye? És miért 8V-al akar egy csövet fűteni?
Nem kell neked ezt kottára megépíteni. Igazán csak a kapcsolástechnikai ötletként hoztam fel. A segédrácsokat kb. a tápfeszültségtől számított 40-43 % lévő megcsapolásra szokás kötni. A bias TP a nyugalmi áramok mérésere szolgáló Teszt Pont. A 2SA1306-okkal az előfeszt állítja be, persze a poti segítésével. Lehet egyszerűsíteni egy egyszerű poti és kész. Nem 8 V-ról fűti a csövet mert ugye van ott még sorbakötve egy ellenállás. Azért fűti egyenáramról az első csövet, mert valamiért búg a cucc ha váltóáramról van fűtve.
Köszönöm a segitséget, erre a test pointra sose jöttem volna rá...
bár lehet a 6299 ek helyett ecc82-vel épitem meg.
6922 = E88CC = 6N23P = 6DJ8
A hozzászólás módosítva: Dec 7, 2012
Először minden fűtés váltóról ment ennél a kapcsolásnál. Enyhe brumm. se a fűtésközepelés, se árnyékolások, se semmi mágia nem segített, fél napot elcsesztem. Végül az első cső DC fűtést kapott. Brumm megszünt!!. Ez a kapcsolás már csak ilyen. Nem véletlen hogy az ARC is egyenről fűti...
A hozzászólás módosítva: Dec 7, 2012
Igen, a Te tapasztalataidból merítettem itt az infót a hsz-hez.
Azt nem próbáltad, hogy közepelés után megemeled a fűtés potenciálját 10-20 V-tal? A hozzászólás módosítva: Dec 7, 2012
Próbáltam. Már -így utólag- arra gondolok, hogy rácsáramos lehetett a cső. De ez is két okból elvetve: Több cső került kipróbálásra, E88CC-k. (PHILPS, SIEMENS, TESLA.) Mind nem lehet rácsáramos. Mindenesetre elérhető közelségben a prototípus, csöveket fogok mérni. Utána tapasztaltmegosztás.
Sziasztok!
Bizonyára többször lerágott csont a következő kérdés?de nálam most merült fel! EL 34 csövek munkapontjának a beállítása!Hogyan történik! Köszi a segítő válaszokat!
Találós kérdés:
Ha a 450V-os anódfeszültséget véletlenül összezárjuk a földdel mérés közben, tud-e akkorát szólni a tápegység, hogy két percig csak a füled csengjen? ![]() A megfejtés: Igen, tud
Nem tudom pontosan mi érdekel. SE kapcsolásnál általában 320V anódfeszről járatják, és 35V körüli fix előfeszültséget szokás használni. Ha jól emlékszem optimális illesztőellenálásnál (4,5K) egy olyan 70mA környéki nyugalmi áram.
A hozzászólás módosítva: Dec 8, 2012
Egy cső munkapontjának beállítása alapvető dolog. Erre nézve javaslom a szóbanforgó cső adatlapjának alapos tanulmányozását. Általában találhatsz rajta paraméter határadatokat, ezeket mindíg szem előtt kell tartani, a cső megfelelő élettartamának biztosítása érdekében. A rácselőfeszültség határozza meg legfőképp (de nem csak az!) a cső munkapontját, és ennek vad állítgatása nemkívánt következményekkel járhat.
Az adatlapokon általában találhatsz tipikus, (ajánlott) felhasználási példákat is, de a saját egyéni beállítások megtervezéséhez is alapvető a csőjellemzők, karakterisztikák ismerete. Ezeken grafikus módszerrel lehet egy cső a feladatnak megfelelő munkapontját meghatározni, sőt a várható torzítását is megbecsülni.
Helló !
A PP-k azért szólnak rosszabbul az SE-nél mert a félhullámot nem tudja egyik-egyik oldal sem pontosan betartani, hanem egy kicsit átmegy a másik félhullámba. És ugye ott akkor már alig folyik áram (mondjuk AB osztályban), és torz lesz a hang ? A hozzászólás módosítva: Dec 8, 2012
Minden cső lezáráshoz közeli karakterisztikája erősen görbült, itt a torzítások jelentősek, ez a rész csökkenti a cső kivezérelhetőségét. Nagy kivezérlések esetén ennek igen nagy a jelentősége, mert csökkenti a hatásfokot. Az ellenütemű AB osztálynak épp az a jelentősége, hogy ebben a lezárás közeli tartományban a fokozat ellenfázisban dolgozik, és ha a két cső teljesen egyforma lenne, a két görbület szépen kompenzálná egymást, és a görbe helyett egy a nulla ponton átmenő egyenest kapnánk. Ez pedig a linearitásra igen jó hatással van, a torzítás kis kivezérlési tartományban is alacsony marad. Ilyenformán a hatásfok kicsi romlása árán lecsökkentettük a torzítást. Egy ilyen típusú végfok sokkal jobb linearitást, kisebb torzítást biztosít, mint egy SE végfok, sokkal jobb hatásfok mellett.
Ezen még el kell gondolkodnom...
A hozzászólás módosítva: Dec 8, 2012
Röviden szólva elég nagy nyugalmi áramot kell beállítani, hogy a nullátmeneteknél ne legyen tetemes torzítás... Akárcsak a félvezetőseknél. Semmi hókuszpókusz nincs a dologban...
Azt értem hogy ellentétes irányú áramok miatt lemágnesezik egymást az oldalak, nem kell légrés.
De ideális esetben mindig csak az egyik oldal dolgozik és az ő félhullámát erősíti. De ugye nem ez van, hanem mindegyik oldalon átmegy mínuszba a félhullám mikor a másik oldalon pluszban van, és akkor azt gyengíti. Vagy nem ? Vagy passz...
De nem az van hogy amikor az egyik oldalnak el kellene kussolnia, akkor az nem kussol el ?
Mikor már a másik oldal szól, szépen, tisztán ? A hozzászólás módosítva: Dec 8, 2012
A két cső ellenütemben dolgozik. Ugyanazt a jelet kapja, ellenütemben, ergó a kimenőn sose tudják egymást kioltani.
Nem feltétlen ténylegesen félhullámokat erősitenek, képzeletben játszd el, hogy mindkettő teljes jelet erősit: kimenő egyik felén jel-maximum, másik felén jelminimum, majd forditva, majd megint forditva, és igy tovább. Ebből sose lesz kioltás... A hozzászólás módosítva: Dec 9, 2012
Igen, ha SE (A osztály) módba lenne állítva a végfok.
De ezeket AB osztályba állítják (ha jól tudom) , és ezért mindig csak az egyik félhullám szól rendesen, ahogy átmegy a másikba akkor betorzul/elhal, amíg a másik oldalon normálisan tud szólni. Nem értek ám hozzá, csak próbálom kitalálni mi-merre-mennyi.
Elég érdekesen fogalmazol. Ha PP ellenütemű meghajtást nézed, akkor vezérlőjel nélkül felvesz egy nyugalmi (egyensúlyi) állapotot a két cső. Ha a rácsaikra az ellenütemű jelet adsz, akkor attól függően hogy melyik oldalon emelkedik/csökken a meghajtó feszültség, az egyik cső "kinyit" vagyis vezetni kezd ,illetve a másik lezárás irányába megy el.
Ez nem betorzulás vagy elhalás, hanem nyitás/zárás . Az hogy "egyik oldal szól" olyan nincs, hisz a hang az ezeknek az elemi változásoknak a mindenkori állapotából keletkezik majd a kimenő trafón át a hangsugárzóban. Az meg hogy hol és mikor torzul el a jel , a munkapontok beállításától függ nagyrészt. Nézegesd ezt az oldalt, elég szemléletesen illusztrálja a különböző beállítású üzemmódokat.
Igen értlek , de a PP-ban pont ezért kell a csöveket párba válogatni, hogy a nyugalmi áram tartományában keletkező ilyen jellegű jeltorzulások a két cső szimmetriája miatt minél kisebb eredővel jelenjenek meg. A keresztezési torzítást meg a nyugalmi áram (pl. rácsok előfeszültsége) finombeállításával lehet csökkenteni.
Azt addig értem hogy a nyugalmi áramok eredőjéből adódó felmágnesezés kioltja egymást. Ez a cél.
Azt is értem hogy a torz félhullám (az egyik oldalon) az ellenkező fázisban dolgozik mint a szép szabályos félhullám a másikon. Tehát, ha jól gondolom, alámegy a nyugalmi áramnak és rásegít ezáltal a másik oldalra. Talán épp ez a keresztezési torzítás ? És akkor ennek a kettőnek az eredője lesz a kapott hang, nem ? Szóval az a kis torz félhullám valahogy mindenképpen árt a szabályos félhullámnak, hiszen az úgy van készen és jól, ahogy van, a torz hullám nélkül.
A keresztezési torzítás akkor jön létre, ha annyira kicsi nyugalmi áramot engedsz meg, hogy a munkapont a csövek nemlineáris szakaszára esik. Ezért növelik a nyugalmi áramot, és lesz a B osztályúból AB , amikor már kivezérlés nélküli állapotban is folyik egy kis áram , ami már az egyenesebb csőkaraktereisztika irányába mozdítja el a munkapontokat. Ez a crossover torzítás kis hangerőnél (mikor abban a nemlineáris szakaszban van csak jel) hallható feltűnőbben.
Az a kis hatásfok veszteség, ami a nyugalmi áram növelésével jár, még mindig jobb mint egy A osztályú áramzabáló. Nem beszélve a dupla táp miatti nagyobb kivehető teljesítményről, és ugyan az A osztályúnál magasabb a torzítása, azért jól beállítható . A hozzászólás módosítva: Dec 9, 2012
Üdv! Kérdésem volna:
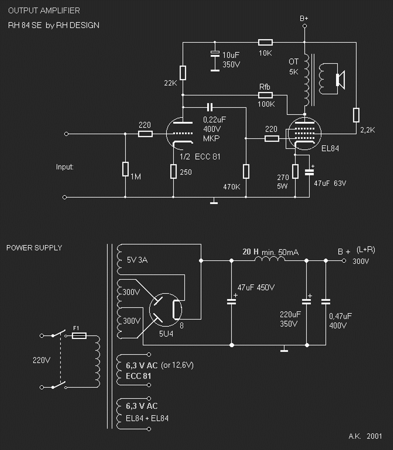
Az egyik megépítendő SE (EL84) pár Wattra a mellékletben. A meghajtó csövem nincsen, de van E88CC és ECC82-esem is. Melyik lehet alkalmas, ha alkalmas egyáltalán, vagy keressek orosz megfelelőt?
Ez hifi lesz ?
Vonalszintű jellel hajtva ?
Igen, a számítógép melletti STK véget fogja váltani. A leírás szerint csak néhány Wattos, ámde gyönyörűen szól, így egymásra találtunk.
Most jön valami ezoterikus hangkártya és semmi sem állhat a boldogságunk útjába... ![]() Zoli! A csővel közöltem, ki lett választva...köszi! A hozzászólás módosítva: Dec 9, 2012
Szép darab. Zsír új ?
Úgy adták - újnak... doboz nélkül, de érintetlennek tűnik. Van egy párja, ha valaha kihervad...előttem.
|
Bejelentkezés
Hirdetés |


bár lehet a 6299 ek helyett ecc82-vel épitem meg. 






