Fórum témák
» Több friss téma |
Fórum » Death of Zen (DoZ) 20W-os A osztályú erősítő
Témaindító: vendelkiraly, idő: Dec 17, 2007
Témakörök:
Azt el is felejtettem.
Ez a bizonyos kondenzátor nem az áramkorlát része ez maga a táp puffere !
Lehet megtévesztett az én koncesszióm ahol még + pufferek is beépítésre kerültek a cél érdekében . Vigyázat a belinkelt kapcsoláson a 470 ohm -os ellenállásra nincs szükség !
Akkor jó!
Ennek nagyon örülök, gondolom a 3darab 4700 uf es kondi elég lesz neki. Ja és a 470 es helyett 4k7 et raktam ezen a fórumon olvastam, csak már nem tudom, hogy melyik oldal, de ott az volt írva, hogy vagy kiszeded vagy raksz helyette nagyobb teljesítményűt, vagy hagyod kisebb teljesítményen de megnöveled az ellenállás értékét. Én egy 4k7/5w ellenállással helyettesítettem, így gondolom (remélem) nem fog melegedni.
A 4k7 ellenállás 340mW-ot fog fűteni. Az 5W-os - ha keservesen is - kibírja
De nincs rá szükség , magyarul nem kell egyáltalán !
Az baj lehet, ha kb 60cm hosszúságú kábellel lesz összekötve a tranzisztor a panellal?
Mármint a bázis emitter collektor lábak 60cm re lennének a paneltól.
Ez komoly?
Mert nekem mindenképpen hosszú zsinórokon lesz. Különben kéne vennem másik bordát és azt meg nem szeretnék.
Hát bizony kerülendő a hosszú huzalozás... nekem is van egy jó 15 cm... igaz problémám még nem volt vele... na de 60... :O Rengeteg. Működni fog azzal nincs baj, de kitudja milyen szórt kapacitást, induktivitás plusz ellenállást viszel be vele... Másrészt érzékennyé válik a környezeti zavarokra. Gyakorlatilag antennaként fog üzemelni a sok huzal. :S
Egesz biztos nem lesz jo az erositod ha 60 centis vezetekeken lognak majd a vegtranzisztorok. Ha jo erositot akarsz akkor kozvetlen a NYAKra forrasztod a vegtranzisztorokat vagy csak minimalis hosszusagu vezetekekkel kotod a NYAK-ra oket.
Egy kis át tervezés után megvalósíthatónak tűnik a 15cm max vezeték hosszúság, de lehet, hogy valahogyan sikerül 10cm re tornázni.
Az a helyzet nálam, hogy nincs olyan hűtőbordám ami képes lenne befogadni ezt az L alakú cuccot, ezért lesznek a huzalok. Ja és még egy kérdés. Van még más tranzisztor is a bordán BD139. Ezekhez már lehet hosszú huzal, vagy ez is maradjon inkább rövid pórázon? Mekkora hőt ad le ez a tranzisztor? Gondolom kisebbet mint a 2N3055. ![]() Van egy kisebb hűtőbordám olyan 220cm2 felülettel. Elég lesz mind a 6 ra vagy legyen belőle 2? Mert megoldható csak egy kicsit spórolós kedvemben vagyok.
Ami a vezetékeket illeti a lehetőségekhez képest úgy csináld hogy a lehető leg rövidebb legyen , igazából nem kéne lenni semminek !
Ez érvényes minden tranzisztorra még a BD139 -re is ! Ami meg a hűtőbordát illeti , gondolom te csak olvasol és nem értelmezel semmit ? Alig egy oldallal ezelőtt beszéltünk a hűtőbordáról ezért arra tippelek hogy csak szórakozol velünk , ha meg komoly akkor figyelhetnél jobban ! A DoZ az A-osztály és itt nem illik szórakozni mert hiába a látszat ami oly egyszerűnek tünhet de az ördög nem alszik ezért érdemes odafigyelni a részletekre és azt a tanácsot elfogadni , mérlegelni amit azok irnak akik már megépítették és használják is ezt az erősítőt . Viszont ez az íratlan dolog érvényes lehet szinte bármire , és ne légy spórolós kedvedbe mert ez a DoZ -nál nem jön össze .
Bocsáss meg / bocsássatok meg kicsit nehéz eset vagyok...
De tényleg meg szeretném építeni az erősítőt azaz már 80% ban megvan (a dobozolást most nem számoltam bele). Az oldalon ahonnan rendeltem ott a Pd=115W a 2n3055 nél és a BD139 nek meg csak 8w van írva ezért gondoltam, hogy az nagyon kevés és ráférne 1 bordára mind a 6, de ami tanácsot itt kapok azt megfogadom. Az egész cucc kb holnap vagy holnap után lesz kész, csak még hiányzik 2 kondi és a trimereket is kicserélném nagyobbra mivel így feszegetni kellett a lábukat és szerintem egy-kettő tönkre is ment . Amikor mérem akkor csak 60k ohmig megy fel és a minimum érték az meg 10k.
A Pd-nek semmi köze ahhoz a teljesítményhez ami a tranzisztoraidon lesz majd miközben az erősítő megy. A teljesítmény amit elfűtesz a tranyók munkapont beállításától függ, hogy egyes tranyókon mennyi áram folyik át. (dióhéjban) A Pd katalógusadat azt jelenti hogy az adott tranzisztor munkapontbeállítástól függetlenül összesen ennyi wattnyi hőteljesítmény leadására képes. Fölötte tönkremegy. Semmi köze a szükséges hűtőbordamérethez.
Elkészült az egyik fele az erősítőnek! Le tudtam próbálni és meg vagyok vele elégedve. Nagyon szép hangot ad és a hátérben eddig megbúvó hangokat is hallhatóvá varázsolja. Az egyik próba számban volt egy olyan visszhang féleség amit eddig nem hallottam, de most mintha nem is azt a számot hallgattam volna
. A szerelés alatt a tda2009 es erősítő szólt és hát a különbség elég nagy a kettő között! Úgy a mélyeket mint a közép hangokat szépen hallani, a tda2009 nel viszont a mélyek kicsit gyengék voltak, először a kevés kondira gyanakodtam a tápban, de amikor megdupláztam akkor sem szólt jobban (szerintem). A DOZ szépen adtam a mélyet, olyan igazán mélynek hallottam. Mondjuk lehet, hogy fog még változni a hangja, mivel csak 17v ról üzemeltettem, de ki fogom próbálni 24v os trafóval is ami ha minden igaz kb 34-33V lesz a pufferelés utá, ez már közelebb van a kívánt értékhez. A fűtésről meg annyit, hogy alig ment 15 percet, de már forró volt a borda, a táp tranyó az viszont alig fűtött ezért azt maga a borda melegítette a megfelelő hőmérsékletre . A BD139-10 esd tranzisztoraim azok viszont egyáltalán nem melegedtek fel ezért úgy gondolom nem lenne nagy baj, ha erősítőnként 1 bordát alkalmaznák rájuk, különbözöm méretű bordákra voltak erősítve, Volt egy agyon kicsi egy kicsit nagyobb és az amire szeretném rakni véglegesen mind a 3 at, 30perc alatt semmit nem melegedtek (legalábbis én nem éreztem semmiféle változást). Ami viszont meglepődtem, az a egyenirányító híd volt, csak azt az egyet nem nézegettem, mivel azt gondoltam, hogy ha 10A-t képes átvinni ezen meg max 3 fog átmenni akkor nem kell rá hűtés... nagyot tévedtem! Amikor hozzáértem lángolt, meg is sütötte az ujjamat. Olyan meleg volt mint télen a radiátor. Arra is szerválok hűtést és gondolom nem lesz probléma.Hát így nagy vonalakban ennyi lenne az első benyomás. Majd még rakok fel képeket is a félkész cuccról.
Örömmel hallom hogy összejött. Képeket kérünk
A 17V tápfesz nem valami szerencsés. A szerző szerint és tapasztalataim szerint is 20 V alatt nem érdemes próbálkozni Rendes trafóval egész más lesz hidd el. Hány fokos lehetett a borda amin a végtranyók voltak?
A végtranyók bordája kb 50 fokos lehetett lemérni nem tudtam mivel nincsen ilyen merőműszerem, de majd higanyossal megpróbálom kb lemérni. Majd holnap várhatóak a képek. Érdekesen néz ki, mindenhol kábelek meg hűtőbordák. Azon gondolkoztam, hogy lehet veszek ilyen kis bordákat a BD tranyókra szerintem elég lesz nekik az is de még tesztelés alatt van. Így megoldódna a kábel rengeteges probléma is ( így nagyon sok a kábel... minden egyes tranzisztor zsinórokon lóg egy hűtőbordán külön külön szóval nagy a káosz ).
Sikerült a mai napomba berakni ezt a fényképezést. A cuccot behoztam, mivel kint csak a psp-men mehetett a tesztelés ami nagyon halkacska volt. Először kicsit fel is háborodtam, hogy a feszültség növelésével sem sikerült hangosabbá varázsolni az erősítőt. De rájöttem, hogy a jel amit kiad magából az nem nagyon elég ezért behoztam a géphez és ezen teszteltem...
A gépről üzemelve viszont beindult a hang! Nekem elég hangos, hangosabb tényleg nem is kell mivel ezt is csukott ajtón át lehetett hallani (kb olyan hangerővel szólt az ajtó mögött mint amilyennel én szoktam hallgatni a zenét úgy általában). Az egyenirányítóra még mindig nem sikerült hűtőt fabrikálnom, de rajta vagyok az ügyön. Az erősítő most durván 20 percet ment és a végtranyók bordája már nagyon meleg volt kb 70 fok (nem tudtam rajta tartani a kezem), ezért most egy ventilátoron gondolkozom, persze csak néha lenne bekapcsolva vagy nem tudom még gondolkoznom kel rajta... Ja és ezzel az erősítővel sikerült megtornáztatnom egy 125va-s trafót is ( zsír ) . Szerintem egyébként 20W erősítőhöz képest nagyon melegszik, még ha 70w a hőbeli teljesítménye akkor is! No de beszéd elég is jöjjenek a képek...
Alakul a molekula
A BD-knek elég egy kicsi borda is. Ha elmész boltba vagy rendelsz, keress úgy hogy kimondottan erre a tokra hűtő. Megteszi. BD-nként kb 25 cm2 megteszi. Egy pár perc és teszek fel pár képet a gépemről és megírom a tapasztalatokat.
Egy gondolat azoknak akik még haboznak a DOZ megépítésével. A be- és kicsatoló kondik minősége kulcsfontosságú ennél az erősítőnél. A becsatoló kondin múlik a hangzás milyenségének nagyrésze. Úgy is mondhatnám ez az erősítő leggyengébb láncszeme. Kezdetekben a WIMA 63V-os MKS kondiját használtam, aztán elkezdett foglalkoztatni a téma hogy mégis mennyit oszt-szoroz a végeredményen. Keresgélni kezdtem a megfelelő kondi után ami az olajpapír lett volna. Sajnos nem tudtam szerezni. Helyette viszont a kezem ügyébe akadt az audiofil építők körében kedvelt ERO (Roederstein) gyártmány. Kicseréltem a wima-kat és teljesen más lett a hangzás. A mélyek élethűbbek, azt nem mondanám hogy erősebbek, inkább dinamikusabbak de mindenképp szebbek. A kicsatoló kondi nálam egy 4600 mikrós elko, amivel párhuzamosan szintén szokás tenni egy 2-10 mikrós valamilyen jó minőségű fóliakondit. Ezzel csökkenthetjük az elko nagyfrekin hirtelen megnövő soros ellenállását, magyarul szépen kiterjeszthetjük vele a magastartományunkat. Itt is 1µF-os WIMA MKS volt, amit 4,7 mikrós zöld ERO-ra cseréltem. A különbség egyértelmű. A magasak csilingelőek, nem zajosak, nem felszínesek és repedtek. Összegzésül... Erre a két kondenzátorra (végfokonként) ne sajnáljátok a pénzt. Az ERO nem etalon, ki is próbálnám másokkal is... de nincs rá keret. Aki viszont megteheti és a legtöbbet akarja kihozni a DOZ-ból... Inkább ide költsön mint mondjuk mindenféle kábelekre csatira vagy egyéb "audiofil" dologra. Ezek sem hülyeségek... de a kondikkal számottevő javulást lehet elérni.
A vas kapott még 4 csinos sárgaréz lábat. Így már sokkal jobban néz ki, hátra van még a tetőlap, és a belső huzalozást is kicsit szépíteni szeretném. Addig is képek:
A te műved is nagyon szép. Neked mennyire melegszik a hűtőborda? Én most 2 ventivel hallgattam ezzel tényleg nagyon jó langyos lett a borda... Ha kész lesz a másik fele akkor így nyárra majd apámtól elkobozom az autó aksi töltőt és majd arról fogom járatni a ventiket
![]() A kondikra viszont most nekem nincs keret, még trafót kéne vennem, és a doboz sem lesz 1 fillér.
Olyan 70 foknál áll be a hőegyensúly, 1,7 A nyugalmi áram mellett. Sokak szerint ez rengeteg, de korábban leírtam a véleményem ezzel kapcsolatban, ha érdekel keresd vissza. Igaz kicsit talán így rövidebb életűek lesznek a félvezetők, de tudja amit elvárok tőle. Semmi bajuk nem lesz egy kis hőtől
A ventis hűtés nálam kizárva Kár lenne egy jó kis erősítőt elszúrni ventizúgással és zavartermeléssel
Tegnap szétszedtem egy öreg VHS lejátszót. A doboza elég jónak tűnik
. Szerintem majd abba lesz beszerelve az erősítő véglegesen. Kényelmesen elférnek benne a hűtőbordák, a transzformátor vagyis inkább a transzformátorok, mivel az aktív hűtés mellett döntöttem. Az a helyzet, hogy jelenleg 2 alig forgó ventilátorral üzemel és egyáltalán nem meleg a borda. A 2 ventinek a hangja 0 és nélkülük a borda nagyon forró, kell ez a kis szellőzés neki. Szerintem jó lesz nekem ez így ventilátorokkal, jobban is fog kinézni, meg ha minden igaz akkor tovább is kéne bírnia a végtranzisztoroknak. Venti nélkül kúszott felfelé a hőmérséklet kb 70fok körül volt vagy még a fölött, és amikor hallgattam akkor lehetett hallani, hogy néha bereccsent egyet az erősítő és egyre csúnyább hangot adott. Már-már a td-s erősítőmhöz tudtam volna hasonlítani, kis szünet után viszont ismét jó volt. Persze az is lehet, hogy már annyira vártam, hogy mi fog történni ezen a nálam magasnak számító hőfokon (amikor a borda tűz forró és égeti a kezem) , hogy csak simán beképzeltem magamnak. Felmerült az új hűtőborda vétele is, csak arra egy kicsit sajnálom a pénzt, a ventilátorokat max 5euróért megkapom, trafó meg a többi cucc van hozzá. Úgy gondoltam még, hogy lehetne egy szabályzó is a kettőre aminek a potija valahol hátul foglalna helyet. Így le lehetne állítani, és a kinti hőmérséklethez képest lehetne szabályozni a fordulatokat. Az egyenirányítót sikerült lehűtenem, a borda ami rajta van az enyhén langyos. (Mondjuk elég nagy rajta a borda, először azt terveztem, hogy kisebb darabokra vágom és a BD tranyókra szerelem.) Kb ennyi, majd még rakok fel képeket, ha kész lesz a dobozolás, vagy esetleg előbb amikor végre elkészül a másik része is.
Helló!
Ma sikerült összehozni a másik csatornát is. Szereztem egy 300VA-s trafót 24 voltosat. Amikor bekötöttem akkor búgni kezdett. Az okot nem tudom . Eddig csak az egyik felével szórakoztam, igaz más trafóm volt, de akkor is. Eddig 115VA val és 24 voltal próbálkoztam, most pedig csupán a max terhelhetőség nőtt. A mellékelt kép alapján kötöttem be. Annyi az eltérés, hogy nekem 2 egyenirányító hidam van. Attól lehet esetleg, hogy túl vékony a táp kábel? Ami a konnektorból a trafóba megy. (én erre gyanakszok) Ha jelet adok neki akkor szól meg minden csak a háttérben ott az a fránya búgás. Ja és még valami: A trafó is elég hangos, lehet hogy túl öreg?! Az is ilyen recsegő hangot ad ki. No nem mintha az előző nem adott volna ki ilyen hangot, de ez még hangosabb.
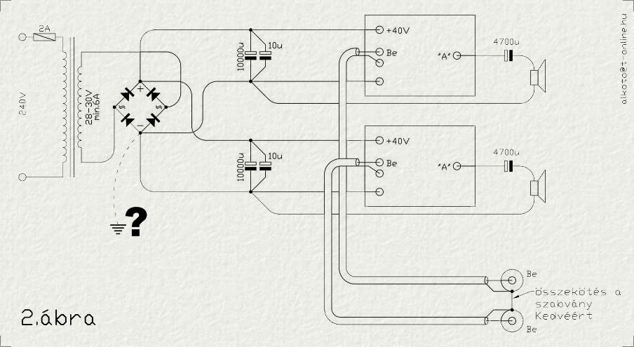
Nem igazán értem. Ha a trafón két szekunder van akkor két egyenirányító kell, kétszer pufferelsz. Az majdnem olyan megoldás mintha kétszer építenél tápegységet. Ha csak egy szekundered van akkor egy és mindkét végfok pozitív tápját a puffereid pozitívjára kötöd és az összes földpontot a puffer negatívjára. Ezzel létrehozol egy csillagpontot. A kábel miatt kétlem hogy búgna. A búgás leginkább akkor jelentkezik ha a bemenet(ek)re bejut a trafó szórása. Ezért a bemeneteket árnyékolt kábellel kell húzni. Árnyékolás ide vagy oda a bemenetre a szórás úgy is bejuthat ha túl közel van a trafód a végfokokhoz, vagy szimplán rosszul pozicionálsz. A hosszú vezetékek, kilógó alkatrészlábak mind-mind antennaként veszik vagy vehetik a trafó szórását. Érdemes toroid trafót venni/szerezni, azok szórási paraméterei a legjobbak, vagy érdemes a trafót árnyékoló kalitkába tenni. Rajzolok neked hogy érthetőbb legyen.
Megpróbáltam lerajzolni, hogy hogyan is néz ez ki. A rajz az nagyon béna, de kivehető belőle a lényeg.
Most van egy lehetséges megoldás a fejemben. Az egyik egyenirányító hidat kiszedném és a másik erősítőre szánt kondikat pedig tovább párhuzamosan kötném a többivel ezzel 4x4700 uf et kapnák. a kimeneten pedig csillagpontot kéne létrehozni és akkor 2 kábel menne a + ról és a - ról is. Remélem jól értettem amit leírtál, mert nekem ez jött le, és így logikus is, hogy 1 erősítő szólt szépen a kettő egyben meg nem. A trafóról meg annyit, hogy ez még nem a végleges. A véglegeset majd rendelni fogom, de nem most. Majd ha valahol látok olcsóbban toroid trafót 300va val ráírva akkor megveszem. Megfelelne ez a trafó is csak az a baja, hogy nagyon nagy, ezért nem fér bele a dobozba amibe kerülne az erősítő. (8 cm magas doboz)Majd holnap próbálkozok, de mára ennyi elég. (nyugovóra térek )
Mindjárt küldöm a lehetséges kialakításokat. Ez amit írsz így nagyon necces
Pillanat.
Nos rajzoltam neked háromféle módot. Az első a Dual-Mono kialakítás. Ez a legjobb, bár nem a legjobb barátja a pénztárcának. Ugyanis ehhez két trafó kell. Gyakorlatilag két erősítőt építesz meg két tápegységgel, egy készülékházon belül.
Ha úgyis azt mondod hogy venned kell majd trafót azt ajánlom ilyet szerezz vagy csináltass. Ha két szekunderből áll a trafód gyakorlatilag (lehet ezért lefejeznek a többiek de leegyszerűsítve) olyan mintha két trafó lenne egyben. Ilyenkor ugyanúgy jársz el mintha dual monot építenél, minden szekundernek külön egyenirányító és pufferhadsereg, és egyikre az egyik oldalt kötöd másikra a másikat. Ezzel a dualmonohoz képest sok helyet spórolhatsz és rengeteg pénzt ![]() Ha csak egy szekundered van, akkor az a teendő hogy építesz egy tápegységet aminek van pozitív és negatív pontja és mindkét végfok pozitív tápját a tápegység pozitívra kötöd, a földeket pedig csillagpontba közösíted. ez annyiból rossz, hogy a puffereket két végfoknyira kell méretezned, és azon az egyszem egyenirányítón kétszeres áram fog folyni mert ugye egy tápegység két végfokot lát el. Én mindenképp azt javallom hogy szerezz két szekunderes trafót és csináld meg úgy. Továbbá ajánlott a hangszóróból visszajövő hidegpontot (a kimenet negatív pontját) nem a nyákra visszakötni hanem kikerülve a pufferek (vagyis a tápegységed) földpontjára kötni. Remélem atom-érthető voltam Sok szerencsét! Itt vannak a rajzok
Most összerakom az utolsó rajz szerint, hogy legyen mit hallgatnom és, hogy legyen miben gyönyörködni. Amikor meg végre megrendelem a trafót akkor meg majd a 2 szekunderes cuccot fogom építeni, nekem ez úgy volt tervezve, a nyák is úgy van a pufferekkel, hogy az egész egy nyákon van.
A segítséget nagyon szépen köszönöm!
Várom a fejleményeket. A táppal így nem lehet gond, a bemenetet pedig árnyékolttal húzd. Lehetőleg röviden
|
Bejelentkezés
Hirdetés |






. Amikor mérem akkor csak 60k ohmig megy fel és a minimum érték az meg 10k. 

















