Fórum témák

» Több friss téma
Fórum » Szimmetrikus tápegység
Lapozás: OK   24 / 41
(#) speeedfire válasza reloop hozzászólására (») Jan 25, 2012 /
 
Igen, ezt a 2 diódás megoldást láttam már én is. De eddig nem nagyon javasolták. Nem lehet belőle "gond"? Az lm1875, mondjuk majdnem ugyan az, mint a tda2030.
(#) reloop válasza speeedfire hozzászólására (») Jan 25, 2012 /
 
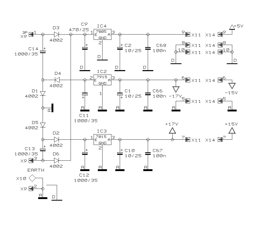
Ez nem az a két diódás amire gondolsz, itt lebegő hidegpontot alakítottam ki. Van hozzá lay-om is: Bővebben: Link
(#) csabacsaba hozzászólása Jan 31, 2012 /
 
Sziasztok.Nekem egy olyan rajzot tudnatok kuldeni hogy tudjam a feszultseget szabalyozni min:0-30v-ig,es hogy szimetrikus legyen.+\-\G
Elore is koszonom!
(#) Koree válasza csabacsaba hozzászólására (») Feb 1, 2012 /
 
Jól van látom ide találtál.Már akartam linkelni eme topicot a labortáposban.
(#) mhatalyak hozzászólása Feb 2, 2012 /
 
Szép napot!

Szeretnék az erősítőmbe építeni egy +/-12V-os tápot. A trafó 2x37VAC és 2x21VAC(segédfesz), ebből a 2x21VAC-ból szeretnék +/- 12V-ot, tudom sokat el kell fűteni mert majdnem 30V egyenáram lesz belőle, de nembaj, inkább mint, hogy meg bontsam a trafót. Találtam egy kapcsolási rajzot a neten !ITT! a rajz. Kérdésem az lenne, hogy ha 50V os kondikkal meg építem és BD239 tranyóval, akkor bírná-e a 2-3A terhelést? Természetesen hűtőbordára szerelve, ha ez jó, akkor ha - tápot akarom stabilizálni, akkor építsem ugyan ezt, csak fordítva a zener és a kondik, meg persze PNP tranyó, vagy építsem meg ugyan ezt és a+ ágat kössem a trafó GND kivezetésére így az a gnd-hez képest - feszültség lesz. Reméllem érthető voltam.

Előre is köszönöm a segítséget!
Máté.
(#) mindenes válasza mhatalyak hozzászólására (») Feb 2, 2012 /
 
Heló! Határ eset a dolog ugyanis a választott tranzid megengedett folyamatos kollektor árama csak 2A így lehet hogy erősen hűtened kell majd.
Az 50 voltos kondival sztm. nem lehet baj mert max feszre nem fog feltöltődni ami károsithatná a tranzit (a bd 239 CE feszültsége csak 45v)de ha bd239A választol azzal tuti nem lehet baj.
3. a negativ táphoz pedig ahogy te is irtad mindent forditva és csak pnp tranyó kell, vagyis bd240A.
(#) mhatalyak válasza mindenes hozzászólására (») Feb 2, 2012 /
 
Köszi szépen, a tranyókat elírtam, mert "C" típusú, ami az adatlap szerint 100V-ot bír és a - áram, csak a 2db hangszóró védelemnek kell, ami meg található a kapcsolások között. A + tápot ezenkívül még 2db 12LED-es tranzisztoros kivezérlés jelzőhöz szeretném használni, ami nem hinném, hogy felvesz 2A-t.

Köszönöm szépen a segítséget!
(#) mindenes válasza mhatalyak hozzászólására (») Feb 3, 2012 /
 
Szivesen nincs mit. Amiket irtál azokkal biztos elfog bírni ez táp a táp, bár nem ismerem az adott kapcsolást, egy hangszóróvédő áramfelvétele is tippem szerint nem lehet több néhány 10mA nél,valamint a kivezérlés jelzőé is max néhány 100mA lehet. Szóval ezekkel biztos el fog birkózni ez a táp ha megépíted.Üdv.
(#) joseyy hozzászólása Feb 15, 2012 /
 
Üdv!
Láttam ebben a témában, hogy hogyan lehet szimmetrikus tápegységet készíteni, sima transzformátorból.( 2 diódás, 2 ELKO-s) Az után érdeklődnék, hogy ki az aki használja ezt, illetve milyen tapasztalatokat szerzett vele? Másik kérdésem az lenne, hogy mivel helyettesíthető a 1N4009-es dióda? Szimulátorban lepróbáltam ezzel működik, de 4007-essel már nem. Köszönöm előre is!
(#) Imi65 válasza joseyy hozzászólására (») Feb 15, 2012 /
 
Működik az 1N4007-tel is. A tapasztalatok gyérek, tekintettel arra, hogy inkább szükségmegoldás, "komolyabb helyeken" sehol nem alkalmazzák (tulajdonképpen szoros rokonságot mutat az egyutas egyenirányítással, ami a lehető legrosszabb).
Már, ha erre gondoltál.
(#) joseyy válasza Imi65 hozzászólására (») Feb 15, 2012 /
 
Köszönöm szépen a válaszod!
Igen a mellékelt linkedre gondoltam. Lehet, hogy akkor nem fogom erőltetni ezt a dolgot még szükségmegoldásnak se. Inkább utána nézek egy megfelelő trafónak, hátha ráakadok egy olcsóbb példányra. Köszönöm még egyszer.
(#) andriska_13 hozzászólása Feb 26, 2012 /
 
Sziasztok,szerintetek ezt a kapcsolast lehet alkalmazni erositoknel?http://freecircuitdiagram.com/wp-content/uploads/2008/08/symmetric_...ly.gif
(#) reloop válasza andriska_13 hozzászólására (») Feb 26, 2012 /
 
Sajnos nem. A negatív oldalnak kicsi lesz a terhelhetősége. Előerősítő mehet rá.
(#) braner hozzászólása Feb 29, 2012 /
 
Helló Mindenlinek!

Szeretnék egy táp kapcsolási rajzot kérni a készülő keverőmhöz.
TL071,LM386,NE5534-es IC van elvileg a készülékben.Próbáltam keresni itt az oldalon, de nemtaláltam sehol.Van pár szervízkönyvem komoly keverőkhöz de azok nekem nagyon bonyolultak(PIONEER,GEMINI,TECHNICS).Valami egyszerű és megbízható kapcsolást keresek.
+12V,-12V,+5V feszültség kellene.

Köszi előre is
(#) Ghoost válasza braner hozzászólására (») Feb 29, 2012 /
 
Szia!

Ajanlatom reszedre a BSS Elektronika oldala.
(#) Zsolt36 válasza Ghoost hozzászólására (») Feb 29, 2012 /
 
Azt az oldalt jobb ha meg sem nézi. Borzalmas. Jobb ha itt felmész a kapcsolások menüpontra és ott találsz. Vagy ebayról rendelsz egy pc-tápot egy ezresért.
(#) Ghoost válasza Zsolt36 hozzászólására (») Feb 29, 2012 /
 
Szia!

S mi az ami nem tetszik neked az ajanlott oldalon? Mondjuk a Goggle kep keresojeben ez volt az elso talalat.

Alapnak, elindulni jo, masra nem biztos.
(#) Zsolt36 válasza Ghoost hozzászólására (») Feb 29, 2012 /
 
Hát mert ami ott van a 90 százaléka * . Vannak benne olyanok istenem hogy egy kapcsnak a fele van fenn meg ilyen hülyeségek hogy 20 kilowattos erősítő annak is a fele van meg. Meg egyszerűen hülyeségek vannak, nem működnek.
(#) Ghoost válasza Zsolt36 hozzászólására (») Feb 29, 2012 /
 
Az ajanlott linkre rakattintottal?
Mert az szerintem alapnak hasznalhato,
ahogy elnezztem, meg mukodik is.

S ezzel nem mondtam neked ellent, mert a tobbi kapcsolasrol nem all modomben nyilatkozni, megtekintes hianyabol kifolyolagosan.
(#) braner válasza Ghoost hozzászólására (») Feb 29, 2012 /
 
Köszi az infót.
Sajna sokra nem mentem.Komplett rajzra lettem volna kíváncsi.Teszek fel egy példát.Valami ilyesmire gondoltam.De ha valaki tudja akkor légyszi variálja át, hogy trafó is legyen rajta és a tipusa is.
Köszi
(#) kadarist válasza Ghoost hozzászólására (») Feb 29, 2012 /
 
Szia!
Az a baj a BSS-el, hogy rengeteg rajz hibás, ráadásul a rajzok rosszul dokumentáltak, nagyon sokhoz nincs is leírás mellékelve.
(#) kadarist válasza braner hozzászólására (») Feb 29, 2012 /
 
Szia!
Egy konkrét rajz: Bővebben: Link. Az 5V-ot egy 5V-os stabkockával lehet elérni, a +12V-os ágba kötve.
(#) reloop válasza braner hozzászólására (») Feb 29, 2012 /
 
(#) dani9228 hozzászólása Márc 1, 2012 /
 
Üdv! Az a kérdésem lenne, hogy a mellékelt kapcsolás működőképes lehet e? Tinával leszimuláltam ott egész jó eredményeket kaptam.

kép.jpg
    
(#) reloop válasza dani9228 hozzászólására (») Márc 1, 2012 /
 
Szia! Vedd ki a két alsó diódát mert nem csinálnak semmit. A kondikkal párhuzamosak záró irányban.
(#) zoka hozzászólása Márc 22, 2012 /
 
Sziasztok!
Szerintetek hogyan lehetne egy 12V-os elemből +/- 12 V-ot előállítani?
Elegendő lenne 50 mA is.
Köszi.
(#) proli007 válasza zoka hozzászólására (») Márc 22, 2012 /
 
Hello!
Pld. MC34063 IC-vel, a 17. ábra szerint. (A 6V miatt ne aggódj, 12-ből is meg fogja csinálni..)
üdv! proli007
(#) zoka válasza proli007 hozzászólására (») Márc 23, 2012 /
 
Hello! Köszönöm.
(#) LG1992 hozzászólása Máj 28, 2012 /
 
Üdv!
Van egy trafóm aminek a secunder oldalán 80 volt mérhető hogyan tudnám ezt szimetrizálni úgy hogy +-40 voltot kapjak?
Előre is köszi
(#) reloop válasza LG1992 hozzászólására (») Máj 28, 2012 /
 
Üdv! A 80V az váltakozó-, egyen-, vagy simított egyen (pufferelt) feszültség? A különböző polaritású 40V-ok azonos áramerősséggel lesznek terhelve?
Következő: »»   24 / 41
Bejelentkezés

Belépés

Hirdetés
XDT.hu
Az oldalon sütiket használunk a helyes működéshez. Bővebb információt az adatvédelmi szabályzatban olvashatsz. Megértettem