Fórum témák

» Több friss téma
Fórum » Kapcsolóüzemű táp autóba Hi-Fi-hez
Lapozás: OK   118 / 148
(#) pinyó39 válasza deny-g hozzászólására (») Máj 29, 2012 /
 
Legalább 1-1 tranyót és diódát-át szenvedj még bele pluszba.
(#) deny-g válasza pinyó39 hozzászólására (») Máj 30, 2012 /
 
Hova szenvedjek még bele diodát ???
(#) Ge Lee válasza deny-g hozzászólására (») Máj 30, 2012 /
 
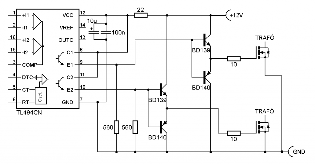
Többször le lett már írva, hogy ez így nem jó! Persze újra és újra megtalálja valaki ezt a rajzot... A 494 után kell még egy-egy buffer fokozat (komplementer emitterkövető) mondjuk BC639-640-ből. És a visszacsatolás sem jó, a 3-as láb lóg a levegőben.
(#) deny-g válasza Ge Lee hozzászólására (») Máj 30, 2012 /
 
És ha öszehozom azt a bekötést és a bc-k hejett a bd 139-ás bd 140-est használom ?
(#) emmzolee válasza ekkold hozzászólására (») Máj 30, 2012 /
 
Félre értesz. Nem viszolygok a kis trafóktól. Csak az önrezgőtől. Az autóban nagyon változó a feszültség. Ez kihat a nagy trafóra is. Ennyi a bajom vele. Ezért használnék inkább ic-t, és akkor miért ne legyen driver is benne?
(#) emmzolee válasza deny-g hozzászólására (») Máj 30, 2012 /
 
Figyelj. Nekem volt egy 2000W-os "D" osztályú erősítőm abban volt egy lezáró tranyó, és 2X6db IRFP064N volt rá kötve. A táp 28.7KHz-en ment. Teljesen üzembiztos volt.
Beteszem a rajzát ha érdekel. Én rajzoltam vissza. :hehe: :guluszem1:
(#) emmzolee válasza deny-g hozzászólására (») Máj 30, 2012 /
 
Nem szereti az oldal a PNG-t.
Akkor itt van JPEG-ben
(#) emmzolee válasza emmzolee hozzászólására (») Máj 30, 2012 /
 
Nem szereti az oldal a PNG-t.
Akkor itt van JPEG-ben.
Ez is nagy neki.
Akkor tömörítve.
(#) luluzulu hozzászólása Máj 30, 2012 /
 
Sziasztok.
Honnan tudom hogy működik-e a TL494? Meg mérni? Milyen feszültségek kellenek a lábakon hogy legyenek... Persze szkóp nélkül...
(#) luluzulu válasza Ge Lee hozzászólására (») Máj 30, 2012 /
 
mi vele a probléma? Mert én is ennek kezdtem neki, kicsit már módosítottunk rajta a kicsit visszáb van a kész nyák ha nagyon nem jó akkor nem szenvedek vele tovább...
(#) Ge Lee válasza deny-g hozzászólására (») Máj 31, 2012 /
 
Az úgy már jó lesz.
(#) Ge Lee válasza luluzulu hozzászólására (») Máj 31, 2012 /
 
Szkóp nélkül nehéz lesz...
(#) Ge Lee válasza luluzulu hozzászólására (») Máj 31, 2012 /
 
Egyrészt a 494 nem fetmeghajtó (nem arra tervezték). Másrészt (éppen az előző ok miatt) a feteknek tökéletlen meghajtása lesz, ami miatt túlzottan melegedni fognak, esetleg tönkre is mennek nagyobb teljesítményen. Aztán a vezérlést illik legalább egy RC taggal elválasztani a teljesítmény elektronikától, mert párszáz wattnál már egész szép áramtüskék (meg feszültség is) vannak, amik ha megzavarják a vezérlést akkor füst lesz. Egyszer (vagy kétszer) már biztosan leírtam, hogy hogy kell ezt összedobni, milyen szempontok alapján. Had ne írjam le újra, olvass vissza.
Nem értem hogy miért kell erőltetni a rossz megoldásokat, amikor néhány plusz (filléres) alkatrész felhasználásával tökéletessé is tehető. Ha meg valóban egyszerűt akarsz, akkor ott van az UCC3808, az direktben is meghajtja a feteket, és egyszerűen áramkorlátossá is tehető mert alapból árammódú vezérlő. Egy ilyen rajzot nem rég csatoltam. Ne a gyári megoldás legyen a követendő példa, azokban is alkalmaznak hajmeresztő dolgokat mert ott a minél olcsóbb tömegtermelés a cél, kell is javítani őket rendesen.
(#) luluzulu válasza Ge Lee hozzászólására (») Máj 31, 2012 /
 
Akkor fel adom.
UCC3808 nem tudok be szerezni helyete SG3525 jó lesz?
(#) alex.taylor válasza luluzulu hozzászólására (») Máj 31, 2012 /
 
Pedig beszerezhető, és postázzák is.HQ elektronika
FDH kft.
(#) deny-g válasza emmzolee hozzászólására (») Máj 31, 2012 /
 
Az az S2000D az komoj cucc lehetett na ha azt elhajtota 2X6 IRFP064 n 494-el akkor nekem menyi IRFZ 44 kellene 1000 W hoz ?
(#) deny-g válasza luluzulu hozzászólására (») Máj 31, 2012 /
 
Bocs hogy igy közétek szolok de UCC3808-ast én se tudok beszerezni engem is az sg 3525-ös megoldás érdekelne azom van egy új othol foglalattal együtt csak nyáktervem nincs és a tervezéshez meg hülye vagyok
(#) Ge Lee válasza luluzulu hozzászólására (») Máj 31, 2012 /
 
Az UCC3808N-2 a Lomex-ben nettó 548Ft. Jó a 494 is, csak kell az IC és a fetek közé egy egy komplementer emitterkövető fokozat (BC639-640-ből), és akkor a gate kapacitás töltése és kisütése is kellően gyors lesz. Persze áramkorlátod még mindig nem lesz. Rajz szerintem tucatszám van róla a topikban. Valamelyik SG is jó, de nem tudom fejből hogy a 24-nek vagy a 25-nek van komplementer kimenete.
(#) thedespot0 válasza emmzolee hozzászólására (») Máj 31, 2012 /
 
Egyébként a primert, és a szekundert azt különbözö irányba kell tekerni , vagy az egészet azonosba, mert úgy csináltam meg, hogy a két primer azonos, és a két szekunder is azonos, de ellentétes irányba vannnak egymáshoz képest. A primert jobbrol balra, a szekundert pedig balrol jobbra tekertem. Ez így jó ? vagy használhatatlan ?
(#) luluzulu hozzászólása Máj 31, 2012 /
 
Szerbiaban nem letezo alkatresz....
(#) deny-g válasza luluzulu hozzászólására (») Máj 31, 2012 /
 
Sziasztok fiuk egy öreh tv-böl sikerült kiguberálnom egy elég nagy trafot eből lehetne 494 hez trafot tekerni dobok fel pár képet
(#) luluzulu válasza deny-g hozzászólására (») Máj 31, 2012 /
 
Ha légrést kicsiszolod igen.
(#) deny-g válasza luluzulu hozzászólására (») Máj 31, 2012 /
 
Hogyhogy kicsiszolom ?
Haverom hozott nekem egy ijent is vaslerakatbol
(#) luluzulu hozzászólása Máj 31, 2012 /
 
Közben rá jöttem hogy sajnálom feladni a projektet... Annyi időm és pénzem van benne... Min kell javítani rajta?

Holnap elviszem a suliba és ránézünk skoppal, mit kell majd nézni?

Jelenleg a mellékletben lévő nyák van elkészítve és a pirossal jelölt elemek vannak beültetve. De szerintem nem működik mivel nincs nyugalmi áram...

Bővebben: Link
(#) luluzulu válasza deny-g hozzászólására (») Máj 31, 2012 /
 
az a vasdarab az micsoda... Szerintem hagyd a fenébe.
A vasmag két széléből csiszolj le 2mm hogy össze feküdjön a közepe. Valahol olvastam hogy itt nem kell légrés az e fajta tápnál... Meg egyik forum társ is azt mondta
(#) elek tron válasza luluzulu hozzászólására (») Máj 31, 2012 /
 
én az ic bekötését nem ellenöriztem. feltételeztem hogy jol elvégezted ezt a feladatot. a többi jo. bár majdnem megkancsalodtam mikor megprobáltam ellenörizni a fetek ellötti tranyokat. sokkal egyszerübben is megoldhato lenne. az ic-nek 5V-rol már menni kell. kell egy szkop hogy ellenörizd a frekit, meg az ic kimenetén a jelet. ha nincs terhelés nem fogsz látni semmit. ezért pwm. ha jol betreheled akkor érheti el az 50-50% kitöltést. de ahhoz rendesen be kell terhelni. had füstöljön a jövö hét is. az enyémet mikor ugy rendesen beterheltem leégette a teherautokat bikázo aksitöltöt, miközben vastag füstöt eresztett a rákötött 2mm vastag cekasz.
(#) luluzulu válasza elek tron hozzászólására (») Máj 31, 2012 /
 
Akkor ezek szerint teljesen be kell fejezni nem lehet csak úgy ahogy csináltam most. Ahogyan a képen be van jelölve csak azok az alkatrészek vannak be ültetve. Igy nem mérhetek semmit... 8,5v van a 9-10-labon az az egyinfóm van....
(#) alex.taylor válasza luluzulu hozzászólására (») Jún 1, 2012 /
 
Bocs, azt nem tudtam hogy te szerbiában laksz. De ha itt a fórumon nagyon jóban vagy vkivel, akkor biztos megteszi, hogy megveszi, és elpostázza neked. De hogyha irsz vmelyik cégnek aki árulja, lehet hogy ők is elpostázzák neked.
(#) elek tron válasza luluzulu hozzászólására (») Jún 1, 2012 /
 
ha az ic jol van bekötve mennie kell. orajelet tudsz mérni rajta az 5, 6, lábon.
(#) luluzulu válasza alex.taylor hozzászólására (») Jún 1, 2012 /
 
Betudnák szerezni csak a posta 2000FT ... és mot nem álok úgy anyagilag hogy meg birjam rendelni...A leg jobb lenne ha simán levélben küldenék de olyat nem akarnak...
Következő: »»   118 / 148
Bejelentkezés

Belépés

Hirdetés
XDT.hu
Az oldalon sütiket használunk a helyes működéshez. Bővebb információt az adatvédelmi szabályzatban olvashatsz. Megértettem