Fórum témák

» Több friss téma
Fórum » TDA1562Q Végerősítő
 
Témaindító: attila26, idő: Okt 26, 2006
Témakörök:
Lapozás: OK   7 / 8
(#) David 3g hozzászólása Okt 18, 2011 /
 
Sziasztok. Megszeretném kérdezni hogy ennél az IC-él a H-osztály az most mit takar ? ugye bekapcsolom a 16 lábat és a mélyládám ugyan úgy torzít mint ahogy torzított nagyobb hangnál elvileg B-osztályba. Szoval ez most hogyvan?
(#) David 3g hozzászólása Okt 19, 2011 /
 
sziasztok. Nekem az lenne a gondom ezzel az IC el hogyha bekapcsolod hogy H-osztályba mennyen akkorse tud 20W ál többet. Szoval szerintetek mi lehet ? Feszemelő kondik azok ugye 4700 mikrosak. 12V megy az ic és skoppal néztük a jelét, ami igyis ugyis ugyanaz na meg hangzásba se változik.
(#) reloop válasza David 3g hozzászólására (») Okt 19, 2011 /
 
Szia! Úgy tudom nem kell a 16 lábon H-osztályba kapcsolni. Amennyiben a tok hőmérséklete <120°C engedélyezi automatikusan. Azt nézd meg szkóppal, hogy a kondik a testhez képest változtatják-e a potenciáljukat, rásegítenek-e? A 16 lábon mérheted az üzemállapothoz tartozó feszültséget.>
(#) retoocs hozzászólása Okt 30, 2011 /
 
Sziasztok!!! Lenne egy nagy kérésem van egy kapcsolási rajzom és olyan ellenállások vannak benne hogy nem vagyok biztos az értékében nem tudna valaki egy alkatrész listát készíteni egy "szegeny" kezdődnek
(#) retoocs hozzászólása Okt 30, 2011 /
 
Sziasztok!!! Lenne egy nagy kérésem van egy kapcsolási rajzom és olyan ellenállások vannak benne hogy nem vagyok biztos az értékében nem tudna valaki egy alkatrész listát készíteni egy "szegeny" kezdőnek
(#) reloop válasza retoocs hozzászólására (») Okt 30, 2011 /
 
Szia=! M1=100k, 1M2=1,2 Mohm, M47=470k, 10=10ohm.
(#) retoocs válasza reloop hozzászólására (») Okt 30, 2011 /
 
Nagyon szépen kőszöntem pont ezekkel volt a baj
(#) David 3g válasza retoocs hozzászólására (») Okt 31, 2011 /
 
Szia. Kiváncsi lennék a véleményedre az Ic-el kapcsolatban. Szerinted tudja a 70W-ot ? Milyen a hangja ? mire használod ?
(#) retoocs hozzászólása Nov 1, 2011 /
 
Szia! Az az igazság hogy régebben építettem egyet ezzel az ic vel de azóta nem igazán most próbálkozó ismét a 70 w az garantált a hangja az nem tudom milyen . Én egy mélynyomot szeretnék építeni vele ha kész lesz elmondom a élményem.
(#) David 3g válasza retoocs hozzászólására (») Nov 1, 2011 /
 
Szia. Értem. Én is egy mélynyomot szerettem volna csak nekem kicsinek tünt a teljesítmény na meg mintha nem adta volna le a 70W -ot.
(#) retoocs válasza David 3g hozzászólására (») Nov 9, 2011 /
 
Szia próbáld meg 18 volttal táplálni.
(#) retoocs hozzászólása Nov 27, 2011 /
 
Sziasztok segítség kellene, elkészítettem agy erősítőt de nem igazán mükszik. A hozzá tartozó leirás nem magyar és a kapcsolási rajz alapján nem igazán boldogulok én csak aféle utánépítő vagyok nem tanultam elektronikát. Az a probléma hogy még csak bugást se hallani a hangszóróból.
(#) retoocs hozzászólása Nov 27, 2011 /
 
Valaki
(#) titi válasza retoocs hozzászólására (») Nov 27, 2011 /
 
Hali!
Mindent jól ültettél be? forrsztási oldalról tudsz képet mutatni?
(#) retoocs válasza titi hozzászólására (») Nov 27, 2011 /
 
Tudni tudok de nem tul szép

DSC_0155.JPG
    
(#) titi válasza retoocs hozzászólására (») Nov 27, 2011 /
 
Nem akarlak elkeseríteni, de ettől féltem...
Azt tanácsolom, alaposan nézd át a forrasztásokat, mert a legkisebb hiba is gond lehet.
Sajnos nem túl nagy a felbontása a képnek, ezért én nem tudom neked alaposabban szemügyre venni.
(#) retoocs válasza titi hozzászólására (») Nov 27, 2011 /
 
Csunyán néz ki elismerem de 1000 szer néztem át. mi a feladata a remote funkcionak megkérdezhetem
(#) retoocs válasza titi hozzászólására (») Nov 27, 2011 /
 
És ha rákapcsolom a tápot még a led sem világít, nem melegszik az ic sem vagy lehet már az első probánál meghalt
(#) titi válasza retoocs hozzászólására (») Nov 27, 2011 /
 
Tudsz adni egy linket a leíráshoz?
A REM bemenetre feszültséget kell kapcsolni, hogy megszólaljon, de jó lenne látni több infót.
(#) titi válasza retoocs hozzászólására (») Nov 27, 2011 /
 
A REM bemenetre adj +12V-ot, de csak akkor, ha tuti biztosra minden renben a nyákon, semmi szakadás, semmi zárlat, különben füst lesz a vége.
Ja, és az IC-n is legyen hűtőborda, legalább egy darab alulemez.
Valamint letekert hangerővel kezd el tesztelni.
A legkissebb gyanús jelre azonnan kapcsold le a tápról, hátha megmenekül a szerkezet, ha mégis valamit elnéztél.
(#) retoocs válasza titi hozzászólására (») Nov 27, 2011 /
 
Szerintem ez lesz a baja nagyon köszönöm a rám fordított időt, örök hálám.
(#) titi válasza retoocs hozzászólására (») Nov 27, 2011 /
 
Nincs mit, de azért majd jelezz vissza.
(#) retoocs válasza titi hozzászólására (») Nov 27, 2011 /
 
Megszólalt a szerkezet látszólag müködött is de kb 30 másodperc múlva ez történt. Gondolom az ic is meghalt?Ujra készitem a nyákot mert az nem volt az igazi

IMAG0011.jpg
    
(#) titi válasza retoocs hozzászólására (») Nov 27, 2011 /
 
Most nézem, hogy az a kondi fordítva van betéve...
De az eredeti oldalon is rosszul mutatja a beültetési rajz a kapcsolási rajzhoz képest.
(#) retoocs válasza titi hozzászólására (») Nov 27, 2011 /
 
Akkor lehet hogy az ic ép maradtt
(#) titi válasza retoocs hozzászólására (») Nov 27, 2011 /
 
Az csak próba után derül ki...
(#) trapacska hozzászólása Jún 23, 2012 /
 
Sziasztok. Nekem valamiért nem kapcsol be magától az ic. Valamint ha elkezdem emelni a hangerőt egyszer csak kikapcsol. St-by bekötve, pc tápról tökéletesen működött. Minden, most építettem hozzá egy tápot. 10A-eset, 12V-osat. Úgy tudom csak bekapcsolni az ic-t ha megmozgatom a jack dugót a gépben "hogy recsegjen", na az a jel indítja be. Erőteljesen lehet használni, sok méllyel, de sajnos csak egy bizonyos hangerőig, utána kikapcsol. Valaki találkozott hasonlóval, vagy van esetleg valami ötlet?

A tápom 240W-os 12V trafó, 20A-es graetz mospecekkel, és 12600µF puffer, valamint egy 100nF hidegítő kondi.

A segítséget előre is köszönöm!
(#) reloop válasza trapacska hozzászólására (») Jún 24, 2012 / 1
 
Szia! Köss voltmérőt a 16 (status I/O) lábra, mit válaszol a szól - nem szól állapotokra.
(#) trapacska válasza reloop hozzászólására (») Jún 24, 2012 /
 
Szia,
mute - megkapja a tápot akkor 0,5V
stand-by - ráteszem a tápot a standbyra elvileg elindul az ic 14.40V (itt ugye addig nem szól amíg nem kap jelet a bemenet)
h-class - megkapja a jelet: kihúzom, bedugom a jacket akkor 11.40V van rajta.

Pörgetem fel a hangerőt ez a 11.40v ez volt hogy le ment 10.50V-ra is, de a kikapcsolás pillanatában 11.30V-volt utánna pedig felugrott 14.40V-ra. Jack megint ki megint be akkor 11.40V.

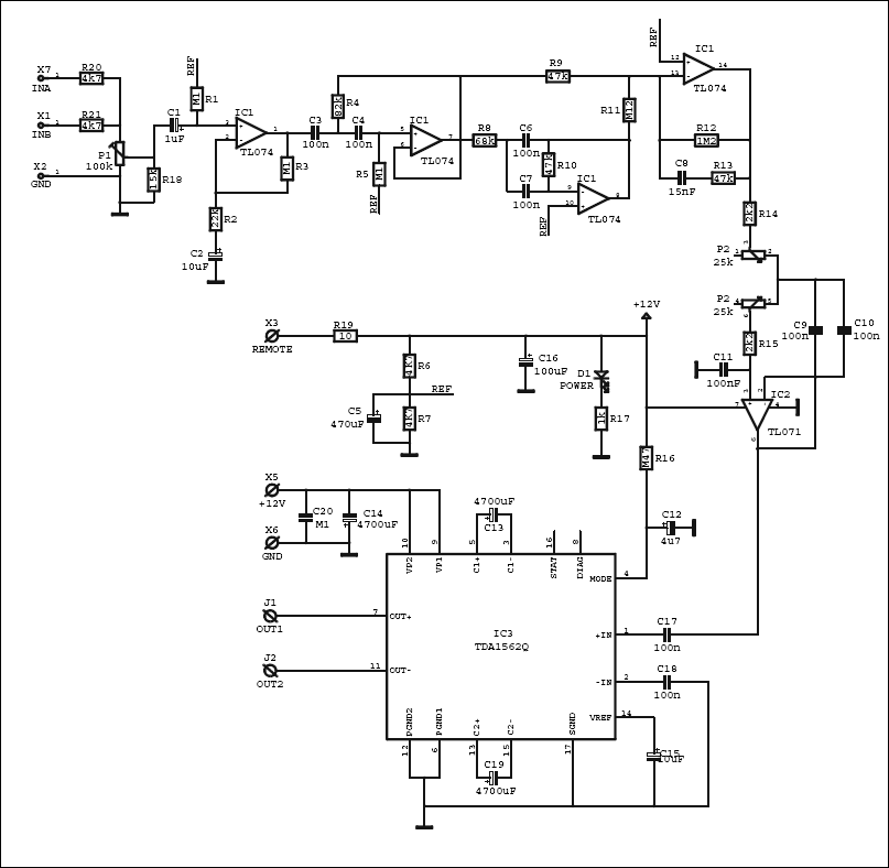
Valami olyan probléma lehet, hogy "nem veszi észre" hogy a bemenetre csatlakoztatok valamit. Valamint amikor növekszik az impulzus a bemeneten akkor "úgy érzékeli" hogy levettem a bemenetet. Meggyőződésem hogy ha rövidzár, hőmegfutás, túlmelegedés, stb.. akkor nem stand-by 14.40V-ot vagy "üzemi" 11.40V-ot kellene mérnem. Javíts ki kérlek ha tévedek. Mellékelek kapcsolási rajzot is.

Az az érdekes hogy nem a sok mély miatt kapcsol ki, ha teljesen leveszem a mélyet(winampban ) akkor is kikapcsol egy adott hangerő felett.

Ha egy skálát állítok fel a bemeneti jelről elméletben, akkor pc tápról a jel:
1-10 -es skálán ment, és teljesen kihasználható volt. Bekapcsolni az 1es értéken kapcsolt be.
Most:
1-5 -ös skálán lehet hangerővel játszani, de kb. a skálán a 12-nél helyezkedik el az a pont amikor elindul az erősítés.(ekkora jelet nem tudok generálni, ezért kell ki húzni és be dugni a jacket, hogy ami az alaplap testjén van milivoltok belezavarjanak a bemenetembe.)

Köszi a segítséget!
Következő: »»   7 / 8
Bejelentkezés

Belépés

Hirdetés
XDT.hu
Az oldalon sütiket használunk a helyes működéshez. Bővebb információt az adatvédelmi szabályzatban olvashatsz. Megértettem