Fórum témák
» Több friss téma |
A kimeneten lévő soros RC-tag Boucherot-cellaként szolgál. Ezt pluszba raktam hozzá.
Nagyon köszönöm a rajzot. de ezek szerint akkor 2 fajta vf6-os van. Sajna én a másikhoz vásároltam alkatrészt, sokba nem különbözik. Ez sokkal egyszerűbbnek kéz ki, úgyhogy lehet inkább ezt építem meg. De elküldöm a másiknak a rajzát hátha valakinek megtetszik.
Sziasztok! Valaki ismeri, vagy megépítette a Szami féle VF3-at? A problémám az, hogy nem tudom, hogy miért csattog be az erősítő a teljes hangerő elött egy picivel. A tápom tök egyforma +- 23.5V ot ad mind két oldalnak, és 100VA a trafó teljesítménye. Az NE5534 +- 18.8V -ot. A Nyugalmi áramot is próbáltem feljebb, lefelé is, de nincs változás. Mindjárt felteszek egy képet is. 2 db 200 Wattos Reflex hangfalat gyönyörüen meghajt a méllyel együtt, de hogy a torzításig felvigyem, megelőzi az ütemre való be kattanás vagy csattanás. A FETteket már cseréltem, de semmi nem változik. Valaki segítségét kérem. A Szamóca annyit mondott privátban, hogy ide tegyem fel a kérdésem.
Mind a két csatornában ugyanezt a hibajelenséget észlelted?
A Tantál kondit cseréld le. Érdekes ez a panel, valóban az én nevem van rajta, de én ezt készítettem. A dióda eleve nincs a fetekkel termikus kapcsolatban.
Szia Szamóca! Igen. Egy ütemben szinkronban. Milyenre és milyen értéküre?
Szia! Én ezt építettem meg. és 2.2µF tantál ami benne van.
Ja igen, csak ez nem a VF3, hanem a kettő.
![]() szerk: Bocsi igazad van. Ez egy tervezet volt amit nem készítettem el.
Csak a nyákodon az van, hogy Szami VF3. Építsem meg amit az elöbb átküldtél? Az jobb mint ami most nekem van? Nézd meg légyszíves, hogy a zpd12 azok jó helyen vannak? Köszönöm.
De viszont nagyon szépen szól. De attól függetlenül a tantált kell kicserélne ügye?
Az amit küldtem, az a valódi VF3, és max +-18VDC ig használható, tehát a te tápodhoz az kicsi. 100% hogy működik, mert most is azt hallgatom.
Készült egy terv a nagyobb teljesítményigény miatt, ez volt az amit Te megépítettél. (VF6) Csak ez nem lett kipróbálva hogy működik e a gyakorlatban. A Ta kondit MKP vagy hasonló nonpolarizáltra cseréld.
Köszi a válaszokat. És akkor maradjon ez a nyák a tantál cserével? Milyen értékűre?
Az érték jó, csak a tantál nem épp jó választás jelútba.
A FET-eken fenn van a hőkompenzáló dióda ellenállás páros?
Szami Kedves! Akkor erre a kapcs. rajzra egy lay.t küldjél légyszíves, mert különben nem tudom megcsinálni. Előre is köszönöm.
Igen, fent van csak lehet, hogy a 470R ellenálat rossz neki. Ettől nem csattoghat?
Laci ezzel a panellel kapcsolatban szinkronban Veled próbál segiteni a Reloop is. Nem lehet nekem a bajom az, hogy az NE55.. túl sok naftát kap a meghajtáskor. Reloop még annyit mond, hogy a panelről a FET elöttről levehetem a zpd12 -t. Kondit cseréltem a bemeneten de semmi változás. A FETten 4148 -al sorban 470 Ohm álat van. Terhelés nélkül az ic- n +-19V, ha megküldöm ez nem mászik tovább?
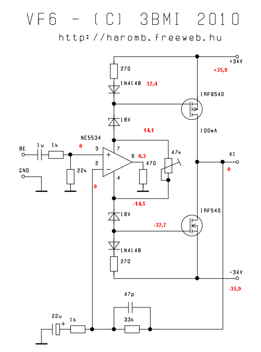
Ezen a rajzon látszik, hogy a Vf3-hoz képest hogyan kerülnek zener-diódák az IC tápágába. A +/-23,5V-od megérdemelné a Vf6-tá alakítást. Ez fóliaátvágással és 2db 5V körüli zener beiktatásával járna.
Nyugodtabban lehetne bele például TL071-et próbálni.
Te egy kedves ember lehetsz, mert kitartóan segítesz a Szamival párhuzamban. Jó, akkor megvágom a nyákot, és majd holnap jelentkezem. Nincsen semmi műterhem, hogy kipróbáljam, meg ilyen későn hangfalon egy kicsit gáz. Jó éjt NEKTEK . Majd talán holnap, fáradtan ismét jelentkezem. Szép álmokat. K.Gy
Sziasztok ahogy néztem a kapcslási rajzokat elég a 2 táp ágat megszakittani a müveleti erösittöhöz és beforrasztani 2 SMD zennert (nem olvastam végig idöm hiánya miatt) vagy ez halott ötlet?
Igy mekkora teljesitményt lehet elérni? mekkora maximum tápfesz amit adhatok neki? vagy ez csak a kondiktól függ?
Szia! A VF6-ra gondolsz? Bővebben: Link
Igen erre gondoltam, van müködö VF3 kapcsolásom és azt akarom kicsit átalakittani
Úgy vélem a MOSFET disszipációs képessége szab csak határt, természetesen az áram és a feszültség terhelhetőség figyelembevételével.
Körülbellül ezzel a kapcsolással és mondjuk árameröséggel mekkora lenne a max kimenö teljesitmény?
Kimenő teljesítményt tápfeszültségből és terhelőimpedanciából (ohm) tudok csak számolni. A +/-34V 4ohm-on 100W-ot könnyedén teljesít.
Ha kell a teljesítmény, akkor már inkább a VF2-130W ot javasolnám. Több sikeres utánépítés működik belőle. Én így képzeltem el.
Szia!
Bővebben: Link A tápfeszt lehet növelni, bár ebben az esetben nagyobb kimenő áram is jelentkezik, amihez nem árt a FET-eket is növelni, valamint a 33K visszacsatolást is módosítani kell. Minden jót. B
Az a helyzet, hogy az alapkoncepció az volt az általam kigondolt megoldásnál, hogy a NE 55334 TL071 stb. és más standard ME +-18V os maximál tápfeszültsége miatt ugye nem lehet nagyobb teljesítményt kivenni ebből a kapcsolásból. Tehát olyan IC-t kerestem ami nagyobb tápfeszről hajtható. Így lett egy OPA552 beletervezve, ami +-30V-ig jó.
KT ezt a problémát, soros zénertaggal oldotta meg. A bemeneti csatolókondi 2,2uf os értékén nem kell változtatni, mert ha csökkented, akkor a mélyebb frekiket vágja. A visszacsatoló ágban minden jól van beültetve? Polaritáshelyesen, és jó értékekkel? |
Bejelentkezés
Hirdetés |














